JM-100-Rev07 - 第129页
- - REF.NO NOT E PART NO DESCRIPTION Qty 1 40 1-82290 ATX232CCABLEASM2 1 2 EZ -1468979-11 POW ER(ENSP-300P-S20- 11S) 1 3 40 2-05765 CPUBOARD 1 4 40 2-06824 ENVSYSDSKASM(JM10 0MES) 1 5 #02 402…

- -
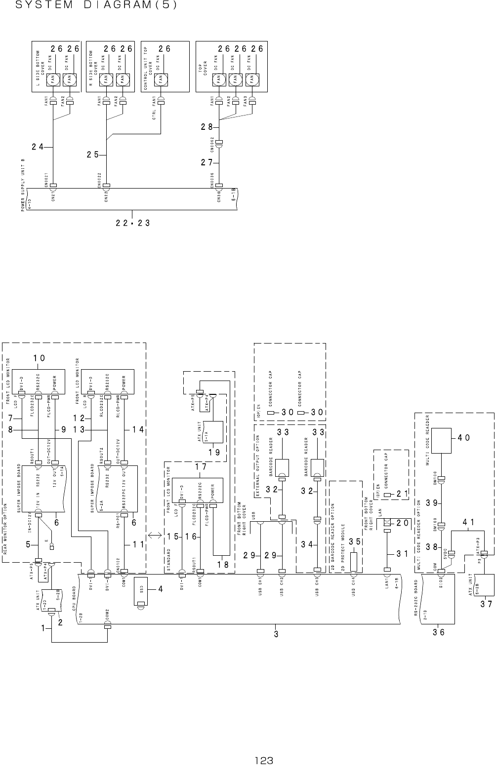
62.SYSTEMDIAGRAM(5)

- -
REF.NO NOTE PARTNO DESCRIPTION Qty
1 401-82290 ATX232CCABLEASM2 1
2 EZ-1468979-11 POWER(ENSP-300P-S20-11S) 1
3 402-05765 CPUBOARD 1
4 402-06824 ENVSYSDSKASM(JM100MES) 1
5
#02
402-05757 ATX-SPIMPPWRCABLEASM2 1
6
#02
401-29641 SUPERIMPOSEBOARD 1
7
#02
401-29642 DVICABLEL2.5M 1
8
#02
401-29084 SPIMP-FLCDSERIALCABLEASM 1
9
#02
401-90366 SPIMP-FLCDPWRCABLEASM 1
10
#02
401-58158 15INCHLCDMONITOR 1
11
#02
401-82263 CPU-SPIMPSERIALCABLEASM 1
12
#02
401-29643 DVICABLEL4.0M 1
13
#02
401-29087 SPIMP-RLCDSERIALCABLEASM 1
14
#02
401-90370 SPIMP-RLCDPWRCABLEASM 1
15 401-29642 DVICABLEL2.5M 1
16 401-29084 SPIMP-FLCDSERIALCABLEASM 1
17 401-58158 15INCHLCDMONITOR 1
18 402-05756 FLCDPWRCABLEASM 1
19 EZ-1468979-11 POWER(ENSP-300P-S20-11S) 1
20 HK-0651200-80 MODULARKAPLA 1
21
#01
HX-0066000-00 DUSTCOVER 1
22 402-06696 ASM_JM100_POWER_SUPPLY_UNIT_B 1
23
#01
402-06708 ASM_JM100_POWER_SPLY_UNIT_B_EN 1
24 401-89241 BASELFANRELAYCABLEASM 1
25 402-05758 BASERFANRELAYCABLEASM 1
26 401-89090 DCFANASM 1
27 401-89243 TOPCOVERFANRELAYCABLEASM 1
28 401-89244 TOPCOVERFANCABLEASM 1
29 400-44522 USBRELAYCABLE 1
30
#01
HX-0066700-00 DUSTCOVER 1
31 HW-0018100-80 LANCABLE 1
32 401-73482 USBBARCORDREADERCABLE(4M) 1
33 EZ-1458644-11 READERBARCODE 1
34 401-73481 USBREPEATERCABLE 1
35 401-29932 2DPROTECTMODULE(USB) 1
36 401-35433 8-PORTCOMBOARD 1
37 EZ-1468979-11 POWER(ENSP-300P-S20-11S) 1
38 401-39308 SCANNERADAPTERCABLE 1
39 401-39307 HIGHFLEXIBLECABLE 1
40 401-99830 BARCODEREADER 1
41 402-13470 MULTISENSPOWERCABLEASM 1

- -
63.SYSTEMDIAGRAM(6)