YS12F(H15)_cwd_je
YS12F (H15) Control W iring Diagram KKJ-100-1302 (CWD)

YS12F
(H15)
Control Wiring Diagram
KKJ-100-1302 (CWD)
Table of contents
/目次
YS12F(H15)
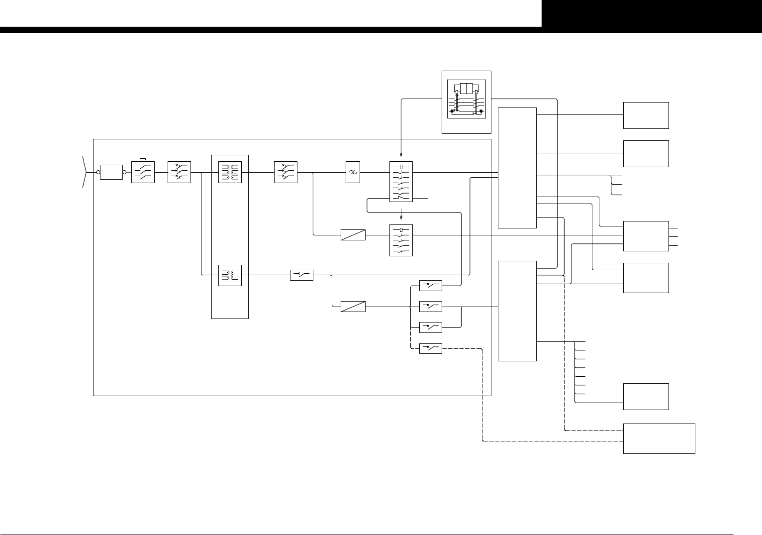
P. 1 Overviewforfrontfeederonly/全体接続図 (前フィーダ)
P. 2 Overviewforfront&rearfeeder/全体接続図 (前後フィーダ)
P. 3 Contorolbox/コントロールボックス接続図
P. 4 I/Oconveyor-1-/I/Oコンベアー接続図-1-
P.5 I/Oconveyor-2-/I/Oコンベアー接続図-2-
P. 6 I/Oconveyor-3-/I/Oコンベアー接続図-3-
P. 7 Headservounit /ヘッドサーボユニット
P. 8 Multicameraunitsel(option)/ マルチカメラユニット接続図( オプション)
P. 9 Operationpanelsel/ 操作盤接続図
P.10 Fix24feederstructure(frontonly)/24 連固定フィーダー接続図( 前)
P.11 FFix24&RFix60feederstructure/前 24 後 60 連固定フィーダー接続図
P.12 Fes24feederstructure(frontonly)/24 連台車フィーダー接続図( 前)
P.13 FFes24&RFix60feederstructure/前 24 連台車 後 60 連固定フィーダー接続図
P.14 Ionizerassy(option) /イオナイザー接続図 (オプション)
P.15 Powertransformer/電源トランス接続図
P.16 Powercircuitforfrontfeederonly/電源回路図 (前フィーダ)
P.17 Powercircuitforfront&rearfeeder/電源回路図 (前後フィーダ)
P.18 Emergencycircuit/非常停止回路図
P.19Aircircuit/ エアー回路図
P.23Wiringpartslist /配線部品表
Condential & Proprietary

Confidential & Proprietary
PAGE
TERMINAL
3∼ 200V 0-375Hz
1:1.66KW(TOTAL)
ATS15
1:1.30KW(TOTAL)
2:2.36KW(TOTAL)
STANDARD
2:2.36KW(TOTAL)
See ATS15
ATS15
DC24V
COMU
INTERCONNECTION DIAGRAM
TRAY CHANGER(OPTION)
DC24V
QF26 4A
AC50/60Hz 11.6A(MAX)
DC24V
DC24V
QF21 10A
1.5KVA(with UPS)
1.0KVA(STD)
COMU
DC24V
DC48V
COMU
COMU
COMU
COMU
COMU
DC24V
DC24V
DC24V
1∼ AC100V
DC24V
Power Supply
CONTROL BOX
(OPTION)
BARCODE READER
USB MEMORY
Each Motors
OPERATION PANEL SEL.
MULTI CAMERA UNIT
IONIZER ASSY(OPTION)
FAN
VALVE
SENSOR
CONVEYOR MOTOR 30W
SIGNAL TOWER
COVER S/W
EMG S/W
F.FEEDER
3∼ AC230V
1∼ AC100V
KM12/KM12A
FAN
HEAD SENSOR,VALVE
Z,R SERVO MOTOR
I/O HEAD
GS31 600W 7A
1∼ AC230V DC48VDC48V
Contactor
Peak 15.5A 10sec
Power Supply
KM11/KM11A
DRIVER
CONVEYOR MOTOR
DRIVER
OUTPUT:
MOTOR:3∼ 230V
AC50/60Hz 4.0A(MAX)
CONTROL:1∼ 100V
INPUT:
EMERGENCY CIRCUIT
KM10
CH1CH2K2 K1
Safety Relay
POWER CIRCUIT
3∼3∼ 3∼ AC230V
1∼ AC100V
3∼ AC230V 3∼ AC230V 3∼ AC230V
DC24VDC24V
QF23 12A
QF25 4A
Contactor
NF11
TC11
Noise
Filter
Circuit
Protector
TM11 1.7KVA
Transformer
Transformer
POWER TRANSFORMER
XB11
QS11 25A QF11 20A
Main Breaker
Main Switch
Terminal
380/400/416V
200/208/220/240
3∼ 50/60Hz
GS21 600W 27A
See Page 4-6
CN1-CN14 …Page 4
CN17-CN20…Page 5
CN21-CN44…Page 6
See Page 7
See Page 3
I/O CONVEYOR BOARD
QF24 10A
FES24
FIX24
Rating 4.9KVA MAX.
See Page 18
See Page 15
See Page 16
See Page 10
See Page 12
See Page 14
See Page 8
See Page 9
QF31 set5A
(4-6.3A)
CC.V5
1
OVER VIEW for FRONT FEEDER Only
YS12F(H15)