YS12F(H15)_cwd_je - 第3页
Confidential & Proprietary P A G E TERMINAL 3∼ 200V 0-375Hz 1:1.66KW( TOTAL) ATS15 1:1.30KW( TOTAL) 2:2.36KW( TOTAL) STANDARD 2:2.36KW( TOTAL) See ATS15 ATS15 DC24V COMU INTERCONNECTION DIAG RAM TRAY CHANGER(OPT ION)…
Table of contents
/目次
YS12F(H15)
P. 1 Overviewforfrontfeederonly/全体接続図 (前フィーダ)
P. 2 Overviewforfront&rearfeeder/全体接続図 (前後フィーダ)
P. 3 Contorolbox/コントロールボックス接続図
P. 4 I/Oconveyor-1-/I/Oコンベアー接続図-1-
P.5 I/Oconveyor-2-/I/Oコンベアー接続図-2-
P. 6 I/Oconveyor-3-/I/Oコンベアー接続図-3-
P. 7 Headservounit /ヘッドサーボユニット
P. 8 Multicameraunitsel(option)/ マルチカメラユニット接続図( オプション)
P. 9 Operationpanelsel/ 操作盤接続図
P.10 Fix24feederstructure(frontonly)/24 連固定フィーダー接続図( 前)
P.11 FFix24&RFix60feederstructure/前 24 後 60 連固定フィーダー接続図
P.12 Fes24feederstructure(frontonly)/24 連台車フィーダー接続図( 前)
P.13 FFes24&RFix60feederstructure/前 24 連台車 後 60 連固定フィーダー接続図
P.14 Ionizerassy(option) /イオナイザー接続図 (オプション)
P.15 Powertransformer/電源トランス接続図
P.16 Powercircuitforfrontfeederonly/電源回路図 (前フィーダ)
P.17 Powercircuitforfront&rearfeeder/電源回路図 (前後フィーダ)
P.18 Emergencycircuit/非常停止回路図
P.19Aircircuit/ エアー回路図
P.23Wiringpartslist /配線部品表
Condential & Proprietary

Confidential & Proprietary
PAGE
TERMINAL
3∼ 200V 0-375Hz
1:1.66KW(TOTAL)
ATS15
1:1.30KW(TOTAL)
2:2.36KW(TOTAL)
STANDARD
2:2.36KW(TOTAL)
See ATS15
ATS15
DC24V
COMU
INTERCONNECTION DIAGRAM
TRAY CHANGER(OPTION)
DC24V
QF26 4A
AC50/60Hz 11.6A(MAX)
DC24V
DC24V
QF21 10A
1.5KVA(with UPS)
1.0KVA(STD)
COMU
DC24V
DC48V
COMU
COMU
COMU
COMU
COMU
DC24V
DC24V
DC24V
1∼ AC100V
DC24V
Power Supply
CONTROL BOX
(OPTION)
BARCODE READER
USB MEMORY
Each Motors
OPERATION PANEL SEL.
MULTI CAMERA UNIT
IONIZER ASSY(OPTION)
FAN
VALVE
SENSOR
CONVEYOR MOTOR 30W
SIGNAL TOWER
COVER S/W
EMG S/W
F.FEEDER
3∼ AC230V
1∼ AC100V
KM12/KM12A
FAN
HEAD SENSOR,VALVE
Z,R SERVO MOTOR
I/O HEAD
GS31 600W 7A
1∼ AC230V DC48VDC48V
Contactor
Peak 15.5A 10sec
Power Supply
KM11/KM11A
DRIVER
CONVEYOR MOTOR
DRIVER
OUTPUT:
MOTOR:3∼ 230V
AC50/60Hz 4.0A(MAX)
CONTROL:1∼ 100V
INPUT:
EMERGENCY CIRCUIT
KM10
CH1CH2K2 K1
Safety Relay
POWER CIRCUIT
3∼3∼ 3∼ AC230V
1∼ AC100V
3∼ AC230V 3∼ AC230V 3∼ AC230V
DC24VDC24V
QF23 12A
QF25 4A
Contactor
NF11
TC11
Noise
Filter
Circuit
Protector
TM11 1.7KVA
Transformer
Transformer
POWER TRANSFORMER
XB11
QS11 25A QF11 20A
Main Breaker
Main Switch
Terminal
380/400/416V
200/208/220/240
3∼ 50/60Hz
GS21 600W 27A
See Page 4-6
CN1-CN14 …Page 4
CN17-CN20…Page 5
CN21-CN44…Page 6
See Page 7
See Page 3
I/O CONVEYOR BOARD
QF24 10A
FES24
FIX24
Rating 4.9KVA MAX.
See Page 18
See Page 15
See Page 16
See Page 10
See Page 12
See Page 14
See Page 8
See Page 9
QF31 set5A
(4-6.3A)
CC.V5
1
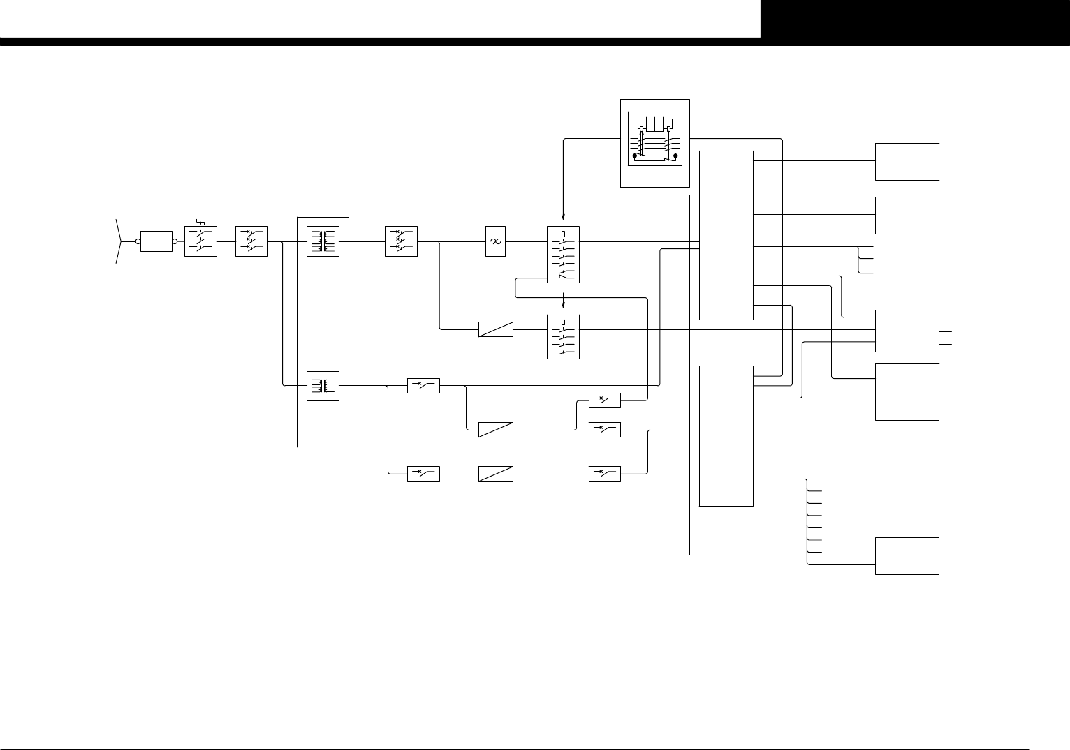
OVER VIEW for FRONT FEEDER Only
YS12F(H15)

Confidential & Proprietary
PAGE
TERMINAL
1:1.30KW(TOTAL)
STANDARD
2:2.36KW(TOTAL)
AC50/60Hz 11.6A(MAX)
DC24V
COMU
DC24V
DC48V
COMU
COMU
COMU
COMU
COMU
DC24V
DC24V
DC24V
1∼ AC100V
DC24V
Power Supply
CONTROL BOX
(OPTION)
BARCODE READER
USB MEMORY
Each Motors
OPERATION PANEL SEL.
MULTI CAMERA UNIT
IONIZER ASSY(OPTION)
FAN
VALVE
SENSOR
CONVEYOR MOTOR 30W
SIGNAL TOWER
COVER S/W
EMG S/W
3∼ AC230V
1∼ AC100V
KM12/KM12A
FAN
HEAD SENSOR,VALVE
Z,R SERVO MOTOR
I/O HEAD
GS31 600W 7A
1∼ AC230V DC48VDC48V
Contactor
Peak 15.5A 10sec
Power Supply
KM11/KM11A
DRIVER
CONVEYOR MOTOR
DRIVER
OUTPUT:
MOTOR:3∼ 230V
AC50/60Hz 4.0A(MAX)
CONTROL:1∼ 100V
INPUT:
EMERGENCY CIRCUIT
KM10
CH1CH2K2 K1
Safety Relay
POWER CIRCUIT
3∼3∼ 3∼ AC230V
1∼ AC100V
3∼ AC230V 3∼ AC230V 3∼ AC230V
DC24VDC24V
QF23 12A
QF25 4A
Contactor
NF11
TC11
Noise
Filter
Circuit
Protector
TM11 1.7KVA
Transformer
Transformer
POWER TRANSFORMER
XB11
QS11 25A QF11 20A
Main Breaker
Main Switch
Terminal
380/400/416V
200/208/220/240
3∼ 50/60Hz
See Page 4-6
CN1-CN14 …Page 4
CN17-CN20…Page 5
CN21-CN44…Page 6
See Page 7
See Page 3
I/O CONVEYOR BOARD
1∼ AC100V DC24V
GS22 600W 27A
Power Supply
QF41 7A
DC24V
QF24 20A
QF21 7A
1.5KVA(STD)
1.75KVA(with UPS)
See Page 8
See Page 9
3∼ 200V 0-375Hz
Rating 4.9KVA MAX.
GS21 300W 14A
See Page 18
See Page 15
See Page 17
See Page 14
FEEDER
FRONT FIX24
REAR FIX60
FRONT FES24
See Page 13
REAR FIX60
See Page 11
QF31 set5A
(4-6.3A)
CC.V5
2
OVER VIEW for FRONT & REAR FEEDER
YS12F(H15)