YS12_F_KKJ_e_ - 第16页
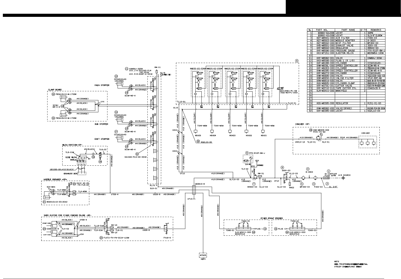
PA G E 14 Con fi dential & Proprietary Y S 1 2 F YS12F Air circuit H013345


PAG E
14
Confi dential & Proprietary
YS12F
YS12F
Air circuit
H013345

PAGE
15
Condential & Proprietary
YS12F
Air circuit (FES+ATS)
H 0 1 6 3 4 2
PA G E 14 Con fi dential & Proprietary Y S 1 2 F YS12F Air circuit H013345


