YS12_F_KKJ_e_ - 第18页
P AGE 16 Condential & Proprietary Y S 1 2 F Air circuit (FIX24+FIX60) H 0 1 6 3 4 2

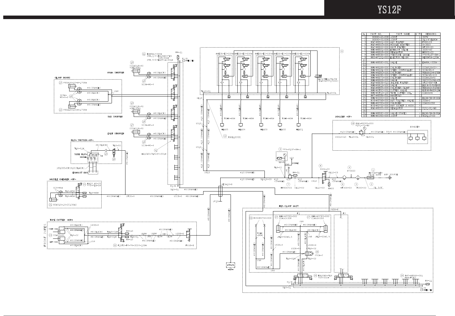
PAGE
15
Condential & Proprietary
YS12F
Air circuit (FES+ATS)
H 0 1 6 3 4 2

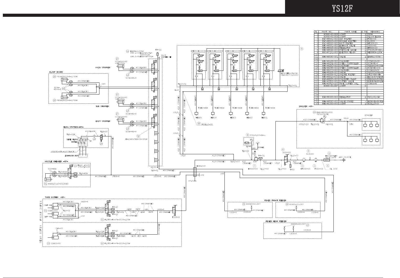
PAGE
16
Condential & Proprietary
YS12F
Air circuit (FIX24+FIX60)
H 0 1 6 3 4 2

PAGE
17
Condential & Proprietary
YS12F
Air circuit (FES24+FIX60)
H 0 1 6 3 4 2