N7202A029B40_SPG_Parts List - 第108页
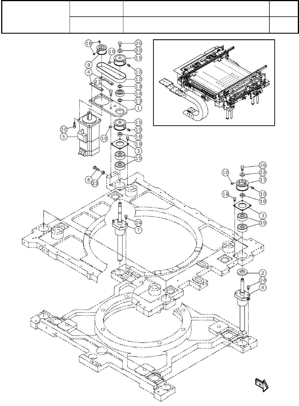
14-J 基板位置決めリフト:SPG PCB POSITIONING LIFT:SPG パーツレイアウト Kit No. キット品番 Kit Name キット名称 N610140071AA セクションNo. PARTS LA YOUT Sectio n No. - - S81 ( KN610 14007 1AA-15-10 )

Ref
No.
Remarks R
1
Q'ty
14-I
基板位置決めリフト:SPG
PCB POSITIONING LIFT:SPG
イラスト
No.
Part No.
品名品番 数量
R
2
パーツリスト
Kit No.
キット品番
Kit Name
キット名称
N610140071AA
Part Name
備考
セクションNo.
PARTS LIST
Section No.
R
3
PLATE
1
1 N210172320AC
PLATE
1
2 N210116781AA
COLLAR
4
3 N210026041AA
COLLAR
1
4 N210172321AA
PLATE
4
5 N210026242AA
NUT-PLATE
2
6 N210116782AB
PIN
4
7 N510020598AA MMS4-15
MOTOR
1
8 MSMD022G1T2
S
MSMD022G1T2
BOLT
1
9 N510020805AA
Hexagon head bolt Best class M6X20-6g A2-70 no marking
BALL-SCREW
1
10 N510063904AA BTK1605S-2.6ZZGT+218.5LCp5R(B)(32831718K000)
BALL-SCREW
3
11 N510064136AA BTK1605S-2.6ZZGT+145LCp5R(B)(32831719K000)
SCREW
12
12 N510018387AA
Hexagon socket set screw Cup point M6X8-45H A2J (Trivalent)
WASHER
1
13 N510026549AA MMSRB10-1.0
BEARING
1
14 KXF0E3L8A00 6200ZZCM
BEARING
8
15 KXF00LCAA00 6300ZZCM
PULLEY
1
16 N510022798AA P25-5GT-15-33F(K0602-016)
T-BELT
1
17 KXF0E08GA00 300-5GT-15(DDA)
PULLEY
5
18 N510022795AA P25-5GT-15-6F(K0602-013)
BOLT
16
19 N510017344AA
Hexagon socket head cap screw M4X10-10.9 A2J (Trivalent)
BOLT
4
20 N510017351AA
Hexagon socket head cap screw M4X16-10.9 A2J (Trivalent)
BOLT
2
21 N510017433AA
Hexagon socket head cap screw M6X16-10.9 A2J (Trivalent)
WASHER
4
22 N510020101AA Thick washer M6
NUT
1
23 N510017867AA
Hexagon nut Type-1 Best class M6-6H-4T A2J (Trivalent)
BOLT
16
24 N510017346AA
Hexagon socket head cap screw M4X12-10.9 A2J (Trivalent)
BOLT
4
25 N510017428AA
Hexagon socket head cap screw M6X12-10.9 A2J (Trivalent)
S80
--
( KN610140071AA-15-9 )

14-J
基板位置決めリフト:SPG
PCB POSITIONING LIFT:SPG
パーツレイアウト
Kit No.
キット品番
Kit Name
キット名称
N610140071AA
セクションNo.
PARTS LAYOUT
Section No.
--
S81
( KN610140071AA-15-10 )

Ref
No.
Remarks R
1
Q'ty
14-J
基板位置決めリフト:SPG
PCB POSITIONING LIFT:SPG
イラスト
No.
Part No.
品名品番 数量
R
2
パーツリスト
Kit No.
キット品番
Kit Name
キット名称
N610140071AA
Part Name
備考
セクションNo.
PARTS LIST
Section No.
R
3
PLATE
1
1 N210173584AA
STOPPER
2
2 N210025905AA
PLATE
4
3 N210026242AA
NUT-PLATE
2
4 N210116782AB
MOTOR
1
5 MSMD042G1T2
S
MSMD042G1T2
BOLT
1
6 N510020805AA
Hexagon head bolt Best class M6X20-6g A2-70 no marking
BALL-SCREW
1
7 N510063905AA BTK1605E-2.6ZZGT+244.5LCp5R(32818484K000)
BALL-SCREW
3
8 N510063906AA BTK1605E-2.6ZZGT+222LCp5R(32818483K000)
PULLEY
1
9 N510065630AA P20-5GT(P1202-024)
SCREW
10
10 N510018387AA
Hexagon socket set screw Cup point M6X8-45H A2J (Trivalent)
PULLEY
2
11 N510022796AA P25-5GT-15-33F(K0602-014)
T-BELT
1
12 N510064355AA 295-5GT-15(QL232N1)S-107360
WASHER
2
13 N510026549AA MMSRB10-1.0
BEARING
1
14 KXF0E3L8A00 6200ZZCM
BEARING
8
15 KXF00LCAA00 6300ZZCM
WASHER
4
16 N510020766AA KK16
PULLEY
3
17 N510022795AA P25-5GT-15-6F(K0602-013)
SCREW
2
18 N510063605AA
Hexagon socket set screw Cup point M5X4-45H A2J (Trivalent)
BOLT
16
19 N510017344AA
Hexagon socket head cap screw M4X10-10.9 A2J (Trivalent)
BOLT
4
20 N510017351AA
Hexagon socket head cap screw M4X16-10.9 A2J (Trivalent)
BOLT
2
21 N510017433AA
Hexagon socket head cap screw M6X16-10.9 A2J (Trivalent)
WASHER
4
22 N510020101AA Thick washer M6
NUT
1
23 N510017867AA
Hexagon nut Type-1 Best class M6-6H-4T A2J (Trivalent)
BOLT
16
24 N510017346AA
Hexagon socket head cap screw M4X12-10.9 A2J (Trivalent)
BOLT
4
25 N510017428AA
Hexagon socket head cap screw M6X12-10.9 A2J (Trivalent)
S82
--
( KN610140071AA-15-10 )