N7202A029B40_SPG_Parts List - 第478页
102 カートリッ ジヘ ッドメンテナ ンス キット: DSP CART RIDGE HEAD M AINTENANCE KITS:DSP パーツレイアウト K it N o. キット品番 Kit N ame キット名称 N61012 0892A A セクショ ンNo. PARTS L AYOUT Sectio n No. O223

Ref
No.
Remarks R
1
Q'ty
101
密閉ヘッド用Mサイズカセットホルダ:SPG
M-size Cassette Holder for Closed Head:SPG
イラスト
No.
Part No.
品名品番 数量
R
2
パーツリスト
Kit No.
キット品番
Kit Name
キット名称
N610138845AB
Part Name
備考
セクションNo.
PARTS LIST
Section No.
R
3
KNOB
1
1 KXFB02AVA00
HOLDER
1
2 N210163707AC
BLOCK
1
3 KXFB0916A00
PLATE
1
4 N210163538AB
SHAFT
1
5 N210163539AB
SHAFT
4
6 KXFB02B1A00
KNOB
1
7 KXFB02B2A00
SHAFT
1
8 KXFB02B3A00
BLOCK
2
9 MTPA017348AC
COLLAR
2
10 KXFB02ABA00
PAD
4
11 KXFB02B5A00
A
FRAME
1
12 N210132512AB
BLOCK
1
13 KXFB02B7A01
KNOB
1
14 KXFB091BA00
BLOCK
1
15 N210163543AB
PIN
2
16 KXFB02AZA00
COVER
1
17 KXFB02B8A00
BRACKET
2
18 KXFB091HA00
PLATE
1
19 KXFB02BBA01
PLATE
2
20 KXFB02DQA00
BLADE
2
21 KXFB02C4A01
SPACER
2
22 KXFB04HKA00
PLATE
1
23 N210164597AA
E-RING
2
24 KXF01XCAA00 ETW-4
BOLT
12
25 N510022770AA
SCREW
4
26 N510018279AA
Cross recessed Truss head machine screw M4X6-4.8 A2J (Trivalent)
PIN
1
27 N510020589AA MMS3-8
O-RING
2
28 KXF0DXZBA00 CO2018A
BLADE
2
29 N510066422AA
A
PlasticBlade 360X40X0.5
O222

102
カートリッジヘッドメンテナンスキット:DSP
CARTRIDGE HEAD MAINTENANCE KITS:DSP
パーツレイアウト
Kit No.
キット品番
Kit Name
キット名称
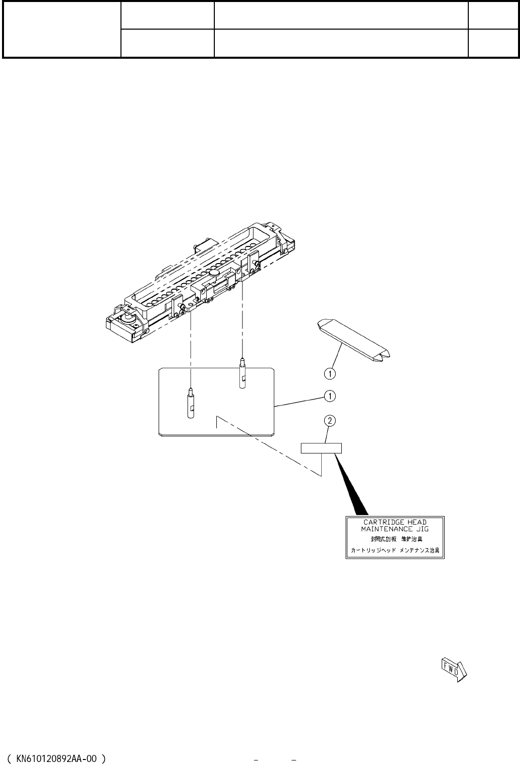
N610120892AA
セクションNo.
PARTS LAYOUT
Section No.
O223

Ref
No.
Remarks R
1
Q'ty
102
カートリッジヘッドメンテナンスキット:DSP
CARTRIDGE HEAD MAINTENANCE KITS:DSP
イラスト
No.
Part No.
品名品番 数量
R
2
パーツリスト
Kit No.
キット品番
Kit Name
キット名称
N610120892AA
Part Name
備考
セクションNo.
PARTS LIST
Section No.
R
3
CARTRIDGE HEAD
1
1 N610115160AA
Label(CARTRIDGE HEAD
1
2 N610120893AA
O224