N7202A029B40_SPG_Parts List - 第514页
112 高さ検出レ ーザーユ ニット :SPV Height Detection Laser Un it:SPV パーツレイアウト K it N o. キット品番 Kit N ame キット名称 M TKA 00 0296AB セクショ ンNo. PARTS L AYOUT Sectio n No. O259

Ref
No.
Remarks R
1
Q'ty
111
搬送固定ブラケット(はんだ自動供給部):SPV
Fixed Bracket (Solder Auto Dispensing):SPV
イラスト
No.
Part No.
品名品番 数量
R
2
パーツリスト
Kit No.
キット品番
Kit Name
キット名称
MTKA001621AA
Part Name
備考
セクションNo.
PARTS LIST
Section No.
R
3
BRACKET
1
1 MTPB001200AB
BOLT
4
2 N510019942AA WA SOCKET SP TYPEM5X16-10.9 A2J (Trivalent)
O258

112
高さ検出レーザーユニット:SPV
Height Detection Laser Unit:SPV
パーツレイアウト
Kit No.
キット品番
Kit Name
キット名称
MTKA000296AB
セクションNo.
PARTS LAYOUT
Section No.
O259

Ref
No.
Remarks R
1
Q'ty
112
高さ検出レーザーユニット:SPV
Height Detection Laser Unit:SPV
イラスト
No.
Part No.
品名品番 数量
R
2
パーツリスト
Kit No.
キット品番
Kit Name
キット名称
MTKA000296AB
Part Name
備考
セクションNo.
PARTS LIST
Section No.
R
3
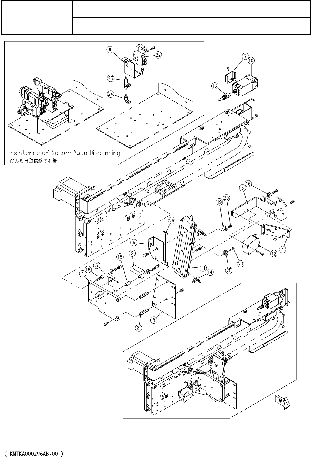
PLATE
1
1 MTPA001898AB
BLOCK
1
2 MTPA001899AB
BRACKET
1
3 MTPB001037AC
BRACKET
1
4 MTPB001038AA
PLATE
1
5 MTPB001039AB
BRACKET
1
6 MTPB005051AA
BRACKET
1
7 MTPB000296AA
PLATE
1
8 MTPB005285AA
BRACKET
1
9 MTPB005023AA
AMP
1
10 MTKP001599AA
CYLINDER-KIT
1
11 MTKP000672AA MXQ12A-100ZH2-M9NS-X28
SENSOR
1
12 N510064571AA
S
ZX2-LD50V
CABLE
1
13 N510064573AA ZX2-XC1R
SPEED-CONTROLLER
2
14 MTNP000243AA AS1201F-M5-04A
SPACER
1
15 N510051348AA CU-516
BEARING
1
16 KXF0BBJAA00 624ZZ
PIN
1
18 N510020598AA MMS4-15
CABLE-SUPPORT
2
19 N348TA1S8 TA1S8
BOLT
3
20 N510017534AA
SSS 003 Hexagon socket button head screw M4X6-10.9 A2J (Trivalent)
SPACER
2
21 N510029497AA ASF-445E
VALVE
1
22 N510065300AA VQZ1121-5MOZ1-C4-X553-Q
REGULATOR
1
23 KXF0CQFAA00 ARJ1020F-M5-04
JOINT
1
24 MTNP000377AA KQ2LF04-M5A
CABLE-SUPPORT
1
25 N348KR5G5T KR5G5
TRIM
1
26 KXF0DULAA00 CE-024
O260