JX-350-Rev04.pdf - 第107页
- 102 - NOTE( 注記 ) #01....FOR E N E N 用 REF.NO NOTE P ART NO D E S C R I P T I O N 品 名 Qty 1 401-62658 SIDE SENSOR ASN サイドセンサ組 1 2 401-61270 STOP SENS CABL E ASM(1200MM) ストップセンサケーブル組 (1200MM) 1 3 400-47904 SBL1 CABLE ASM…

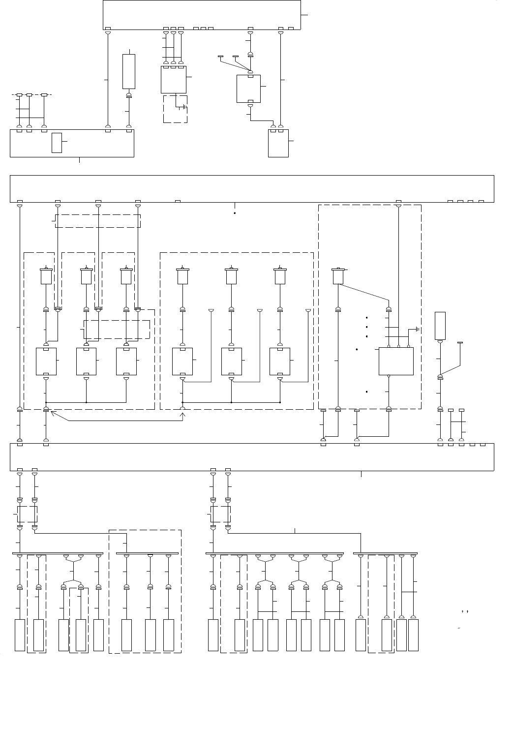
- 101 -
51. SYSTEM DIAGRAM (4)
SYSTEM DIAGRAM(4)
6
41
434343
4141
65 66
48
52 53
67
70
76
73
82
67
74
1
28
10 1
12
11
13
14
16
17
19
18
2
10
24
10
26 29 32
31
33 35
36
34
22
21
20
23
3
4
5 9
39
37
40
38
46 49
47
50 51
60
63
64
61
62
42
44
45
56 57
54 55
58 59
68
71
72
81
75
80
77
78
79
68
69
15
84
31
28
30
25
27
83
90 90 90
87 88 89
85
8686
86
NOTE1 THESE P/N CHANGES WITH MACHINE REVISION.
"[MREV.D]"
JX-350 MACHINE REVISION : BEFORE "D"
"[MREV.E]"
JX-350 MACHINE REVISION : "E"
SUP TABLE
S.V.
CLAMP S.V.
STOP S.V.
(1500mm)
STOP S.V.
(1200mm)
(1500mm OPTION)
(1500mm OPTION)
(AWC OPTION)
(IN/OUT BUFFER OPTION)
(IN/OUT BUFFER OPTION)
AWC ORG
SENSOR
BU PIN SENSOR
(RECEIVING)
BU PIN SENSOR
(EMISSION)
RIGHT SENSOR
LEFT SENSOR
WAIT SENSOR
STOP SENSOR
COUT SENSOR
7
7
STOP SENSOR
1500mm
CLAMP FL
SENSOR
CLAMP FR
SENSOR
CLAMP RL
SENSOR
CLAMP RR
SENSOR
SUP TABLE
DOWN SENSOR
SUP TABLE
UP SENSOR
STOP SENSOR
1200mm
S8
S7
S6
S5
S8
S7
SBL4
S5
S6
S3
S4
CN107 4
CN106 4
CN422
CN421
CN616
CN615
S2
S1
SBL3
STOP 1500
STOP 1200
S5
S3
S1
SB2
CN1066
CN1370
CN1371
S6
S7
S5
S3
S1
SB1
CN1065
WAIT
CN1072
SB1
SB2
CN10
CN9
CN20
CN19
SB4
SB3
CN22
CN23
CN12
CN16
2-5B
BASE I/O PCB (2/2)
CN19
CN24
CN17
CN14
CN25
CN3
CN4
CN21
CN15
CN13
SMEMA
(UPPER UNIT)
SMEMA
(LOWER UNIT)
EV
STOP S.V.
FLUX SV
CN14
CN15
CN17
CN18
5PHASE DRIVER
AWCM
AWCE
AWC MOTOR
(AWC OPTION)
CN11
CN8
CN60
CN36
CN28
RM-P
R-MTR
CM-P
C-MTR
LM-P
L-MTR
IN MOTOR
CENT MOTOR
OUT MOTOR
IN MOTOR DRV(2PHASE)
LM-3
CENT MOTOR DRV (2PHA SE)
CN3
CN1
OUT MOTOR DRV(2PHASE)
LM-1
NOTE1(MREV.E)
CN16
CN3
CN1
CM-3CM-1
CN3
CN1
RM-3RM-1
CN16
CN12
NOTE1(MREV.D)
IN MOTOR DRV(5PHA SE)
CENT MOTOR DRV(5PHASE)
OUT MOTOR DRV(5PHASE)
CN1
CN2
CN1
CN2
CN1
CN2
LMT
INM-P
CMT
CM-P
RMT
OTM-P
IN MOTOR
CENT MOTOR
OUT MOTOR
POWER UNIT (5/5)
3-3B
CN27
CN33
CN35
CN34
CN12
CPU BOARD (1/2)
USB
USB
LAN
SSD
DVI1
USB
4-4C
(EN SPEC)
USB KEYBOARD
SP ASM (FRONT)
MONITOR (FRONT)
RS232C
VIDEO
DC12V
SUPER IMPOSE
BOARD
DVI IN
RS1
DVI1
M1(OUT 12V)
RS2
DVI2
M2(OUT 12V)
IMPS
RS PC1
NTSC1
CN5
CN6
CN9
1-2D
COM
COM
ATX-POWER (2/2)
COM1
COM2
4-4B
CPU BOARD (2/2)

- 102 -
NOTE( 注記 ) #01....FOR EN EN 用
REF.NO NOTE PART NO D E S C R I P T I O N
品 名
Qty
1 401-62658 SIDE SENSOR ASN
サイドセンサ組
1
2 401-61270 STOP SENS CABLE ASM(1200MM)
ストップセンサケーブル組(1200MM)
1
3 400-47904 SBL1 CABLE ASM
センサブロックL1束線組
1
4 401-46360 SB CABLE ASM
SBケーブル組
1
5 401-46394 BASE-IO SPWR CABLE ASM
BASE−IO SPWRケーブル組
1
6 400-71680 BASE IO PCB ASM
ベースIO基板組
1
7 401-35828 LR WAIT COUT SENS ASM
LRウェイトCOUTセンサ組
1
8 401-10054 WAIT SENS CABLE ASM
WAITセンサケーブル組
1
9 400-92631 BASE-IO SENS RLY CABLE ASM
BASE−IO センサ中継ケーブル組
1
10 401-10065 STOP SENSOR ASM
STOPセンサ組
1
11 401-46432 ST/CO SENS CABLE ASM
ST/COセンサケーブル組
1
12 401-61265 RIGHT SENS CABLE ASM
RIGHTセンサケーブル組
1
13 401-61236 BU PIN EMISSION SENS ASM
BUピン投光センサ組
1
14 401-61266 BU PIN(EMI) CABLE ASM
BUピン(投光)ケーブル組
1
15 400-47908 SBL2 CABLE ASM
センサブロックL2束線組
1
16 401-61237 BU PIN RECEIVE SENS ASM
BUピン受光センサ組
1
17 401-61267 BU PIN(REC) CABLE ASM
BUピン(受光)ケーブル組
1
18 401-29042 AWC/BU ORG SENSOR CABLE ASM
AWC/BU ORG センサ束線組
1
19 401-46366 AWC ORG SENS CABLE ASM
AWC ORGセンサケーブル組
1
20 401-61281 SBL3 CABLE ASM
SBL3ケーブル組
1
21 401-61280 BASE-IO SB3-4 RLY CABLE ASM
BASE−IO SB3−4中継ケーブル組
1
22 401-61268 BASE-IO SENS CABLE ASM
BASE−IOセンサケーブル組
1
23 401-61269 BASE-IO SV CABLE ASM
BASE−IO SVケーブル組
1
24 401-61271 STOP SENS CABLE ASM(1500MM)
ストップセンサケーブル組(1500MM)
1
25 401-36110 CLAMP SENS LF ASM
クランプセンサ LF 組
1
26 401-61272 CLAMP F SENS CABLE ASM
クランプF センサケーブル組
1
27 401-36112 CLAMP SENS RF ASM
クランプセンサRF 組
1
28 401-36111 CLAMP SENS LR ASM
クランプセンサLR 組
1
29 401-61273 CLAMP R SENS CABLE ASM
クランプR センサケーブル組
1
30 401-36113 CLAMP SENS RR ASM
クランプセンサRR組
1
31 401-54793 PROXIMITY SENSOR CABLE ASM
近接センサケーブル組
1
32 401-61274 SUP TABLE SENS CABLE ASM
SUP テーブルセンサケーブル組
1
33 401-61275 STOP SV CABLE ASM(1200MM)
ストップSV ケーブル組(1200MM)
1
34 401-61282 SBL4 CABLE ASM
SBL4 ケーブル組
1
35 401-61276 STOP SV CABLE ASM(1500MM)
ストップSV ケーブル組(1500MM)
1
36 401-61277 CLAMP SV CABLE ASM
クランプSV ケーブル組
1
37 400-92630 BASE-IO POWER RLY CABLE ASM
BASE−IO 電源中継ケーブル組
1
38 401-10018 BASE-IO PWR CABLE ASM
BASE−IO 電源ケーブル組
1
39 400-92628 BASE-IO MTR1-3 RLY CABLE ASM
BASE−IO MTR1−3 中継ケーブル組
1
40 401-46443 MT1-3 PULSE CABLE ASM
MT1−3 プラスケーブル組
1
41 HM-0013200-00 MOTOR DRIVER
モータドライバ
1
42 401-46442 IN-MOTOR CABLE ASM
IN−MOTOR ケーブル組
1
43 400-48075 JOINT MOTOR ASM
ジョイントモータ組
1
44 401-46445 CENT/OUT MOTOR CABLE ASM
CENT/OUT モータケーブル組
1
45 401-46444 MOTOR DRIVER POWER CABLE ASM
モータドライバ電源ケーブル組
1
46 400-92626 BASE-IO ENC RLY CABLE ASM
BASE−IO ENC 中継ケーブル組
1
47 401-10043 AWC ENC CABLE ASM
AWC エンコーダケーブル組
1
48 E9434-729-0A0 WIDTH ADJUST MOTOR ASM.
自動幅調モ−タ組
1
49 400-92629 BASE-IO MTR4-5 RLY CABLE ASM
BASE−IO MTR4−5 中継ケーブル組
1
50 401-10037 AWC DRIVE CABLE ASM
AWCモータケーブル組
1
51
#01
401-10038 AWC DRIVE CABLE ASM(EN)
AWCモータケーブル組(EN)
1
52 HX-0042000-00 5 PHASE STEP DRIVER\N
5相ステッピングモータドライバ
1
53
#01
HX-0068900-00 5 PHASE STEP DRIVER\N
5相ステッピングモータドライバ
1
54 401-10039 AWC MOTOR CABLE ASM
AWC モータケーブル組
1
55
#01
401-10040 AWC MOTOR CABLE ASM(EN)
AWC モータケーブルクミ(EN)
1
56 401-10021 AWC DRV PWR CABLE ASM
AWC ドライバ電源ケーブル組
1
57
#01
401-10022 AWC DRV PWR CABLE ASM(EN)
AWC ドライバ電源ケーブル組(EN)
1
58 401-10041 AWC DRV FG CABLE ASM
AWC ドライバ FG ケーブル組
1
59
#01
401-10042 AWC DRV FG CABLE ASM(EN)
AWC ドライバ FG ケーブル組(EN)
1
60 400-92633 BASE-IO SOL RLY CABLE ASM
BASE−IO SOL 中継ケーブル組
1
61 401-10044 SV CABLE ASM
ソレノイドバルブケーブル組
1
62 401-48089 SV WIRE ASM
ソレノイドバルブ束線組
1
63 401-10047 SMEMA IN CABLE ASM
スメマ IN ケーブル組
1
64 401-10048 SMEMA OUT CABLE ASM
スメマ OUT ケーブル組
1
65 401-49489 POWER SUPPLY UNIT 10 ASM
電源ユニット10組
1
66
#01
401-49490 POWER SUPPLY UNIT 10 (EN) ASM
電源ユニット10(EN)組
1
67 401-23242 CPU BOARD
CPUボード
1
68 400-44522 USB RELAY CABLE
USB延長ケーブル
1
69 HW-0018100-80 LAN CABLE
LANケーブル
1
70 401-49405 ENVIRONMENT SYSTEM ASM 10VA(HR6)
ENVIRONMENT システム組 10VA(HR6)
1
71 400-03312 PANEL LINK CABLE
パネルリンクケーブル
1
72 401-48260 USB CABLE 3M
USBケーブル 3M
1
73 401-23194 USB KEY BOARD SP ASM
USBキーボードSP組
1
74 401-97864 SUPER IMPOSE BOARD
スーパーインポーズボード
1
75 401-48267 SENSOR RELAY CORD ASM
原点検出器中継コード組
1
76 401-58158 15INCH LCD MONITOR
15インチ LCDモニタ
1
77 401-46375 F-232C CABLE ASM
F−232Cケーブル組
1
78 401-29642 DVI CABLE L2.5M
DVIケーブル2.5M
1
79 401-35794 F_LCD PWR CABLE ASM
フロントLCD電源ケーブル組
1
80 401-46377 TOUCH PANEL 232C CABLE ASM
タッチパネル 232Cケーブル組
1
81 401-46438 ATX 232C CABLE ASM
ATX 232Cケーブル組
1
82 401-46346 ATX PSU
ATX電源
1
83 401-35975 SUPERIMPOSE BOARD POWER CABLE ASM
スーパーインポーズ基板電源束線組
1
84 401-61278 SUP TABLE SV CABLE ASM
SUP テーブルSVケーブル組
1
85 401-73438 MOTOR DRIVER CABLE ASM
モータドライバケーブル組
1
86 401-54209 2PHASE DRIVER PCB ASM
2相ドライバ基板組
1
87 401-73435 L2 MOTOR CABLE ASM
L2モータケーブル組
1
88 401-73436 C2 MOTOR CABLE ASM
C2モータケーブル組
1
89 401-73437 R2 MOTOR CABLE ASM
R2モータケーブル組
1
90 401-58136 2PHASE STEPPING MOTOR
2相ステッピングモータ
1

- 103 -
52. SYSTEM DIAGRAM (5)
SYSTEM DIAGRAM(5)
㹁㹌㸮㸯ࠉ㹄㹐㹍㹌㹒ࠉ㸯
ࠉࠉࠉࠉ㸦㹐㹃㸿㹐ࠉࠉ㸲㸮㸧
㸿㹌㹒
㹍㹓㹒
㹇㹌
㹐㹄㹇㹂
㹐㹄㹇㹂ࠉ㸿㹌㹒㹃㹌㹌㸿
㹍㹎㹒㹇㹍㹌
㸦㹐㹄㹇㹂ࠉ㸦㹄㸧ࠉ㸧
㹐㹄ࠉ㹇㹂
㹀㸿㹌㹉㸱㸴㸫㸲㸮
㹀㸿㹌㹉㸱㸯㸫㸱㸳
㹀㸿㹌㹉㸰㸴㸫㸱㸮
㹀㸿㹌㹉㸰㸯㸫㸰㸳
㹀㸿㹌㹉㸯㸴㸫㸰㸮
㹀㸿㹌㹉㸯㸯㸫㸯㸳
㹀㸿㹌㹉㸮㸴㸫㸯㸮
㹀㸿㹌㹉㸮㸯㸫㸮㸳
㹁㹎ࠉ㹇㹌
㹁㹎ࠉ㹍㹓㹒
㹃ࠉ㹀㸿㹌㹉ࠉ㹒㹐㹍㹊㹊㹃㹗ࠉ㹓㹌㹇㹒㸦㹄㸧
㹁㹌㸱㸴㸫㸲㸮
㹁㹌㸱㸯㸫㸱㸳
㹁㹌㸰㸴㸫㸱㸮
㹁㹌㸰㸯㸫㸰㸳
㹁㹌㸱㸳ࠉࠉ㹄㹐㹍㹌㹒ࠉ㸱㸳
㹁㹌㸱㸲ࠉࠉ㹄㹐㹍㹌㹒ࠉ㸱㸲
㹁㹌㸱㸱ࠉࠉ㹄㹐㹍㹌㹒ࠉ㸱㸱
㹁㹌㸱㸰ࠉࠉ㹄㹐㹍㹌㹒ࠉ㸱㸰
㹁㹌㸱㸯ࠉࠉ㹄㹐㹍㹌㹒ࠉ㸱㸯
㹁㹌㸲㸮ࠉࠉ㹄㹐㹍㹌㹒ࠉ㸲㸮
㹁㹌㸱㸷ࠉࠉ㹄㹐㹍㹌㹒ࠉ㸱㸷
㹁㹌㸱㸶ࠉࠉ㹄㹐㹍㹌㹒ࠉ㸱㸶
㹁㹌㸱㸵ࠉࠉ㹄㹐㹍㹌㹒ࠉ㸱㸵
㹁㹌㸱㸴ࠉࠉ㹄㹐㹍㹌㹒ࠉ㸱㸴
㹁㹌㸰㸳ࠉࠉ㹄㹐㹍㹌㹒ࠉ㸰㸳
㹁㹌㸰㸲ࠉࠉ㹄㹐㹍㹌㹒ࠉ㸰㸲
㹁㹌㸰㸱ࠉࠉ㹄㹐㹍㹌㹒ࠉ㸰㸱
㹁㹌㸰㸰ࠉࠉ㹄㹐㹍㹌㹒ࠉ㸰㸰
㹁㹌㸰㸯ࠉࠉ㹄㹐㹍㹌㹒ࠉ㸰㸯
㹁㹌㸱㸮ࠉࠉ㹄㹐㹍㹌㹒ࠉ㸱㸮
㹁㹌㸰㸷ࠉࠉ㹄㹐㹍㹌㹒ࠉ㸰㸷
㹁㹌㸰㸶ࠉࠉ㹄㹐㹍㹌㹒ࠉ㸰㸶
㹁㹌㸰㸵ࠉࠉ㹄㹐㹍㹌㹒ࠉ㸰㸵
㹁㹌㸰㸴ࠉࠉ㹄㹐㹍㹌㹒ࠉ㸰㸴
㹁㹌㸯㸴㸫㸰㸮
㹁㹌㸮㸴㸫㸯㸮
㹁㹌㸯㸯㸫㸯㸳
㹁㹌㸯㸳ࠉࠉ㹄㹐㹍㹌㹒ࠉ㸯㸳
㹁㹌㸯㸲ࠉࠉ㹄㹐㹍㹌㹒ࠉ㸯㸲
㹁㹌㸯㸱ࠉࠉ㹄㹐㹍㹌㹒ࠉ㸯㸱
㹁㹌㸯㸰ࠉࠉ㹄㹐㹍㹌㹒ࠉ㸯㸰
㹁㹌㸯㸯ࠉࠉ㹄㹐㹍㹌㹒ࠉ㸯㸯
㹁㹌㸰㸮ࠉࠉ㹄㹐㹍㹌㹒ࠉ㸰㸮
㹁㹌㸯㸷ࠉࠉ㹄㹐㹍㹌㹒ࠉ㸯㸷
㹁㹌㸯㸶ࠉࠉ㹄㹐㹍㹌㹒ࠉ㸯㸶
㹁㹌㸯㸵ࠉࠉ㹄㹐㹍㹌㹒ࠉ㸯㸵
㹁㹌㸯㸴ࠉࠉ㹄㹐㹍㹌㹒ࠉ㸯㸴
㹁㹌㸮㸳ࠉࠉ㹄㹐㹍㹌㹒ࠉ㸳
㹁㹌㸮㸲ࠉࠉ㹄㹐㹍㹌㹒ࠉ㸲
㹁㹌㸮㸱ࠉࠉ㹄㹐㹍㹌㹒ࠉ㸱
㹁㹌㸮㸰ࠉࠉ㹄㹐㹍㹌㹒ࠉ㸰
㹁㹌㸮㸯ࠉࠉ㹄㹐㹍㹌㹒ࠉ㸯
㹁㹌㸯㸮ࠉࠉ㹄㹐㹍㹌㹒ࠉ㸯㸮
㹁㹌㸮㸷ࠉࠉ㹄㹐㹍㹌㹒ࠉ㸷
㹁㹌㸮㸶ࠉࠉ㹄㹐㹍㹌㹒ࠉ㸶
㹁㹌㸮㸵ࠉࠉ㹄㹐㹍㹌㹒ࠉ㸵
㹁㹌㸮㸴ࠉࠉ㹄㹐㹍㹌㹒ࠉ㸴
㹁㹌㸮㸯㸫㸮㸳
㹇㹌
㹍㹓㹒
㹁㹎
㹁㹌㸲㸱
㹀㹉㸲㸱
㹁㹌㸲㸯
㹀㹉㸱㸯
㹁㹌㸲㸰
㹀㹉㸲㸲
㸦㹕㹇㹒㹆ࠉ㹁㹍㹔㹃㹐㸧
㹁㹌㸯㸵㸳㸴
㹀㹉㸲㸰
㹐㹊㹗
㹄㹅
㹄㹅
㹃㹊㹃㹁ࠉ㹀㸿㹌㹉ࠉ㸯㸮ࠉ㹎㹁㹀ࠉ㸿㹑㹋ࠉ㹔㸰
㹁㹌㸱㸳ࠉࠉ㹐㹃㸿㹐ࠉ㸴
㹁㹌㸱㸲ࠉࠉ㹐㹃㸿㹐ࠉ㸵
㹁㹌㸱㸱ࠉࠉ㹐㹃㸿㹐ࠉ㸶
㹁㹌㸱㸰ࠉࠉ㹐㹃㸿㹐ࠉ㸷
㹁㹌㸱㸯ࠉࠉ㹐㹃㸿㹐ࠉ㸯㸮
㹁㹌㸲㸮ࠉࠉ㹐㹃㸿㹐ࠉ㸯
㹁㹌㸱㸷ࠉࠉ㹐㹃㸿㹐ࠉ㸰
㹁㹌㸱㸶ࠉࠉ㹐㹃㸿㹐ࠉ㸱
㹁㹌㸱㸵ࠉࠉ㹐㹃㸿㹐ࠉ㸲
㹁㹌㸱㸴ࠉࠉ㹐㹃㸿㹐ࠉ㸳
㹁㹌㸰㸳ࠉࠉ㹐㹃㸿㹐ࠉ㸯㸴
㹁㹌㸰㸲ࠉࠉ㹐㹃㸿㹐ࠉ㸯㸵
㹁㹌㸰㸱ࠉࠉ㹐㹃㸿㹐ࠉ㸯㸶
㹁㹌㸰㸰ࠉࠉ㹐㹃㸿㹐ࠉ㸯㸷
㹁㹌㸰㸯ࠉࠉ㹐㹃㸿㹐ࠉ㸰㸮
㹁㹌㸱㸮ࠉࠉ㹐㹃㸿㹐ࠉ㸯㸯
㹁㹌㸰㸷ࠉࠉ㹐㹃㸿㹐ࠉ㸯㸰
㹁㹌㸰㸶ࠉࠉ㹐㹃㸿㹐ࠉ㸯㸱
㹁㹌㸰㸵ࠉࠉ㹐㹃㸿㹐ࠉ㸯㸲
㹁㹌㸰㸴ࠉࠉ㹐㹃㸿㹐ࠉ㸯㸳
㹁㹌㸯㸳ࠉࠉ㹐㹃㸿㹐ࠉ㸰㸴
㹁㹌㸯㸲ࠉࠉ㹐㹃㸿㹐ࠉ㸰㸵
㹁㹌㸯㸱ࠉࠉ㹐㹃㸿㹐ࠉ㸰㸶
㹁㹌㸯㸰ࠉࠉ㹐㹃㸿㹐ࠉ㸰㸷
㹁㹌㸯㸯ࠉࠉ㹐㹃㸿㹐ࠉ㸱㸮
㹁㹌㸰㸮ࠉࠉ㹐㹃㸿㹐ࠉ㸰㸯
㹁㹌㸯㸷ࠉࠉ㹐㹃㸿㹐ࠉ㸰㸰
㹁㹌㸯㸶ࠉࠉ㹐㹃㸿㹐ࠉ㸰㸱
㹁㹌㸯㸵ࠉࠉ㹐㹃㸿㹐ࠉ㸰㸲
㹁㹌㸯㸴ࠉࠉ㹐㹃㸿㹐ࠉ㸰㸳
㹁㹌㸯㸮ࠉࠉ㹐㹃㸿㹐ࠉ㸱㸯
㹁㹌㸮㸷ࠉࠉ㹐㹃㸿㹐ࠉ㸱㸰
㹁㹌㸮㸶ࠉࠉ㹐㹃㸿㹐ࠉ㸱㸱
㹁㹌㸮㸵ࠉࠉ㹐㹃㸿㹐ࠉ㸱㸲
㹁㹌㸮㸴ࠉࠉ㹐㹃㸿㹐ࠉ㸱㸳
㸴
㸯 㸰
㸲
㸱
㸳
㸵
㸷
㸶
㸯㸮
㸯㸯 㸯㸰 㸯㸱 㸯㸲 㸯㸳 㸯㸴
㸯㸵
㸯㸶
㸯㸷
㸯㸷
㸯㸶
㸯㸵
㸯㸴㸯㸳㸯㸲㸯㸱㸯㸰㸯㸯㸯㸮
㸶
㸷
㸵
㸳
㸱
㸲
㸯 㸰
㸴
㹃㹊㹃㹁ࠉ㹀㸿㹌㹉ࠉ㸯㸮ࠉ㹎㹁㹀ࠉ㸿㹑㹋ࠉ㹔㸰
㹄㹅
㹄㹅
㹐㹊㹗
㹀㹉㸲㸰
㹁㹌㸯㸵㸳㸴
㸦㹕㹇㹒㹆ࠉ㹁㹍㹔㹃㹐㸧
㹀㹉㸲㸲
㹁㹌㸲㸰
㹀㹉㸱㸯
㹁㹌㸲㸯
㹀㹉㸲㸱
㹁㹌㸲㸱
㹁㹎
㹍㹓㹒
㹇㹌
㹁㹌㸮㸯㸫㸮㸳
㹁㹌㸮㸯ࠉࠉ㹐㹃㸿㹐ࠉ㸲㸮
㹁㹌㸮㸰ࠉࠉ㹐㹃㸿㹐ࠉ㸱㸷
㹁㹌㸮㸱ࠉࠉ㹐㹃㸿㹐ࠉ㸱㸶
㹁㹌㸮㸲ࠉࠉ㹐㹃㸿㹐ࠉ㸱㸵
㹁㹌㸮㸳ࠉࠉ㹐㹃㸿㹐ࠉ㸱㸴
㹁㹌㸯㸯㸫㸯㸳
㹁㹌㸮㸴㸫㸯㸮
㹁㹌㸯㸴㸫㸰㸮
㹁㹌㸰㸯㸫㸰㸳
㹁㹌㸰㸴㸫㸱㸮
㹁㹌㸱㸯㸫㸱㸳
㹁㹌㸱㸴㸫㸲㸮
㹃ࠉ㹀㸿㹌㹉ࠉ㹒㹐㹍㹊㹊㹃㹗ࠉ㹓㹌㹇㹒㸦㹐㸧
㹁㹎ࠉ㹍㹓㹒
㹁㹎ࠉ㹇㹌
㹀㸿㹌㹉㸮㸯㸫㸮㸳
㹀㸿㹌㹉㸮㸴㸫㸯㸮
㹀㸿㹌㹉㸯㸯㸫㸯㸳
㹀㸿㹌㹉㸯㸴㸫㸰㸮
㹀㸿㹌㹉㸰㸯㸫㸰㸳
㹀㸿㹌㹉㸰㸴㸫㸱㸮
㹀㸿㹌㹉㸱㸯㸫㸱㸳
㹀㸿㹌㹉㸱㸴㸫㸲㸮
㹐㹄ࠉ㹇㹂
㹍㹎㹒㹇㹍㹌
㸦㹐㹄㹇㹂ࠉ㸦㹐㸧ࠉ㸧
㹐㹄㹇㹂ࠉ㸿㹌㹒㹃㹌㹌㸿
㹐㹄㹇㹂
㹇㹌
㹍㹓㹒
㸿㹌㹒
㹁㹌㸮㸯ࠉ㹄㹐㹍㹌㹒ࠉ㸯
ࠉࠉࠉࠉ㸦㹐㹃㸿㹐ࠉࠉ㸲㸮㸧