JM-10_操作手册 - 第50页
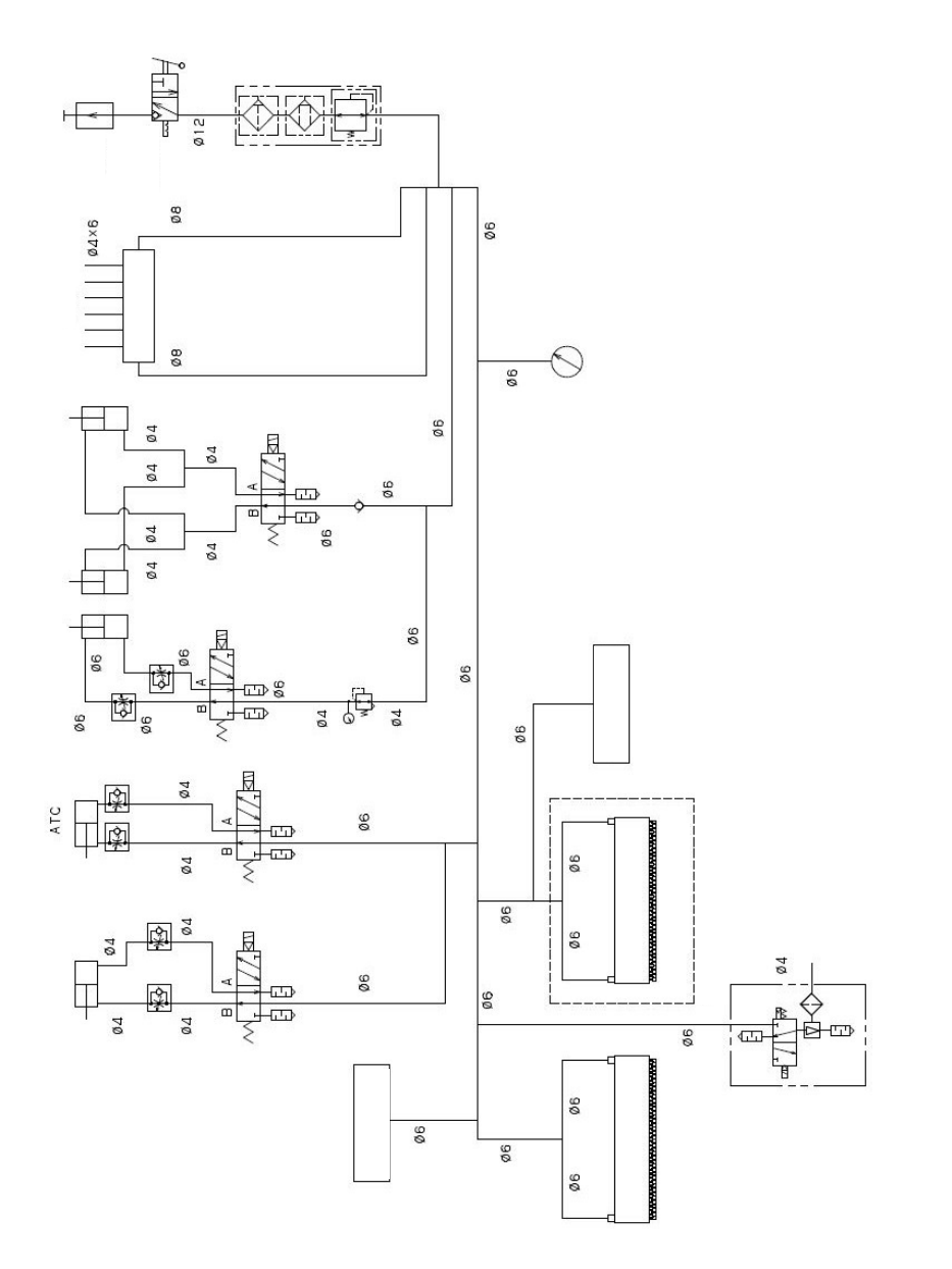
操作手册 (2) 管道系统图 ( 真空泵选购项时 ) ( M/C Rev . C 以前 ) 耦合器 手动阀 空气 组合箱 真空表 吸嘴 喷射泵单元 真空泵 Hea d 上升汽缸 检查阀 压力表 BU 台 GAL 块 止动器 顶推针(前) 顶推针(后) 连接器 BR (后) 连接器 BR (前) 选择式(选择 BW 供料器台架时时无) 送料针 (后) 送料针 (前) 3-6

操作手册
(1) 管道系统图(标准) (M/C Rev. C 以前)
耦合器
手动阀
空气组合箱
吸嘴
喷射泵单元
Head 上升汽缸
检查阀
BU 台
压力表
顶推针(前)
GAL 块
顶推针(后)
止动器
连接器 BR(后)
连接器 BR(前)
选择式(选择 BW 供料器台架时时无)
送料针 (后)
送料针 (前)
3-5

操作手册
(2)管道系统图(真空泵选购项时) (M/C Rev. C 以前)
耦合器
手动阀
空气
组合箱
真空表
吸嘴
喷射泵单元
真空泵
Head 上升汽缸
检查阀
压力表
BU 台
GAL
块
止动器
顶推针(前)
顶推针(后)
连接器 BR(后)
连接器 BR(前)
选择式(选择
BW
供料器台架时时无)
送料针 (后)
送料针 (前)
3-6

操作手册
(3)管道系统图(M/C Rev. D 以后)
耦合器
手动阀
空气
组合箱
真空表
吸嘴
喷射泵单元
真空泵
Head 上升汽缸
检查阀
压力表
BU
台
GAL 块
止动器
顶推针(前)
顶推针(后)
连接器 BR(后)
连接器 BR
(前)
选择式(选择
BW 供料器台架时时无)
送料针 (后)
送料针 (前)
3-7