JM-10_操作手册 - 第51页
操作手册 (3) 管 道系统图 ( M/C R ev . D 以后 ) 耦合器 手动阀 空气 组合箱 真空表 吸嘴 喷射泵单元 真空泵 Head 上升汽缸 检查阀 压力表 BU 台 GAL 块 止动器 顶推针(前) 顶推针(后) 连接器 BR (后) 连接器 BR (前) 选择式(选择 BW 供料器台架时时无) 送料针 (后) 送料针 (前) 3-7

操作手册
(2)管道系统图(真空泵选购项时) (M/C Rev. C 以前)
耦合器
手动阀
空气
组合箱
真空表
吸嘴
喷射泵单元
真空泵
Head 上升汽缸
检查阀
压力表
BU 台
GAL
块
止动器
顶推针(前)
顶推针(后)
连接器 BR(后)
连接器 BR(前)
选择式(选择
BW
供料器台架时时无)
送料针 (后)
送料针 (前)
3-6

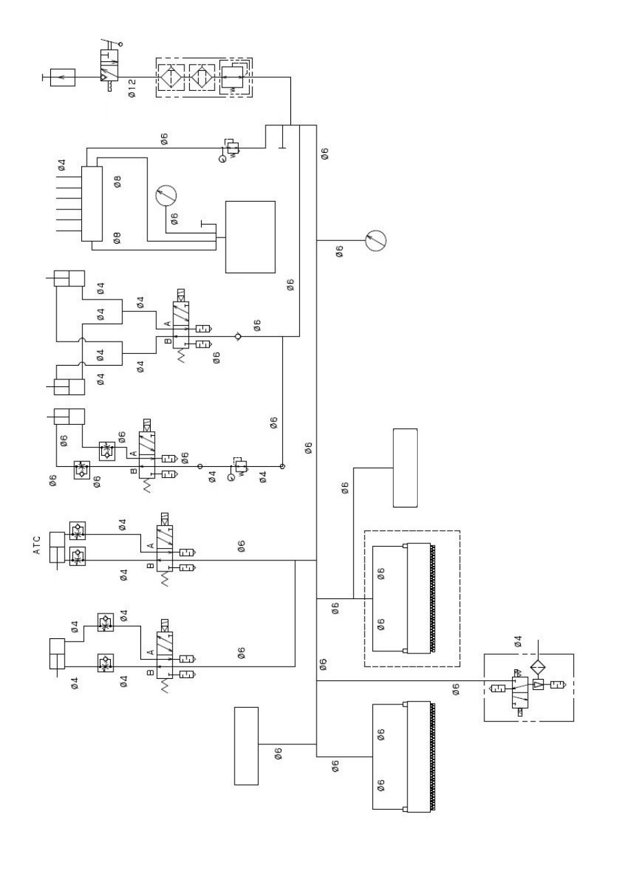
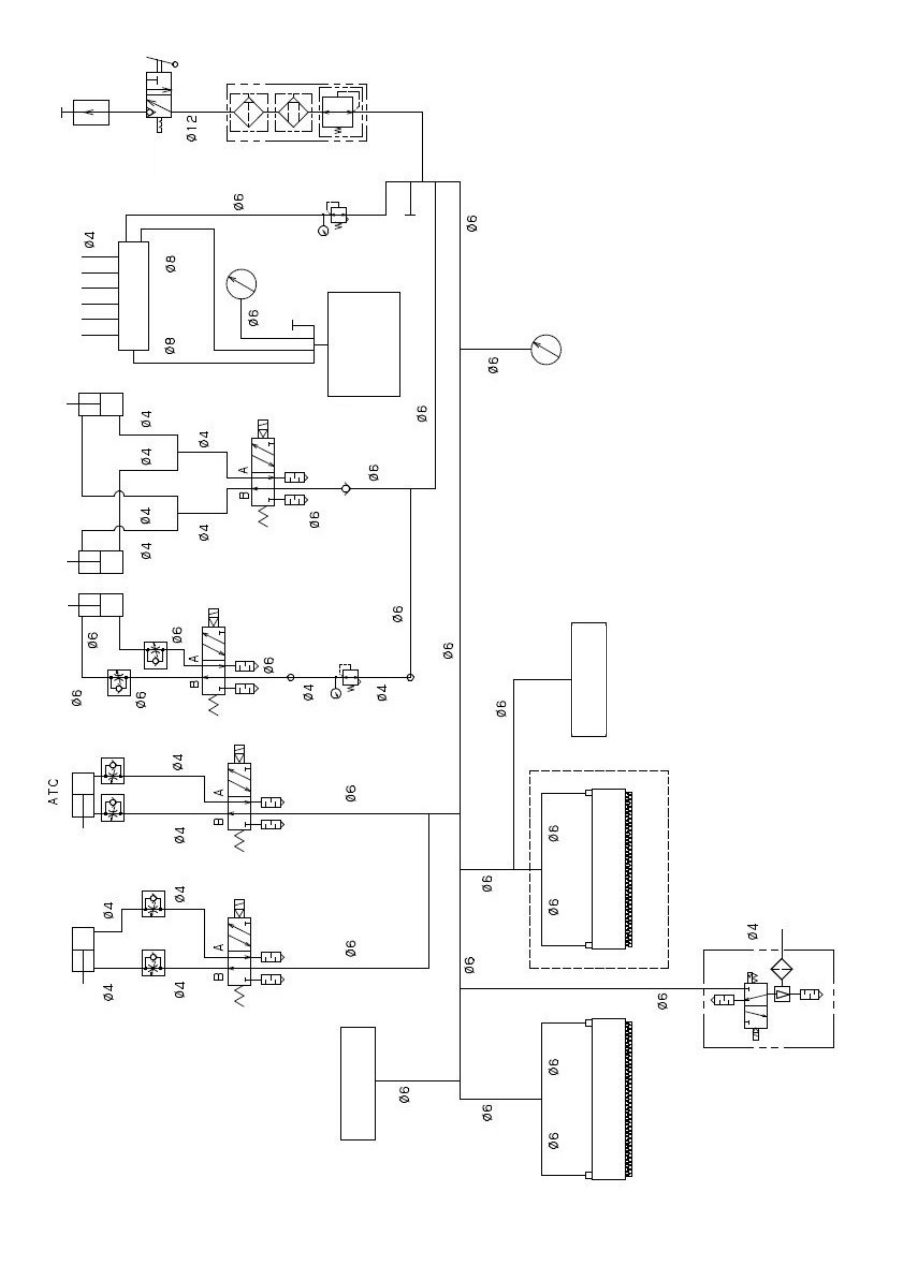
操作手册
(3)管道系统图(M/C Rev. D 以后)
耦合器
手动阀
空气
组合箱
真空表
吸嘴
喷射泵单元
真空泵
Head 上升汽缸
检查阀
压力表
BU
台
GAL 块
止动器
顶推针(前)
顶推针(后)
连接器 BR(后)
连接器 BR
(前)
选择式(选择
BW 供料器台架时时无)
送料针 (后)
送料针 (前)
3-7

操作手册
1) 请目检确认贴片头单元正面部过滤器箱内的空气过滤
器没有脏污。
✎检查过滤器脏污的方法✎
在主画面上选择「维护」→「机器自动校准」,再执行「设
置组」→「真空校准」。(参见「9-2-5 真空校准」)执行
结果若有问题,会显示提示,敦促更换。
2) 有脏污时,请更换新过滤器。
1)
把过滤器箱的「固定螺丝②」拧松,取下「过滤器箱 U① 」。
2) 检查「过滤器③」有无脏污。
3) 若有脏污,请把「过滤器箱 L④」中的「过滤器③」更换下来。
4) 把「过滤器③」插入「过滤器箱 L④」,差到底,用「固定螺丝②」固定好。
(安装扭矩:0.7N、m)
此时,请确认「O 环 F2⑤」是否正好套进「过滤器箱 L④」的沟里。
检查项目
3-2-5 空气过滤器(LNC60)
实施频度 :每月
检查内容 检查空气过滤器脏污
更换 更换新的空气过滤器 使用工具 :螺丝刀
更换标准: 6 个月
过滤器③ 品目编号:40046646
③
④
②
⑤
①
3-8