CP45NEO配件手册 - 第13页
Cover 4 Ass' y NO. PART NO. PART NAME Q'TY TYPE REMARK 1 J7070016A BRACKET UPPER COVER L.F 1 J7070016A 2 J7070017A BRACKET UPPER COVER R.F 1 J7070017A 3 J7070018A BRACKET UPPER COVER L.R 1 J7070018A 4 J7070019A…

Cover 4 Ass'y
- 10 -
5
6
12
13
4
3
11
9
10
1
2
7
8
5
5

Cover 4 Ass'
y
NO. PART NO. PART NAME Q'TY TYPE REMARK
1
J7070016A BRACKET UPPER COVER L.F 1 J7070016A
2
J7070017A BRACKET UPPER COVER R.F 1 J7070017A
3
J7070018A BRACKET UPPER COVER L.R 1 J7070018A
4
J7070019A BRACKET UPPER COVER R.R 1 J7070019A
5
J7070066A COVER FRAME BKT 1 3 J7070066A
6
J7070068A COVER FRAME BKT 3 1 J7070068A
7
J7052330A CHIP COVER-SIDE 1 1 0150-612124-M3
8
J7052327A CHIP COVER-FRONT2 1 0150-612121-P1-M3
9
J7052328A CHIP COVER-FRONT3 1 0150-612122-P1-M3
10
J7052326A CHIP COVER-FRONT1 1 0150-612120-P1-M3
11
J7052331A CHIP COVER-SIDE 2 1 0150-612125-M3
12
J7052304A BRACKET INNER U'COVER 1 J7052304A
13
J7052329A CHIP COVER-REAR 1 0150-612123-P1-M3
14
15
16
17
18
19
20
21
22
23
24
25
26
27
- 11 -

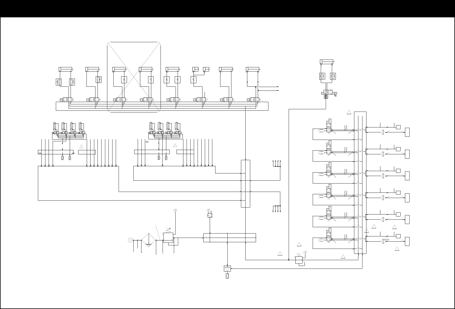
Air Ass'y
- 12 -
TBDA10-30-ZE102B2
CDADS12*25-ZE102B2
BDAS16-5-CS5TB2
JNC4-M5
(SS5Y3-60-07D-7,AN203-KM8)
AR4000-04
AF4000-04BC
PL12-04
PC12-04
PL12-04
PC12-04
PV12
CM24
HH24
TU0425
UB1280B
PL4-M5 PL4-M5
JNC4-M5
M-5ALU-4
M-5ALU-4
PT3/8
0131-611008
PT1/4
PL12-03
PC6-02
PC8-02
PC4-02
POC4-M5M
POC4-M5M
PB4-M5
POC4-M5M
POC4-M5M
2
0134-6610200134-661021
POC4-M5M
POC4-M5M
ASN2
PB4-M5
0134-661020
POC4-M5M
POC4-M5M
0134-661021
2
TU0604
AS2001F-06
WDDA40X30
SS4-M5MA
CJPB6-10H4-B
AS1301F-M5-04
BDAS6X5-1A-ZC153A2 BDAS6X25-1A-ZC153A2
AS1201F
PL4-M5
AS2001F-04
PC6-02
SY3160-5L-C6 SY3160-5L-C4 SY3160-5L-C4 SY3160-5L-C4 SY3160-5L-C4 SY3160-5L-C4 SY3160-5L-C4 SY3160-5L-C4
KQP-04-X19
KCE04-00
GP46-10-01L5
KQ2E04-01S
TU0425
PL6-02
JNC4-M5
TU0425
TU0425
TU0425
KQ2T04-00
TU0425
TU0425
TU0425
ASN2
ASN2ASN2
CDADS12*25-ZE102B2
PL4-02
KQ2F04-02
G46-7-02-C
KQL04-01S
KQL08-02S
BUSH(PT1/2*1/4)
VACUUMPUMP
X40F6-KN
SS8-1/8
TU0806
TU0604
TU0806
F-3120-80
F-3120-20
F-3120-80
F-3120-80
F-3120-25
F-3120-80
11-4100-00-01
FILTER
F970-43
HEAD6
AIRDISTRIBUTOR
BDAS6-15-CS11T-A2
AS1201F-M3-04 AS1201F-M3-04
M-5HL-4 M-5AU-4
KJL04-M3
TU0425 TU0425
TU0425 TU0425
TU0425
0131-611008
PT1/4
PL8-03
PL4-02
PC4-02
PL4-02
PC4-02
TU0805
KGUD04-06
KCE04-00
TU0425
TU0425
KGUD04-06
KCE04-00
PL6-02
PL6-02
TU0604
TU0604
PC8-02
PL8-03
TU0806
SS8-1/2
11-4100-00-01
HEAD5HEAD4HEAD3HEAD2HEAD1
J7154102A
040-4E1-75-PLL-24
11-4100-00-01
F-3120-80
F-3120-80
F-3120-80
F-3120-20
F970-43
FILTER
F-3120-25
F-3120-80
11-4100-00-01
11-4100-00-01
F-3120-80
F-3120-80
F-3120-80
F-3120-20
F970-43
FILTER
F-3120-25
F-3120-80
11-4100-00-01
11-4100-00-01
F-3120-80
F-3120-80
F-3120-80
F-3120-20
F970-43
FILTER
F-3120-25
F-3120-80
11-4100-00-01
11-4100-00-01
F-3120-80
F-3120-80
F-3120-80
F-3120-20
F970-43
FILTER
F-3120-25
F-3120-80
11-4100-00-01
11-4100-00-01
F-3120-80
F-3120-80
F-3120-80
F-3120-20
F970-43
FILTER
F-3120-25
11-4100-00-01
F-3120-80
F-3120-80
11-4100-00-01
PRESSURESENSOR
MPX5100AP
11-4100-00-01
KQ2T04-00
KCE04-00
J7154106
44B-BAA-GDFA-1BA-D
J7154106
44B-BAA-GDFA-1BA-D
J7154106
44B-BAA-GDFA-1BA-D
J7154106
44B-BAA-GDFA-1BA-D
J7154106
44B-BAA-GDFA-1BA-D
J7154106
44B-BAA-GDFA-1BA-D
TU0425
TU0425KQU04-06
1
2
RVUM4-4
3
4
6
7
F-3120-70
TU0604
(J6713022A)
(J6713022A)
11-4100-00-01
F-3120-80
TU0604
F-3120-70
11-4100-00-01
PRESSURESENSOR
MPX5100AP
(J6713022A)
11-4100-00-01
F-3120-80
TU0604
F-3120-70
11-4100-00-01
PRESSURESENSOR
MPX5100AP
(J6713022A)
11-4100-00-01
F-3120-80
TU0604
F-3120-70
11-4100-00-01
PRESSURESENSOR
MPX5100AP
(J6713022A)
11-4100-00-01
F-3120-80
TU0604
F-3120-70
11-4100-00-01
PRESSURESENSOR
MPX5100AP
(J6713022A)
11-4100-00-01
F-3120-80
TU0604
F-3120-70
11-4100-00-01
PRESSURESENSOR
MPX5100AP
8
5
9
Stopper-Mount Stopper-Wait Stopper-Out EdgeFixer
Multicylinderfront
Multicylinderrear
B.U.TUp/Down HoleFixer FixedANC GripperANC
CONVEYOR-1
CONVEYOR-3 CONVEYOR-3
CONVEYOR-1
CP-50M
CONVEYOR-1
CP-50M
CONVEYOR-1
CP-50M
CONVEYOR-3
CONVEYOR-1
CP-50M
CONVEYOR-3
CP-50M CP-50M
CP-40 CP-40 CP-40 CP-40 CP-40
HEADSide-Illuminator
CP-45FVCP-45FV CP-45FV(OPTION) CP-45FV CP-45FV CP-45FV
CP-45FV
CP-45FV(OPTION)
OPTIONFORTHECONVEYOR-1