P-277-004e.pdf - 第16页

MODEL CU-G 300L 0712-002 14 248 233 217 236 240 235 242 224 215 216 207 220 230 238 243 224 218 205 237 206 249 214 219 257 231 210 245 221 222 21 1 21 1 252 . 273 . 263 250 266 246 See Fig.DC-1 Key No.16 268 253 253 257…

100%1 / 42
MEMO
MODEL CU-G300L
0712-002
14
248
233
217
236
240
235
242
224
215
216
207
220
230
238
243
224
218
205
237
206
249
214
219
257
231
210
245
221
222
211
211
252
.
273
.
263
250
266
246
See Fig.DC-1
Key No.16
268
253
253
257
252
.
273
.
263
257
.
272
.
276
254
.
273
.
263
252
257
253
253
258
231
BLOCK1
229(Optional Parts)
227(Optional Parts)
228(Optional Parts)
226(Optional Parts)
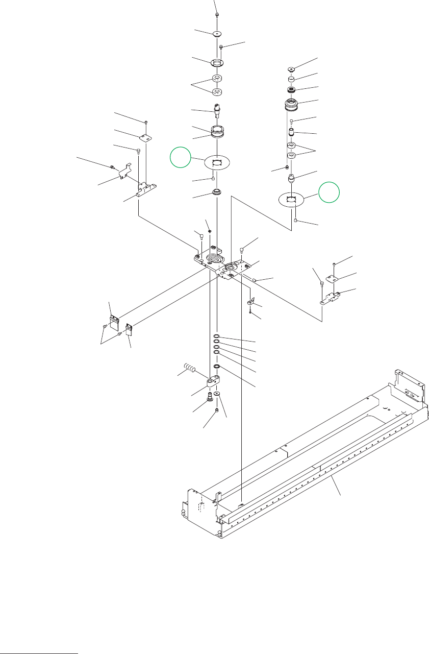
注)
Key No.231(○印)の交換は危険を伴いますので、当社サービス員にご相談下さい。 
Notice) The change of Key No. 231 (with a circle) is accompanied by danger
. Consult our
service personnel.
カッタ部
DC CUTTER SECTION DC
Fig. DC-3
カッタ部
Cutter Section
DC-3 illust-1
MODEL CU-G300L
0712-002
See Fig.DC-1
Key No.16
233
236
252
.
273
.
263
248
217
246
210
266
221
222
250
253
268
253
258
235
257
257
231
231
218
205
219
237
206
249
214
252
257
254
.
273
.
263
215
257
.
272
.
276
216
207
220
230
245
252
.
273
.
263
242
224
211
253
243
224
211
253
240
BLOCK4
229(Optional Parts)
227(Optional Parts)
228(Optional Parts)
226(Optional Parts)
注)
Key No.231(○印)の交換は危険を伴いますので、当社サービス員にご相談下さい。 
Notice) The change of Key No. 231 (with a circle) is accompanied by danger
. Consult our
service personnel.
カッタ部
DC CUTTER SECTION DC
Fig. DC-3
カッタ部
Cutter Section
DC-3 illust-2