P-277-004e.pdf - 第34页
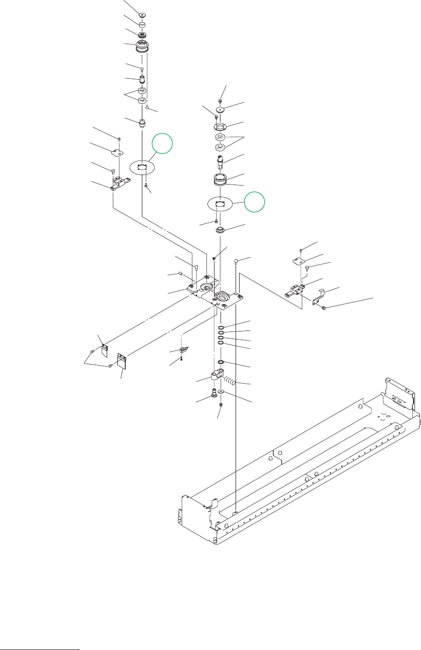
MODEL CU-G300R 0712-002 DD-3 illust-1 250 266 215 216 207 220 230 238 235 240 248 233 217 243 218 205 237 206 249 214 219 224 236 242 224 257 245 210 229(Optional Parts) 227(Optional Parts) 228(Optional Parts) 226(Option…

MEMO

MODEL CU-G300R
0712-002
DD-3 illust-1
250
266
215
216
207
220
230
238
235
240
248
233
217
243
218
205
237
206
249
214
219
224
236
242
224
257
245
210
229(Optional Parts)
227(Optional Parts)
228(Optional Parts)
226(Optional Parts)
222
221
253
253
268
257
257
253
253
252
257
.
272
.
276
211
211
246
BLOCK2
254
.
273
.
263
231
231
252
.
273
.
263
252
.
273
.
263
258
注)
Key No.231(○印)の交換は危険を伴いますので、当社サービス員にご相談下さい。
Notice) The change of Key No. 231 (with a circle) is accompanied by danger
. Consult our
service personnel.
カッタ部
DD CUTTER SECTION DD
Fig. DD-3
カッタ部
Cutter Section

MODEL CU-G300R
0712-002
DD-3 illust-2
BLOCK3
237
206
249
214
218
205
219
257
252
231
257
215
216
207
220
230
238
257
.
272
.
276
254
.
273
.
263
231
257
242
224
245
253
211
252
.
273
.
263
250
222
221
253
268
253
243
224
253
211
266
210
248
233
246
217
252
.
273
.
263
240
235
236
229(Optional Parts)
227(Optional Parts)
228(Optional Parts)
226(Optional Parts)
258
注)
Key No.231(○印)の交換は危険を伴いますので、当社サービス員にご相談下さい。
Notice) The change of Key No. 231 (with a circle) is accompanied by danger
. Consult our
service personnel.
カッタ部
DD CUTTER SECTION DD
Fig. DD-3
カッタ部
Cutter Section