NPM_D3Wiring Diagram - 第232页
TMEE1.25-4 NICHIFU -K301 PPE0AA +24V GND +24V GND +24V GND IN01 GND CN1 1 9 2 10 3 11 4 12 RXD+ RXD- TXD+ TXD- GND EMG ILK1 ILK2 5 13 6 14 7 15 8 16 TMEE1.25-3 NICHIFU 14 5 6 13 DM1P016SA1 CN1 Japan Aviation Electronics …

LED controller
PPE0AA
CN1
CN3
CN2
CN4
Camera link switch
PNF0AM
CN1
CN3
CN4
CN2
-K301
-K302
Coaxial LED board
UN58EX
Middle LED module
DMW21MN/L3
-E030
-E031~-E038
Lower LED module
DMW6MN/L
-E041~-E048
Color camera
-B3031
2D Inspection Sensor Head
DC24V,RS422
Camera link
Head camera
-B3001/-B3002
1
Panasonic Factory Solutions Co.,Ltd. パナソニック ファクトリーソリューションズ株式会社
Name
Drawing No.
Loc. No.
F4K1020-05A
1
2 3 4 5 6 7 8
A
B
C
D
E
F
1 2 3 4 5 6 7 8
A
B
C
D
E
F
Page. No.
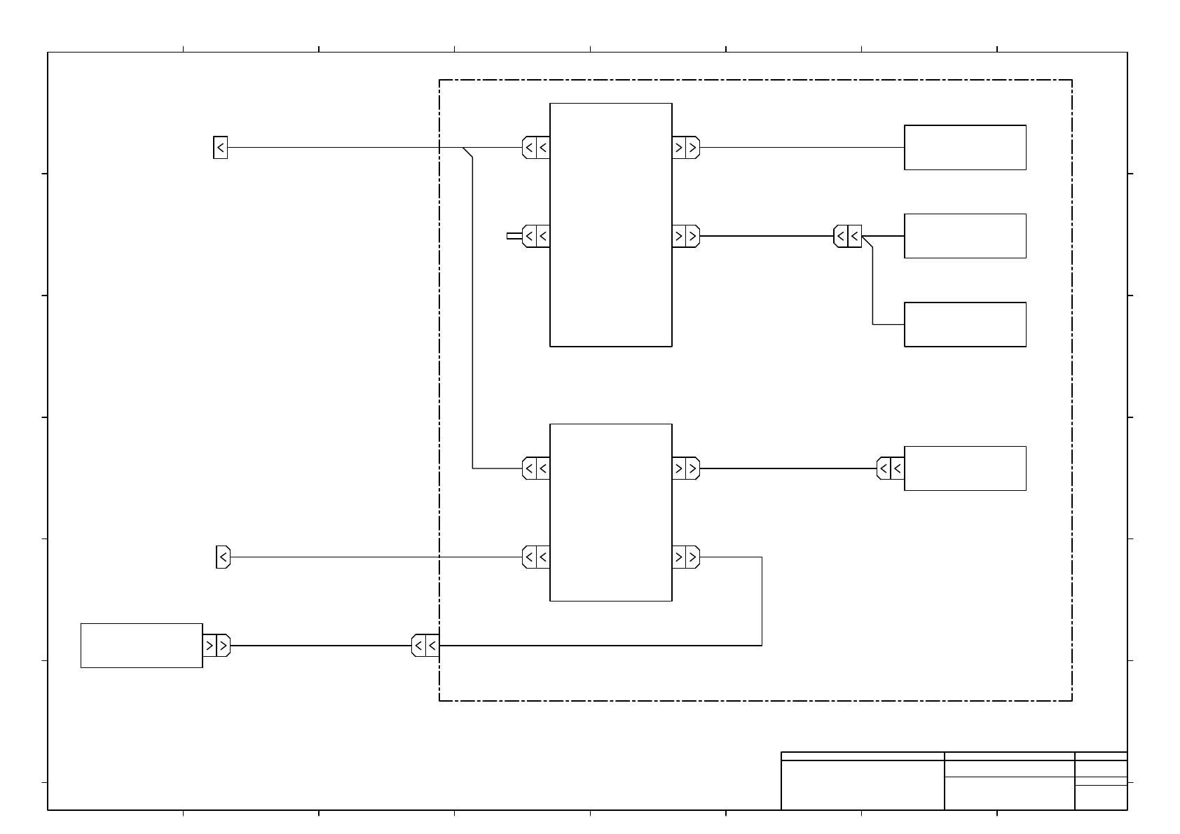
Wiring for 2D Inspection Sensor Head:NPM
(BLOCK DIAGRAM)
N610093639+002AB
P002

TMEE1.25-4
NICHIFU
-K301
PPE0AA
+24V
GND
+24V
GND
+24V
GND
IN01
GND
CN1
1
9
2
10
3
11
4
12
RXD+
RXD-
TXD+
TXD-
GND
EMG
ILK1
ILK2
5
13
6
14
7
15
8
16
TMEE1.25-3
NICHIFU
14
5
6
13
DM1P016SA1
CN1
Japan Aviation Electronics Industry
4
3
12
11
16
15
9
10
8
7
1
2
13
5
12
4
11
3
10
2
9
1
43025-1600
CN1K301
MOLEX
15
7
14
6
8
16
4
3
2
1
43025-0400
CN1K302
MOLEX
LED controller
-K302
PNF0AM
Camera link switch
GND(ILK)
+24S
GNDS
GND(ILK)
CN1
1
2
3
4
s
s
s
s
N610081534AB
U-TKVVBS AWG24-4P
BU
BU
BU
BU
BU
BU
YE/WH (0.2mm2-4P)
YE
GN/WH
GN
RD/WH
RD
BK/WH
BK
BK/WH (0.5mm2-1P)
N610081534AB
U-TKVV AWG20-1P
BK
Panasonic Factory Solutions Co.,Ltd. パナソニック ファクトリーソリューションズ株式会社
Name
Drawing No.
Loc. No.
F4K1020-05A
1
2 3 4 5 6 7 8
A
B
C
D
E
F
1 2 3 4 5 6 7 8
A
B
C
D
E
F
Page. No.
Wiring for 2D Inspection Sensor Head:NPM
(DC24V,RS422 wiring)
N610093639+003AA
P003

CN3
2
7
1
6
3
4
8
9
5
10
5V
GND
CH1_A
CH1_K
CH1_TEMP
CH2_A
CH2_K
5V
GND
CH2_TEMP
CN5
1
2
3
4
GND
SENSE
24V
GND
-K301
PPE0AA
LED controller
CN6
1
2
3
24V
24GND
HeadLock
No use
YE
GN/WH
GN
RD/WH
RD
BK/WH
BK
No use
43025-1000
CN3K301
MOLEX
2
7
1
6
3
4
8
9
5
10
YE/WH (0.3mm2-4P)
N610093641AA
U-TKVV AWG22-4P
1
2
3
4
5
6
7
43645-0700
CN
MOLEX
CN2
1
5
2
6
3
7
4
8
TXD+
TXD-
RXD+
RXD-
EMG
ILK1
GND
ILK2
8
4
7
3
6
2
5
1
43025-0800
CN2K301
MOLEX
BU
BU
+5V
Temp
GND
A(R)
C(R)
A(G)
C(G)
LED同軸照明
Coaxial LED board
1
2
3
4
5
6
7
CN
-E030
UN58EX
Panasonic Factory Solutions Co.,Ltd. パナソニック ファクトリーソリューションズ株式会社
Name
Drawing No.
Loc. No.
F4K1020-05A
1
2 3 4 5 6 7 8
A
B
C
D
E
F
1 2 3 4 5 6 7 8
A
B
C
D
E
F
Page. No.
Wiring for 2D Inspection Sensor Head:NPM
(LED Lighting wiring 1)
N610093639+004AA
P004