文档中心
/
NPM_D3Wiring Diagram
NPM_D3Wiring Diagram - 第342页
在线预览 NPM_D3Wiring Diagram PDF 文档。
目录
100%
显示:宽度
宽度
1 / 354
回到旧版
旧版
?
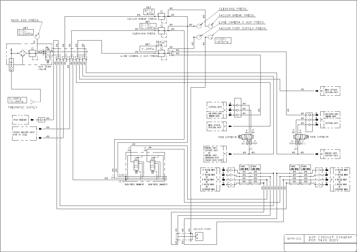
7.
AIR CIRCUIT DIAGRAM
エアー回路図
EJM6DB -10-801-00
整机正压
清洁正压
真空破坏正压
气压数显指示
减压阀
气源
消音器
单向阀
油雾分离器
该页面需要启用 JavaScript 才能进行交互式预览。