NPM_D3Wiring Diagram - 第37页
-K121 G9SC-400-CNP4E OMRON CN1 1 2 3 4 5 6 7 8 9 10 11 12 13 14 15 16 T22 T12/T31 NC NC T21 T32 NC NC COM T11 2 1 4 3 A2 A1 CN2 1 2 3 4 5 6 7 8 9 10 13 23 33 43 NC 14 24 34 44 NC -K321 PNF0B4 Safety Relay -K122 G9SC-PF O…

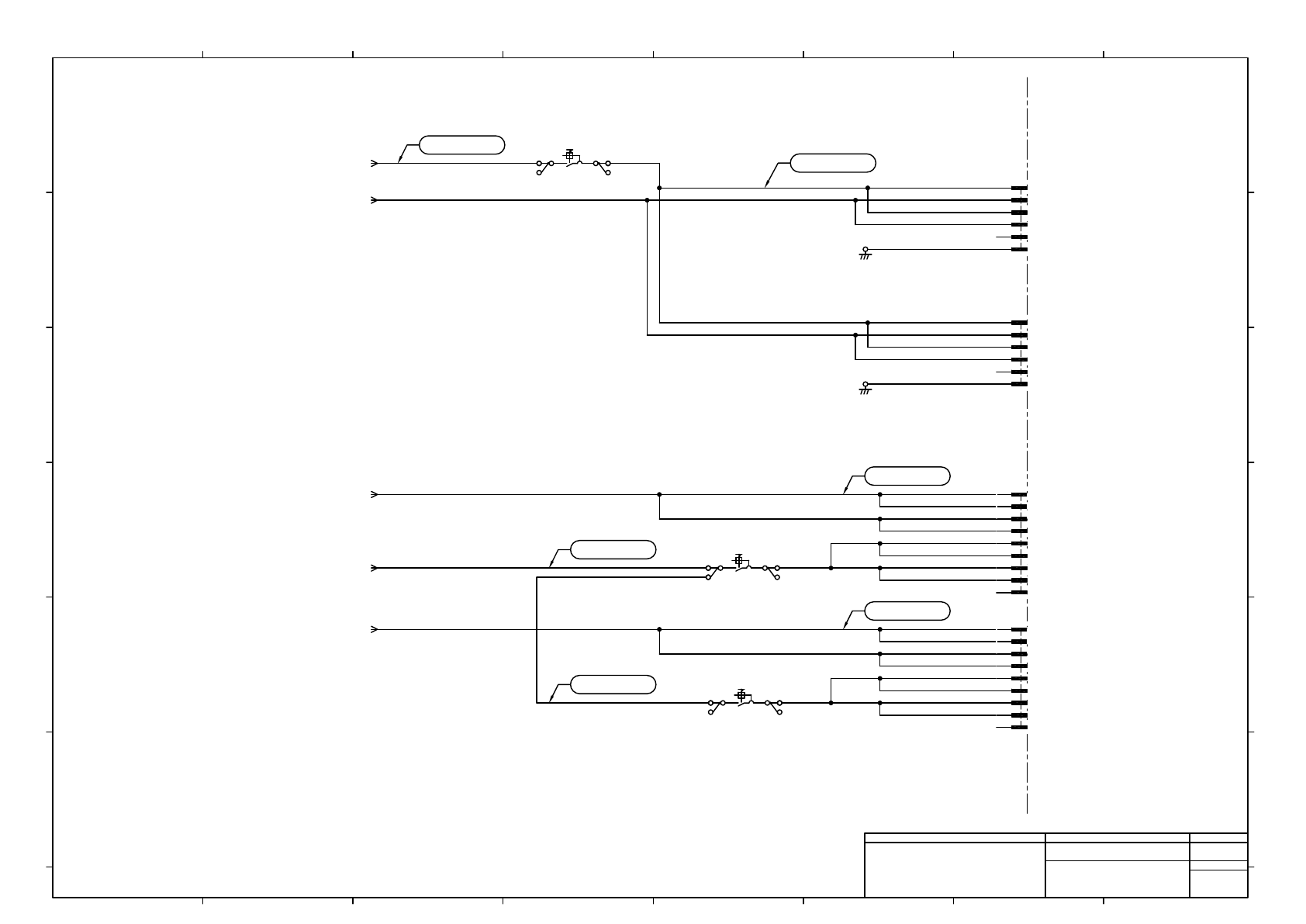
For
Multi Recognition Camera
(Front)
For
Multi Recognition Camera
(Rear)
P24
G24
P24
G24
N.C
FG
P24
G24
P24
G24
N.C
FG
R1.25-4
JST
FGLC1
R1.25-4
JST
FGLC2
MOLEX
LC1
5559-06P-210
6
5
4
3
2
1
MOLEX
LC2
5559-06P-210
6
5
4
3
2
1
UL#22 80/300-0.3mm2 BU
BU
BU
BU
BU
BU
BK UL#18 80/300-0.75mm2
BK UL#18 80/300-0.75mm2
N610159569AE
BU UL#18 80/300-0.75mm2
+V2aT121 P008-3C
-V2aT121 P008-3C
BU
BU
CP30FI-1P005
Fuji Electric FA Components & Systems
(5A)
1 1 2 2
-F123
2aF123
FV1.25-4(LF)K
JST
FV2-4K
JST
1aF123
N610159559AD
For
Head
(Front)
For
Head
(Rear)
CP30FI-1P010
Fuji Electric FA Components & Systems
(10A)
1 1 2
-F124
CP30FI-1P010
Fuji Electric FA Components & Systems
(10A)
1 1 2 2
-F125
2aF124
FV1.25-4(LF)K
JST
2aF125
FV1.25-4(LF)K
JST
FV2-4K
JST
1aF124
1bF124
FV2-4K
JST
1aF125
UL#20 80/300-0.5mm2 BU
BU
UL#20 80/300-0.5mm2
UL#20 80/300-0.5mm2 BU
BU
UL#20 80/300-0.5mm2
UL#20 80/300-0.5mm2 BU
BU
UL#20 80/300-0.5mm2
UL#20 80/300-0.5mm2 BU
BU UL#20 80/300-0.5mm2
UL#20 80/300-0.5mm2 BU
BU UL#20 80/300-0.5mm2
UL#20 80/300-0.5mm2 BU
BU
UL#20 80/300-0.5mm2
UL#20 80/300-0.5mm2 BU
BU
UL#20 80/300-0.5mm2
UL#20 80/300-0.5mm2 BU
UL#20 80/300-0.5mm2
1
2
3
AMP
HEAD1PW
177911-1
4
5
6
7
8
9
1
2
3
AMP
HEAD2PW
177911-1
4
5
6
7
8
9
UL#16 80/300-1.25mm2 BU
UL#14 105/600-2.0mm2 BU
N610159560AE
N610159562AD
N610159561AD
G24
G24
G24
G24
P24
P24
P24
P24
G24
G24
G24
G24
P24
P24
P24
P24
+V3aT121 P008-3C
-V3aT121 P008-3D
-V3bT121 P008-3D
N610159566AD
4
4
4
4
4
4
5
5
3
3
3
UL#22 80/300-0.3mm2
UL#22 80/300-0.3mm2
UL#22 80/300-0.3mm2
UL#22 80/300-0.3mm2
UL#22 80/300-0.3mm2
UL#22 80/300-0.3mm2
UL#22 80/300-0.3mm2
BU
5
5
5
5
FK2-4
FK2-4
FK2-4
FK1.25-4
FK1.25-4
FK1.25-4
5
5
5
5
5
5
Panasonic Smart Factory Solutions Co.,Ltd. パナソニック スマートファクトリーソリューションズ株式会社
Name
Drawing No.
Loc. No.
F4K1020-05A
1
2 3 4 5 6 7 8
A
B
C
D
E
F
1 2 3 4 5 6 7 8
A
B
C
D
E
F
Page. No.
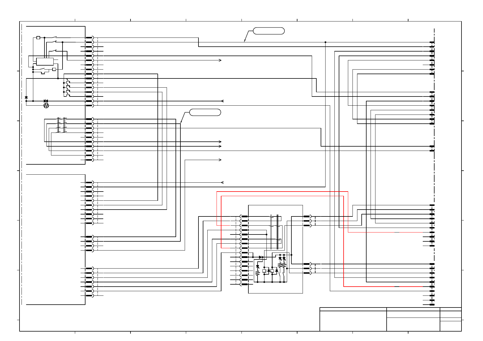
Power Unit 1 Wiring:NPM-D3
(Camera)
N610161320+009AF
P009

-K121
G9SC-400-CNP4E
OMRON
CN1
1
2
3
4
5
6
7
8
9
10
11
12
13
14
15
16
T22
T12/T31
NC
NC
T21
T32
NC
NC
COM
T11
2
1
4
3
A2
A1
CN2
1
2
3
4
5
6
7
8
9
10
13
23
33
43
NC
14
24
34
44
NC
-K321
PNF0B4
Safety Relay
-K122
G9SC-PF
OMRON
CN1
1
2
3
4
5
6
7
8
9
10
11
12
13
14
15
16
K1OUT
K1OUT
K1K2OUT
GND
GND
K2OUT
K2OUT
K1K2OUT
P24
P24
P24
G24
RL1
CN2
P24
G24
RL2
CN3
Safety Connection
CNRLY1
1
2
3
4
5
6
7
24GND
IN020
24GND
24GND
IN021
24VOUT
24GND
K2 K1
K2
K2
Control
Circuit
K2
K1
K1
SA
TH
a
a
K1
CNSR1
1
2
3
4
5
6
7
8
9
10
OT026NO(RESET)
OT026COM(RESET)
OT011NO
OT011COM
24VOUT
IN026
IN027
NC
24VOUT
24GND
To
SC1R
(P011-2D)
CNMC1
1
2
3
4
OT027(24VOUT)POWER ON1
OT027(24VOUT)POWER ON2
24VOUT
24GND
BU UL#22 80/300-0.3mm2
To
Extension
Conveyor
(Left)
To
Extension
Conveyor
(Right)
1
2
3
1
2
3
To
SC2R
(P013-1D)
UL#22 80/300-0.3mm2 BU
ILK Board #1
1
2
3
MOLEX
SC1P
5559-08P-210
4
5
6
7
8
1
2
3
MOLEX
SC2P
5559-08P-210
4
5
6
7
8
1
2
3
AMP
CN2K122
177899-1
1
2
3
AMP
CN3K122
177899-1
1
2
3
MOLEX
CN1K122
43025-1600
4
5
6
7
8
9
10
11
12
13
14
15
16
1
2
3
JST
CNRLY1K321
PAP-07V-S
4
5
6
7
1
2
3
MOLEX
CNMC1K321
5557-04R-210
4
10
9
8
7
6
5
4
MOLEX
CNSR1K321
5557-10R-210
3
2
1
10
9
8
7
6
5
4
JST
CN2K121
XHP-10
3
2
1
16
15
14
13
12
11
10
9
8
7
6
5
4
OMRON
CN1K121
XG5N-161-U
3
2
1
UL#22 80/300-0.3mm2 BU
UL#22 80/300-0.3mm2 BU
N610159570AE
UL#22 80/300-0.3mm2 BU
UL#22 80/300-0.3mm2 BU
UL#22 80/300-0.3mm2 BU
UL#22 80/300-0.3mm2 BU
UL#22 80/300-0.3mm2 BU
UL#22 80/300-0.3mm2 BU
UL#22 80/300-0.3mm2 BU
UL#22 80/300-0.3mm2 BU
BU
UL#22 80/300-0.3mm2 BU
BU
UL#22 80/300-0.3mm2
UL#22 80/300-0.3mm2 BU
BU
UL#22 80/300-0.3mm2
UL#22 80/300-0.3mm2 BU
BU UL#22 80/300-0.3mm2
BU
UL#22 80/300-0.3mm2
UL#22 80/300-0.3mm2 BU
BU
UL#22 80/300-0.3mm2
BU
UL#22 80/300-0.3mm2
UL#22 80/300-0.3mm2 BU
BU
UL#22 80/300-0.3mm2
UL#22 80/300-0.3mm2 BU
MOLEX
TRAY.E
5559-02P-210
2
1
UL#22 80/300-0.3mm2 BU
BU
UL#22 80/300-0.3mm2
K2K1
K1 K2
K1 K2
CN1K121-6
P005-2C
CN2K121-6
P005-2D
CN2K121-7
P005-2D
CNMC1K321-4
P005-2D
To
Tray Unit
(-A51)
(Rear)
CNSR1K321-1 P005-7C
BU
BU
BU
BU
BU
BU
UL#22 80/300-0.3mm2
BU
UL#22 80/300-0.3mm2
BU
UL#22 80/300-0.3mm2
BU
UL#22 80/300-0.3mm2
BU
UL#22 80/300-0.3mm2
-VaT122 P008-5E
N610159637AD
UL#22 80/300-0.3mm2 BU
UL#22 80/300-0.3mm2 BU
MOLEX
CNEXR01
5559-10P-210
10
9
8
7
6
5
4
3
2
1
MOLEX
CNEXL01
5559-10P-210
10
9
8
7
6
5
4
3
2
1
4
4 5
3
UL#22 80/300-0.3mm2
UL#22 80/300-0.3mm2
UL#22 80/300-0.3mm2
UL#22 80/300-0.3mm2
UL#22 80/300-0.3mm2
UL#22 80/300-0.3mm2
5
Panasonic Smart Factory Solutions Co.,Ltd. パナソニック スマートファクトリーソリューションズ株式会社
Name
Drawing No.
Loc. No.
F4K1020-05A
1
2 3 4 5 6 7 8
A
B
C
D
E
F
1 2 3 4 5 6 7 8
A
B
C
D
E
F
Page. No.
Power Unit 1 Wiring:NPM-D3
(Safety Relay)
N610161320+010AF
P010

From SC1P (P010-8A)
To
Emagency
Switch &
Safety
Switch(Front)
-K321
PNF0B4
ILK Board #1
CNEMGCOV
IN017
24GND
24GND
24GND
24GND
24GND
IN010
24VOUT
24VGND
IN011
24VOUT
OT012
24VGND
IN014
IN015
NC
1
2
3
4
5
6
7
8
9
10
11
12
13
14
15
16
17
18
18
17
16
15
14
13
12
11
10
9
8
7
6
5
4
JST
CNEMGCOVK321
PUDP-18V-S
3
2
1
1
2
3
MOLEX
SC1R
5557-08R-210
4
5
6
7
8
1
2
3
MOLEX
CNEMGF
5559-14P-210
4
5
6
7
8
9
10
11
12
13
14
1
2
3
MOLEX
CNEMGR
5559-14P-210
4
5
6
7
8
9
10
11
12
13
14
N610159571AD
UL#22 80/300-0.3mm2 BU
BU
BU
BU
UL#22 80/300-0.3mm2 BU
BU
BU
BU
BU
BU
BU
BU
BU
BU
BU
BU
BU
BU
BU
BU
BU
BU
BU
To
Emagency
Switch &
Safety
Switch(Rear)
+VaT122 P008-5E
1 2
UL#22 80/300-0.3mm2
UL#22 80/300-0.3mm2
UL#22 80/300-0.3mm2
UL#22 80/300-0.3mm2
UL#22 80/300-0.3mm2
UL#22 80/300-0.3mm2
UL#22 80/300-0.3mm2
UL#22 80/300-0.3mm2
UL#22 80/300-0.3mm2
UL#22 80/300-0.3mm2
UL#22 80/300-0.3mm2
UL#22 80/300-0.3mm2
UL#22 80/300-0.3mm2
UL#22 80/300-0.3mm2
UL#22 80/300-0.3mm2
UL#22 80/300-0.3mm2
UL#22 80/300-0.3mm2
UL#22 80/300-0.3mm2
UL#22 80/300-0.3mm2
UL#22 80/300-0.3mm2
UL#22 80/300-0.3mm2
3
Panasonic Smart Factory Solutions Co.,Ltd. パナソニック スマートファクトリーソリューションズ株式会社
Name
Drawing No.
Loc. No.
F4K1020-05A
1
2 3 4 5 6 7 8
A
B
C
D
E
F
1 2 3 4 5 6 7 8
A
B
C
D
E
F
Page. No.
Power Unit 1 Wiring:NPM-D3
(Safety SW)
N610161320+011AD
P011