NPM_D3Wiring Diagram - 第79页
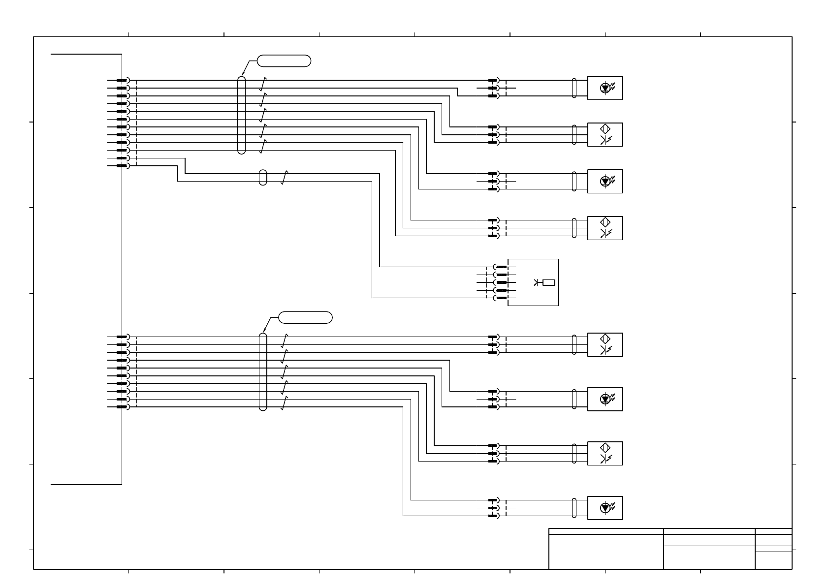
-A02 Power Unit 1 ILK Board #1 -K321 PNF0B4 1 12 10 11 6 7 2 3 4 5 8 9 -B13 EE-SX914-C2J-R 0.3M BN BK WH BU OMRON -B14 EE-SX914-C2J-R 0.3M BN BK WH BU OMRON -B15 EE-SX914-C2J-R 0.3M BN BK WH BU OMRON -R11 VQZ212-5MOZ1-M5…

CHNG1
-A02
Power Unit 1
ILK Board #1
-K321
PNF0B4
1
12
10
11
6
7
2
3
4
5
8
9
-B03
EE-SX914-C2J-R 0.3M
BN
BK
WH
BU
OMRON
-B04
EE-SX914-C2J-R 0.3M
BN
BK
WH
BU
OMRON
-B05
EE-SX914-C2J-R 0.3M
BN
BK
WH
BU
OMRON
-R01
VQZ212-5MOZ1-M5-X550
SMC
Plate Identification Bit0
Plate Identification Bit1
Plate Identification Bit2
Nozzle Changer
Shutter Open
Nozzle Changer
Shutter Close
Nozzle Changer
Shutter Open
-B02
D-M9NV
BN
BK
BU
SMC
-B01
D-M9NV
BN
BK
BU
SMC
N610158337AD
Plate Identification Bit3
UL#24 80/300-0.2mm2 BU BU UL#24 80/300-0.2mm2
UL#24 80/300-0.2mm2 BU BU UL#24 80/300-0.2mm2
UL#24 80/300-0.2mm2 BU BU UL#24 80/300-0.2mm2
UL#24 80/300-0.2mm2 BU BU UL#24 80/300-0.2mm2
UL#24 80/300-0.2mm2 BU BU UL#24 80/300-0.2mm2
UL#24 80/300-0.2mm2 BU BU UL#24 80/300-0.2mm2
UL#24 80/300-0.2mm2 BU UL#24 80/300-0.2mm2
UL#24 80/300-0.2mm2 BU UL#24 80/300-0.2mm2
UL#24 80/300-0.2mm2 BU UL#24 80/300-0.2mm2
UL#24 80/300-0.2mm2 BU UL#24 80/300-0.2mm2
UL#24 80/300-0.2mm2 BU UL#24 80/300-0.2mm2
CP+24V
24GND
D+Main
D-Main
F-NG-OP-IN
F-NG-CL-IN
FPLATE#0
FPLATE#1
FPLATE#2
IN030
F-NG-OP-OUT
F-NG-CL-OUT
BN/WH
BN
YE/WH
YE
GN/WH
GN
BK/WH
BK
RD/WH
RD
UL2464 (SPV840) 5P×24AWG(11/0.16TA) LF BK
JST
CHNG1
PAP-12V-S
1
12
10
11
6
7
2
3
4
5
8
9
AMP
B01P
177907-1
3
2
1
AMP
B01R
177899-1
3
2
1
AMP
B02P
177907-1
3
2
1
AMP
B02R
177899-1
3
2
1
AMP
B03P
177908-1
4
3
2
1
AMP
B03R
177900-1
4
3
2
1
AMP
B04P
177908-1
4
3
2
1
AMP
B04R
177900-1
4
3
2
1
AMP
B05P
177908-1
4
3
2
1
AMP
B05R
177900-1
4
3
2
1
AMP
B06P
177908-1
4
3
2
1
AMP
B06R
177900-1
4
3
2
1
SMC
R01
SY100-29-1
-
+
UL#24 80/300-0.2mm2 BU UL#24 80/300-0.2mm2
Note1) Connector Pin arrangement is not sequential.
Note1)
1
1
1
1
1
1
1
2
2464C(BPF)VVP AWG#24×5P-B
3
3
2464-1061/ⅡA(PF) LF 5P×24AWG
2
Panasonic Smart Factory Solutions Co.,Ltd. パナソニック スマートファクトリーソリューションズ株式会社
Name
Drawing No.
Loc. No.
F4K1020-05A
1
2 3 4 5 6 7 8
A
B
C
D
E
F
1 2 3 4 5 6 7 8
A
B
C
D
E
F
Page. No.
Main Body Wiring : NPM-D3
(Nozzle Changer Front)
N610159580+029AD
P029

-A02
Power Unit 1
ILK Board #1
-K321
PNF0B4
1
12
10
11
6
7
2
3
4
5
8
9
-B13
EE-SX914-C2J-R 0.3M
BN
BK
WH
BU
OMRON
-B14
EE-SX914-C2J-R 0.3M
BN
BK
WH
BU
OMRON
-B15
EE-SX914-C2J-R 0.3M
BN
BK
WH
BU
OMRON
-R11
VQZ212-5MOZ1-M5-X550
SMC
-B12
D-M9NV
BN
BK
BU
SMC
-B11
D-M9NV
BN
BK
BU
SMC
N610158338AD
UL#24 80/300-0.2mm2 BU BU UL#24 80/300-0.2mm2
UL#24 80/300-0.2mm2 BU BU UL#24 80/300-0.2mm2
UL#24 80/300-0.2mm2 BU BU UL#24 80/300-0.2mm2
UL#24 80/300-0.2mm2 BU BU UL#24 80/300-0.2mm2
UL#24 80/300-0.2mm2 BU BU UL#24 80/300-0.2mm2
UL#24 80/300-0.2mm2 BU BU UL#24 80/300-0.2mm2
UL#24 80/300-0.2mm2 BU UL#24 80/300-0.2mm2
UL#24 80/300-0.2mm2 BU UL#24 80/300-0.2mm2
UL#24 80/300-0.2mm2 BU UL#24 80/300-0.2mm2
UL#24 80/300-0.2mm2 BU UL#24 80/300-0.2mm2
UL#24 80/300-0.2mm2 BU UL#24 80/300-0.2mm2
BN/WH
BN
YE/WH
YE
GN/WH
GN
BK/WH
BK
RD/WH
RD
UL2464 (SPV840) 5P×24AWG(11/0.16TA) LF BK
JST
CHNG2
PAP-12V-S
1
12
10
11
6
7
2
3
4
5
8
9
AMP
B11P
177907-1
3
2
1
AMP
B11R
177899-1
3
2
1
AMP
B12P
177907-1
3
2
1
AMP
B12R
177899-1
3
2
1
AMP
B13P
177908-1
4
3
2
1
AMP
B13R
177900-1
4
3
2
1
AMP
B14P
177908-1
4
3
2
1
AMP
B14R
177900-1
4
3
2
1
AMP
B15P
177908-1
4
3
2
1
AMP
B15R
177900-1
4
3
2
1
AMP
B16P
177908-1
4
3
2
1
SMC
R11
SY100-29-1
-
+
CHNG2
CP+24V
24GND
D+SUB
D-SUB
R-NG-OP-IN
R-NG-CL-IN
RPLATE #0
RPLATE #1
RPLATE #2
IN031
R-NG-OP-OUT
R-NG-CL-OUT
AMP
B16R
177900-1
4
3
2
1
UL#24 80/300-0.2mm2 BU UL#24 80/300-0.2mm2
Plate Identification Bit0
Plate Identification Bit1
Plate Identification Bit2
Nozzle Changer
Shutter Open
Nozzle Changer
Shutter Close
Nozzle Changer
Shutter Open
Plate Identification Bit3
Note1) Connector Pin arrangement is not sequential.
Note1)
1
1
1
1
1
1
1
2
2464C(BPF)VVP AWG#24×5P-B
3
3
2464-1061/ⅡA(PF) LF 5P×24AWG
2
Panasonic Smart Factory Solutions Co.,Ltd. パナソニック スマートファクトリーソリューションズ株式会社
Name
Drawing No.
Loc. No.
F4K1020-05A
1
2 3 4 5 6 7 8
A
B
C
D
E
F
1 2 3 4 5 6 7 8
A
B
C
D
E
F
Page. No.
Main Body Wiring : NPM-D3
(Nozzle Changer Rear)
N610159580+030AD
P030

-K322
PNF0B3
I/O Board
CN16
Front Feeder Opening 3
(Receive Side)
Front Feeder Opening 4
(Receive Side)
Front Feeder Opening 2
(Receive Side)
Front Feeder Opening 4
(Projection Side)
Front Feeder Opening 3
(Projection Side)
-B1202
EX-21A
BN
BK
BU
Sunx
-B1200T
EX-21A
BN
BU
Sunx
-B1201T
EX-21A
BN
BU
Sunx
-B1200
EX-21A
BN
BK
BU
Sunx
-B1201
EX-21A
BN
BK
BU
Sunx
-B1202T
EX-21A
BN
BU
Sunx
Front Feeder Opening 2
(Projection Side)
-B1203
EX-21A
BN
BK
BU
Sunx
-B1203T
EX-21A
BN
BU
Sunx
Front Feeder Opening 1
(Receive Side)
Front Feeder Opening 1
(Projection Side)
CNFOF
N610159633AE
N610159662AE
24VOUT
24GND
24VOUT
1
7
2
IN201
24GND
24VOUT
6
8
3
24GND
24VOUT
IN203
9
4
12
24GND
24VOUT
24GND
10
5
11
24VOUT
IN200
24GND
1
5
6
24VOUT
24GND
24VOUT
2
7
3
IN202
24GND
24VOUT
10
8
4
24GND
9
AMP
B1200TR
177899-1
3
2
1
AMP
B1200TP
177907-1
3
2
1
AMP
B1201R
177899-1
3
2
1
AMP
B1201P
177907-1
3
2
1
AMP
B1202TR
177899-1
3
2
1
AMP
B1202TP
177907-1
3
2
1
AMP
B1203R
177899-1
3
2
1
AMP
B1203P
177907-1
3
2
1
AMP
B1200R
177899-1
3
2
1
AMP
B1200P
177907-1
3
2
1
AMP
B1201TR
177899-1
3
2
1
AMP
B1201TP
177907-1
3
2
1
AMP
B1202R
177899-1
3
2
1
AMP
B1202P
177907-1
3
2
1
AMP
B1203TR
177899-1
3
2
1
AMP
B1203TP
177907-1
3
2
1
UL2464 (SPV840) 5P×24AWG(11/0.16TA) LF BK
BN/WH
BN
YE/WH
YE
GN/WH
GN
BK/WH
BK
RD/WH
RD
MOLEX
CN16K322
5557-12R-210
1
7
2
6
8
3
9
4
12
10
5
11
MOLEX
CNFOFK322
5557-10R-210
1
5
6
2
7
3
10
8
4
9
BN/WH
BN
YE/WH
YE
GN/WH
GN
BK/WH
BK
RD/WH
RD
Vacuum Break
Pressure Meter
24V
OUT1
OUT2
N.C.
GND
p
5
4
3
2
1
-B103X
ZSE30AF-C6L-N-MA1
SMC
JST
B103X
PAP-05V-S
1
2
3
4
5
UL2464 (SPV840) 5P×24AWG(11/0.16TA) LF BK
UL2464 (SPV840) 1P×24AWG(11/0.16TA) LF BK
BK
BK/WH
Note1) Connector Pin arrangement is not sequential.
Note1)
Note1)
2
2
2464C(BPF)VVP AWG#24×5P-B
3
4
2464C(BPF)VVP AWG#24×1P-B
4
2464C(BPF)VVP AWG#24×5P-B
4
3
4
4
2464-1061/ⅡA(PF) LF 5P×24AWG
2
2464-1061/ⅡA(PF) LF 5P×24AWG
2
2464-1061/ⅡA(PF) LF 1P×24AWG
2
Panasonic Smart Factory Solutions Co.,Ltd. パナソニック スマートファクトリーソリューションズ株式会社
Name
Drawing No.
Loc. No.
F4K1020-05A
1
2 3 4 5 6 7 8
A
B
C
D
E
F
1 2 3 4 5 6 7 8
A
B
C
D
E
F
Page. No.
Main Body Wiring : NPM-D3
(Front Sensor Wiring)
N610159580+031AE
P031