P-317-001e - 第13页
1007-001 Fig. A1 Fig. A1-A2 421 466 421 428 444 4A2 476 445 DET AIL A 4A1 5A7 5A8 587 5A2 5A3 583 501 51 560 535 561 559 558 518 523 510 563 562 575 495 496 494 495 496 488 495 496 490 450 431 447 430 A 486 486 486 474 4…

421
466
421
428
444
4A2
476
445
DETAIL A
4A1
3A0
3A1
379
3A2
3A3
385
3A2
3A3
393
3A2
3A3
393
3A2
3A4
384
376
341
353
354
355
352
312
365
391
314
316
340
327
383
517
5A7
5A8
587
5A2
5A3
583
591
597
598
589
5A2
5A3
582
507
5A2
5A3
583
5A2
5A3
584
557
584
501
51
560
535
561
559
558
518
523
510
564
567
568
556
569
519
546
536
504
520
520
524
551
508
548
537
549
549
563
562
575
597
598
5A5
370
303
302
3A2
3A3
383
3A2
3A3
384
3A2
3A3
385
3A2
3A3
382
3A0
3A1
392
397
399
378
381
343
342
315
338
380
380
3A5
373
3A5
372
495
496
494
495
496
488
495
496
490
450
431
447
430
A
486
486
486
474
425
411
439
406
433
426
405
432
411
B
C
DETAIL C
DETAIL B
0916 3 K0K
577
577
522
575
0916 3 K01
429
476
0916 3 H00
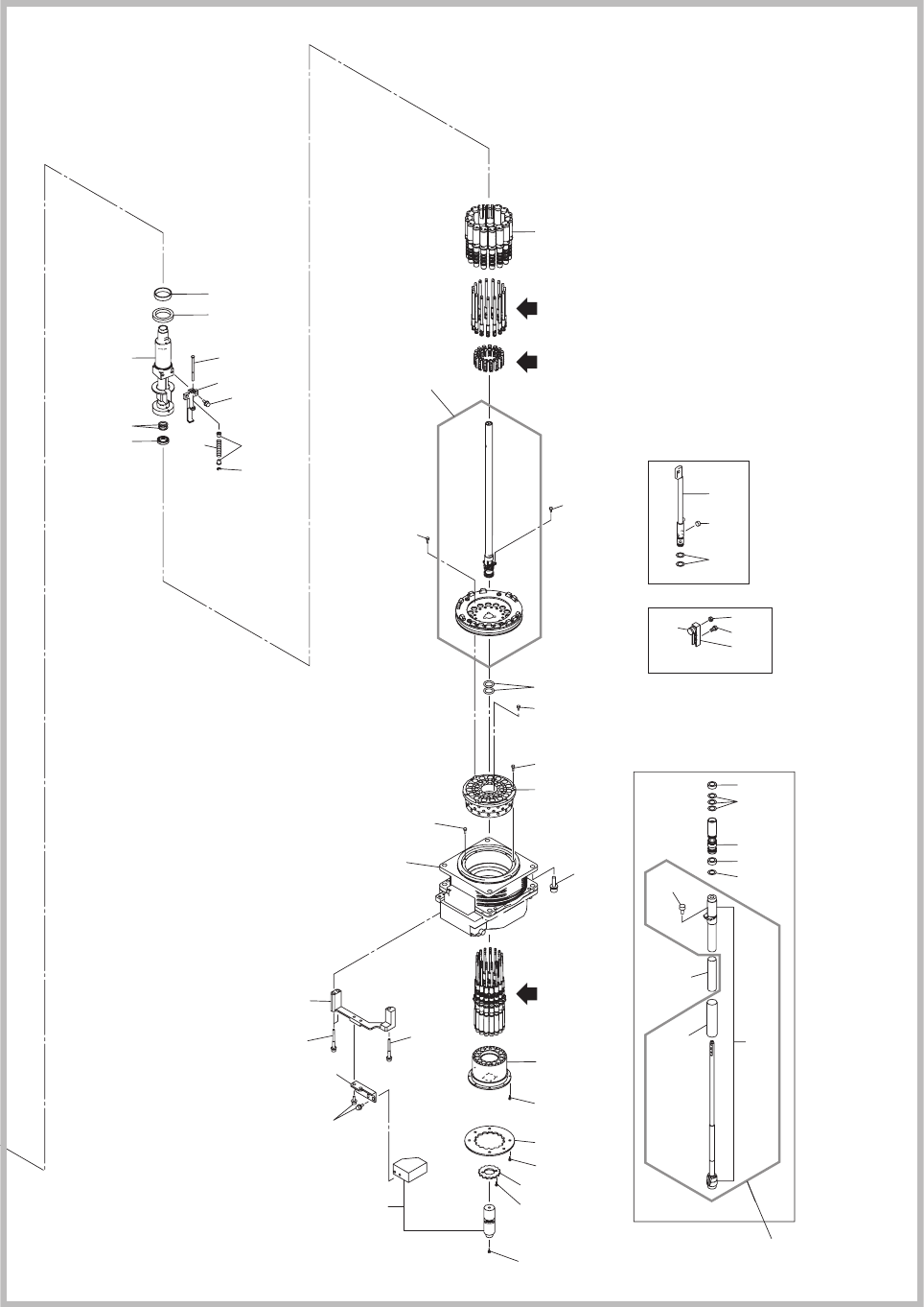
HEAD UNIT
0916 3 J00
HEAD
ASSY
INNER
ASSY
OUTER
ASSY
ELEC BOX ASSY
0916 3 K00
SHAFT
ASSY
0916 3 K0K
0916 3 L00
0916 3 M00
PIPING ASSY
0916 3 J0C
PARTS
(Fig. A1-4 Key No. 302-3A5
Fig. A1-5 Key No.405-496
Fig. A1-6 Key No.501-5A8)
PARTS
(Fig. A1-1 Key No. 5-51)
PARTS
(Fig. A1-1 Key No. 66)
PARTS
(Fig. A1-2 Key No. 101-142)
SHAFT
ASSY
0916 3 K01
PARTS
(Fig. A1-6 Key No. 5B1-5D0)
PARTS
(Fig. A1-5 Key No. 4A1-4A2)
P
ARTS
(Fig. A1-1 Key No. 151-152)
PARTS
(Fig. A1-3 Key No. 201-230)
Fig. A1-A2
全体図2
PARTS LAYOUT-2
1007-001
Fig. A1
高速ヘッド
(35K)
HIGH SPEED HEAD(35K)

1007-001
Fig. A1
Fig. A1-A2
421
466
421
428
444
4A2
476
445
DETAIL A
4A1
5A7
5A8
587
5A2
5A3
583
501
51
560
535
561
559
558
518
523
510
563
562
575
495
496
494
495
496
488
495
496
490
450
431
447
430
A
486
486
486
474
425
411
439
406
433
426
405
432
411
B
C
DETAIL C
DETAIL B
0916 3 K0K
577
577
522
575
0916 3 K01
429
476

1007-001
7
N
C
1
N
C
2N
C
3
NC
2
0
X
1
0
X
1
0
B
4NC
2
0
B
6NC
5
NC
27
22
U25
5
N
C
A
2
P
N
C
B
2
P
N
C
C
2
P
N
C
D
2
P
N
C
A
2
NC
B
2
N
C
C
2
N
C
D
2
N
C
3
P
N
C
1
P
N
C
D
4
N
C
C
4
N
C
B
4
N
C
3
N
C
U37
B0413R
B0413T
M31
U04
X3701
B0413T
X10422
X10421
CN1,8,9
CN2,3,4
CN5,6,7
M33
M34
B3105
B3104
U147
M32
X14701
B01
B05
B04
X3105
X3103
X3104D
X3104B
X3104C
X31P3
X31P2A
X31P2D
X31P2C
X31P2B
X312A
X312D
X312C
X312B
U03
X0304
X0307
X0305
X0306
A31
25
24
28
33
34
35
40
32
32
26
26
26
23
27
40
26
27
40
26
27
40
26
40
40
21
40
41
36
36
36
37
37
37
8
40
40
39
7
29
12
10
5
11
9
42
51
5
N
C
A2
PNC
B2P
NC
C2PNC
D2PNC
A2N
C
B2N
C
C2
N
C
D2
NC
3P
NC
1PNC
D4N
C
C
4NC B4
NC 3
N
C
See Fig. A1-4
Key No.343
See Fig. A1-3
Key No.208
See Fig. A1-3
Key No.210
See Fig. A1-2
Key No.107
66
51
Fig. A1-1
カバー、ケーブル
Cover, Cable
Fig. A1
高速ヘッド
(35K)
HIGH SPEED HEAD(35K)