P-317-001e - 第25页
Key No. P AR T No. P AR T NAME Q’ty REMARKS NOTE 302 0916DK2B MOTOR 1 1091603K00-002 303 0916DK2C MOTOR 1 1091603K00-003 312 0916DK2R NL_BALL-SCREW 1 1091603K00-012 314 223Q0769 PULLEY_TIMING 1 1091603K00-014 315 223Q071…

Fig. A1-4
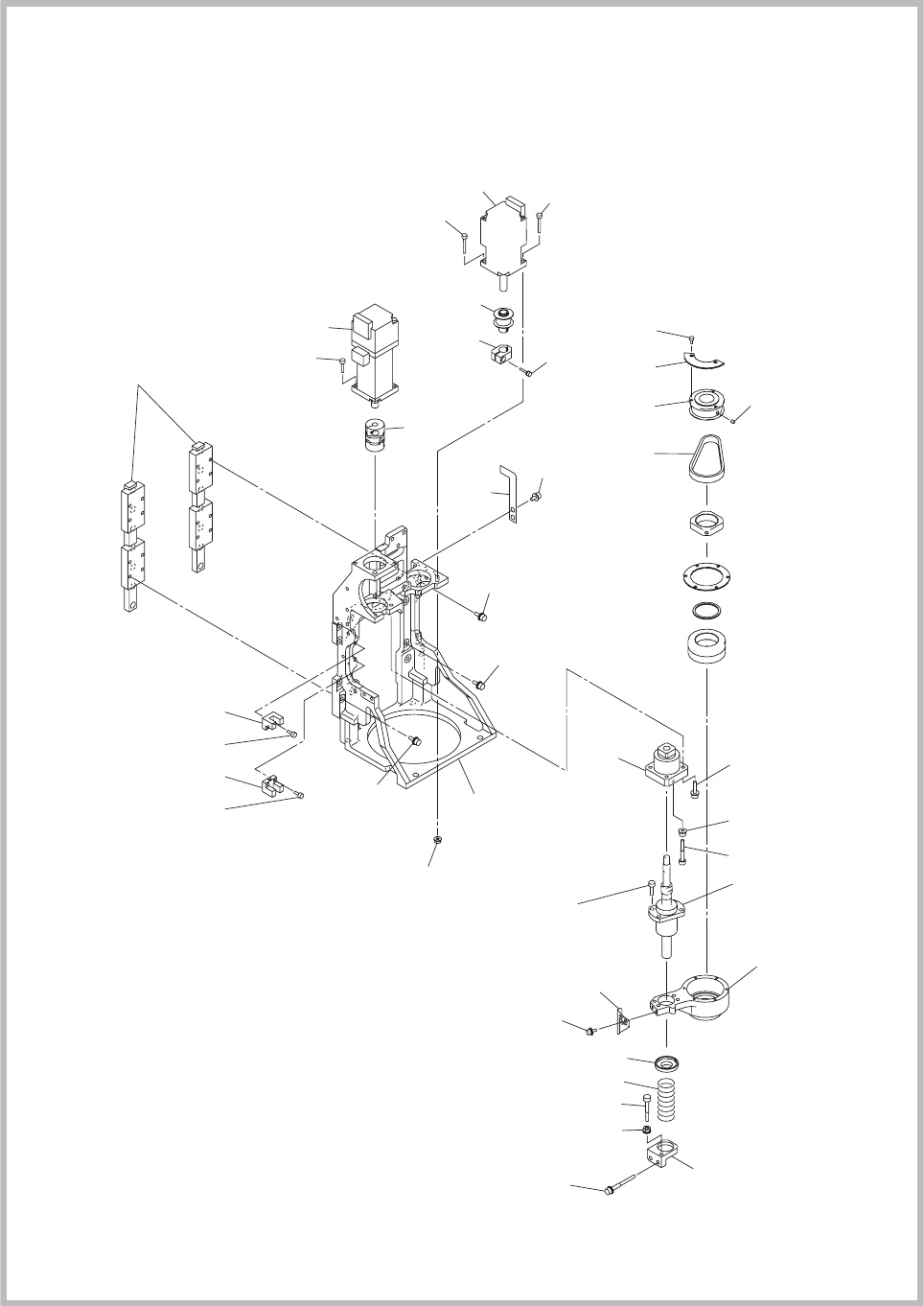
ノズル上下、選択部
Nozzle Leveller,and selecter
1007-001
370
303
302
3A0
3A1
379
3A2
3A3
385
3A2
3A3
393
3A2
3A3
393
3A2
3A3
383
3A2
3A3
384
3A2
3A3
385
3A2
3A3
382
3A0
3A1
392
3A2
3A4
384
397
399
378
381
376
343
342
315
338
341
353
354
355
352
312
365
391
314
316
340
380
380
327
3A5
373
383
See Fig. A1-3
Key No.208
See Fig. A1-6
Key No.557
3A5
372
Fig. A1
高速ヘッド
(35K)
HIGH SPEED HEAD(35K)

Key No. PART No. PART NAME Q’ty
REMARKS
NOTE
302 0916DK2B MOTOR 1 1091603K00-002
303 0916DK2C MOTOR 1
1091603K00-003
312 0916DK2R NL_BALL-SCREW 1
1091603K00-012
314 223Q0769 PULLEY_TIMING 1
1091603K00-014
315 223Q0711 PULLEY_TIMING 1
1091603K00-015
316 223L0358 BELT_TIMING 1
1091603K00-016
327 221AA011 ROHS_HEX-SCT 1
1091603K00-027
338 211G3396 BLOCK 1
1091603K00-038
340 211D9619 PLATE 1
1091603K00-040
341 0916DK2Q PLATE 1
1091603K00-041
342 0916DK25 PLATE 1
1091603K00-042
343 0916DK1X BASE 1
1091603K00-043
352 0916DK29 BEARING_UNIT 1
1091603K00-052
353 0916DK26 COLLAR 1
1091603K00-053
354 0916DK2G SPRING_COMP 1
1091603K00-054
355 0916DK2H BLOCK 1
1091603K00-055
365 221AA012 ROHS_HEX-SCT 1
1091603K00-065
370 0916DK19 COUPLING 1
1091603K00-070
372 09163N02 ASSY_SENSOR 1
1091603K00-072
373 09163N03 ASSY_SENSOR 1
1091603K00-073
376 221AA121 ROHS_HEX-SCT 2
1091603K00-076
378 221A0245 BOLT_HEX-SCT 1
1091603K00-078
379 221AA145 ROHS_HEX-SCT 2
1091603K00-079
380 221AA321 ROHS_HEX-SCT 3
1091603K00-080
381 221AA322 ROHS_HEX-SCT 1
1091603K00-081
382 221AA005 ROHS_HEX-SCT 2
1091603K00-082
383 221AA006 ROHS_HEX-SCT 16
1091603K00-083
384 221AA007 ROHS_HEX-SCT 6
1091603K00-084
385 221AA013 ROHS_HEX-SCT 4
1091603K00-085
391 221CA026 SET SCREW 2
1091603K00-091
392 221FA003 NUT_HEX 1
1091603K00-092
393 221FA005 NUT_HEX 2
1091603K00-093
397 221HA001 WASHER 1
1091603K00-097
399 221HA201 WASHER 1
1091603K00-099
3A0 221HA002 WASHER 3
1091603K00-100
3A1 221HA102 WASHER 3
1091603K00-101
3A2 221HA003 WASHER 22
1091603K00-102
3A3 221HA103 WASHER 22
1091603K00-103
3A4 221HA203 WASHER 4
1091603K00-104
3A5 221AA115 BOLT_HEX-SCT 4
1091603K00-105
Fig. A1
1007-001
Fig. A1-4
GS-HH150

1007-001
495
496
494
495
496
488
495
496
490
450
431
447
430
A
486
486
486
474
425
411
439
406
433
426
405
432
411
B
C
DETAIL C
DETAIL B
421
466
421
428
444
4A2
476
445
DETAIL A
4A1
0916 3 K0K
See Fig. A1-1
Key No.51
See Fig. A1-6
Key No.501
429
476
Fig. A1-5
ノズルシャフト、真空フィルタ
Nozzle Shaft, Vaccum Filter
Fig. A1
高速ヘッド
(35K)
HIGH SPEED HEAD(35K)