KE-2070_80_80R_Instruction_Manual_Rev10_C - 第67页
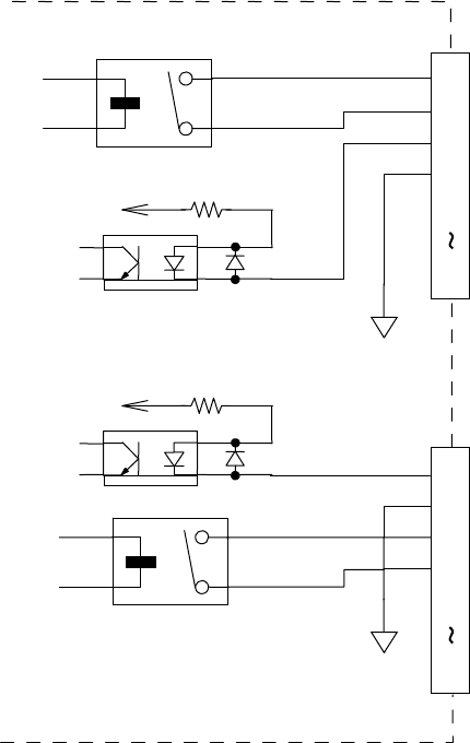
第 1 部 基本编 第 1 章 设备概要 1-49 ◇ READY OUT(IN)信号与 BOARD AVAILABLE 信号的接口电路图示 1-2-8-4 如下。 依据SMEMA规格。 图 1-2-8-4 GND ( 24V ) + + 24 V 3.3K 1/4W READY OUT + BOARD A V AILABLE IN + READY OUT - BOARD A V AILABLE IN - N.C. 1 2 3 4 5 …

第 1 部 基本编 第 1 章 设备概要
1-48
表 1-2-8-1 主机正面左侧的接口表
No. 信号名称 传送方向 右向 信号名称 传送方向 左向 使用的接口
1 READY OUT + READY IN +
2 READY OUT - READY IN - (GND) AMP
3 BOARD AVAILABLE IN + BOARD AVAILABLE OUT + 202043-1
4 BOARD AVAILABLE IN-(GND) BOARD AVAILABLE OUT -
5 N.C. N.C.
6 N.C. N.C. 电缆侧
7 N.C. N.C. 连接用的插头
8 N.C. N.C. 20604-1
9 N.C. N.C.
10 N.C. N.C.
11 N.C. N.C.
12 N.C. N.C.
13 N.C. N.C.
14 N.C. N.C.
表 1-2-8-2 主机正面右侧的接口表
No. 信号名称 传送方向 右向 信号名称 传送方向 左向 使用的接口
1 READY IN + READY OUT +
2 READY IN - (GND) READY OUT - AMP
3 BOARD AVAILABLE OUT + BOARD AVAILABLE IN + 206043-1
4 BOARD AVAILABLE OUT - BOARD AVAILABLE IN - (GND)
5 N.C. N.C.
6 N.C. N.C. 电缆侧
7 N.C. N.C. 连接用的插头
8 N.C. N.C. 206044-1
9 N.C. N.C.
10 N.C. N.C.
11 N.C. N.C.
12 N.C. N.C.
13 N.C. N.C.
14 N.C. N.C.

第 1 部 基本编 第 1 章 设备概要
1-49
◇ READY OUT(IN)信号与 BOARD AVAILABLE 信号的接口电路图示 1-2-8-4 如下。
依据SMEMA规格。
图 1-2-8-4
GND(24V)
+
+ 24V
3.3K 1/4W
READY OUT +
BOARD AVAILABLE IN +
READY OUT -
BOARD AVAILABLE IN -
N.C.
1
2
3
4
5
14
READY IN +
BOARD AVAILABLE OUT +
READY IN -
BOARD AVAILABLE OUT -
N.C.
1
2
3
4
5
14
+ 24V
3.3K 1/4W
+
GND(24V)

第 1 部 基本编 第 1 章 设备概要
1-50
1-2-9 简称说明
意 义
简称
中文 英语
ATC 自动工具交换装置 (Auto Tool Changer)
BMR 坏板标记识别器 (Bad Mark Reader)
CVS 元件检验系统 (Component Verification System)
DTS 双托盘服务器 (Dual Tray Server)
EPU 外部编程装置 (External Programming Unit)
FMLA 焦点模块激光校正 (Focused Modular Laser Align)
FPI 送料器台位置指示器 (Feeder Position Indicator)
HLC 主生产线计算机 (Host Line Computer)
HMS 高度测量装置 (Height Measurement System)
HOD 手控操作盘 (Handheld Operating Device)
IFS-NX
智能供料器系统
(Intelligent Feeder System)
IS 智能车间解决方案 (Intelligent Shopfloor Solutions)
LNC 激光校准新概念 (Laser align New Consept)
MNVC 多贴片头(多吸嘴)图像定心 (Multi Nozzle Vision Centering)
MTC 矩阵托盘交换器 (Matrix Tray Changer)
MTS 矩阵托盘服务器 (Matrix Tray Server)
OCC 位置校正摄像机 (Offset Correction Camera)
PWB 基板 (Printed Wiring Board)
VCS 图像识别元件位置修正装置 (Vision Centering System)