FX-3-Rev13(k-) - 第155页
- - REF.NO NOTE PART NO D E S C R I P T I O N Qty 1 400-98950 POWER_SUPPLY_ASSY_R(ST) 2 2 #01 400-93150 POWER SUPPLY ASSY R(EN) 2 3 401-49647 ETHER-MAIN PCB ASM 1 4 400-4750 7 OC C A LIGHT PCB 1 5 400-4750 6 HEA D-MAIN…

- -
75.SYSTEM DIAGRAM (HEAD RF/RR)
1 4
5
3
1 1
1 2
1 2 1 3
8
1 5 1 6
2 0
1 7
6
5
2 1
7
2 2
9 1 0
2 9
2 9
2 8
3 1
3 0
2 7
2 5
1 9
2 4
2 3
2 6
1 8
4 1
3 9
3 8
4 0
5
3 2
5
3 73 4
3 3
3 5
4 4
3 6
4 34 2
1 2
4 5
9 1 0
2 7
2 5
1 9
2 4
2 3
2 6
1 8
6
4 6
9 1 0
4 7
4
4 8
2 9
2 8
4 9
2 1
7
3 1
2 0 2 2
3 0
3 8
2 9
4 1
4 2
5
4 4
4 3
3 2
4 0
3 9
3 4
3 3
3 7
3 5
3 6
1 2
1 3
9 1 0

- -
REF.NO NOTE PART NO D E S C R I P T I O N Qty
1 400-98950 POWER_SUPPLY_ASSY_R(ST) 2
2
#01
400-93150 POWER SUPPLY ASSY R(EN) 2
3 401-49647 ETHER-MAIN PCB ASM 1
4 400-47507 OCC A LIGHT PCB 1
5 400-47506 HEAD-MAIN PCB ASM 5
6 400-47528 IP-X5 PCB ASM 2
7 HD-0022500-00 SENSOR 2
8 400-91532 HEAD MAIN PWR CABLE (RF) ASM 1
9 400-47500 XY BEAR CABLES D ASM 4
10
#02
400-89837 XY BEAR CABLES D ASM XL 4
11 400-47948 ETHER HEAD RF CABLE ASM 1
12 400-47811 Y BEAR B CABLES ASM 2
13
#02
400-89839 Y BEAR B CABLES ASM XL 2
14 400-47949 ETHER HEAD RR CABLE ASM 1
15 400-47810 Y BEAR A CABLES ASM 1
16
#02
400-89838 Y BEAR A CABLES ASM XL 1
17 400-47944 OCC CABLE RF ASM 1
18 400-47865 OCC CAMERA CABLE ASM 2
19 400-48028 OCC CAMERA 2
20 400-47874 HIGHT SENSOR UNIT ASM 2
21 400-29824 TEMPERATURE SENSOR PCB ASM 2
22 400-48272 BASE TEMP CABLE ASM 2
23 400-47866 OCC C LIGHT CABLE ASM 2
24 400-47511 OCC C LIGHT PCB 2
25 400-47867 OCC A1 LIGHT CABLE ASM 2
26 400-47507 OCC A LIGHT PCB 2
27 400-47868 OCC A2 LIGHT CABLE ASM 2
28 400-82666 HEAD FAN CABLE ASM 2
29 400-82667 HEAD PLATE FAN CABLE ASM 4
30 400-82668 OCC FAN CABLE ASM 2
31 400-65161 HEAD FAN RELAY CABLE ASM 2
32 400-48279 Z1 PRESSURE SENSOR ASM 2
33 400-48280 Z2 PRESSURE SENSOR ASM 2
34 400-48281 Z3 PRESSURE SENSOR ASM 2
35 400-48282 Z4 PRESSURE SENSOR ASM 2
36 400-48283 Z5 PRESSURE SENSOR ASM 2
37 400-48284 Z6 PRESSURE SENSOR ASM 2
38 400-47877 Z PRESSURE RELAY CABLE ASM 2
39 400-92835 NOZZLE DOWN SENSOR1 ASM 2
40 400-92836 NOZZLE DOWN SENSOR2 ASM 2
41 400-47980 NOZZLE DOWN RELAY CABLE ASM 2
42 400-47869 VAC CABLE ASM 2
43 400-47870 BLOW CABLE ASM 2
44 400-47982 NOZZLE UP SV ASM 2
45 400-91542 HEAD MAIN PWR CABLE (RR) ASM 1
46 400-47945 OCC CABLE RR ASM 1
47 E9638-729-000 FIBER LENS 1
48 HD-0013100-30 FIBER UNIT 1
49 400-47981 BAD MARK FIBER AMP ASM 1

- -
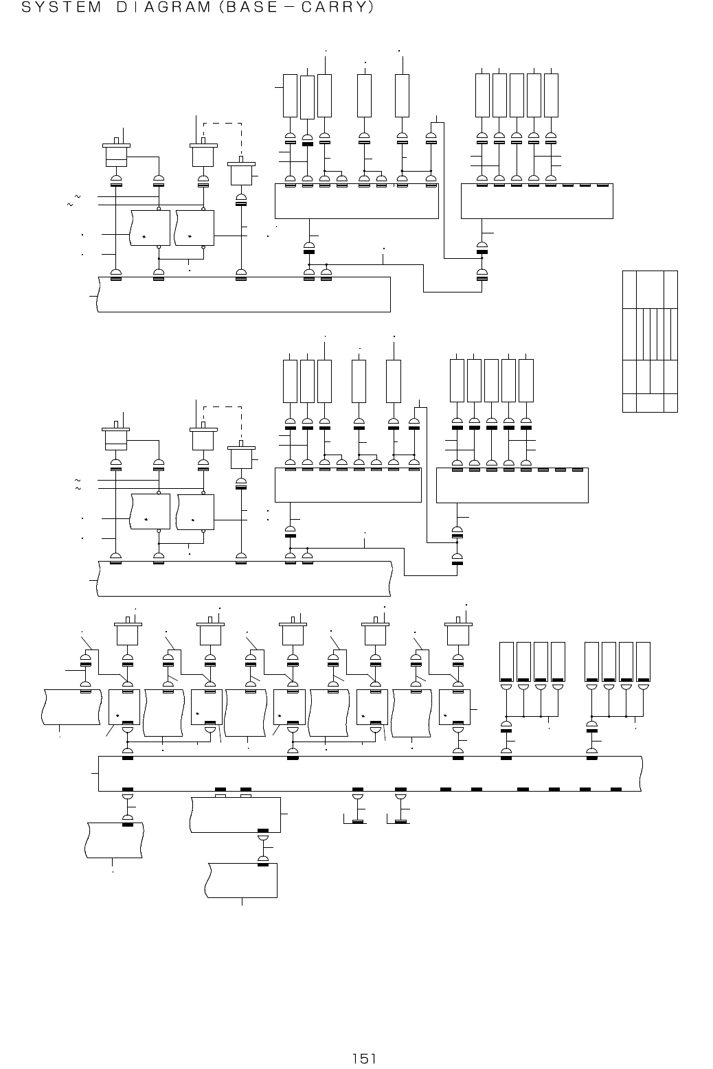
76.SYSTEM DIAGRAM (BASE-CARRY)
N o t e 1
N o t e 1
7 - 1 A
E T H E R - M A I N
P C B
E N 3
E S - B C C N 1
3 - 1 B
E T H E R - S L A V E
P C B ( B C )
E N 1
J 1
J 2
S M E M A
L O W E R U N I T
U P P E R U N I T
S M E M A
C O V E R
I N
C O V E R
O U T
S M E M A _ U
S M E M A _ L
S M E M A - U
C N 3 0
S M E M A - L
C N 3 1
C N 1 3
A N 1
C N 1 4
A N 2
C N 2 0
S P O 1
C N 1 6
S P O 2
C N 2 8
S P O 1
C N 2 9
S P O 2
8 - 2 A
C N 3 2
B C - 3 2
E V - R
E V
S T O P
S H A P E _ X
S H A P E _ Y
B U _ L O C K
S T O P P E R ( R )
S O L V .
S H A P E X ( R )
S O L V .
S H A P E Y ( R )
S O L V .
B U ( R ) L O C K
S O L V .
C N 2 4
B C - 2 4
E V - L
E V
S T O P
S H A P E _ X
S H A P E _ Y
B U _ L O C K
S T O P P E R ( L )
S O L V .
S H A P E X ( L )
S O L V .
S H A P E Y ( L )
S O L V .
B U ( L ) L O C K
S O L V .
C N 1 0
M T R 6 - 8
M T 6 - 8
O T M - 1
5 D R I V E R
C N 1
C N 2
( O U T )
O T M - 2
9 - 2 A
C N 0 3 3
P O W E R U N I T ( R )
8 - 2 B
P W R R 0 3 3
O T M - P
O U T M O T O R
O T M C N 6 6 5
C N 6 5 6
C M R - 1
5 D R I V E R
C N 1
C N 2
( C E N T E R R )
C M R - 2
C M R
C N 6 6 5
C N 6 5 6
C E N T E R M O T O R ( R )
C M R - PP W R R 0 3 5
8 - 2 C
C N 0 3 5
P O W E R U N I T ( R )
8 - 2 B
C N 9
M T R 3 - 5
M T 3 - 5
J M - 1
5 D R I V E R
C N 1
C N 2
( J O I N T )
J M - 2
J M
C N 6 5 6
C N 6 6 5
J O I N T M O T O R
P 2
P 1
8 - 1 A
P O W E R U N I T ( R )
C N 0 3 4
8 - 2 B
J M - P
C M L - 1
5 D R I V E R
C N 1
C N 2
( C E N T E R L )
C M L - 2
B A S E - C A R R Y
P C B
7 - 3 A
P O W E R U N I T
( R )
C N 0 2 7
8 - 2 B
P W R R 0 2 7
B C P W R
C N 1 7
P W R
C N 6
M T R 1 - 2
M T 1 - 2
I N M - 1
6 - 3 A
P O W E R U N I T
( L )
C N 0 3 3
8 - 2 A
P W R L 0 3 3
I N M - P
I N M O T O R
C N 6 6 5
C N 6 5 6
I N M
I N M - 2
5 D R I V E R
C N 1
C N 2
( I N )
8 - 2 A
P O W E R U N I T ( L )
C N 0 3 5
9 - 1 A
P W R L 0 3 5
C M L - P
C E N T E R M O T O R ( L )
C M L
C N 6 6 5
C N 6 5 6
8 - 1 D
C N 2 3
E N C 3
E N C 3
M T 9 - 1 0
C N 1 5
M T R 9 - 1 0
B A S E - C A R R Y
P C B
E N C 1
C N 1 9
E N C 1
C N 2 5
S P W R - L
C N 2 7
S E N S - L
S P W R - L
S B L 1
S E N S - L
8 - 4 A
S B L 1 / 2 S B L 2
S B L 2
S 1
S 2
S 3
S 4
S 5
S 6
S B L 2 - 1
S B L 2 - 2
S B L 2 - 3
S B L 2 - 4
S B L 2 - 5
S 7
S 8
B U ( L ) O R G
S E N S O R
B U ( L ) L O C K
S E N S O R
T P I N ( L )
S E N S O R
A W C ( L ) O R G
S E N S O R
B U - L
B U L K - L
T P I N - L
A W C - L
C N 4 4 5
C N 4 4 2
C N 4 4 6
C N 4 0 9 L
B U U P E N C O D E R ( L )
B A C K U P M O T O R ( L )
B U L E
C N 6 5 8
C N 6 6 8
B U L M
C N 6 6 7
C N 6 5 7
( B U L )
5 D R I V E R
1 - 3 C
( A W C L )
5 D R I V E R
1 - 3 B
A W C L M
C N 6 6 0
A W C L E
C N 6 5 9
A U T O W I D T H A D J U S T M E N T
M O T O R ( L )
I N
S E N S O R
S U P P O R T P I N
E M I T T E R S E N S O R
W A I T ( L )
S E N S O R
S T O P ( L )
S E N S O R
C O U T ( L )
S E N S O R
S B L 1
S 1
S 2
S 3
S 4
S 5
S 6
S 7
S 8
S B L 1 - 1
S B L 1 - 2
S B L 1 - 3 4
S B L 1 - 5 6
S B L 1 - 7 8
I N
B P I N
W A I T - L
S T O P - L
C O U T - L
P W R 2
C S L - 5
C S L - 4
C S L - 3
O U T - L
C N 4 3 7
8 - 2 C
C N 2 2
C N 1 2
M T R 1 1 - 1 2
E N C 4
B A S E - C A R R Y
P C B
C N 1 8
E N C 2
C N 2 1
S P W R - R
C N 2 6
S E N S - R
S B R 1S P W R - R
S E N S - R
E N C 2
M T 1 1 - 1 2
E N C 4
1 - 5 B
5 D R I V E R
( A W C R )
1 - 5 B
5 D R I V E R
( B U R )
A U T O W I D T H A D J U S T M E N T
M O T O R ( R )
A W C R E
C N 6 5 9
C N 6 6 0A W C R M
B A C K U P M O T O R ( R )
B U R M
C N 6 5 7
C N 6 6 7
C N 6 5 8
C N 6 6 8
B U R E
B U U P E N C O D E R ( R )
S B R 1
S 1
S 2
S 3
S 4
S 5
S 6
S 7
S 8
S B R 1 - 1
S B R 1 - 2
S B R 1 - 3 4
S B R 1 - 5 6
S B R 1 - 7 8
C N 4 3 8
O U T - R
C S R - 3
O U T
B P I N
W A I T - R
C S R - 4
S T O P - R
C O U T - R
C S R - 5
P W R 2
O U T
S E N S O R
S U P P O R T P I N
E M I T T E R S E N S O R
W A I T ( R )
S E N S O R
S T O P ( R )
S E N S O R
C O U T ( R )
S E N S O R
S B R 1 / 2
S B R 2
S B R 2
S 1
S 2
S 3
S 4
S 5
S 6
S 7
S 8
S B R 2 - 1
S B R 2 - 2
S B R 2 - 4
S B R 2 - 5
B U - R
B U L K - R
T P I N - R
A W C - R
C N 4 4 5
C N 4 4 2
C N 4 4 6
C N 4 0 9 L
B U ( R ) O R G
S E N S O R
B U ( R ) L O C K
S E N S O R
T P I N ( R )
S E N S O R
A W C ( R ) O R G
S E N S O R
S P E C
L
X L
C A R R Y
D I R E C T I O N
L R
R L
D O N ` T C A R E
R E L A Y C A B L E
S B L 2 - 3 : 4 0 0 6 5 1 8 5
S B R 2 - 3 : 4 0 0 6 5 1 8 6
S E L 2 - 3 : 4 0 0 6 5 1 8 6
S B R 2 - 3 : 4 0 0 6 5 1 8 5
S B L 2 - 3 : 4 0 0 8 9 9 3 0
S B R 2 - 3 : 4 0 0 8 9 9 3 2
S E N S O R
4 0 0 6 5 1 8 4
L 8 2 9 E 5 2 1 0 A 0
N O T E 1
6
1 2
3
8
4
9
1 1 1 2
3 9 4 2
4 0 4 1 4 0 4 1
3 6
1 9 2 1
1 9 2 1
1 9 2 1
1 9 2 1
2 5
1 2
1 2
1 2
1 5 1 6
1 5 1 6
1 8
1 8
1 3 1 4
1 8
1 8
1 7
2 6
2 4 3 2 3 5
3 7 3 8
3 3 3 4
3 0 3 1
2 7 2 82 2 2 3
4
8 1
6 5 6 6
6 4
6 1 6 2
5 3 5 4
4 3 4 4
5 1 5 2
5 1 5 2
4 7 5 0
5 5 5 8
6 3
5 9
4 5
6 7
6 8
6 9
7 0
7 1
8 0
8 2
8 3
8 4
8 5
8 98 7 8 88 6
7 2 7 3
7 4 7 5
7 6 7 7
7 8 7 9
1 0 2 1 0 3
1 0 4
4
5
1 0 5 1 0 6
9 6 9 7
9 0 9 1
4 5
5 1 5 2
5 1 5 2
2 0
1 0 8
6 3
9 8 1 0 1
9 2 9 5
1 0 7
5 9
1 0 9
1 1 0
1 1 1
7
2 9
4 6
6 0
8 98 7 8 88 6
7 3
1 1 3 1 1 4 1 0 1 1 7
1 1 5 1 1 6
1 1 2
1 8