FX-3-Rev13(k-).pdf - 第159页
- - REF.NO NOTE PART NO D E S C R I P T I O N Qty 1 40 0-98974 POW ER_SUPPLY_ASSY_L(ST ) 1 2 #01 400-93149 POWER SUPPLY ASSY L(EN) 1 3 40 0-89883 OPERATIO N PWR CABLE (F) ASM XL 1 4 40 0-03281 MOUSE/KEYBO ARD SELECT OR…

- -
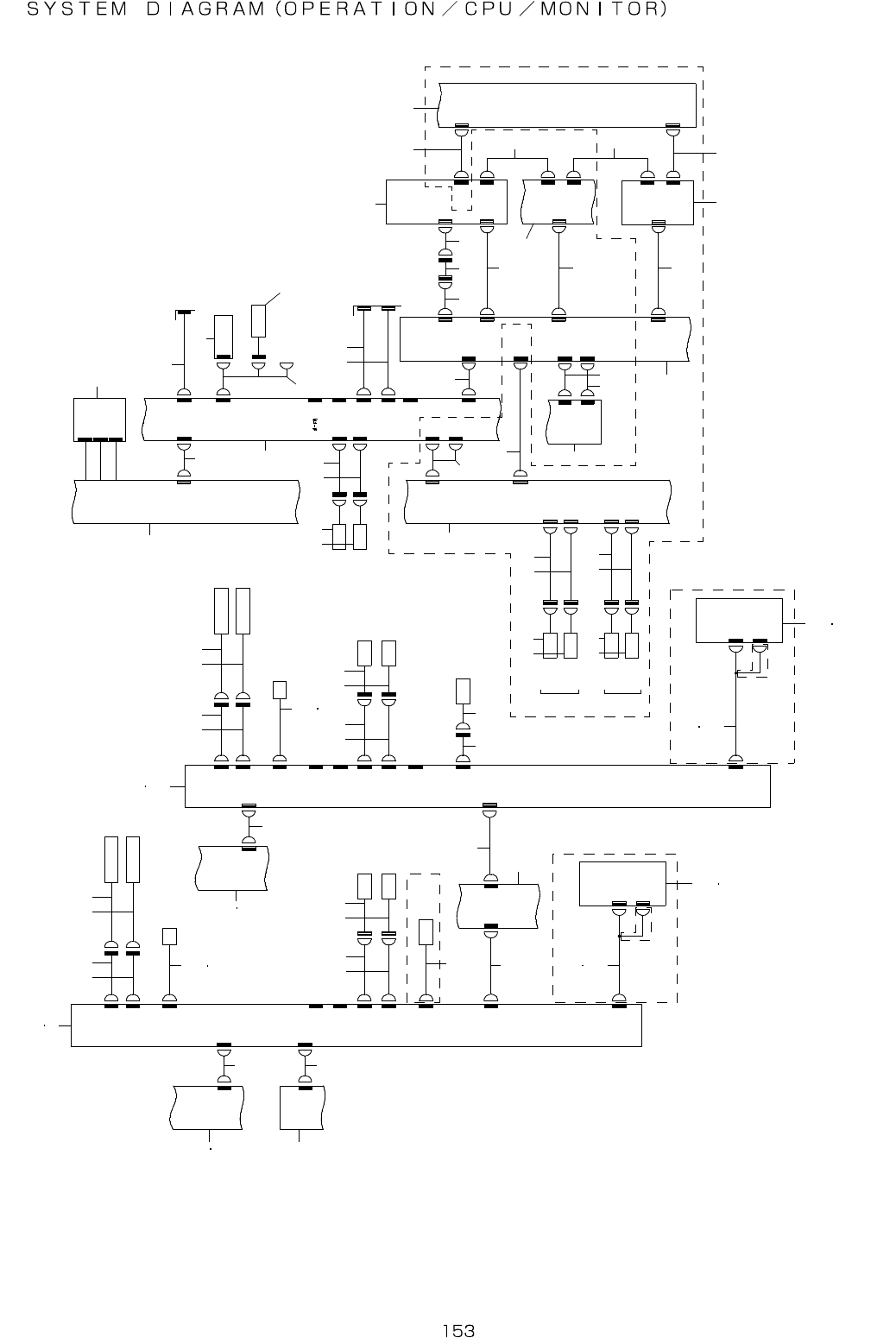
77.SYSTEM DIAGRAM (OPERATION/CPU/MONITOR)
O P E R A T I O N
P C B ( F )
C N 7
C N 2
C N 1 2
O P E F - 7
O P E F - 2
O P E F - 1 2
8 - 2 A
P O W E R
U N I T ( L )
C N 0 3 0
1 0 - 1 A
P W R L 0 3 0
O P E F 1 3
M O U S E /
K E Y B O A R D
S E L E C T O R
E X
9 - 4 B
C H G - E X
O P E F 2 1
C N 2 1
C N 2 2
C N 1 9
C N 8
C N 1
C N 1 5
C N 1 4
C N 2 4
H O D O P T I O N
C N 8
H O D B O X
O P E F - 1 4
X Y - 7
3 - 4 D
X Y - R E L A Y
P C B
C N 7
C N 9
1 1 - 2 C
X Y - 9
O P E R - 1 4
K E Y C H A N G E
S W
C N 7 1 8
O P C N 1
O P C N 8
C N 7 L
C N 7 R
O P
O P
C O V E R O P E N
S W _ L F
C O V E R O P E N
S W _ R F
C N 1 3
E M G S W _ F R
M N L T _ L F
M N L T _ R F
M I N I P A T L I T E
M I N I P A T L I T E
8 - 2 C
P O W E R U N I T
( R )
C N 0 3 0
1 0 - 1 B
P W R R 0 3 0
O P E R 1 3
O P E R A T I O N
P C B ( R )
C N 7
C N 1 3
C N 2
C N 1 2
C N 2 2
C N 1 9
C N 8
C N 1
C N 1 5
C N 1 0
C N 1 4
C N 2 4
H O D O P T I O N
C N 8
H O D B O X
R E A R M O N I T O R O P T I O N
9 - 5 B
R E A R
F R O N T
K E Y B O A R D
M O U S E
K E Y B O A R D
M O U S E
C V - K B F
C V - M S F
C V - K B R
C V - M S R
M S R
K B R
M S F
K B F
M S 2
K B 2
M S 1
K B 1
R S P C
M O U S E /
K E Y B O A R D
S E L E C T O R
K B / M S P C
9 - 1 B
O P E R 1 0
C N 8 0 1
C N 8 0 1
S I G N A L T O W E R
O P C N 1
O P C N 8
O P
C N 7 L
O P
C N 7 R
C O V E R O P E N
S W _ L R
C O V E R O P E N
S W _ R R
E M G S W _ R R
O P E R - 1 2
O P E R - 2
O P E R - 7
M N L T _ L R
M N L T _ R R
M I N I P A T L I T E
M I N I P A T L I T E
5 - 2 B
A T X P O W E R
B U T T E R Y U N I T
C N 5 5
C N 1 2 3
C N 1 2 5
C O M
9 - 5 C
K E Y B O A R D
M O U S E
C V - K B F
C V - M S F
K B F
M S F
R S - P C
1 - 4 C
C O M 1
C P U B O A R D
L A N
C N 1 3
C N 1
H D D I / F
H D D
S S D
C O V E R
H L C
H D D L A M P
H D D - C P
H D D L A M P
H A R D
D I S K A C C E S S L A M P
I D E
K B 1
M S 1
L P T
U S B 1
U S B 2
F D D
K B
M O U S E
D V I 1
1 3 - 4 A
7 - 3 B
I P - X 5
P C B
N T S C 1
N T S C 2
1 3 - 3 C
C N 6
( L C D B )
C N 1
( N T S C 2 )
C N 2
( N T S C 1 )
I N P S
I N P S
C N 8
( C O N S O L E
S W )
E X T 1
C N 5
( L C D A )
C N 3
( H O S T )
C N 8
( C O N S O L E
S W )
S U P E R
I M P O S E
B O A R D
E X T 1
C O V E R
U S B 1
U S B 2
R S - P C
C P U
C O M 2
( R S 1 )
F
L C D
R S 2 3 2 C
F R O N T
M O N I T O R
R S 2 3 2 C
R S 2 3 2 C
V I D E O
D C 1 2 V
F - L C D
F L C D
R S 2 3 2 C
R S 1
9 - 4 C
R S 1
M O U S E /
K E Y B O A R D
S E L E C T O R
9 - 4 B
A T X P O W E R
A T X - 5
C N 5
C N 8
C N 1 0
1 3 - 5 C
A T X - 1 0
F - L C D
R E A R
M O N I T O R
D C 1 2 V
V I D E O
R S 2 3 2 C
R - L C D
R L C D
R S 2 3 2 C
R S 2
R S 2
1 2 4
3 5
6 7
1 1 1 2
8
9
1 0
1 0
2 5 2 6
2 7
2 8 2 9
1 3
1 4
1 5
1 5
1 6
1 7
1 8
2 0
2 1 2 2
2 3 2 4
3 2 3 3
1 3
1 4
1 5
1 5
1 0
1 0
3 0
3 1
3 4
3 5
2 1 2 2
2 3 2 4
6 6
6 7
1 9
5 6
6 4
6 5
6 5
6 4
4 4
4 5
4 7
4 6
6 3
6 8
3 6
3 9
3 8
3 7
4 0
4 1
4 3
4 2
4 8
4 8
5 0
6 9
5 9
6 0
6 0
6 1
5 3 4 9 6 2
5 2
5 4
5 1
5 5
3 6
7 1
7 2
5 8
5 7
7 0
6 3

- -
REF.NO NOTE PART NO D E S C R I P T I O N Qty
1 400-98974 POWER_SUPPLY_ASSY_L(ST) 1
2
#01
400-93149 POWER SUPPLY ASSY L(EN) 1
3 400-89883 OPERATION PWR CABLE (F) ASM XL 1
4 400-03281 MOUSE/KEYBOARD SELECTOR 1
5 400-47823 CONSOLE SELECT CABLE ASM 1
6 400-47520 OPERATION PCB FRONT ASM 1
7
#01
400-47543 OPERATION PCB FRONT ASM (EN) 1
8 400-47839 MINIPAT RLY CABLE (FL) ASM 1
9 400-47840 MINIPAT RLY CABLE (FR) ASM 1
10 400-48055 MINI PATLITE ASM 4
11 400-92833 EMG SW(F) ASM 1
12
#02
400-92905 EM SW F CABLE ASM(EN) 1
13 400-48246 COVER OPEN SW L RELAY CABLE ASM 2
14 400-48247 COVER OPEN SW R RELAY CABLE ASM 2
15 400-02254 COVER OPEN SW CABLE ASM 4
16
#01
400-02251 OPERATION ON SW CABLE ASM 1
17 400-89885 OPERATION RLY CABLE (F) ASM XL 1
18
#03
400-47558 XY-RELAY PCB ASM 1
19 400-89899 R-KEY BOARD CABLE ASM XL 1
20 400-89886 OPERATION RLY CABLE (R) ASM XL 1
21 400-79872 HOD CABLE ASM 2
22
#01
400-79873 HOD CABLE1 ASM 2
23 400-48060 HOD ASM 2
24
#01
400-48061 HOD ASM(EN) 2
25 400-93148 POWER_SUPPLY_ASSY 1
26
#01
400-93150 POWER SUPPLY ASSY R(EN) 1
27 400-89884 OPERATION PWR CABLE (R) ASM XL 1
28 400-47542 OPERATION PCB REAR ASM 1
29
#01
400-47544 OPERATION PCB REAR ASM (EN) 1
30 400-47861 MINIPAT RLY CABLE (RL) ASM 1
31 400-47862 MINIPAT RLY CABLE (RR) ASM 1
32 400-92860 EMG SW(R) ASM 1
33
#02
400-89956 EM SW R CABLE ASM(EN) XL 1
34 400-47822 SIGNAL LIGHT RLY CABLE ASM 1
35 400-48045 SIGNAL TOWER LIGHT ASM 1
36 400-48006 ATX PSU 2
37 400-48007 BATTERY UNIT 1
38 401-07372 CPU BOARD 1
39 400-48030 UPS 232C CABLE ASM 1
40 401-19514 HLC LAN CABLE ASM 1
41 401-09193 ENVIRONMENT SYSTEM 132 ASM 1
42 400-47492 HDD I/F CABLE ASM 1
43 400-89874 HDD ACCES LAMP CABLE ASM XL 1
44 400-03284 KEY BOARD 1
45 400-44521 PS/2 OPTICAL MOUSE 1
46 400-47494 F-KEYBOARD CABLE ASM 1
47 400-47493 F-MOUSE CABLE ASM 1
48 400-44522 USB RELAY CABLE 2
49 400-47852 INPAUSE BOARD PWR CABLE ASM 1
50 400-48031 PANEL LINK CABLE 1M 1
51 400-02264 OP-232C CABLE ASM 1
52 400-98948 MONITOR 232C RELAY CABLE ASM 1
53 400-03312 PANEL LINK CABLE 1
54 400-27815 F-232C CABLE ASM 1
55 400-48083 15INCH LCD MODULE 1
56 400-89898 R-MOUSE CABLE ASM XL 1
57 400-89887 F LCD POWER CABLE ASM XL 1
58 400-89888 R LCD POWER CABLE ASM XL 1
59 400-47528 IP-X5 PCB ASM 1
60 400-48042 VIDEO CABLE 2
61 400-48082 SUPER INPAUSE BOARD 1
62 400-48081 PANEL LINK CABLE 5.0M 1
63 400-03281 MOUSE/KEYBOARD SELECTOR 2
64 400-03284 KEY BOARD 2
65 400-44521 PS/2 OPTICAL MOUSE 2
66 400-47494 F-KEYBOARD CABLE ASM 1
67 400-47493 F-MOUSE CABLE ASM 1
68 400-03282 MOUSE/KEYBOARD SELECTOR CABLE ASM 1
69 400-02264 OP-232C CABLE ASM 1
70 400-27815 F-232C CABLE ASM 1
71 400-48083 15INCH LCD MODULE 1
72 400-89889 OP-232C CABLE (R) ASM XL 1

- -
78.SYSTEM DIAGRAM (FRAME FAN)
9 - 1 A
P O W E R U N I T
( L )
C N 0 3 1
1 0 - 3 A
P W R L 0 3 1
F _ F A N _ L F F _ F A N 0
F _ F A N 2
S 1
S 2
S 3
S 4
S 5
S 6
S 7
S 8
F _ F A N - 1
F _ F A N - 2
F _ F A N - 3
F _ F A N - 4
F _ F A N - 5
Y F R A M E E N D F A N ( E )
Y F R A M E E N D F A N ( B )
X F R A M E E N D F A N ( 1 )
X F R A M E E N D F A N ( 2 )
X F R A M E C E N T E R F A N
F _ F A N 1
S 1
S 2
S 3
S 4
S 5
S 6
S 7
S 8
F _ F A N - 1
F _ F A N - 2
F _ F A N - 3
F _ F A N - 4
F _ F A N - 5
Y F R A M E E N D F A N ( C )
Y F R A M E E N D F A N ( D )
X F R A M E E N D F A N ( 1 )
X F R A M E E N D F A N ( 2 )
X F R A M E C E N T E R F A N
9 - 2 A
P O W E R U N I T
( R )
C N 0 3 2
1 0 - 4 C
P W R R 0 3 2
F _ F A N _ R R F _ F A N 0
F _ F A N 2
S 1
S 2
S 3
S 4
S 5
S 6
S 7
S 8
F _ F A N - 1
F _ F A N - 2
F _ F A N - 3
F _ F A N - 4
F _ F A N - 5
Y F R A M E E N D F A N ( A )
Y F R A M E E N D F A N ( B )
X F R A M E E N D F A N ( 1 )
X F R A M E E N D F A N ( 2 )
X F R A M E C E N T E R F A N
F _ F A N 1
S 1
S 2
S 3
S 4
S 5
S 6
S 7
S 8
F _ F A N - 1
F _ F A N - 2
F _ F A N - 3
F _ F A N - 4
F _ F A N - 5
Y F R A M E E N D F A N ( C )
Y F R A M E E N D F A N ( D )
X F R A M E E N D F A N ( 1 )
X F R A M E E N D F A N ( 2 )
X F R A M E C E N T E R F A N
1 0 - 1 A
P O W E R U N I T
( L )
C N 0 3 2
1 1 - 1 A
P W R L 0 3 2
F _ F A N _ L R
F _ F A N 0
F _ F A N 2
S 1
S 2
S 3
S 4
S 5
S 6
S 7
S 8
F _ F A N - 1
F _ F A N - 2
F _ F A N - 3
F _ F A N - 4
F _ F A N - 5
Y F R A M E E N D F A N ( A )
Y F R A M E E N D F A N ( B )
X F R A M E E N D F A N ( 1 )
X F R A M E E N D F A N ( 2 )
X F R A M E C E N T E R F A N
F _ F A N 1
S 1
S 2
S 3
S 4
S 5
S 6
S 7
S 8
F _ F A N - 1
F _ F A N - 2
F _ F A N - 3
F _ F A N - 4
F _ F A N - 5
Y F R A M E E N D F A N ( C )
Y F R A M E E N D F A N ( D )
X F R A M E E N D F A N ( 1 )
X F R A M E E N D F A N ( 2 )
X F R A M E C E N T E R F A N
1 0 - 1 C
P O W E R U N I T
( R )
C N 0 3 1
1 1 - 3 A
P W R R 0 3 1
F _ F A N _ R F
F _ F A N 0
F _ F A N 2
S 1
S 2
S 3
S 4
S 5
S 6
S 7
S 8
F _ F A N - 1
F _ F A N - 2
F _ F A N - 3
F _ F A N - 4
F _ F A N - 5
Y F R A M E E N D F A N ( E )
Y F R A M E E N D F A N ( B )
X F R A M E E N D F A N ( 1 )
X F R A M E E N D F A N ( 2 )
X F R A M E C E N T E R F A N
F _ F A N 1
S 1
S 2
S 3
S 4
S 5
S 6
S 7
S 8
F _ F A N - 1
F _ F A N - 2
F _ F A N - 3
F _ F A N - 4
F _ F A N - 5
Y F R A M E E N D F A N ( C )
Y F R A M E E N D F A N ( D )
X F R A M E E N D F A N ( 1 )
X F R A M E E N D F A N ( 2 )
X F R A M E C E N T E R F A N
1 2
1 4 1 5
6
4 5
3
7
8
9
1 0
1 1
1 2
9
1 3 1 0
1 1
6
4 5
1 6
1 01 7
1 1
1 19
1 3
9
8
1 2
1 0
1 2
6
1 9 2 0
1 0
1 8
1 7
1 1
1 19
1 3
9
8
1 2
1 0
1 4 1 5
6
1 9 2 0
1 0
2 1
7
1 1
1 19
1 3
9
8
1 2
1 0