FX-3-Rev13(k-).pdf - 第163页
- - REF.NO NOTE PART NO D E S C R I P T I O N Qty 1 40 0-98974 POW ER_SUPPLY_ASSY_L(ST ) 2 2 #01 400-93149 POWER SUPPLY ASSY L(EN) 2 3 40 0-91470 FEEDER PWR CABLE (LR) ASM 1 4 40 0-47557 ETHE R-SLAVE PCB ASM 3 5 40 0-9…

- -
79.SYSTEM DIAGRAM (FEEDER STATION)
1 0 - 3 A
P O W E R U N I T ( L )
C N 0 2 3
1 1 - 3 C
P W R L 0 2 3
F D L - 1
E T H E R - S L A V E
P C B ( F E E D E R _ R )
C N 1
C N 1
C N 2
1 1 - 3 A
8 - 1 B
E T H E R - S L A V E
P C B ( F E E D E R _ L )
J 1
J 2
C N 2
P 2
P 1
F E E D E R P C B
( L )
C N 1 C N 2 0
C N 5
C N 1 9
C N 2 0
C N 5
C N 1 9
C A L F C A L F ( L )
F D R L 1 9
F D R L 1 9
C N 4 9 1
C N 6 6 9
C A L P C B
C N 1 C N 2
C A L S . V . ( L F )
C A L V A C U U M S E N S O R ( L F )
A T C O P E N S E N S O R ( L F )
A T C C L O S E S E N S O R ( L F )
F E E D E R F L O A T S E N S O R ( L F - F )
F E E D E R F L O A T S E N S O R ( L F - R )
( R E C E I V I N G )
( R E C E I V I N G )
A T C - O P
A T C - C L
F R O A T - F ( R C V )
F R O A T - R ( R C V )
i n r h e c a s e o f " F I X E D E L E C B A N K " ,
r e f e r t o 1 1 - 3 D
B A N K U P S E N S O R ( L F - L )
B A N K U P S E N S O R ( L F - R )
A T C S . V ( L F )
F E E D E R F L O A T S E N S O R ( L F - F )
F E E D E R F L O A T S E N S O R ( L F - R )
S O T C H E C K S . V .
( E M I S S I O N )
( E M I S S I O N )
B A N K - U P L
B A N K - U P R
A T C S . V
F R O A T - F ( E )
F R O A T - R ( E )
S O T - C H K
E - F R O A T ( R C V )
E - F R O A T ( E )
E T F F O A T S E N S O R ( L F ) ( R E C E I V I N G )
E T F F O R A S E N S O R ( L F ) ( E M I S S I O N )
M E C H / E L E C T R O L Y O P T I O N
L E D P C B L F 1
L E D P C B L F 2
L E D P C B L F 3
C N 1
C N 1
C N 1
C N 5 4 1
F D L 1 5
C N 5 5 1
C N 5 6 1
F D L 1 6
L E D P C B L R 1
L E D P C B L R 2
L E D P C B L R 3
C N 1
C N 1
C N 1
C N 5 6 1
F L D 1 8
C N 5 5 1
C N 5 4 1
F D L 1 7
F P I O P T I O N
1 2 - 1 A
C N 1 8
C N 2 1
C N 1 7
C N 1 6
C N 1 5
C N 3 0
C N 2 7
C N 2 8
C N 5
C N 2 0
C N 2 0
C N 5
C N 2 8
C N 2 7
C N 3 0 C A L R
C A L R ( L )
C N 2 1
F D R L 2 1
F D R L 2 1
i n r h e c a s e o f " F I X E D E L E C B A N K " ,
r e f e r t o 1 1 - 3 D
B A N K U P S E N S O R ( L R - L )
B A N K U P S E N S O R ( L R - R )
A T C S . V ( L R )
F E E D E R F L O A T S E N S O R ( L R - F )
F E E D E R F L O A T S E N S O R ( L R - R )
S O T C H E C K S . V .
( E M I S S I O N )
( E M I S S I O N )
S O T - C H K
F R O A T - R ( E )
F R O A T - F ( E )
A T C S . V
B A N K - U P R
B A N K - U P L
A T C - O P
A T C - C L
F R O A T - F ( R C V )
F R O A T - R ( R C V )
A T C O P E N S E N S O R ( L R )
A T C C L O S E S E N S O R ( L R )
F E E D E R F L O A T S E N S O R ( L R - F )
F E E D E R F L O A T S E N S O R ( L R - R )
( R E C E I V I N G )
( R E C E I V I N G )
C A L P C B
C N 4 9 1
C N 6 6 9
X Y E M G L X Y E M G L
X Y 7
C A L V A C U U M S E N S O R
( L R )
C A L S . V . ( L R )
C N 1
C N 2
C N 4 9 2
9 - 2 C
X Y R E L A Y P C B
C N 7
1 1 - 5 C
P W R L 6 7
1 1 - 1 A
P O W E R U N I T ( L )
C N 0 6 7
1 2 - 1 A
B U P S E N S S H O R T A S M
B U P S E N S S H O R T A S M
B A N K - U P R
B A N K - U P L
F I X E D E L E C B A N K
M E C H / E L E C T R O L Y O P T I O N
E T F F O R A S E N S O R ( L R ) ( E M I S S I O N )
E T F F O A T S E N S O R ( L R ) ( R E C E I V I N G )
E - F R O A T ( R C V )
E - F R O A T ( E )
L E D P C B R R 3
C N 1
C N 5 6 1
F L R 1 8
C N 1 8
1 2 - 1 C
C N 1
C N 5 5 1
C N 5 4 1
F D R 1 7
C N 1 7
L E D P C B R R 2
L E D P C B R R 1
C N 1
L E D P C B R F 2
C N 1
C N 5 5 1
L E D P C B R F 3
C N 1
C N 5 6 1
F D R 1 6
C N 1 6
F P I O P T I O N
L E D P C B R F 1
C N 1
C N 5 4 1
F D R 1 5
1 1 - 1 A
E T H E R - S L A V E
P C B ( F E E D E R _ R )
J 1
J 2
P 1
P 2
P W R R 0 2 3 F D R - 1
1 1 - 5 C
C N 0 2 3
P O W E R U N I T ( R )
1 0 - 4 C
F E E D E R P C B
( R )
C N 2 0
C N 5
C N 1 9
C N 1
C N 2 0
C N 5
C N 1 9
C N 1 5
C N 2 0
C N 5
C N 2 8
C N 2 7
C N 3 0
C N 2 0
C N 5
C N 2 8
C N 2 7
C N 3 0
C N 2 1
C N 2 1
F D R L 2 1
F D R L 2 1
A T C O P E N S E N S O R ( R R )
A T C C L O S E S E N S O R ( R R )
F E E D E R F L O A T S E N S O R ( R R - F )
F E E D E R F L O A T S E N S O R ( R R - R )
( R E C E I V I N G )
( R E C E I V I N G )
A T C - O P
A T C - C L
F R O A T - F ( R C V )
F R O A T - R ( R C V )
i n r h e c a s e o f " F I X E D E L E C B A N K " ,
r e f e r t o 1 1 - 3 D
B A N K U P S E N S O R ( R R - L )
B A N K U P S E N S O R ( R R - R )
A T C S . V ( R F )
F E E D E R F L O A T S E N S O R ( R R - F )
F E E D E R F L O A T S E N S O R ( R R - R )
( E M I S S I O N )
( E M I S S I O N )
B A N K - U P L
B A N K - U P R
A T C S . V
F R O A T - F ( E )
F R O A T - R ( E )
S O T - C H K
S O T C H E C K S . V .
F D R L 1 9
F D R L 1 9
A T C - O P
A T C - C L
F R O A T - F ( R C V )
F R O A T - R ( R C V )
A T C O P E N S E N S O R ( R F )
A T C C L O S E S E N S O R ( R F )
F E E D E R F L O A T S E N S O R ( R F - F )
F E E D E R F L O A T S E N S O R ( R F - R )
( R E C E I V I N G )
( R E C E I V I N G )
B A N K U P S E N S O R ( R F - L )
B A N K U P S E N S O R ( R F - R )
A T C S . V ( R F )
F E E D E R F L O A T S E N S O R ( R F - F )
F E E D E R F L O A T S E N S O R ( R F - R )
S O T C H E C K S . V .
( E M I S S I O N )
( E M I S S I O N )
i n r h e c a s e o f " F I X E D E L E C B A N K " ,
r e f e r t o 1 1 - 3 D
B A N K - U P L
B A N K - U P R
A T C S . V
F R O A T - F ( E )
F R O A T - R ( E )
S O T - C H K
C A L S . V . ( R F )
C A L V A C U U M S E N S O R ( R F )
C A L F
C A L F ( R )
C N 4 9 1
C N 6 6 9
C A L P C B
C N 1
C N 2
E T F F O A T S E N S O R ( R F ) ( R E C E I V I N G )
E T F F O R A S E N S O R ( R F ) ( E M I S S I O N )
M E C H / E L E C T R O L Y O P T I O N
E - F R O A T ( E )
E - F R O A T ( R C V )
C A L R
C A L R ( R )
C N 4 9 1
C A L P C B
C N 1
C N 2
C N 4 9 2
C A L S . V . ( L R )
C N 6 6 9
X Y E M G R
C A L V A C U U M S E N S O R ( L R )
X Y E M G R
1 1 - 3 C
X Y R E L A Y P C B
C N 7
1 3 - 1 B
X Y 7
1 1 - 3 A
P O W E R U N I T ( R )
C N 0 6 7
1 2 - 1 C
P W R L 6 7
E T F F O A T S E N S O R ( R R ) ( R E C E I V I N G )
E T F F O R A S E N S O R ( R R ) ( E M I S S I O N )
M E C H / E L E C T R O L Y O P T I O N
E - F R O A T ( E )
E - F R O A T ( R C V )
1 2
4
6
4
3
7
1 4
1 5
9
1 0
1 1
1 91 81 71 6
1 2
1 3
4 3
4 3 2 0 2 1 2 2 2 3
2 4
2 5
3 0
3 1
1 1
1 2
2 6
2 7
2 8
1 2
1 3
4 3
3 33 21 71 6
4 3
2 0 3 4 3 5 2 3
4 6 4 6 4 6 4 6 4 6 4 6
4 8
4 7
5
8
8
4 6
4 8
4 6
4 6
4 7
4 6
5
4 6 4 6
4 4
4 5
4
3 6 3 7
3 8
7
4 3
1 91 81 71 6
4 3
2 0 2 1 2 2 2 3
4 3
3 33 21 71 6
4 3
2 0 3 4 3 5 2 3
3 0
4 2
1 4
4 0
2 4
4 4 4 5
4 4 4 5
3 6 3 7
2 8
2 7
2 6
1 3
1 2
1 1
4 1
1 3
1 2
1 1
3 9
9
4 4 4 5
2 9 2 9

- -
REF.NO NOTE PART NO D E S C R I P T I O N Qty
1 400-98974 POWER_SUPPLY_ASSY_L(ST) 2
2
#01
400-93149 POWER SUPPLY ASSY L(EN) 2
3 400-91470 FEEDER PWR CABLE (LR) ASM 1
4 400-47557 ETHER-SLAVE PCB ASM 3
5 400-93066 FPI-LED 1 CABLE(R) ASM 2
6 400-91922 ETHER CABLE FEEDER LF-LR ASM 1
7 400-47560 FEEDER PCB ASM 2
8 400-93067 FPI-LED 2 CABLE(R) ASM 2
9 400-47483 FEEDER CAL(F) CABLE ASM 2
10 400-89890 CAL BLOCK CABLE(LF) ASM 1
11 400-07376 CALBLOCK PCB ASM 4
12 400-47986 CAL VACUUM SV ASM 4
13 400-02126 CAL VACUUM SENSOR ASSY 4
14 400-48176 FEEDER SENSOR RELAY(F) CABLE ASM 2
15 400-89891 FEEDER SENSOR CABLE (LF) ASM 1
16 400-02128 ATC OPEN SENSOR ASM 4
17 400-02127 ATC CLOSE SENSOR ASM 4
18 400-47496 FD-FLOAT(FF)RECEIVE SENSOR ASM 2
19 400-47498 FD-FLOAT(FR)RECEIVE SENSOR ASM 2
20 400-47485 ATC SV CABLE ASM 4
21 400-47495 FD-FLOAT(FF)SENSOR ASM 2
22 400-47497 FD-FLOAT(FR)SENSOR ASM 2
23 400-47486 SOT CHECK SV CABLE ASM 4
24 400-47484 FEEDER CAL(R) CABLE ASM 2
25 400-89892 CAL BLOCK CABLE(LR)ASM 1
26 400-89675 FD EMG RLY CABLE ASM 2
27 400-89885 OPERATION RLY CABLE (F) ASM XL 2
28
#02
400-47558 XY-RELAY PCB ASM 2
29 400-95637 BUP SENSOR SHORT ASM 2
30 400-48177 FEEDER SENSOR RELAY(R) CABLE ASM 2
31 400-89876 FEEDER SENSOR CABLE (LR) ASM 1
32 400-70398 FD-FLOAT(RF)RECEIVE SENSOR ASM 2
33 400-70400 FD-FLOAT(RR)RECEIVE SENSOR ASM 2
34 400-70397 FD-FLOAT(RF)SENSOR ASM 2
35 400-70399 FD-FLOAT(RR)SENSOR ASM 2
36 400-98950 POWER_SUPPLY_ASSY_R(ST) 2
37 400-93150 POWER SUPPLY ASSY R(EN) 2
38 400-91471 FEEDER PWR CABLE (RR) ASM 1
39 400-89877 CAL BLOCK CABLE(RF) ASM 1
40 400-89897 FEEDER SENSOR CABLE (RF) ASM 1
41 400-89878 CAL BLOCK CABLE(RR) ASM 1
42 400-89875 FEEDER SENSOR CABLE (RR) ASM 1
43 400-02167 BANK UP(F)SENSOR ASM 8
44 400-84847 ETF-FLOAT RECEIVE SENSOR ASM 4
45 400-84848 ETF-FLOAT SENSOR ASM 4
46 E8626-729-0A0 FPI LED BOARD ASM. 12
47 400-93064 FPI-LED 1 CABLE(F) ASM 2
48 400-93065 FPI-LED 2 CABLE(F) ASM 2

- -
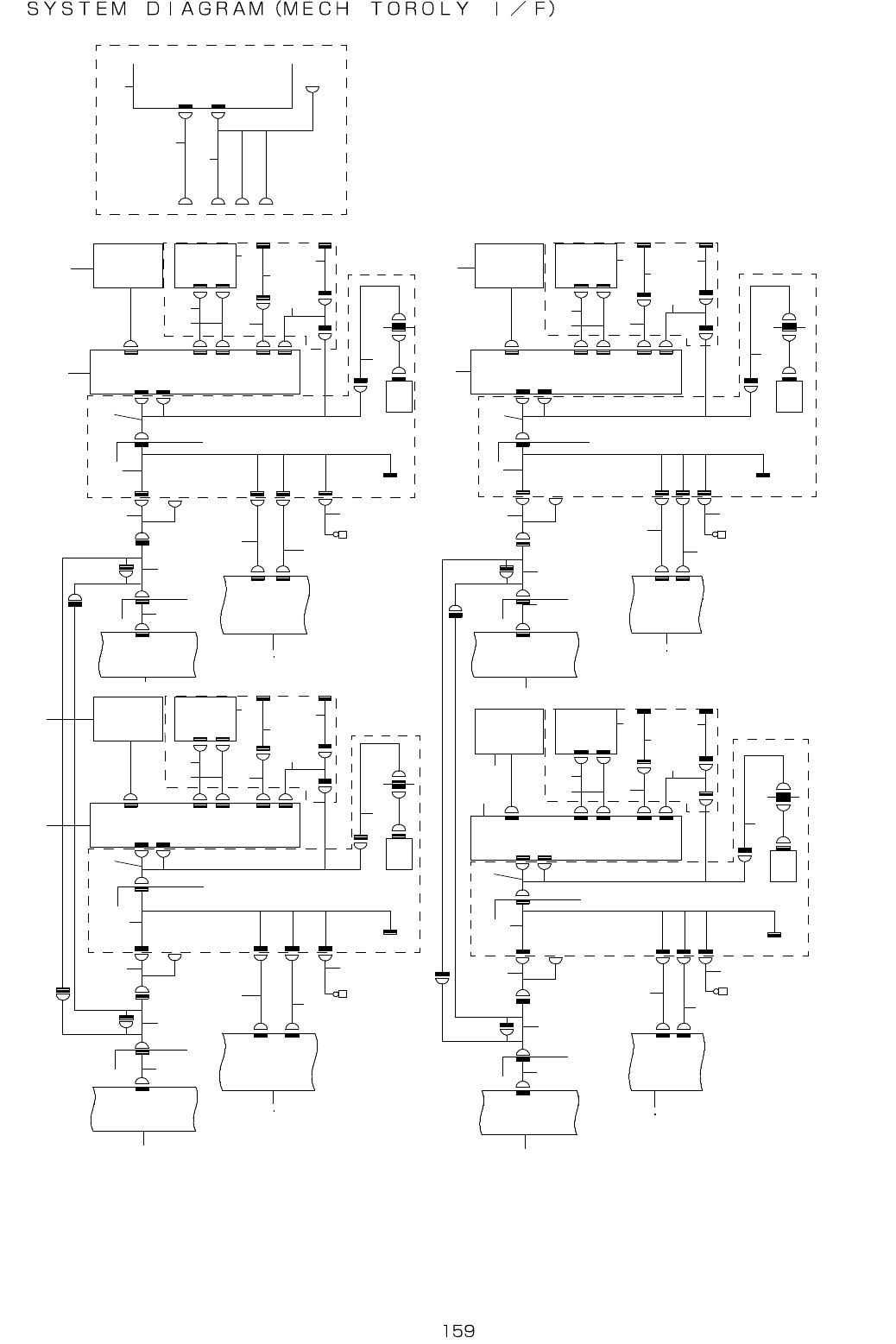
80.SYSTEM DIAGRAM (MECH TOROLY I/F)
i n t h e c a s e o f
" F I X E D B A N K " ,
r e f e r t o 1 2 - 5 A
i n t h e c a s e o f
" F I X E D B A N K " ,
r e f e r t o 1 2 - 5 A
1 1 - 1 D
F E E D E R P C B
( L )
C N 3
1 2 - 3 A
C N 3
C N 3
F E E D E R P C B ( L )
C N 0 3
F C A N 1
F C A N 2
R L Y 0 3
R L Y L 0 3
C N 3 5 0
C N 3 7 0
C N 3 5 0
1 4 - 1 A
E L E C
T O R O L Y
I / F
1 1 - 3 C
P O W E R U N I T ( L )
C N 0 2 4
C N 0 6 5
1 2 - 3 B
P W R L 0 6 5
P W R L 0 2 4
F G - T A P
( L F )
i n t h e c a s e o f
" F I X E D B A N K " ,
r e f e r t o 1 2 - 5 A
C V S O P T I O N / R F I D
1 3 - 5 B
C N 3 8 3
C N 3 5 2
C N 3 5 2
C N 2 0 6
C N 2 0 6
C N 2 0 5
C N 2 0 5
C O V E R ( L F )
M B A N K
B K 3 1
B K 4 0
C N 3 1
C N 4 0
C N 3 6
B K 3 6
M E C H B A N K
P C B
B K 3 4
B K 3 9
C N 3 4
C N 3 9
C N 3 7
C N 3 8
B K 3 7
B K 3 8
R F I D
C N 3 5 7
C N 3 5 7
C N 5 0 7 C N 5 0 7
C O N N E C T O R B R A C K E T O P T I O N
R F I D
A N T E N N A
O U T I N
C N 6 4 9
C N 6 4 9
C N 1 0
C N 9
C N 1 0
C N 9
F E E D E R B A N K
P C B
K N O C K P I N
S . V .
1 2 - 1 A
F E E D E R P C B
( L )
C N 4
1 4 - 1 A
C N 4
C N 4 C N 0 4
F E E D E R P C B ( L )
R C A N 1
R C A N 2
R L Y 0 4
R L Y L 0 4
C N 3 5 0
C N 3 7 0
1 4 - 3 A
E L E C
T O R O L Y
I / F
C N 3 5 0
C O V E R ( L R )
M B A N K
B K 3 1
B K 4 0
1 2 - 1 B
P O W E R U N I T ( L )
C N 0 2 5
C N 0 6 6
1 3 - 1 A
P W R L 0 2 5
P W R L 0 6 6
C N 2 0 5
C N 2 0 6
C N 2 0 5
C N 2 0 6
C N 3 5 2
C N 3 5 2
F G - T A P
( L R )
C N 3 8 3
C V S O P T I O N / R F I D
1 3 - 5 B
R F I D
A N T E N N A
O U T
I N
R F I D
C O N N E C T O R B R A C K E T O P T I O N
C N 3 5 7
C N 3 5 7
C N 5 0 7
C N 5 0 7
C N 3 8
C N 3 7
C N 3 9
C N 3 4
B K 3 8
B K 3 7
B K 3 9
B K 3 4
C N 6 4 9
C N 6 4 9
C N 1 0
C N 9
F E E D E R B A N K
P C B
C N 9
C N 1 0
C N 4 0
C N 3 1
C N 3 6
B K 3 6
M E C H B A N K
P C B
K N O C K P I N
S . V .
F I X E D B A N K
M E C H B A N K P C B
C N 3 1
C N 4 0
B K 3 1
B K 4 0
C N 3 5 0
C N 2 0 5
C N 2 0 6
C N 3 5 2
C N 3 5 7
1 1 - 3 D
F E E D E R P C B
( R )
C N 3
1 2 - 3 C
C N 3 C N 3
F E E D E R P C B
( R )
C N 0 3
F C A N 1
R L Y 0 3
R L Y R 0 3
C N 3 5 0
C N 3 7 0
1 4 - 1 C
E L E C
T O R O L Y
I / F
C N 3 5 0
C O V E R ( R F )
F C A N 2
M B A N K
B K 3 1
B K 4 0
M E C H B A N K
P C B
C N 3 1
C N 4 0
C N 3 6
B K 3 6
C N 3 4
C N 3 9
B K 3 4
B K 3 9
C N 3 7
C N 3 8
B K 3 7
B K 3 8
1 1 - 4 C
P O W E R U N I T ( R )
C N 0 2 4
C N 0 6 5
1 2 - 3 C
P W R R 0 2 4
P W R R 0 6 5
F G - T A P
( R F )
C N 3 5 2
C N 2 0 6
C N 2 0 5
C N 2 0 5
C N 2 0 6
C N 3 5 2
C N 3 8 3
C V S O P T I O N / R F I D
1 3 - 5 C
R F I D
A N T E N N A
O U T
I N
R F I D
C O N N E C T O R B R A C K E T O P T I O N
C N 3 5 7
C N 3 5 7
C N 5 0 7
C N 5 0 7
C N 6 4 9
C N 6 4 9
C N 1 0
C N 9
F E E D E R B A N K
P C B
C N 9
C N 1 0
K N O C K P I N
S . V .
1 2 - 1 C
C N 4
1 4 - 1 B
F E E D E R P C B
( R )
C N 4
C N 4
C N 0 4
F E E D E R P C B
( L )
R C A N 1
R C A N 2
R L Y 0 4
R L Y R 0 4
C N 3 5 0
C N 3 7 0
1 4 - 3 C
E L E C
T O R O L Y
I / F
C N 3 5 0
C O V E R ( R R )
M B A N K
B K 4 0
B K 3 1
M E C H B A N K
P C B
B K 3 6
C N 3 6
C N 3 1
C N 4 0
C N 3 4
C N 3 9
C N 3 7
C N 3 8
B K 3 8
B K 3 7
B K 3 9
B K 3 4
C N 9
C N 1 0
C N 6 4 9
C N 6 4 9
C N 3 5 7
C N 3 5 7
C N 5 0 7
C N 5 0 7
C O N N E C T O R B R A C K E T O P T I O N
R F I D
R F I D
A N T E N N A
O U T I N
C N 3 8 3
C V S O P T I O N / R F I D
1 3 - 5 B
F G - T A P
( R R )
C N 3 5 2
C N 2 0 6
C N 2 0 5
C N 2 0 5
C N 2 0 6
C N 3 5 2
P W R R 0 2 5
P W R R 0 6 6
1 2 - 1 C
P O W E R U N I T ( R )
C N 0 2 5
C N 0 6 6
1 3 - 1 C
i n t h e c a s e o f
" F I X E D B A N K " ,
r e f e r t o 1 2 - 5 A
F E E D E R B A N K
P C B
C N 9
C N 1 0
K N O C K P I N
S . V .
3 1
2
1
7 8
3
9
1 0
9
2 0
2 1
5
6
2 3
2 4
2 4
2 4
2 7
2 6
2 5
2 2
1
2
1 2 1 3
3
2 1
1 4
1 0
1 4
2 0
2 4
2 3
2 4
2 5
2 4
2 2
2 7
2 6
7 8
3 1
1
1 5
2 1
1 7
1 0
1 7
2 0
5
2 4
2 3
6
2 4
2 5
2 4
2 2
2 7
2 6
1 2 1 3
1
1 5
2 1
1 9
1 0
1 9
2 0
5
2 4
2 3
6
2 4
2 5
2 4
2 2
2 7
2 6
4
1 1
1 8
1 6
5
6
2 9
2 8
3 0