FX-3-Rev13(k-).pdf - 第166页
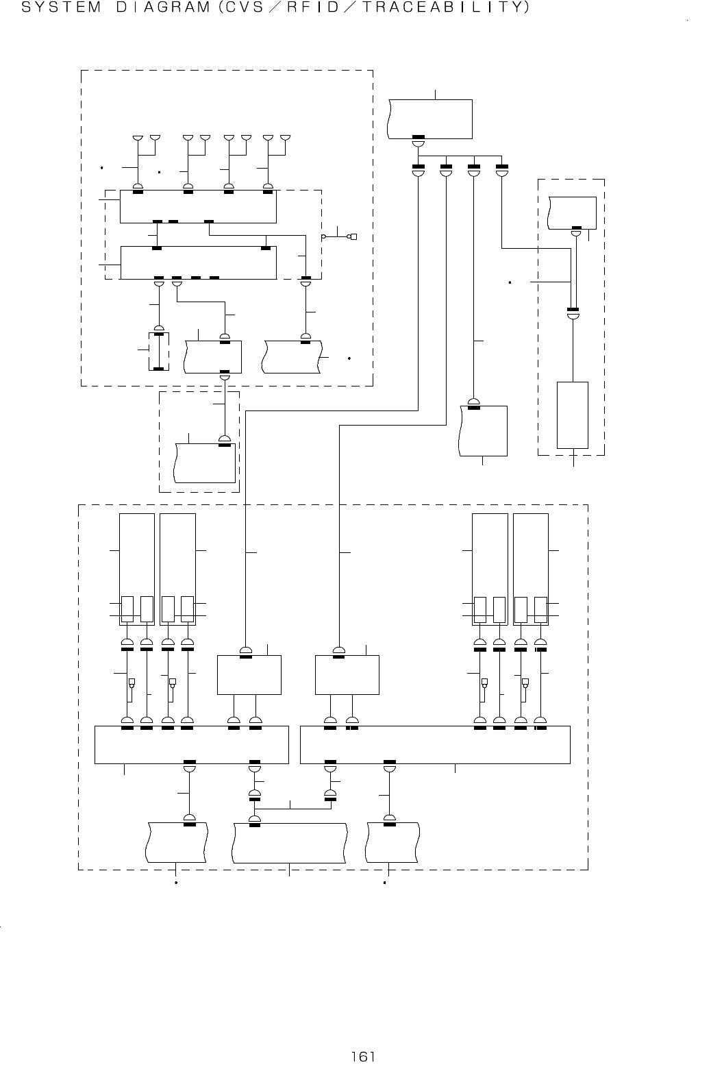
- - 81. SYSTEM DIAGRAM (CVS/RFID/TRACEAB ILITY) 1 2 - 3 B P O W E R U N I T ( L ) P W R L 0 2 8 1 4 - 1 B C N 0 2 8 L C V S L C 1 1 1 - 5 C C N 1 2 X Y - R E L A Y P C B 1 3 - 3 A X Y C N 1 2 C V S L I O C V S L C 2 C …

- -
REF.NO NOTE PART NO D E S C R I P T I O N Qty
1 400-47560 FEEDER PCB ASM 4
2 401-07941 FEEDER IF RELAY-03 CABLE ASM 2
3 400-47481 FEEDER IF RELAY(F) CABLE ASM 2
4 401-11737 FEEDER PCB(LF) IF CABLE ASM 4
5 400-82807 MECHANICAL BANK PCB SET 4
6 400-63859 DRIVE_CYLINDER 4
7 400-98974 POWER_SUPPLY_ASSY_L(ST) 2
8
#01
400-93149 POWER SUPPLY ASSY L(EN) 2
9 400-91543 BANK RLY CABLE (LF) ASM 2
10 400-48183 BANK(F) FG CABLE ASM 4
11 401-11738 FEEDER PCB(RF) IF CABLE ASM 1
12 400-98950 POWER_SUPPLY_ASSY_R(ST) 2
13
#01
400-93150 POWER SUPPLY ASSY R(EN) 2
14 400-91546 BANK RLY CABLE (RF) ASM 2
15 401-07942 FEEDER IF RELAY-04 CABLE ASM 2
16 401-11735 FEEDER PCB(LR) IF CABLE ASM 1
17 400-91544 BANK RLY CABLE (LR) ASM 2
18 401-11736 FEEDER PCB(RR) IF CABLE ASM 1
19 400-91550 BANK RLY CABLE (RR) ASM 2
20 400-48189 MECH BANK RELAY WIRE ASM 4
21 400-48190 MECH BANK IF CABLE ASM 4
22 400-79659 RFID JOINT CABLE ASM 4
23 400-48193 CONNECTOR BRACKET IF CABLE ASM 4
24 400-48194 CONNECTOR BRACKET PWR CABLE ASM 12
25 E8615-715-0A0 FEEDER BANK CIRCUIT BOARD ASM. 4
26 E9395-721-0A0 IC FULL RELAY CABLE 3 ASM. 4
27 E9532-729-0A0 CUTTER POWER SOURCE CABLE ASM. 4
28 400-48158 BANK CABLE ASM 1
29 400-65159 BANK PCB PWR RELAY CABLE ASM 1
30 400-82807 MECHANICAL BANK PCB SET 1
31 401-07942 FEEDER IF RELAY-04 CABLE ASM 2

- -
81.SYSTEM DIAGRAM (CVS/RFID/TRACEABILITY)
1 2 - 3 B
P O W E R U N I T ( L )
P W R L 0 2 8
1 4 - 1 B
C N 0 2 8 L
C V S L C 1
1 1 - 5 C
C N 1 2
X Y - R E L A Y
P C B
1 3 - 3 A
X Y C N 1 2
C V S L I O
C V S L C 2
C V S R I O
C V S R C 2
1 2 - 3 D
P O W E R U N I T ( R )
P W R R 0 2 8
1 3 - 4 B
C N 0 2 8 R
C V S R C 1
C V S P C B ( R )
C N 2 C N 3
C N 4
C N 1
C N 3 C V S
C N 4
D M M ( R )
D M M ( L )
C N 3 C V S
C N 4
C N 3
C N 4
C N 2
C N 1
C N 8
C N 7
C N 6
C N 5
C V S P C B ( L )
C N 5 / C V S
C N 6 / C V S
C N 7 / C V S
C N 8 / C V S
J 0 4 3 / L F
J 0 4 2 / L F
J 0 4 3 / L R
J 0 4 2 / L R
F G - T A P
( L F )
F G - T A P
( L R )
J 4 3
J 4 2
J 4 3
J 4 2
P R O B E
S O L E N O I D V A L V E
P R O B E
S O L E N O I D V A L V E
S U R F A C E V E R I F I C A T I O N
U N I T ( L R )
S U R F A C E V E R I F I C A T I O N
U N I T ( L F )
H O D O P T I O N
1 3 - 1 C
X Y - R E L A Y P C B
C N 4 9
X Y - 4 9
H L C L A N
L A N
P W R R 2 2
R F I D _ P W R
9 - 4 C
C P U B O A R D
C O M 2
L A N
1 3 - 1 C
P O W E R U N I T ( R )
C N 0 2 2
1 4 - 1 C
F G - T A P
F R O N T
D C I N P U T
X 4
X 3
X 2
X 1
X 5
S W I T C H I N G
H U B
H U B _ B O X
M P C - 4 C
E T H E R N E T
P R O G
C N 3
C N 4
D C _ I N P U T
C N 1
C N 2
C H 3
L R
C H 4
R R
C H 1
L F
C H 2
R F
L R 3 8 3
L R 3 8 2
R R 3 8 3
R R 3 8 2
L F 3 8 3
L F 3 8 2
R F 3 8 3
R F 3 8 2
1 2 - 3 B
M E C H T O R O L Y I / F
1 4 - 3 B
E L E C T O R O L Y I / F
1 2 - 3 D
M E C H T O R O L Y I / F
1 4 - 3 D
E L E C T O R O L Y I / F
1 2 - 1 B
M E C H T O R O L Y I / F
1 4 - 1 B
E L E C T O R O L Y I / F
1 2 - 1 D
M E C H T O R O L Y I / F
1 4 - 1 D
E L E C T O R O L Y I / F
R F I D O P T I O N
5 - 5 D
I E E E 1 3 9 4 B O A R D
U A R T
U A R T
C O M A
C O M B
C O M C
C O M D
9 - 5 C
A T X P O W E R
C N 6
A T X - 6
B R
T R A C E A B I L I T Y O P T I O N
B A R C O R D R E E D E R
X Y - 4 9
9 - 4 D
S U P E R I M P O S E B O A R D
H O S T
C V S O P T I O N
P R O B E
S O L E N O I D V A L V E
S U R F A C E V E R I F I C A T I O N
U N I T ( R F )
S U R F A C E V E R I F I C A T I O N
U N I T ( R R )
P R O B E
S O L E N O I D V A L V E
J 0 4 3 / R F
J 0 4 2 / R F
J 0 4 3 / R R
J 0 4 2 / R R
J 4 2
J 4 3
J 4 2
J 4 3
F G - T A P
( R F )
( R R )
F G - T A P
C N 5 / C V S
C N 6 / C V S
C N 7 / C V S
C N 8 / C V S
C N 5
C N 6
C N 7
C N 8
5 6 7 9 1 0
1 3 1 5
1 41 2
1 1
1 6
1 6
1 7
1 9
1 8
2 0
2 2 2 2
2 1
2 3
2 1
2 3
2 5 2 5
2 4
2 4
2 6
2 7
2 8
2 9
2 22 2
2 3
2 1
2 3
2 1
1
2
3
3 0 3 1
8
4 5
4
3 9
3 6
3 7 3 8
3 5
3 3
4 4
4 1
4 2
4 3
4 6 4 7
4 8 4 9
5 0
4 0
3 2
7
3 4

- -
REF.NO NOTE PART NO D E S C R I P T I O N Qty
1 400-48082 SUPER INPAUSE BOARD 1
2 HX-0061000-00 BARCODE READER 1
3 400-02264 OP-232C CABLE ASM 1
4 400-48003 IEEE1394 BOARD 1
5 400-98974 POWER_SUPPLY_ASSY_L(ST) 1
6
#01
400-93149 POWER SUPPLY ASSY L(EN) 1
7
#03
400-47558 XY-RELAY PCB ASM 2
8 400-48006 ATX PSU 1
9 400-98950 POWER_SUPPLY_ASSY_R(ST) 1
10
#01
400-93150 POWER SUPPLY ASSY R(EN) 1
11 400-48294 CVS PCB(L) POWER CABLE ASM 1
12 400-48293 CVS IO(L) CABLE ASM 1
13 400-48169 CVS IO CABLE ASM 1
14 400-48295 CVS IO(R) CABLE ASM 1
15 400-48296 CVS PCB(R) POWER CABLE ASM 1
16 400-47537 CVS PCB ASM 2
17 400-93238 CVS LF PROBE CABLE ASM 1
18 400-48297 CVS LF PROBE CABLE ASM 1
19 400-93239 CVS LR PROBE CABLE ASM 1
20 400-48298 CVS LR PROBE CABLE ASM 1
21 400-47886 CVS PROBE CABLE ASM 4
22 400-46825 SURFACE VERIFICATION UNIT 4
23 E9589-705-0A0 VRFY SV CABLE ASM. 4
24 400-48056 CVS DMM ASM 2
25 400-48057 CVS PROBE I/F CABLE ASM 2
26 400-93240 CVS RF PROBE CABLE ASM 1
27 400-48299 CVS RF PROBE CABLE ASM 1
28 400-93241 CVS RR PROBE CABLE ASM 1
29 400-48300 CVS RR PROBE CABLE ASM 1
30 400-48200 BARCODE READER CABLE ASM 1
31
#02
400-89959 BARCODE READER CABLE ASM XL 1
32 400-91903 HOD RS232C CABLE ASM 1
33 HK-0651200-80 MODULAR KAPLA 1
34
#01
400-73738 RFID LAN CABLE (4.5M) ASM 1
35 401-07372 CPU BOARD 1
36 400-79652 RFID LAN CABLE ASM 1
37 400-98950 POWER_SUPPLY_ASSY_R(ST) 1
38
#01
400-93150 POWER SUPPLY ASSY R(EN) 1
39 400-79653 RFID PWR CABLE ASM 1
40 400-79658 RFID BRANCH4 CABLE ASM 1
41 400-73033 SWITCHING HUB 1
42 400-73032 4 PORT MPC 1
43 400-72813 MPC RJ45 CABLE ASM 1
44 400-72814 MPC POWER CABLE ASM 1
45 400-79656 RFID FG CABLE ASM 1
46 400-79654 RFID BRANCH1 CABLE ASM 1
47
#02
400-89957 RFID BRANCH1 CABLE ASM XL 1
48 400-79655 RFID BRANCH2 CABLE ASM 1
49
#02
400-89958 RFID BRANCH2 CABLE ASM XL 1
50 400-79657 RFID BRANCH3 CABLE ASM 1