Excellent Modular Component Placer EXCEN Series EXCEN PRO(M)/(D)/(L) Technical Reference - 第262页
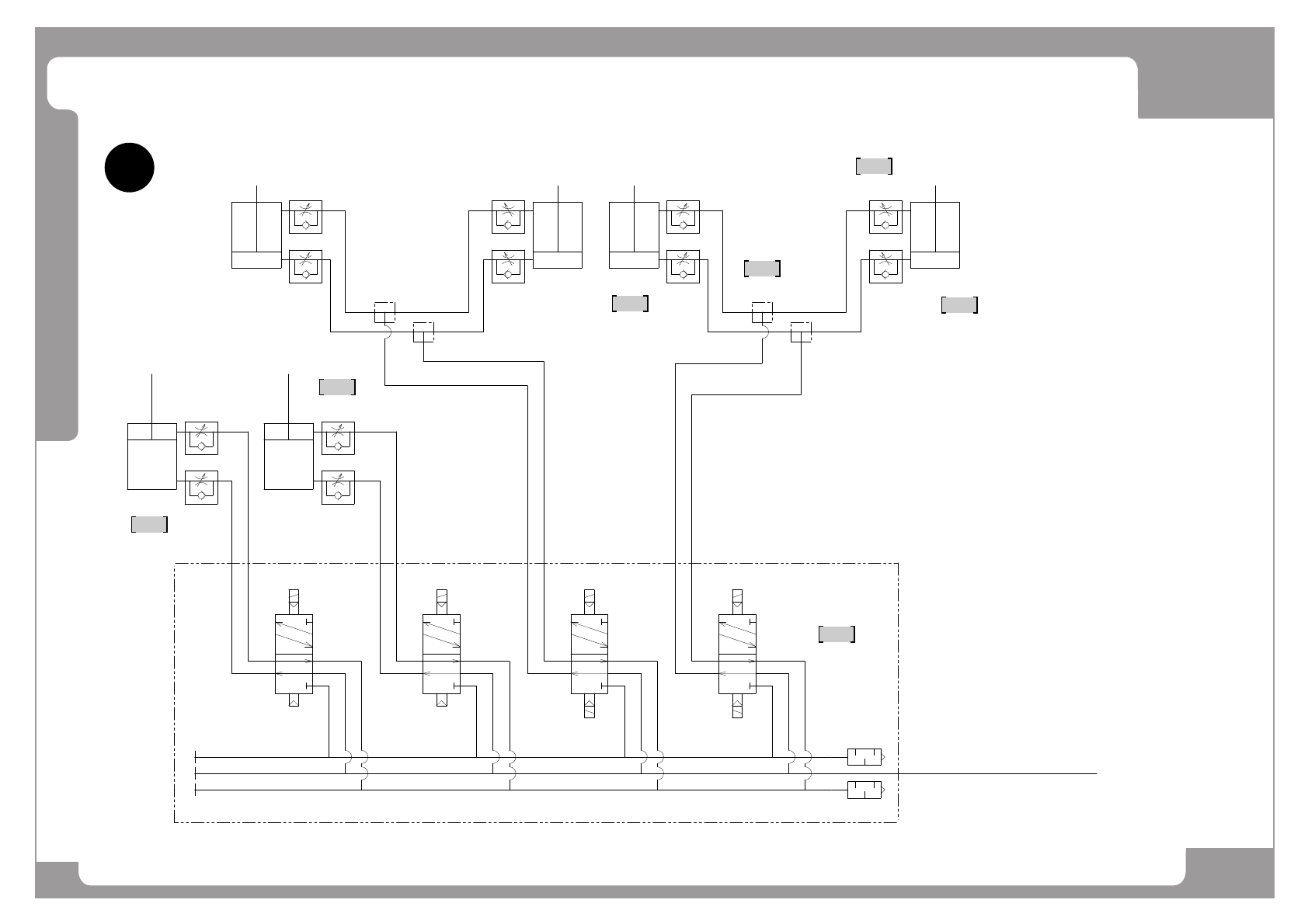
Page +$1:+$ 256 EXCEN PRO(M) EXCEN PRO(D ) EXCEN PRO(L) Air (3/7) B 5 4 3 1 6 7 2 㻝㻔㻼㻕 㻡㻔㻱㻭㻕 㻟㻔㻱㻮㻕 㻞㻔㻮㻕 㻠㻔㻭㻕 䃅㻢 䃅㻢 㻝㼋㻿㻱㻯㼀㻵㻻㻺 㻞㻔㻮㻕 㻠㻔㻭㻕 䃅㻢 䃅㻢 㻞㻔㻮㻕 㻠㻔㻭㻕 䃅㻢 䃅㻢 㻞㻔㻮㻕 㻠㻔㻭㻕 䃅㻢 䃅㻢 㻝㻲 㻯㻭㻾㼀㼋㻯㻸㻭㻹㻼 㻝㻾 㻯㻭㻾㼀㼋㻯㻸㻭㻹㻼 㻝㻲 㼀㻭㻼㻱㼋㻯㼁㼀㼀㻱㻾 㻝㻾 㼀…

Page
+$1:+$
255
Air (2/7)
EXCEN PRO(M)
EXCEN PRO(D)
EXCEN PRO(L)
NO. PART NO. PART NAME Q'TY Old No. Supply Supply LT Reference
1 FC14-000258 COUPLER 1
2 FC14-000257 COUPLER 1
3 HP06-000260 FITTING 1
4 HP06-900041 FITTING 1 HP06-900020
5 HP09-900130 ELECTRIC_REGULATOR 1
6 HP04-000160 SILENCER 1 HP09-900175

Page
+$1:+$
256
EXCEN PRO(M)
EXCEN PRO(D
)
EXCEN PRO(L)
Air (3/7)
B
5
4
3
1
6
7
2
㻝㻔㻼㻕
㻡㻔㻱㻭㻕
㻟㻔㻱㻮㻕
㻞㻔㻮㻕
㻠㻔㻭㻕
䃅㻢
䃅㻢
㻝㼋㻿㻱㻯㼀㻵㻻㻺
㻞㻔㻮㻕
㻠㻔㻭㻕
䃅㻢
䃅㻢
㻞㻔㻮㻕
㻠㻔㻭㻕
䃅㻢
䃅㻢
㻞㻔㻮㻕
㻠㻔㻭㻕
䃅㻢
䃅㻢
㻝㻲
㻯㻭㻾㼀㼋㻯㻸㻭㻹㻼
㻝㻾
㻯㻭㻾㼀㼋㻯㻸㻭㻹㻼
㻝㻲
㼀㻭㻼㻱㼋㻯㼁㼀㼀㻱㻾
㻝㻾
㼀㻭㻼㻱㼋㻯㼁㼀㼀㻱㻾
䃅㻢㻮㻙㻞㻡㻜㻜㻸
䃅㻢㻮㻙㻝㻡㻜㻜㻸
䃅㻢㼅㻙㻞㻡㻜㻜㻸
䃅㻢㼅㻙㻝㻡㻜㻜㻸
䃅㻢㻮㻙㻞㻟㻜㻜㻸
䃅㻢㼅㻙㻞㻟㻜㻜㻸
㻔䃅㻢㼅㻕
㻔䃅㻢㼅㻕
㻔䃅㻢㻮㻕
㻔䃅㻢㻮㻕
䃅㻢㻮㻙㻝㻤㻜㻜㻸
䃅㻢㼅㻙㻝㻤㻜㻜㻸
㻔䃅㻢㼅㻕
㻔䃅㻢㼅㻕
㻔䃅㻢㻮㻕
㻔䃅㻢㻮㻕
㻴㻼㻜㻟㻙㻜㻜㻜㻜㻝㻞
㻯㼅㻸㻵㻺㻰㻱㻾
㻭㻰㻽㻞㻰㻠㻜㻙㻣㻡㻰
㻶㻢㻣㻜㻟㻝㻜㻟㻜㻭
㻿㻼㻱㻱㻰㻌㻯㻻㻺㼀㻾㻻㻸㻸㻱㻾
㻭㻿㻞㻞㻜㻝㻲㻙㻜㻝㻙㻜㻢㻿
㻭㻿㻞㻞㻜㻝㻲㻙㻜㻝㻙㻜㻢㻿
㻴㻼㻜㻟㻙㻜㻜㻜㻜㻝㻝
㻯㼅㻸㻵㻺㻰㻱㻾
㻭㻽㻞㻰㻠㻜㻙㻣㻡㻰
㻭㻿㻞㻞㻜㻝㻲㻙㻜㻝㻙㻜㻢㻿
㻭㻿㻞㻞㻜㻝㻲㻙㻜㻝㻙㻜㻢㻿
㻭㻰㻽㻞㻰㻠㻜㻙㻣㻡㻰
㻭㻿㻞㻞㻜㻝㻲㻙㻜㻝㻙㻜㻢㻿
㻭㻿㻞㻞㻜㻝㻲㻙㻜㻝㻙㻜㻢㻿
㻭㻽㻞㻰㻠㻜㻙㻣㻡㻰
㻭㻿㻞㻞㻜㻝㻲㻙㻜㻝㻙㻜㻢㻿
㻭㻿㻞㻞㻜㻝㻲㻙㻜㻝㻙㻜㻢㻿
㻷㻽㻞㼀㻜㻢㻙㻜㻜
㻷㻽㻞㼀㻜㻢㻙㻜㻜
㻶㻢㻣㻝㻝㻝㻝㻞㻣㻭
㻶㻻㻵㻺㼀
㻷㻽㻞㼀㻜㻢㻙㻜㻜
㻷㻽㻞㼀㻜㻢㻙㻜㻜
㼀㼁㻜㻢㻜㻠㻮
㼀㼁㻜㻢㻜㻠㼅
㼀㼁㻜㻢㻜㻠㻮
㼀㼁㻜㻢㻜㻠㼅
㼀㼁㻜㻢㻜㻠㻮
㼀㼁㻜㻢㻜㻠㼅
㼀㼁㻜㻢㻜㻠㻮
㼀㼁㻜㻢㻜㻠㼅
㻴㻼㻜㻟㻙㻜㻜㻜㻜㻝㻟
㻯㼅㻸㻵㻺㻰㻱㻾
㻭㻽㻞㻮㻡㻜㻙㻡㻜㻰
㻭㻽㻞㻮㻡㻜㻙㻡㻜㻰
㻶㻢㻣㻝㻝㻝㻞㻟㻠㻭
㻿㻼㻱㻱㻰㻌㻯㻻㻺㼀㻾㻻㻸㻸㻱㻾
㻭㻿㻞㻞㻜㻝㻲㻙㻜㻞㻙㻜㻢㻿
㻭㻿㻞㻞㻜㻝㻲㻙㻜㻞㻙㻜㻢㻿
㻭㻿㻞㻞㻜㻝㻲㻙㻜㻞㻙㻜㻢㻿
㻭㻿㻞㻞㻜㻝㻲㻙㻜㻞㻙㻜㻢㻿
㻴㻼㻝㻠㻙㻜㻜㻜㻝㻥㻟
㻹㻭㻺㻵㻲㻻㻸㻰
㻰㼂㻹㻝㻙㻞㻜㻙㻜㻠㻙㻾㻡㻜㻢㻝㻙㻝
㻔㻯㼍㼞㼠㻌㼏㼘㼍㼙㼜㻌㻒㻌㻯㼡㼠㼠㼑㼞㻕
䃅㻤
䃅㻤㻮㻙㻠㻤㻜㻸
㼀㼁㻜㻤㻜㻡㻮

Page
+$1:+$
257
Air (3/7)
EXCEN PRO(M)
EXCEN PRO(D)
EXCEN PRO(L)
NO. PART NO. PART NAME Q'TY Old No. Supply Supply LT Reference
1 HP14-900109 SPEED CONTROLLER 1
2 HP06-900018 FITTING [KQ2U06-00/PY6M] 1 HP06-900152
3 HP03-000011 CYLINDER 1
4 HP06-900232 SPEED CONTROLLER 1
5 HP03-000013 CYLINDER 1
6 HP03-000012 CYLINDER 1
7 HP14-000193 SOLENOID-SY3120-04-CJQZ1776 1 EP07-000834