Excellent Modular Component Placer EXCEN Series EXCEN PRO(M)/(D)/(L) Technical Reference - 第269页
Page +$1:+$ 263 Air (6/7) EXCEN PRO(M) EXCEN PRO(D) EXCEN PRO(L) NO. PA R T N O . P ART NAME Q'TY Old No. Supply Supply L T Reference 1 HP06-900179 FITTING 1 2 HP06-000101 FITTING 1 3 FC18-000785 PLUG 1 4 FC14-90064…

Page
+$1:+$
262
EXCEN PRO(M)
EXCEN PRO(D
)
EXCEN PRO(L)
Air (6/7)
E
1
3
2
5
4
㻝㻔㻼㻕
㻟㻔㻾㻕
㻞㻔㻭㻕
㻟㻛㻤
㻟㻛㻤
㻝㻛㻠
㻝㻛㻠
㻝㻛㻤
㻟㻛㻤
䃅㻠㻮㻙㻝㻠㻜㻜㻸
䃅㻝㻞
㻹㻵㻿㼀㻌㻿㻱㻼㻭㻾㻭㼀㻻㻾㻌㻾㻱㻳
㻭㻵㻾㻌㻰㻻㼃㻺㻌㼂㻭㻸㼂㻱
㻿㻱㼀㻦㻜㻚㻡㻹㻼㼍
㻶㻢㻝㻝㻥㻝㻝㻢㻟㻭㻌
㻶㻻㻵㻺㼀
㻿㻸㻟㻛㻤
㻶㻢㻢㻝㻥㻝㻝㻝㻤㻭
㻼㻸㼁㻳
㻟㻜㻼㻹㻔㻿㼀㻱㻱㻸㻕
㻶㻢㻝㻝㻥㻝㻝㻢㻞㻭
㻿㻻㻯㻷㻱㼀
㻤㻜㻿㻺㻔㻿㼀㻱㻱㻸㻕
㻶㻢㻢㻝㻥㻝㻝㻝㻣㻭
㻼㻸㼁㻳
㻤㻜㻼㻺㻔㻿㼀㻱㻱㻸㻕
㻶㻢㻣㻜㻥㻝㻜㻟㻜㻭
㻹㻵㻿㼀㼋㻿㻱㻼㻭㻾㻭㼀㻻㻾㼋㻾㻱㻳
㻭㼃㻹㻟㻜㻙㻜㻟㻮㻰
㻶㻢㻝㻝㻥㻝㻝㻢㻡㻭
㻹㻱㼀㻱㻾
㻵㻿㻱㻟㻜㻭㻙㻯㻠㻴㻙㻺㻙㻹㻮
㻶㻢㻝㻝㻥㻝㻝㻢㻠㻭
㻶㻻㻵㻺㼀
㻷㻽㻞㻸㻜㻠㻙㻜㻝㻿
㻴㻼㻝㻟㻙㻜㻜㻜㻜㻠㻡
㼀㼁㻮㻱
㼀㼁㻝㻞㻜㻤㻮
㻶㻢㻝㻝㻥㻝㻝㻢㻢㻭
㻶㻻㻵㻺㼀
㻾㻺㼕㻟㻛㻤㼤㻝㻛㻠
㼀㼁㻜㻠㻞㻡㻮
㻶㻢㻣㻜㻟㻝㻜㻟㻝㻭
㼂㻭㻸㼂㻱
㼂㻼㻟㻠㻠㻙㻠㻰㼆㻙㻜㻞㻭
㻶㻢㻣㻜㻡㻜㻜㻡㻭
㻿㻵㻸㻱㻺㻯㻱㻾
㻭㻺㻞㻜㻟㻙㻜㻞
㻶㻢㻝㻝㻥㻝㻝㻢㻢㻭
㻶㻻㻵㻺㼀
㻾㻺㼕㻟㻛㻤㼤㻝㻛㻠
㻴㻼㻜㻥㻙㻜㻜㻜㻜㻝㻞
㻹㻭㻺㻵㻲㻻㻸㻰
㻷㻹㻝㻞㻙㻜㻤㻙㻜㻟㻙㻝㻜
㻴㻼㻜㻢㻙㻜㻜㻜㻝㻜㻝
㻲㻵㼀㼀㻵㻺㻳
㻷㻽㻞㼄㻜㻢㻙㻜㻤
㻷㻽㻞㼄㻜㻢㻙㻜㻤
㻷㻽㻞㼄㻜㻢㻙㻜㻤
㻶㻢㻣㻝㻞㻝㻜㻜㻥㻭
㻼㻸㼁㻳
㻷㻽㻞㻼㻙㻜㻤
㻶㻢㻣㻝㻞㻝㻜㻜㻥㻭
㻾㻱㻰㼁㻯㻱㻾
㻷㻽㻞㻾㻜㻢㻙㻜㻤
㻴㻼㻜㻢㻙㻜㻜㻜㻞㻡㻞
㻲㻵㼀㼀㻵㻺㻳
㻷㻽㻞㼄㻰㻜㻠㻙㻜㻢
㻹㻭㻵㻺㼋㻾㻱㻳㼋㻭㻿㻿㼅
㻭㻹㻜㻟㻙㻜㻜㻜㻜㻢㻤
㼂㻼㼋㻹㻭㻵㻺㼋㻾㻱㻳㼋㻭㻿㻿㼅
㻖㻖㻖㻖㻖㻖㻖㻖㻖㻖㻖㻖㻖㻖㻖㻖㻖
䃅㻝㻜㻮㻙㻞㻜㻜㻸
㼀㼁㻝㻜㻢㻡㻮
㻲㻯㻝㻤㻙㻜㻜㻜㻣㻤㻡
㻼㻸㼁㻳
㻷㻼㼀㻟㻤
㻷㻽㻞㻾㻜㻢㻙㻜㻤
㻷㻽㻞㼄㻰㻜㻠㻙㻜㻢
㻝㻲㻌㻲㼘㼡㼤㻌㼁㼚㼕㼠㻔㼛㼜㻕
㻞㻲㻌㻲㼘㼡㼤㻌㼁㼚㼕㼠㻔㼛㼜㻕
䃅㻢㻮㻙㻞㻜㻜㻜㻸
䃅㻢㻮㻙㻞㻜㻜㻜㻸
㼀㼁㻜㻢㻜㻠㻮
㼀㼁㻜㻢㻜㻠㻮
㻶㻢㻣㻝㻝㻝㻝㻢㻡㻭
㻲㻵㼀㼀㻵㻺㻳
㻷㻯㻱㻜㻢㻙㻜㻜
㻷㻯㻱㻜㻢㻙㻜㻜
㻝㻾㻌㻲㼘㼡㼤㻌㼁㼚㼕㼠㻔㼛㼜㻕
㻞㻾㻌㻲㼘㼡㼤㻌㼁㼚㼕㼠㻔㼛㼜㻕
䃅㻢㻮㻙㻣㻜㻜㻸
䃅㻢㻮㻙㻣㻜㻜㻸
㼀㼁㻜㻢㻜㻠㻮
㼀㼁㻜㻢㻜㻠㻮
㻷㻯㻱㻜㻢㻙㻜㻜
㻷㻯㻱㻜㻢㻙㻜㻜
䃅㻢㻮㻙㻝㻞㻜㻜㻸
㼀㼁㻜㻢㻜㻠㻮
䃅㻢㻮㻙㻝㻞㻜㻜㻸
㼀㼁㻜㻢㻜㻠㻮
䃅㻤㻮㻙㻟㻜㻜㻸
㼀㼁㻜㻤㻜㻡㻮
6
7
8
9
10
8
12
13
14
15
16
19
11
17
18

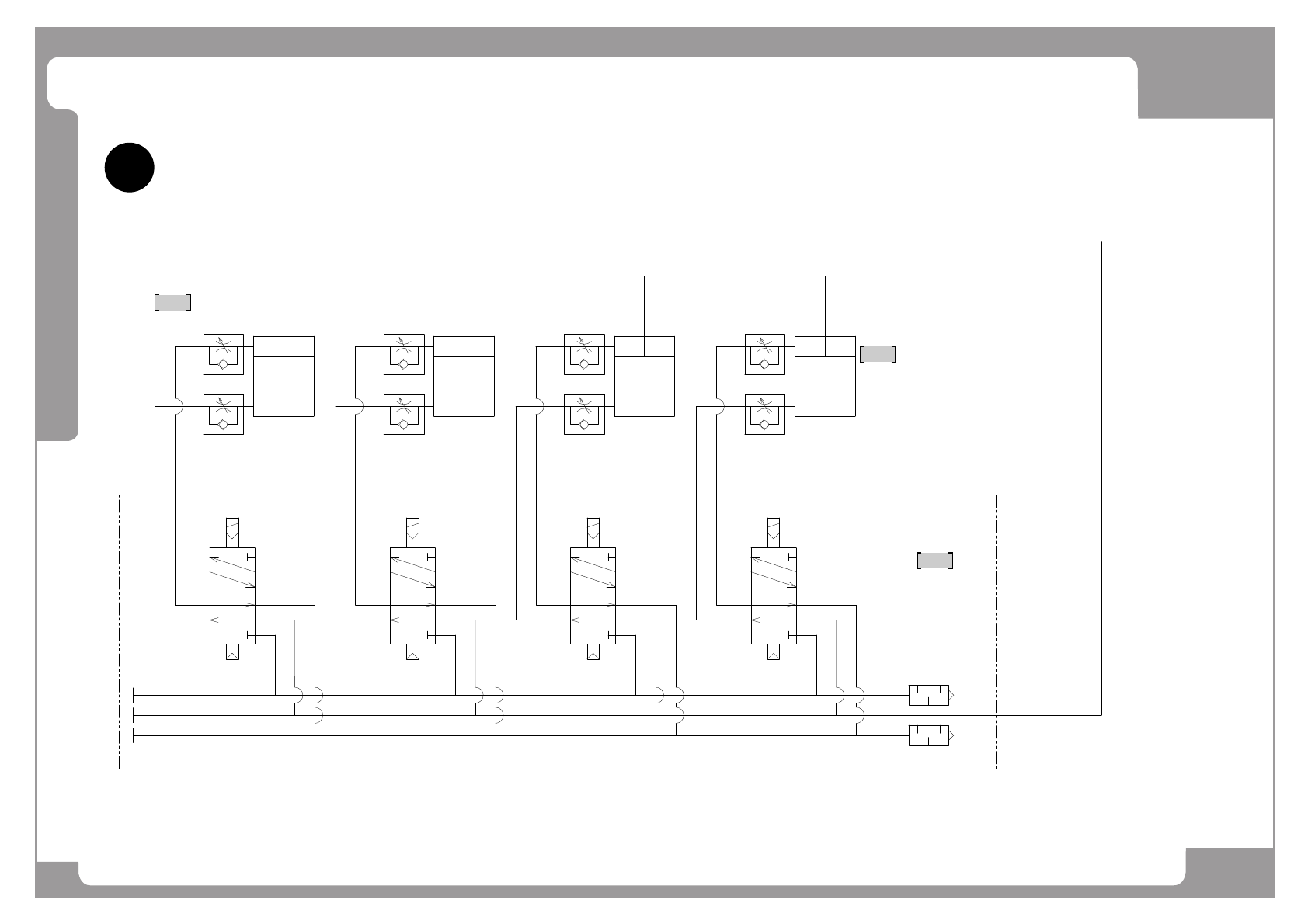
Page
+$1:+$
263
Air (6/7)
EXCEN PRO(M)
EXCEN PRO(D)
EXCEN PRO(L)
NO. PART NO. PART NAME Q'TY Old No. Supply Supply LT Reference
1 HP06-900179 FITTING 1
2 HP06-000101 FITTING 1
3 FC18-000785 PLUG 1
4 FC14-900644 PLUG 1
5 HP06-000252 FITTING 1
6 FC14-900644 REDUCER 1
7 HP09-000012 MANIFOLD 1
8 HP06-900042 JOINT 1
9 HP14-900110 VALVE 1
10 HP06-900041 JOINT 1
11 TE07-900094 METER 1
12 HP09-900164 SILENCER 1
13 HP09-900133 MIST_SEPARATOR_REG 1
14 HP13-000045 TUBE 1
15 HP06-900040 JOINT 1
16 EP05-900319 PLUG 1
19 AM03-000068 VP_MAIN_REG_ASSY 1

Page
+$1:+$
264
EXCEN PRO(M)
EXCEN PRO(D
)
EXCEN PRO(L)
Air (7/7)
F
1
2
3
㻡㻔㻱㻭㻕
㻟㻔㻱㻮㻕
㻞㻔㻮㻕
㻠㻔㻭㻕
䃅㻠
䃅㻠
䃅㻤
㻭㻺㻯⏝
㻞㻔㻮㻕
㻠㻔㻭㻕
䃅㻠
䃅㻠
㻞㻔㻮㻕
㻠㻔㻭㻕
䃅㻠
䃅㻠
㻞㻔㻮㻕
㻠㻔㻭㻕
䃅㻠
䃅㻠
㻝㻲
㻭㻺㻯
㻝㻾
㻭㻺㻯
㻞㻲
㻭㻺㻯
㻞㻾
㻭㻺㻯
䃅㻤㻮㻙㻣㻞㻜㻸
䃅㻠㼅㻙㻟㻜㻜㻜㻸
䃅㻠㼅㻙㻝㻤㻜㻜㻸
䃅㻠㼅㻙㻞㻢㻜㻜㻸
䃅㻠㼅㻙㻝㻣㻜㻜㻸
䃅㻠㻮㻙㻟㻜㻜㻜㻸
䃅㻠㻮㻙㻝㻤㻜㻜㻸
䃅㻠㻮㻙㻞㻢㻜㻜㻸
䃅㻠㻮㻙㻝㻣㻜㻜㻸
㼀㼁㻜㻤㻜㻡㻮
㻴㻼㻝㻠㻙㻜㻜㻜㻝㻥㻞
㻹㻭㻺㻵㻲㻻㻸㻰
㻰㼂㻹㻝㻙㻞㻜㻙㻜㻠㻙㻾㻡㻜㻢㻝
㼀㼁㻜㻠㻞㻡㻮
㼀㼁㻜㻠㻞㻡㻮
㼀㼁㻜㻠㻞㻡㻮
㼀㼁㻜㻠㻞㻡㻮
㼀㼁㻜㻠㻞㻡㼅
㼀㼁㻜㻠㻞㻡㼅
㼀㼁㻜㻠㻞㻡㼅
㼀㼁㻜㻠㻞㻡㼅
㻶㻢㻣㻜㻟㻝㻜㻟㻞㻭
㻿㻼㻱㻱㻰㻌㻯㻻㻺㼀㻾㻻㻸㻸㻱㻾
㻭㻿㻝㻞㻜㻝㻲㻙㻹㻟㻙㻜㻠㻿
㻭㻿㻝㻞㻜㻝㻲㻙㻹㻟㻙㻜㻠㻿
㻭㻿㻝㻞㻜㻝㻲㻙㻹㻟㻙㻜㻠㻿
㻭㻿㻝㻞㻜㻝㻲㻙㻹㻟㻙㻜㻠㻿
㻭㻿㻝㻞㻜㻝㻲㻙㻹㻟㻙㻜㻠㻿
㻭㻿㻝㻞㻜㻝㻲㻙㻹㻟㻙㻜㻠㻿
㻭㻿㻝㻞㻜㻝㻲㻙㻹㻟㻙㻜㻠㻿
㻭㻿㻝㻞㻜㻝㻲㻙㻹㻟㻙㻜㻠㻿
㻶㻢㻣㻜㻝㻝㻝㻞㻝㻭
㻯㼅㻸㻵㻺㻰㻱㻾
㻯㻰㼁㻶㻮㻝㻜㻙㻤㻰㻹㻙㻲㻤㻺㻿
㻯㻰㼁㻶㻮㻝㻜㻙㻤㻰㻹㻙㻲㻤㻺㻿㻯㻰㼁㻶㻮㻝㻜㻙㻤㻰㻹㻙㻲㻤㻺㻿㻯㻰㼁㻶㻮㻝㻜㻙㻤㻰㻹㻙㻲㻤㻺㻿
㻝㻔㻼㻕