Excellent Modular Component Placer EXCEN Series EXCEN PRO(M)/(D)/(L) Technical Reference - 第275页
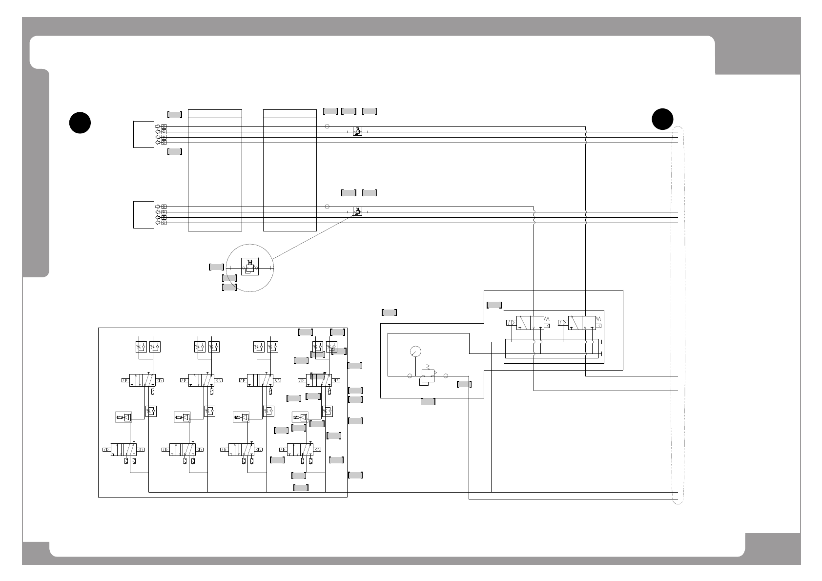
Page +$1:+$ 269 Air (2/5) - EXCEN PRO(D) Standard EXCEN PRO(M) EXCEN PRO(D) EXCEN PRO(L) NO. P ART N O. P ART NAME Q'TY Old No. Supply Supply L T Reference 1 FC14-000258 COUPLER-COUP LER_KK3S-08E ;KK3S-08E 1 2 FC14-…

Page
+$1:+$
268
EXCEN PRO(M)
EXCEN PRO(D
)
EXCEN PRO(L)
Air (2/5) - EXCEN PRO(D) Standard
9
12
11
10
9
20
21
22
17
9
9
12
9
9
19
13 13
18
11
15
13
14
16
6
7
8 8
X-AXIS CABLEVEYOR Y-AXIS CABLEVEYOR
2R-HEAD
1F-HEAD
KK2S-04E
ĭ</
TU0425B
ĭ%+3)&⏝)
ĭ:9DFXXP
ĭ%8+33LORW⏝䠅
ĭ<%/2:
KK2S-04E
KK2S-04E
KK2S-04E
ĭ</
TU0425B
ĭ:/
78:
ĭ:/
78:
FC14-000258
&283/(5
KK3S-08E
KK3S-08E
KK2S-04E
FC14-000257
&283/(5
KK2S-04E
ĭ%+3)&⏝)
ĭ:9DFXXP
ĭ%8+33LORW⏝䠅
ĭ<%/2:
+3
FITTING
KQ2H8-10
KQ2H8-10
ĭ
6(703D
ĭ%/
ĭ
&OHDQLQJ%ORZ
+3
REGULATOR
AR20-02BG-1RY
+3
FITTING
KQ2L06-02S
KQ2L06-02S
TU0604B
NOZZLE CLEAN㟝
AM03-004068B
V1_CLEANING_%/2:_ASSY
+3
78%(B&$3
KQ2C04-00
+3
78%(B&$3
KQ2C04-00
+3
78%(B&$3
KQ2C04-00
+3
78%(B&$3
KQ2C04-00
%
$
3
%
$
3
%
$
3
%
$
3
%
$
3
%
$
3
%
$
3
%
$
3
+3
VALV E
SY3220-5MZ-M5
+3
VALV E
SY3220-5MZ-M5
+3
EJECTOR
ZU07S
+3
AS1002F-04
+3
AN05-M5
+3
AN05-M5
+3
AN05-M5
+3
AS1211F-M5-04
+3
KQ2S06-M5A
FC14-900645
.43
+3
KQ2S06-M5A
FC14-900645
.43
+3
KQ2S06-M5A
+3
AS1211F-M5-04
+3
KQ2S06-M5A
+3
KQ2S06-M5A
+3
KQ2S06-M5A
+3
KQ2UD04-06A
+3
KQ2T06-00
+3
KQ2S04-M5
+3
KQ2T06-04
ĭ<
ĭ%
ĭ<
1F
2R
A
R
3
3E
A
R
3
3E
3E
3
RR
ĭ%/
TU10605B
ĭ%/
TU10605B
AM03-000069
93B&/($1,1*B9$/9(B$66<
$5&-3=
(3
ELECTRIC_REGULATOR
ITV1030-211N-X154
+3
FILTER
EBKX-L7004-120
+3
JOINT
KQ2L04-01S
KQ2L04-01S
A
A-B
1
3 4 4
4 4
5
2

Page
+$1:+$
269
Air (2/5) - EXCEN PRO(D) Standard
EXCEN PRO(M)
EXCEN PRO(D)
EXCEN PRO(L)
NO. PART NO. PART NAME Q'TY Old No. Supply Supply LT Reference
1 FC14-000258 COUPLER-COUPLER_KK3S-08E;KK3S-08E 1
2 FC14-000257 COUPLER-COUPLER_KK2S-04E;KK2S-04E 3
3 HP06-000260 FITTING-KQ2H8-10;KQ2H8-10,STRAIGHT TYPE 2
4 HP06-900091 FITTING_TUBE_CAP KQ2C04-00A 4
5 HP06-900041 JOINT KQ2L04-01S 4
6 EP07-000344 REGULATOR,ELECTRIC-ITV1030-211N-X154_SMC 2
7 HP04-000160 FILTER,AIR-EBKX-L7004-120_SMC 2
8 HP14-900088 SPEED CONTROLLER[AS1211F-M5-04] 2
9 HP06-900117 FITTING KQ2S06-M5 24
10 HP06-000348 FITTING-KQ2UD04-06A;UNION,ONE TOUCH,6-4 4
11 HP14-000976 VALVE,SOLENOID-VALVE;TC,AD,PRESSURE,M5 8
12 FC14-900645 PLUG KQ2P-06 8
13 HP09-000219 SILENCER-AN05-M5;THREAD 12
14 HP06-000074 FITTING-STRAIGHT FITTING;KQ2S04-M5N,ONET 4
15 HP11-900096 VACUUM_GENERATOR ZU07S 4
16 HP06-000267 FITTING-AS1002F-04;SPEED CONTROLLER 4
17 AM03-000069 ASSY,AIR-VP_CLEALING_VALVE_ASSY 1
18 HP06-000230 FITTING-KQ2T06-04;ONE_TOUCH,T,8 4
19 HP06-000347 FITTING-KQ2T06-00A;TEE,ONE TOUCH,6 4
20 AM03-004068B ASSY,AIR-V1_CLEANNING_BLOW_ ASSY 1
21 HP09-000105 REGULATOR-REGULATOR;AR20-02BG-1RY,0.2MPA 1
22 HP06-900104 FITTING KQ2L06-02S 1

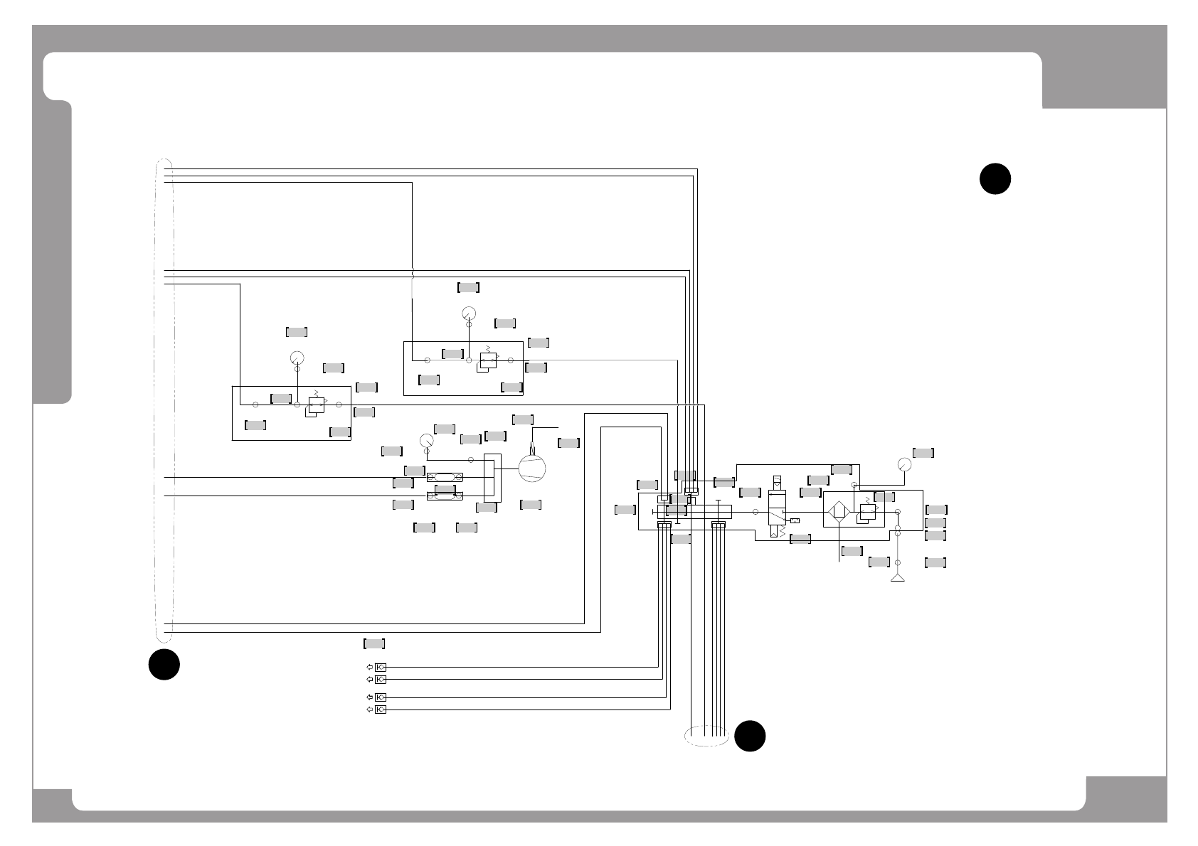
Page
+$1:+$
270
EXCEN PRO(M)
EXCEN PRO(D
)
EXCEN PRO(L)
Air (3/5) - EXCEN PRO(D) Standard
20
21
21
23
24
23
26
27
28
29
30
31
34
35
32
33
25
21
22
15
16
17
18
19
B
B-A
B-D
ĭ</
TU0425B
Vacuum䚷Pump
3/8
HP11-000059
PUMP
KHA400A-301-G1
TE07-900096
METER
GZ46-K-01-C1
HP06-900043
JOINT
KQ2F04-01
ĭ:/
78:
HP06-900125
JOINT
KQ2VT08-03S
HP06-900046
JOINT
KQ2R04-08
MC21-000022
FC28-000110
HP06-000258
FC28-000110
HP06-000259
MC21-000022
TANK
AIR-CRVZS-2
FC28-000110
NUT
NPFB-R-G12-G14-MF
HP06-000258
JOINT
46/
FC28-000110
NUT
NPFB-R-G12-G14-MF
HP06-000259
JOINT
46/10
FC28-000105
STRAIGHT
1,33/(
M3/8-ID9.5
HP13-000042
1[0:
1000mm
ĭ:/
TU0805:
ĭ:/
TU0805:
1(P)
3(R)
2(A)
3/8
3/8
1/4
1/4
1/8
3/8
ĭ%/
ĭ
MIST SEPARATOR REG
$,5'2:19$/9(
SET:0.5MPa
HP06-900040
JOINT
6/
EP05-900319
3/8*
3067((/
FC14-900821
SOCKET
6167((/
EP05-900318
3/8*
3167((/
HP09-900133
MIST_SEPARATOR_REG
$:0%'
HP09-000150
METER
SPABT-P10-R18-2N-K1-SA
HP06-000278
JOINT
QS-E-M5-4-I-C
HP13-000045
TUBE
TU1208B
HP06-900042
JOINT
RNi3/8x1/4
TU0425B
HP14-900110
9$/9 (
VP344-4DZ-02A
HP09-900164
6,/(1&(5
AN203-02
HP06-900042
JOINT
RNi3/8x1/4
HP09-000012
0$1,)2/'
KM12-08-03-10
HP06-000101
FITTING
KQ2X06-08
KQ2XD06-08
FC14-900644
REDUCER
KQ2R06-08
HP06-000253
FITTING
KQ2XD04-06
0$,1B5(*B$66<
AM03-001112
93B0$,1B5(*B$66<
$:0%'&-8=
ĭ%/
TU1065B
FC18-000785
3/8*
KPT38
1F Flux Unit(op)
2F Flux Unit(op)
ĭ%/
ĭ%/
TU0604B
TU0604B
HP06-900179
FITTING
KCE06-00
KCE06-00
1R Flux Unit(op)
2R Flux Unit(op)
ĭ%/
ĭ%/
TU0604B
TU0604B
KCE06-00
KCE06-00
ĭ:/
TU106:
ĭ:/
TU106:
ĭ%/
TU0604B
ĭ%/
TU0604B
ĭ%/
TU0425B
ĭ%8/
TU0425B
ĭ%8/
TU0425B
ĭ%/
TU0425B
ĭ</
TU0425B
ĭ%/
TU0805B
ĭ%/
TU0805B
KQ2XD06-08
FC14-900644
3/8*
KQ2P-08
FC14-900644
3/8*
KQ2P-08
ĭ%8/
1/4
1/4
SET䡟䡶0.15MPa
Mount Blow
HP06-900276
JOINT
.4/6
HP09-000104
5(*8/$725
$53%5<
HP06-900041
JOINT
.4/6
TE07-000100
METER
G46-2-01-C1
HP06-000408
JOINT
.4/$6
TU0425B
HP06-900043
JOINT
KQ2F04-01
%/2:B5(*B$66<
AM03-001113
93B%/2:B5(*B$66<
ARP20-02-CJUZ0204
ĭ</
1/4
1/4
SET䡟䡶0.15MPa
Mount Blow
HP06-900276
JOINT
.4/6
HP09-000104
5(*8/$725
$53%5<
HP06-900041
JOINT
.4/6
TE07-000100
METER
G46-2-01-C1
HP06-000408
JOINT
.4/$6
TU0425B
HP06-900043
JOINT
KQ2F04-01
%/2:B5(*B$66<
AM03-001113
93B%/2:B5(*B$66<
ARP20-02-CJUZ0204
1
2
3
4
4
5
6
7
2
8
9
10
11
12
13
14
13
14 14
1
2
3
5
6
7