Excellent Modular Component Placer EXCEN Series EXCEN PRO(M)/(D)/(L) Technical Reference - 第284页
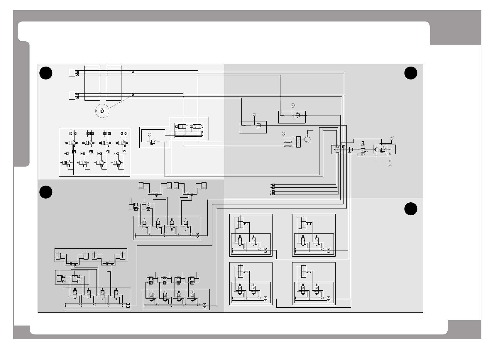
Page +$1:+$ 278 EXCEN PRO(M) EXCEN PRO(D ) EXCEN PRO(L) Air (1/5) - EXCEN PRO(D) Extension X-AXIS CABLEVEYOR Y-AXIS CABLEVEYOR 2R-HEAD 1F-HEAD KK2S-04E ĭ</ 78% ĭ%+3)& ⏝ ) ĭ:9DFXXP ĭ%8+33LORW ⏝䠅…

Page
+$1:+$
277
Air (5/5) - EXCEN PRO(D) Standard
EXCEN PRO(M)
EXCEN PRO(D)
EXCEN PRO(L)
NO. PART NO. PART NAME Q'TY Old No. Supply Supply LT Reference
1 HP03-001025 CYLINDER-CQ2A25-40-CJTC1033;1.0MPA,40MM 1
2 HP14-002037 VALVE,SOLENOID-SS5Y3-20-CJTZ1112 1

Page
+$1:+$
278
EXCEN PRO(M)
EXCEN PRO(D
)
EXCEN PRO(L)
Air (1/5) - EXCEN PRO(D) Extension
X-AXIS CABLEVEYOR Y-AXIS CABLEVEYOR
2R-HEAD
1F-HEAD
KK2S-04E
ĭ</
78%
ĭ%+3)&⏝)
ĭ:9DFXXP
ĭ%8+33LORW⏝䠅
ĭ<%/2:
KK2S-04E
KK2S-04E
KK2S-04E
ĭ</
78%
ĭ:/
78:
ĭ:/
78:
)&
&283/(5
..6(
KKS-0E
KK2S-04E
)&
&283/(5
KK2S-04E
ĭ%+3)&⏝)
ĭ:9DFXXP
ĭ%8+33LORW⏝䠅
ĭ<%/2:
+3
FITTING
.4+
.4+
(3
ELECTRIC_REGULATOR
,791;
+3
FILTER
(%.;/
+3
JOINT
KQ2L04-01S
KQ2L04-01S
ĭ
6(703D
ĭ%/
ĭ
&OHDQLQJ%ORZ
+3
REGULATOR
AR20-02BG-1RY
+3
FITTING
.4/6
.4/6
78%
NOZZLE CLEAN㟝
$0%
V1_CLEANING_%/2:_ASSY
1F
2R
A
R
3
3E
A
R
3
3E
3E
3
RR
ĭ</
78%
9DFXXP䚷3XPS
+3
3803
.+$$*
7(
0(7(5
*=.&
+3
JOINT
KQ2F04-01
ĭ:/
78:
+3
JOINT
.4976
+3
JOINT
.45
0&
)&
+3
)&
+3
0&
TANK
AIR-CRVZS-2
)&
NUT
13)%5**0)
+3
JOINT
46/
)&
NUT
13)%5**0)
+3
JOINT
QSL14-10
)&
STRAIGHT
1,33/(
0,'
+3
1[0:
1000PP
ĭ:/
TU0:
ĭ:/
TU0:
3
5
$
ĭ%/
ĭ
0,676(3$5$7255(*
$,5'2:19$/9(
6(703D
+3
JOINT
6/
(3
3/8*
3067((/
)&
SOCKET
6167((/
(3
3/8*
3167((/
+3
0,67B6(3$5$725B5(*
$:0%'
+3
0(7(5
63$%7351.6$
+3
JOINT
46(0,&
+3
TUBE
78%
+3
JOINT
51L[
78%
+3
VALVE
93'=$
+3
SILENCER
$1
+3
JOINT
51L[
+3
0$1,)2/'
.0
+3
FITTING
.4;
.4;'
)&
REDUCER
.45
+3
FITTING
.4;'
0$,1B5(*B$66<
$0
93B0$,1B5(*B$66<
$:0%'&-8=
ĭ%/
78%
)&
3/8*
.37
($
(%
%
$
ĭ
ĭ
ĭ
ANC⏝
3
($
(%
%
$
ĭ
ĭ
1_SECTION
%
$
ĭ
ĭ
%
$
ĭ
ĭ
%
$
ĭ
ĭ
%
$
ĭ
ĭ
%
$
ĭ
ĭ
%
$
ĭ
ĭ
1F
&$57B&/$03
2F
&$57B&/$03
1F
7$3(B&877(5
2F
7$3(B&877(5
($
%
$
ĭ
ĭ
%
$
ĭ
ĭ
%
$
ĭ
ĭ
%
$
ĭ
ĭ
1F
ANC
1R
ANC
2F
ANC
2R
ANC
2_SECTION
1R
&$57B&/$03
2R
&$57B&/$03
1R
7$3(B&877(5
2R
7$3(B&877(5
ĭ%/
ĭ%/
ĭ%/
ĭ<
ĭ<
ĭ</
ĭ</
ĭ</
ĭ</
ĭ%/
ĭ%/
ĭ</
ĭ</
ĭ%/
ĭ</
ĭ</
ĭ</
ĭ%/
ĭ</
ĭ%/
ĭ</
ĭ%
ĭ%
ĭ<
ĭ<
ĭ%
ĭ%
ĭ%/
ĭ%/
ĭ%/
ĭ%/
ĭ%/
ĭ</
ĭ<
ĭ<
ĭ%
ĭ%
ĭ<
ĭ<
ĭ%
ĭ%
78%
+3
0$1,)2/'
'905
78%
78%
78%
78%
78<
78<
78<
78<
+3
63(('&21752//(5
$6)06
$6)06
$6)06
$6)06
$6)06
$6)06
$6)06
$6)06
+3
0$1,)2/'
'905
78%
78<
78%
78<
78%
78<
78%
78<
+3
JOINT
.47
.47
.47
.47
+3
CYLINDER
$'4''
+3
CYLINDER
$4''
$4''
$'4''
+3
CYLINDER
$'4''
+3
CYLINDER
$4''
$'4''
$4''
.47
.47
-$
JOINT
.47
.47
78%
78<
78%
78<
78%
78<
78%
78<
+3
CYLINDER
$4%'
$4%'
+3
63(('&21752//(5
$6)6
$6)6
$6)6
$6)6
+3
CYLINDER
$4%'
$4%'
-$
63(('&21752//(5
$6)6
$6)6
$6)6
$6)6
+3
0$1,)2/'
'905
+3
CYLINDER
&'8-%'0)16
&'8-%'0)16&'8-%'0)16&'8-%'0)16
3
3
&DUWFODPS&XWWHU
ĭ
&DUWFODPS&XWWHU
ĭ
䐟
䐠
))OX[8QLWRS
))OX[8QLWRS
ĭ%/
ĭ%/
78%
78%
+3
FITTING
.&(
.&(
5)OX[8QLWRS
5)OX[8QLWRS
ĭ%/
ĭ%/
78%
78%
.&(
.&(
ĭ%/
78%
ĭ%/
78%
ĭ%/
TU%
ĭ%/
TU%
ĭ:/
TU:
ĭ:/
TU:
ĭ%/
78%
ĭ%/
78%
ĭ%/
78%
ĭ%8/
78%
ĭ%8/
78%
ĭ%/
78%
ĭ%8/
SET䡟䡶0.10 3D
0RXQW%ORZ
+3
JOINT
.4/6
+3
REGULATOR
$53%5<
+3
JOINT
KQ2L04-01S
7(
0(7(5
*&
+3
JOINT
KQ2L04-02AS
78%
+3
JOINT
KQ2F04-01
%/2:B5(*B$66<
$0
93B%/2:B5(*B$66<
$53&-UZ0204
ĭ</
78%
ĭ%/
78%
ĭ%/
78%
$0
93B&/($1,1*B9$/9(B$66<
$5&-3=
+3
78%(B&$3
KQ2C04-00
+3
78%(B&$3
KQ2C04-00
+3
78%(B&$3
KQ2C04-00
+3
78%(B&$3
KQ2C04-00
%
$
3
%
$
3
%
$
3
%
$
3
%
$
3
%
$
3
%
$
3
%
$
3
+3
VALVE
6<0=0
+3
VALVE
6<0=0
+3
EJECTOR
=86
+3
AS1002F-04
+3
$10
+3
$10
+3
$10
+3
$6)0
+3
.460$
)&
.43
+3
.460$
-$
.43
+3
.460$
+3
$6)0
+3
.460$
+3
.460$
+3
.460$
+3
.48'$
+3
.47
+3
.460
+3
.47
ĭ<
ĭ%
ĭ<
($
(%
%
$
ĭ
BUT⏝
%
$
ĭ
ĭ
+3
6ROYDOYH$VV\
66<&-7=
3
ĭ
+3
CYLINDER
&4$&-7&
1R BUT
($
(%
%
$
ĭ
BUT⏝
%
$
ĭ
ĭ
+3
6ROYDOYH$VV\
66<&-7=
3
ĭ
+3
CYLINDER
&4$&-7&
2R BUT
($
(%
%
$
ĭ
BUT⏝
%
$
ĭ
ĭ
+3
6ROYDOYH$VV\
66<&-7=
3
ĭ
+3
CYLINDER
&4$&-7&
1F BUT
($
(%
%
$
ĭ
BUT⏝
%
$
ĭ
ĭ
+3
6ROYDOYH$VV\
66<&-7=
3
ĭ
+3
CYLINDER
&4$&-7&
2F BUT
ĭ%/
78%
ĭ%/
78%
ĭ%/
78%
ĭ%/
78%
.4;'
)&
3/8*
.43
ĭ</
SET䡟䡶0.10 3D
0RXQW%ORZ
+3
JOINT
.4/6
+3
REGULATOR
$53%5<
+3
JOINT
KQ2L04-01S
7(
0(7(5
*&
+3
JOINT
KQ2L04-02AS
78%
+3
JOINT
KQ2F04-01
%/2:B5(*B$66<
$0
93B%/2:B5(*B$66<
$53&-UZ0204
A
C
B
D

Page
+$1:+$
279
EXCEN PRO(M)
EXCEN PRO(D)
EXCEN PRO(L)