Excellent Modular Component Placer EXCEN Series EXCEN PRO(M)/(D)/(L) Technical Reference - 第289页
Page +$1:+$ 283 Air (3/5) - EXCEN PRO(D) Extension EXCEN PRO(M) EXCEN PRO(D) EXCEN PRO(L) NO. P ART N O. P ART NAME Q'TY Old No. Supply Supply L T Reference 1 TE07-000100 GAUGE,P RESSURE-METER 1 2 HP06-900043 JOINT …

Page
+$1:+$
282
EXCEN PRO(M)
EXCEN PRO(D
)
EXCEN PRO(L)
Air (3/5) - EXCEN PRO(D) Extension
20
21
21
23
24
23
26
27
28
29
30
31
34
35
32
33
25
21
22
15
16
17
18
19
B
B-A
B-D
ĭ</
TU0425B
Vacuum䚷Pump
3/8
HP11-000059
PUMP
KHA400A-301-G1
TE07-900096
METER
GZ46-K-01-C1
HP06-900043
JOINT
KQ2F04-01
ĭ:/
78:
HP06-900125
JOINT
KQ2VT08-03S
HP06-900046
JOINT
KQ2R04-08
MC21-000022
FC28-000110
HP06-000258
FC28-000110
HP06-000259
MC21-000022
TANK
AIR-CRVZS-2
FC28-000110
NUT
NPFB-R-G12-G14-MF
HP06-000258
JOINT
46/
FC28-000110
NUT
NPFB-R-G12-G14-MF
HP06-000259
JOINT
46/10
FC28-000105
STRAIGHT
1,33/(
M3/8-ID9.5
HP13-000042
1[0:
1000mm
ĭ:/
TU0805:
ĭ:/
TU0805:
1(P)
3(R)
2(A)
3/8
3/8
1/4
1/4
1/8
3/8
ĭ%/
ĭ
MIST SEPARATOR REG
$,5'2:19$/9(
SET:0.5MPa
HP06-900040
JOINT
6/
EP05-900319
3/8*
3067((/
FC14-900821
SOCKET
6167((/
EP05-900318
3/8*
3167((/
HP09-900133
MIST_SEPARATOR_REG
$:0%'
HP09-000150
METER
SPABT-P10-R18-2N-K1-SA
HP06-000278
JOINT
QS-E-M5-4-I-C
HP13-000045
TUBE
TU1208B
HP06-900042
JOINT
RNi3/8x1/4
TU0425B
HP14-900110
9$/9 (
VP344-4DZ-02A
HP09-900164
6,/(1&(5
AN203-02
HP06-900042
JOINT
RNi3/8x1/4
HP09-000012
0$1,)2/'
KM12-08-03-10
HP06-000101
FITTING
KQ2X06-08
KQ2XD06-08
FC14-900644
REDUCER
KQ2R06-08
HP06-000253
FITTING
KQ2XD04-06
0$,1B5(*B$66<
AM03-001112
93B0$,1B5(*B$66<
$:0%'&-8=
ĭ%/
TU1065B
FC18-000785
3/8*
KPT38
1F Flux Unit(op)
2F Flux Unit(op)
ĭ%/
ĭ%/
TU0604B
TU0604B
HP06-900179
FITTING
KCE06-00
KCE06-00
1R Flux Unit(op)
2R Flux Unit(op)
ĭ%/
ĭ%/
TU0604B
TU0604B
KCE06-00
KCE06-00
ĭ:/
TU106:
ĭ:/
TU106:
ĭ%/
TU0604B
ĭ%/
TU0604B
ĭ%/
TU0425B
ĭ%8/
TU0425B
ĭ%8/
TU0425B
ĭ%/
TU0425B
ĭ</
TU0425B
ĭ%/
TU0805B
ĭ%/
TU0805B
KQ2XD06-08
FC14-900644
3/8*
KQ2P-08
FC14-900644
3/8*
KQ2P-08
ĭ%8/
1/4
1/4
SET䡟䡶0.15MPa
Mount Blow
HP06-900276
JOINT
.4/6
HP09-000104
5(*8/$725
$53%5<
HP06-900041
JOINT
.4/6
TE07-000100
METER
G46-2-01-C1
HP06-000408
JOINT
.4/$6
TU0425B
HP06-900043
JOINT
KQ2F04-01
%/2:B5(*B$66<
AM03-001113
93B%/2:B5(*B$66<
ARP20-02-CJUZ0204
ĭ</
1/4
1/4
SET䡟䡶0.15MPa
Mount Blow
HP06-900276
JOINT
.4/6
HP09-000104
5(*8/$725
$53%5<
HP06-900041
JOINT
.4/6
TE07-000100
METER
G46-2-01-C1
HP06-000408
JOINT
.4/$6
TU0425B
HP06-900043
JOINT
KQ2F04-01
%/2:B5(*B$66<
AM03-001113
93B%/2:B5(*B$66<
ARP20-02-CJUZ0204
1
2
3
4
4
5
6
7
2
8
9
10
11
12
13
14
13
14 14
1
2
3
5
6
7

Page
+$1:+$
283
Air (3/5) - EXCEN PRO(D) Extension
EXCEN PRO(M)
EXCEN PRO(D)
EXCEN PRO(L)
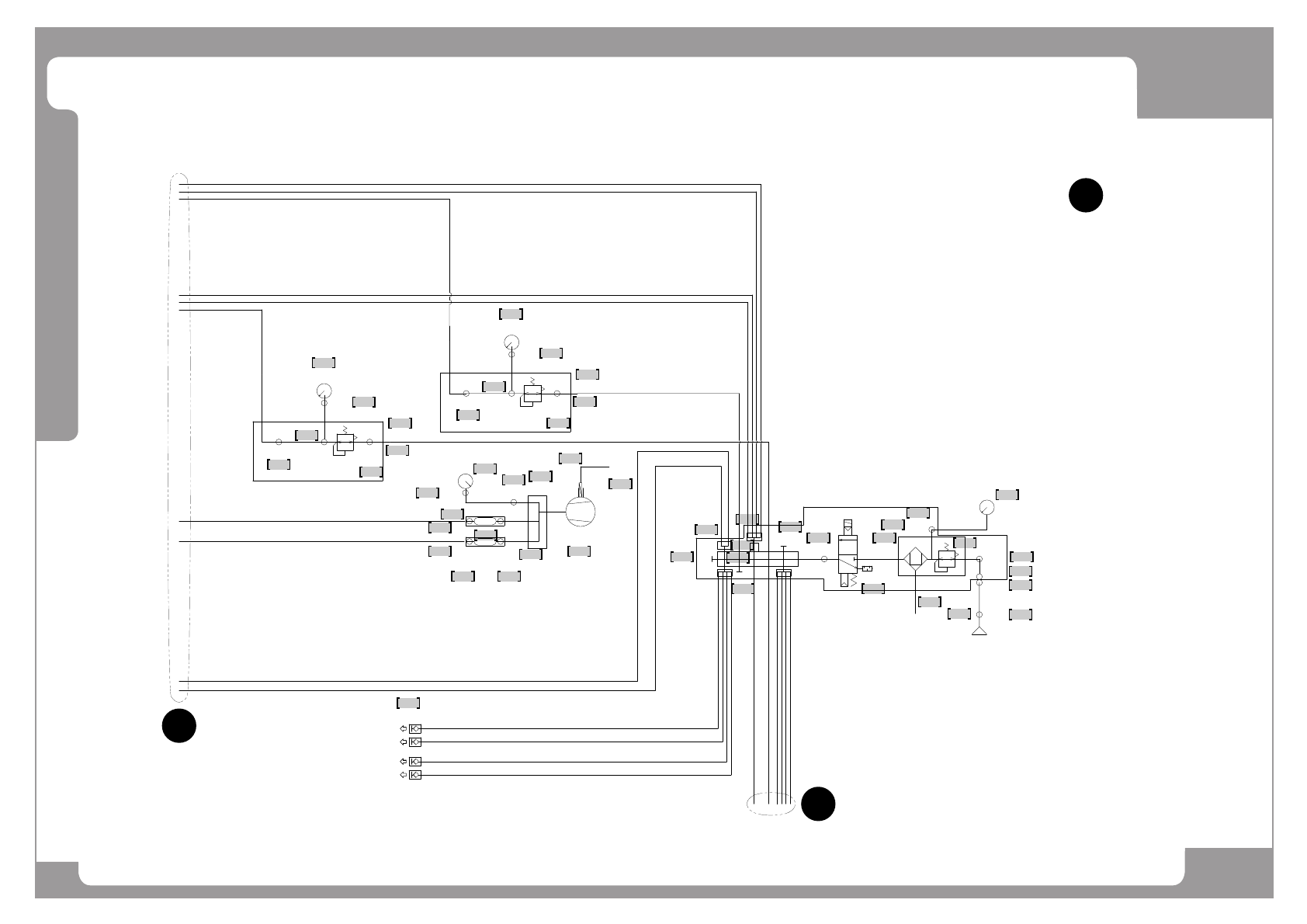
NO. PART NO. PART NAME Q'TY Old No. Supply Supply LT Reference
1 TE07-000100 GAUGE,PRESSURE-METER 1
2 HP06-900043 JOINT KQ2F04-01 1
3 AM03-001113 ASSY,AIR-MTED_BLOWREG_ARP20-02-CJUZ0204 1
4 HP06-000408 FITTING-KQ2L04-02AS 1
5 HP06-900041 JOINT KQ2L04-01S 4
6 HP09-000104 REGULATOR-REGULATOR;ARP20-02B-RY,0.2MPA 1
7 HP06-900276 FITTING [KQ2L08-02S] 1
8 TE07-900096 METER GZ46-K-01-C1 1
9 HP06-900046 JOINT KQ2R04-08 2
10 HP06-900125 FITTING KQ2VT08-03S 2
11 HP13-000042 TUBE-NYLON TUBE N2-4-12x9-MW;12,OD12/ID9 2
12 FC28-000105 NIPPLE-STRAIGHT NIPPLE M3/8-ID9.5;BRASS 1
13 HP06-000259 FITTING-QSL-14-10;ELBOW TYPE,QSL-14-10 2
14 FC28-000110 NIPPLE-NPFB-R-G12-G14-MF 4
15 MC21-000022 TANK,AIR-CRVZS-2 2
16 HP06-000258 FITTING-QSL-14-8;ELBOW TYPE,QSL-14-8,8 2
17 HP11-000059 PUMP-PUMP KHA400A-301-G1 1
18 HP06-000101 FITTING;KQ2X06-08,ONETOUCH,?6x?8 1
19 FC18-000785 PLUG-KPT38;STS,HEX,RC3/8,10,WHT,RC3/8,WH 1
20 HP06-000253 FITTING-PLUG;KQ2XD04-06 1
21 FC14-900644 PLUG KQ2P-08 1
22 HP09-000012 MANIFOLD-MANIFOLD_KM12-08-03-10;ET1:ETC. 1
23 HP06-900042 JOINT RNi3/8x1/4 1
24 HP14-900110 VALVE VP344-4DZ1-02A 1
25 HP06-000278 FITTING-QS-E-M5-4-I-C;Straight Fitting 1
26 HP09-900164 SILENCER [AN20-02] 1
27 HP09-000150 COMPONENTS,ELECTRIC-SPABT-P10-R18-2N-K1- 1
28 HP06-900040 JOINT SL3/8 1
29 AM03-001112 ASSY,AIR-MTED-MAINREG_AWM3003BDCJUZ0183 1
30 EP05-900319 PLUG 30PM 1
31 FC14-900821 SOCKET 80SN 1

Page
+$1:+$
284
Air (3/5) - EXCEN PRO(D) Extension
EXCEN PRO(M)
EXCEN PRO(D)
EXCEN PRO(L)
NO. PART NO. PART NAME Q'TY Old No. Supply Supply LT Reference
32 HP09-900133 MIST_SEPARATOR_REG AWM30-03BD 1
33 HP13-000045 TUBE,PNEUMATIC-AIR_TUBE;MM,STRAIGHT,12,8 1
34 EP05-900318 PLUG 80PN 1
35 HP06-900179 FITTING KCE06-00 2