Excellent Modular Component Placer EXCEN Series EXCEN PRO(M)/(D)/(L) Technical Reference - 第291页
Page +$1:+$ 285 EXCEN PRO(M) EXCEN PRO(D) EXCEN PRO(L)

Page
+$1:+$
284
Air (3/5) - EXCEN PRO(D) Extension
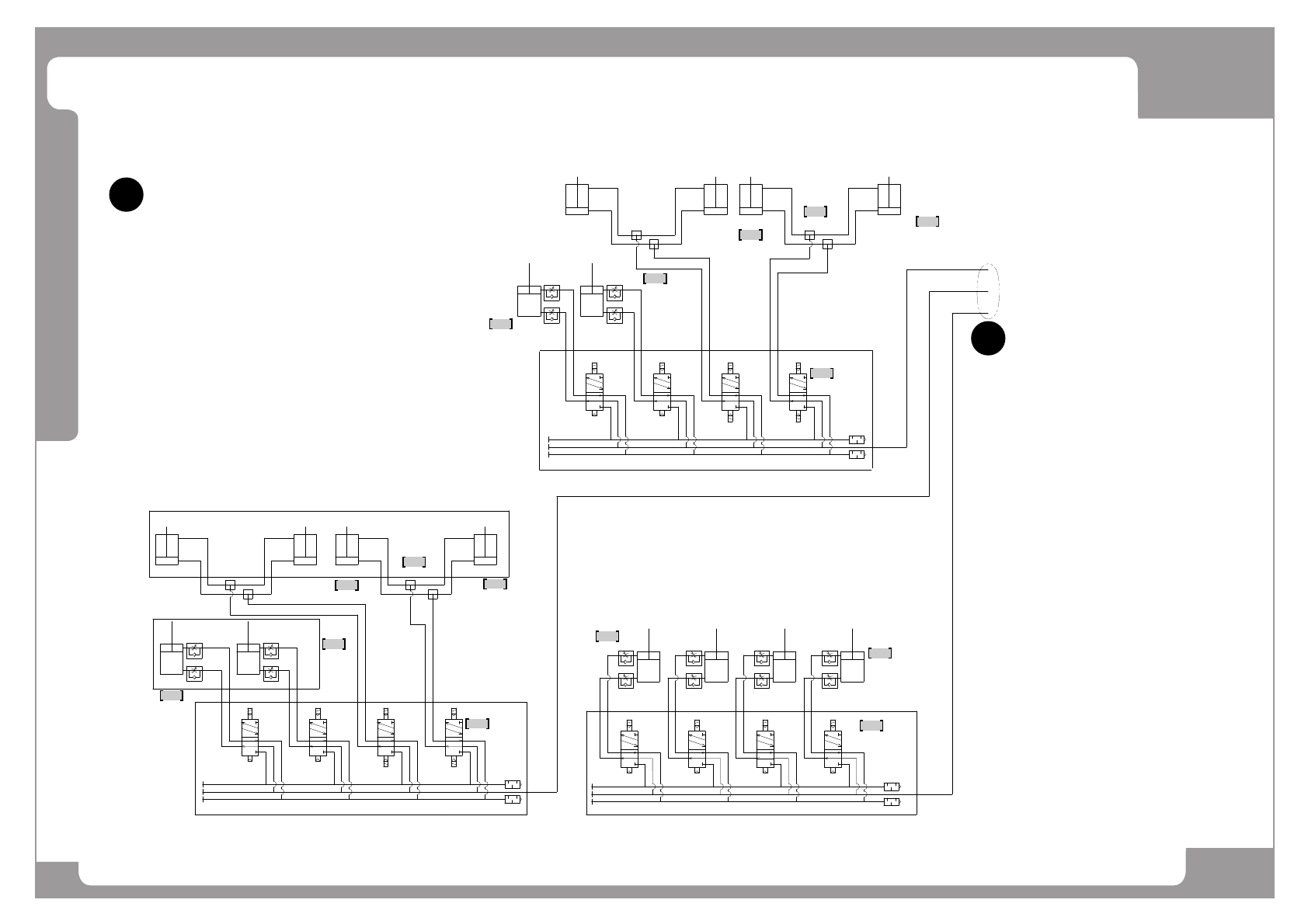
EXCEN PRO(M)
EXCEN PRO(D)
EXCEN PRO(L)
NO. PART NO. PART NAME Q'TY Old No. Supply Supply LT Reference
32 HP09-900133 MIST_SEPARATOR_REG AWM30-03BD 1
33 HP13-000045 TUBE,PNEUMATIC-AIR_TUBE;MM,STRAIGHT,12,8 1
34 EP05-900318 PLUG 80PN 1
35 HP06-900179 FITTING KCE06-00 2

Page
+$1:+$
285
EXCEN PRO(M)
EXCEN PRO(D)
EXCEN PRO(L)

Page
+$1:+$
286
EXCEN PRO(M)
EXCEN PRO(D
)
EXCEN PRO(L)
Air (4/5) - EXCEN PRO(D) Extension
5(EA)
3(EB)
2(B)
4(A)
ĭ
ĭ
ĭ
ANC⏝
1(P)
5(EA)
3(EB)
2(B)
4(A)
ĭ
ĭ
1_SECTION
2(B)
4(A)
ĭ
ĭ
2(B)
4(A)
ĭ
ĭ
2(B)
4(A)
ĭ
ĭ
2(B)
4(A)
ĭ
ĭ
2(B)
4(A)
ĭ
ĭ
2(B)
4(A)
ĭ
ĭ
1F
CART_CLAMP
2F
CART_CLAMP
1F
TAPE_CUTTER
2F
TAPE_CUTTER
5(EA)
2(B)
4(A)
ĭ
ĭ
2(B)
4(A)
ĭ
ĭ
2(B)
4(A)
ĭ
ĭ
2(B)
4(A)
ĭ
ĭ
1F
ANC
1R
ANC
2F
ANC
2R
ANC
2_SECTION
1R
CART_CLAMP
2R
CART_CLAMP
1R
TAPE_CUTTER
2R
TAPE_CUTTER
ĭ%/
ĭ%/
ĭ%/
ĭ<
ĭ<
ĭ</
ĭ</
ĭ</
ĭ</
ĭ%/
ĭ%/
ĭ</
ĭ</
ĭ%/
ĭ</
ĭ</
ĭ</
ĭ%/
ĭ</
ĭ%/
ĭ</
ĭ%
ĭ%
ĭ<
ĭ<
ĭ%
ĭ%
ĭ%/
ĭ%/
ĭ%/
ĭ%/
ĭ%/
ĭ</
ĭ<
ĭ<
ĭ%
ĭ%
ĭ<
ĭ<
ĭ%
ĭ%
78%
+3
MANIFOLD
'905
78%
78%
78%
78%
78<
78<
78<
78<
+3
SPEED CONTROLLER
$6)06
$6)06
$6)06
$6)06
$6)06
$6)06
$6)06
$6)06
+3
MANIFOLD
'905
78%
78<
78%
78<
78%
78<
78%
78<
+3
JOINT
.47
.47
.47
.47
+3
&</,1'(5
$'4''
+3
&</,1'(5
$4''
$4''
$'4''
+3
&</,1'(5
$'4''
+3
&</,1'(5
$4''
$'4''
$4''
.47
.47
+3
JOINT
.47
.47
78%
78<
78%
78<
78%
78<
78%
78<
+3
&</,1'(5
$4%'
$4%'
+3
SPEED CONTROLLER
$6)6
$6)6
$6)6
$6)6
+3
&</,1'(5
$4%'
$4%'
+3
SPEED CONTROLLER
$6)6
$6)6
$6)6
$6)6
+3
MANIFOLD
'905
+3
&</,1'(5
&'8-%'0)16
&'8-%'0)16&'8-%'0)16&'8-%'0)16
1(P)
1(P)
(Cart clamp & Cutter)
ĭ
(Cart clamp & Cutter)
ĭ
䐟
䐠
ĭ%/
78%
ĭ%/
78%
C
&'
1
2
3
4
5
1
2
3
4
5