Excellent Modular Component Placer EXCEN Series EXCEN PRO(M)/(D)/(L) Technical Reference - 第299页
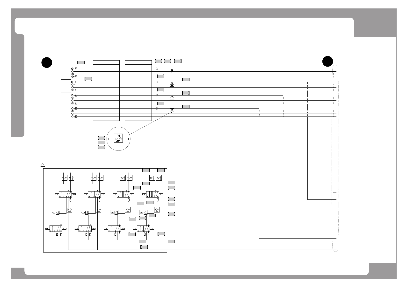
Page +$1:+$ 293 Air (2/5) - Large Conveyor Option EXCEN PRO(M) EXCEN PRO(D) EXCEN PRO(L) NO. P ART N O. P ART NAME Q'TY Old No. Supply Supply L T Reference 1 FC14-000258 COUPLER-COUP LER_KK3S-08E ;KK3S-08E 1 2 FC14-…

Page
+$1:+$
292
EXCEN PRO(M)
EXCEN PRO(D
)
EXCEN PRO(L)
Air (2/5) - Large Conveyor Option
A
4
4
4
1
X-AXIS CABLEVEYOR Y-AXIS CABLEVEYOR
2F-HEAD
2R-HEAD
1F-HEAD
1R-HEAD
ĭ</
78Y
ĭ%$6+3+3)&⏝)
ĭ:9DFXXP
ĭ%8+33LORW⏝䠅
ĭ<%/2:
.4&
..6(
..6(
ĭ</
78Y
ĭ</
78Y
ĭ</
78Y
ĭ:/
78:
ĭ:/
78:
ĭ:/
78:
ĭ:/
78:
KK36E
)&
&283/(5
..6(
KK36E
KK36E
..6(
)&
&283/(5
..6(
ĭ%$6+3+3)&⏝)
ĭ:9DFXXP
ĭ%8+33LORW⏝䠅
ĭ<%/2:
ĭ%$6+3+3)&⏝)
ĭ:9DFXXP
ĭ%8+33LORW⏝䠅
ĭ<%/2:
ĭ%$6+3+3)&⏝)
ĭ:9DFXXP
ĭ%8+33LORW⏝䠅
ĭ<%/2:
+3
FITTING
.4+
.4+
.4+
.4+
-$
ELECTRIC_REGULATOR
(9%)/
-$
SILENCER
(9(
-
FITTING
.4/6
.4/6
-$
78%(B&$3
.4&
-$
78%(B&$3
.4&
-$
78%(B&$3
.4&
-$
78%(B&$3
.4&
-$
78%(B&$3
.4&
-$
78%(B&$3
.4&
-$
78%(B&$3
.4&
-$
78%(B&$3
.4&
%
$
3
%
$
3
%
$
3
%
$
3
%
$
3
%
$
3
%
$
3
%
$
3
+3
VALV E
6<0=0
+3
VALV E
6<0=0
-$
EJECTOR
=86
+3
$6)
+3
$10
+3
$10
+3
$10
-$
$6)0
-$
.460$
-$
.43
-$
.460$
-$
.43
-$
.460$
-$
$6)0
-$
.460$
-$
.460$
-$
.460$
+3
.48'$
+3
.47
+3
.460
+3
.47
ĭ<
ĭ%
ĭ<
.4&
.4&+3+!..6()
.4&+3+!..6()
+3+!..6()
+3+!..6()
+3+!..6()
+3+!..6()
+3+!..6()
+3+!..6()
.4&
.4&
.4&
.4&
A-B
1
2
3 4 4
4
4
4
11
12
13
12
14
11
12

Page
+$1:+$
293
Air (2/5) - Large Conveyor Option
EXCEN PRO(M)
EXCEN PRO(D)
EXCEN PRO(L)
NO. PART NO. PART NAME Q'TY Old No. Supply Supply LT Reference
1 FC14-000258 COUPLER-COUPLER_KK3S-08E;KK3S-08E 1
2 FC14-000257 COUPLER-COUPLER_KK2S-04E;KK2S-04E 1
3 HP06-000260 FITTING-KQ2H8-10;KQ2H8-10,STRAIGHT TYPE 1
4 HP06-900091 FITTING_TUBE_CAP KQ2C04-00A 8
5 HP06-900020 FITTING [KQ2L04-02/PL4-02] 1
6 HP09-900130 REGULATOR J67091027A 1
7 HP09-900175 SILENCER J67051016A 1
8 HP14-900088 SPEED CONTROLLER[AS1211F-M5-04] 2
9 HP06-000348 FITTING-KQ2UD04-06A;UNION,ONE TOUCH,6-4 1
10 HP06-900117 FITTING KQ2S06-M5 6
11 HP14-000976 VALVE,SOLENOID-VALVE;TC,AD,PRESSURE,M5 2
12 HP09-000219 SILENCER-AN05-M5;THREAD 2
13 HP06-000074 FITTING-STRAIGHT FITTING;KQ2S04-M5N,ONET 1
14 HP11-900096 VACUUM_GENERATOR ZU07S 1
15 HP06-000267 FITTING-AS1002F-04;SPEED CONTROLLER 1
16 HP06-000230 FITTING-KQ2T06-04;ONE_TOUCH,T,8 1
17 HP06-000347 FITTING-KQ2T06-00A;TEE,ONE TOUCH,6 1

Page
+$1:+$
294
EXCEN PRO(M)
EXCEN PRO(D
)
EXCEN PRO(L)
Air (3/5) - Large Conveyor Option
B
2
4
2
3
4
5
6
8
12 13
15
16
17
18
16
17
20
21
22
25
26
27
29
30
31
32
33
34
35
36
26
28
4
23
24
18
14
9
10
11
8
7
ĭ%/
1/4
1/4
SET䡟䡶0.15 MPa
Mount Blow
J6711176A
JOINT
.4/6
+3
5(*8/$725
$53%5<
J61191164A
JOINT
.4/6
7(
METER
*&
J61191169A
JOINT
.4='6
TU0425B
J61191167A
JOINT
.4)
%/2:B5(*B$66<
$0
93B%/2:B5(*B$66<
$53&-3=
ĭ</
ĭ</
TU0425<
TU0425<
Vacuum䚷Pump
3/8
+3
PUMP
.+$$*
J61191172A
METER
*=.&
J61191167A
JOINT
.4)
ĭ:/
78:
J67111098A
JOINT
.4976
J61191171A
JOINT
.45
0&
)&
+3
)&
+3
0&
TANK
$,5&59=6
)&
NUT
13)%5**0)
+3
JOINT
46/
)&
NUT
13)%5**0)
+39
JOINT
46/10
)&
STRAIGHT
1,33/(
0,'
+3
1[0:
1000mm
ĭ:/
TU0805:
ĭ:/
TU0805:
1(P)
3(R)
2(A)
3/8
3/8
1/4
1/4
1/8
3/8
ĭ%/
ĭ
MIST SEPARATOR REG
$,5'2:19$/9(
SET:0.5MPa
J61191163A
JOINT
6/
J66191118A
3/8*
3067((/
J61191162A
62&.(7
6167((/
J66191117A
3/8*
3167((/
J67091030A
0,67B6(3$5$725B5(*
$:0%'
J61191165A
METER
,6($&+10%
J61191164A
JOINT
.4/6
+3
TUBE
TU1208B
J61191166A
JOINT
51L[
TU0425B
J67031031A
9$/9 (
93'=$
J6705005A
6,/(1&(5
$1
J61191166A
JOINT
51L[
+3
0$1,)2/'
.0
.45
+3
FITTING
.4;'
J67121009A
5('8&(5
.45
+33
FITTING
.4;'
0$,1B5(*B$66<
$0
93B0$,1B5(*B$66<
*****************
ĭ%/
TU1065B
)&
3/8*
KPT38
.45
.4;'
Vacuum䚷Pump
3/8
+3
PUMP
.+$$*
J61191172A
METER
*=.&
J61191167A
JOINT
.4)
ĭ:/
78:
J67111098A
JOINT
.4976
J61191171A
JOINT
.45
0&
)&
+3
)&
+3
0&
TANK
$,5&59=6
)&
NUT
13)%5**0)
+3
JOINT
46/
)&
NUT
13)%5**0)
+39
JOINT
46/10
)&
STRAIGHT
1,33/(
0,'
+3
1[0:
1000mm
ĭ:/
TU0805:
ĭ:/
TU0805:
))OX[8QLWRS
))OX[8QLWRS
ĭ%/
ĭ%/
TU0604B
TU0604B
J67111165A
FITTING
.&(
.&(
5)OX[8QLWRS
5)OX[8QLWRS
ĭ%/
ĭ%/
TU0604B
TU0604B
.&(
.&(
ĭ:/
78:
ĭ:/
78:
ĭ:/
78:
ĭ:/
78:
ĭ%/
TU0604B
ĭ%8/
TU0425BU
ĭ%/
TU0425B
ĭ%/
TU0425B
ĭ%8/
TU0425BU
ĭ%8/
TU0425BU
ĭ%/
TU0425B
ĭ%/
TU0425B
ĭ%8/
TU0425BU
ĭ%/
TU0805B
ĭ%/
1/4
1/4
SET䡟䡶0.15MPa
Mount Blow
J6711176A
JOINT
.4/6
+3
5(*8/$725
$53%5<
J61191164A
JOINT
.4/6
7(
METER
*&
J61191169A
JOINT
.4='6
TU0425B
J61191167A
JOINT
.4)
%/2:B5(*B$66<
$0
93B%/2:B5(*B$66<
$53&-3=
ĭ</
ĭ</
TU0425<
TU0425<
ĭ%/
TU0805B
+3
3/8*
.43
+3
3/8*
.43
+3
3/8*
.43
+3
3/8*
.43
2
)&
3/8*
.43
KQ2XD
%$
%&
%'
1
2
3
5
6
8
7
1
2
8
12 13
15
19
14
9
10
11