Excellent Modular Component Placer EXCEN Series EXCEN PRO(M)/(D)/(L) Technical Reference - 第315页
Page +$1:+$ 309 EXCEN PRO(M) EXCEN PRO(D) EXCEN PRO(L)

Page
+$1:+$
308
EXCEN PRO(M)
EXCEN PRO(D
)
EXCEN PRO(L)
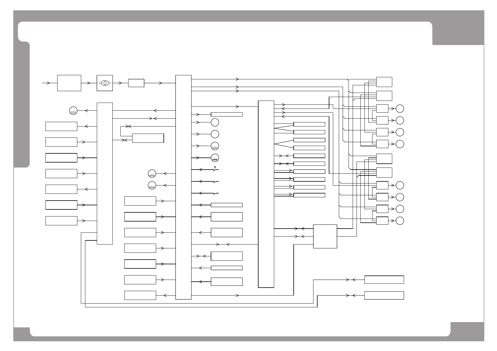
Base - Block Diagram Wiring
Main SW
system
Breaker
-F101
3 㼪
AC220V
Trans
-T001
Filter
3 㼪
AC220V
-V01
3 㼪
AC220V
3 㼪
AC220V
POWER
UNIT
-A02
AF HEAD
HEAD
AR
BF
HEAD
HEAD
BR
K501
K502
K503
K504
K505
K506
K507
K508
-A11
-A12
-A13
-A14
CPU
BOX
-A01
M
M
M
M
M
M
M
M
AFX-axis
Linear Motor
AFY-axis
Linear Motor
ARX-axis
Linear Motor
ARY-axis
Linear Motor
BFX-axis
Linear Motor
BFY-axis
Linear Motor
BRX-axis
Linear Motor
BRY-axis
Linear Motor
DC+24V,+48V
3 㼪AC220V
3 㼪C220V
AF HEAD UNIT
FID,SVSCAMERA
AR HEAD UNIT
FID,SVSCAMERA
BF HEAD UNIT
FID,SVSCAMERA
BR HEAD UNIT
FID,SVSCAMERA
Front TOUCH PANEL
PANEL
Rear TOUCH
Front Barcode reader
reader
Rear Barcode
Front 3D Sensor
Rear 3D Sensor
AF Stage Camera
AR Stage Camera
BF Stage Camera
BR Stage Camera
DC+12V
DC+12V
DC+12V
DC+12V
RS485#1
RS485#2
ILL
CONTROL UNIT
-A50
Front Operation SW
Rear Operation SW
-S101---S107
-S111---S117
3 㼪AC220V
Main air valve
1㼪AC220V
-R5001
1㼪AC220V
M
-G201 VACUUM
PUMP
3 㼪AC220V
M
-G101 VACUUM
COOLING FAN
1㼪AC220V
M
-G102 FRONT
DRIVER
COOLING FAN
DC+24V
M
-G103 FRONT DRIVER
COOLING FAN
DC+24V
-S201,S202 EMG SW
-S301--S304
COVER SW
-S305--S308
SIDE COVER SW
-K322
I/O
BOARD
M
-G104,G105
LOOF COOLING
FAN
DC+24V
AF,AR,BF,BR ANC UNIT
-A66,A67,A68,A69
DC+24V
RS232C
AF,AR,BF,BR
Feeder Opening Sensor
-B1004,B1005,B1006,B1007
-A03
-A04
-A71
-A72
-A35
-A36
-A41
-A42
-A42
-A43
FRONT,REAR
Signal LAMP
-B2001,B2002
AF,AR,BF,BR
CART Opening Sensor
-B1008,B1009,B1010,B1011
AF,AR,BF,BR ILK SW
CART Opening Sensor
-S331,S332,S333,S334
AF,AR,BF,BR
CART LOCK Sensor
-B1012,B1013,B1014,B1015
AF,AR,BF,BR
CART Setting CheckSW
-S335,S336,S337,S338
AF,AR,BF,BR VALVE
CART LOCK,Tape CUT
-R4005---R4019
CUNET,CAN
AF,AR,BF,BR
CART UNIT
-A31,A32,A33,A34
LINE SIGNAL
-CN00,CN01
AF,AR
Side Tray Feeder
-A51,A52
BF,BR
Direct Tray Feeder
-A53,A54
FRONT,REAR LINE
Communicate
Signal
-CNCOMR,CNCOML
RS422
Transportation
opening sensor
-B1020,B1021
AF,AR,BF,BR
BUT SUPPORT VALVE
-R4021---R4036
AF,AR,BF,BR Conveyor
PCB Detection Sensor
-B1050---B1061
F,R EXT CONVEYOR
STOPPER VALVE
-R4037,R4038
Ast,Bst EXT Conveyor
PCB Detection Sensor
-B1062---B1065
AF,AR,BF,BR DUST BOX
ILK SENSOR(OPTION)
-B1016,1017,1018,1019
AF,AR,BF,BR
BUT UNIT ILK SENSOR
-B1066---B1082
M
-M601,602,604,605
Conveyor Motor
DC+24V
M
-M603,606
WIDTH Motor
DC+24V
F,R WIDTH ORIGIN
SUPPORT Pin SENSOR
-B1083,84,85,86

Page
+$1:+$
309
EXCEN PRO(M)
EXCEN PRO(D)
EXCEN PRO(L)

Page
+$1:+$
310
EXCEN PRO(M)
EXCEN PRO(D
)
EXCEN PRO(L)
Base - Conveyor Unit Block Diagram Wiring - Large Conveyor Option
CONNECT BOARD
-AF FACB(-K365)
CONNECT BOARD
-AR FACB(-K366)
PCB Detection
Sensor
S6,S7,S8,(Reservd)
CONNECT BOARD
-BF FACB(-K367)
PCB Detection
Sensor
S14,S15,S16,(Reserved)
CONNECT BOARD
-BR FACB(-K368)
PCB Detection Sensor
S4,S1
PCB Detection Sensor
S12,S9
FRONT WIDTH ORG
LIMIT
SUPPORT DETECT
SEN
REAR WIDTH ORG
LIMIT
SUPPORT DETECT
SEN
PCB Detection Sensor
S2,S3,S5,IFBDTS,2FBDTS//F FDR
PW CHECK
PCB Detection Sensor
S10,S11,S13//R FDR PW
CHECK
BUFFER OPTION
SENSOR
BS1,BS2
BUFFER OPTION
SENSOR
BS3,BS4
350MM OPTION PCB Detection
Sensor
1R-2ND-SEN
350MM OPTION PCB
Detection Sensor
1F-2ND-SEN,2F-2ND-SEN,2R-2ND-SEN
-K321
BASE CONTROL
BOARD
POWER UNIT
(-A02)-K303
CNCNTR_AF
CNCNTR_AR
CNCNTR_BF
CNCNTR_BR
CNEXTR_A
CNEXTR_B
CNTM_F
CNTM_R
CNTL_L
CNTL_R
CNOP2
-M607 (FMBCV-MOT)
FRONT Middle BUFFER
MOTOR
DC+24V
DC+24V
M
M
-M608 (RMBCV-MOT)
REAR Middle BUFFER
MOTOR
-M610 (FOUT-CNV-MOT)
External FRONT BUFFER
MOTOR *OPT
DC+24V
DC+24V
M
M
-M611 (ROUT-CNV-MOT)
External REAR BUFFER
MOTOR *OPT
DC+24V
DC+24V
M
M
-M603 (FWD-MOT)
F WIDTH Adjustment
MOTOR
DC+24V
DC+24V
M
M
-M602 (2FCV-MOT)
2F WORK BELT MOTOR
DC+24V
M
-M601 (1FCV-MOT)
1F WORK BELT MOTOR
DC+24V
M
-B1082---B1085
-B1086---B1089
-M606 (RWD-MOT)
R WIDTH Adjustment
MOTOR
-M605 (2RCV-MOT)
2R WORK BELT MOTOR
-M604 (1RCV-MOT)
1R WORK BELT MOTOR
EXTOT01
CT01
(IN143)
(IN147,LN006,LN007)
(OT112)
(OT116)