Excellent Modular Component Placer EXCEN Series EXCEN PRO(M)/(D)/(L) Technical Reference - 第318页
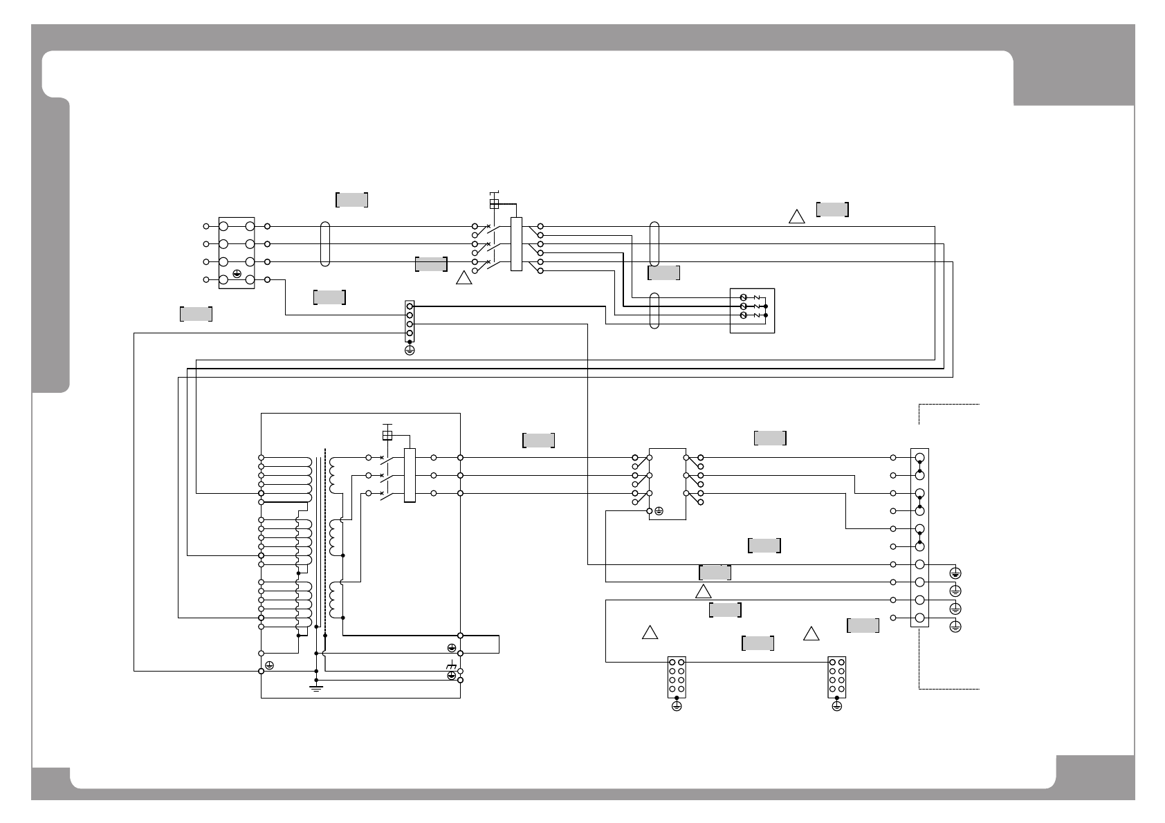
Page +$1:+$ 312 EXCEN PRO(M) EXCEN PRO(D ) EXCEN PRO(L) Base - AC220V Input 1 5 6 7 8 9 2 4 3 AC220V LINE L1 L2 L3 PE TB-S101 PHOENIX CONT ACT L3 L2 L1 4 3 2 1 4 3 2 1 (-X101) 6 2 1 (-F101) 4 3 5 MITSUBISHI ELECTRIC NF63…

Page
+$1:+$
311
EXCEN PRO(M)
EXCEN PRO(D)
EXCEN PRO(L)

Page
+$1:+$
312
EXCEN PRO(M)
EXCEN PRO(D
)
EXCEN PRO(L)
Base - AC220V Input
1
5
6
7
8
9
2
4
3
AC220V
LINE
L1
L2
L3
PE
TB-S101
PHOENIX CONTACT
L3
L2
L1
4
3
2
1
4
3
2
1
(-X101)
6
21
(-F101)
43
5
MITSUBISHI ELECTRIC
NF63-SVF 3P 20A
N2
CPW
CPV
CPU
N1
W6 200V
W5 220V
W4 380V
W3 400V
W2 420V
W1 480V
V6 200V
V5 220V
V4 380V
V3 400V
V2 420V
V1 480V
U6 200V
U5 220V
U4 380V
U3 400V
U2 420V
U1 480V
TE3N-5.7N-GN
TAISEI
(-T001)
TB-IN TB-OUT
TB-OUT
TB-OUT
TB-IN
TB-IN
CP1(20A)
PRI
SEC
PD12-000002A
(-X001)
HKIV 4.0SQ, BLACK
J90833989A
HKIV 4.0SQ, BLACK
HKIV 4.0SQ, BLACK
HKIV 4.0SQ, GRN/YEL
J90833991A
GN/YE
BK
BK
BK
(-F201)
OKAYA
R.A.V-801BXZ-4
HKIV 4.0SQ, BLACK
HKIV 4.0SQ, BLACK
HKIV 4.0SQ, GRN/YEL
J90833992A
HKIV 4.0SQ, BLACK
AM03-008834A
MAIN-L1
SEOIL
UA-F4012
HKIV 4.0SQ, BLACK
EP02-001534A
HKIV 4.0SQ, BLACK
HKIV 4.0SQ, BLACK
(-V01)
COSEL
TAH-20-683
1
2
3
4
5
6
4.0SQ/M5
MS1
MS3
MS5
MS2
4.0SQ/M5
L11
2.0SQ/M5
MS4
L21
MS6
L31
E1-FG1
2.0SQ/M4
4.0SQ/M4
E1-FG2
UA-F4012
SEOIL
TR-U
UA-F4012
SEOIL
TR-V
UA-F4012
SEOIL
TR-W
UA-F4012
SEOIL
TR-FG
TRCP-U
SEOIL
UA-F4012
4.0SQ/M4
FT-4
FT-1
4.0SQ/M4
MAIN-L2
MAIN-L3
MAIN-FG
E1-FG3
4.0SQ/M4
4.0SQ/M4
E1-FG4
TRCP-V
UA-F4012
TRCP-W
UA-F4012
4.0SQ/M4
FT-5
4.0SQ/M4
FT-6
FT-2
FT-3
4.0SQ/M4
HKIL 4.0SQ, GRN/YEL
EP02-001872A
HKIV 4.0SQ, GRN/YEL
EP02-001873B
HKIV 4.0SQ, BLACK
EP02-001535A
HKIV 4.0SQ, BLACK
HKIV 4.0SQ, BLACK
FT-FG
UA-F4012
J90751558A
10
9
8
7
6
5
4
3
2
1
(-X111)
PHOENIX CONTACT
TB-S111
(-A02)
UA-F4012
TB10-1
UA-F4012
TB10-3
UA-F4012
TB10-5
UA-F4012
TB10-7
UA-F4012
TB10-8
(-X002)
PD12-000001A
(-X003)
PD12-000001A
HKIV 2.5SQ, GRN/YEL
EP02-001876B
HKIV 2.5SQ,GRN/YEL
J90834475A
HKIV 4.0SQ, GRN/YEL
E2-FG2
2.5SQ/M42.5SQ/M4
E2-FG1
2.5SQ/M4
E3-FG1
POWER
UNIT
TB10-9
UA-F2512
MAIN
MS
E1
TR
FT
TB
E2 E3
1
1
1
1
1
1
10
11
12
13

Page
+$1:+$
313
Base - AC220V Input
EXCEN PRO(M)
EXCEN PRO(D)
EXCEN PRO(L)
NO. PART NO. PART NAME Q'TY Old No. Supply Supply LT Reference
1 J90833989A AC220V INPUT01 CABLE;V1_BASE_001 1
2 J90833991A PE CABLE01;V1_BASE_003 1
3 J90833992A TRANS PE CABLE;V1_BASE_004 1
4 PD12-000002A PRODUCT,LINER,PLATE,SMALL-E-Terminal-4 1
5 AM03-008834A AC220V INPUT02 CABLE;V1_BASE_002 1
6 J90751558A SERGE KILLER ASSY;V1_BASE_200 1
7 EP02-001534A HARNESS-V1+ TRANS-FILTER CABLE 1
8 EP02-001535A HARNESS-V1+ FILTER-POWER UNIT CABLE 1
9 EP02-001872A HARNESS-POWER UNIT PE CABLE 1
10 EP02-001873B HARNESS-FILTER PE CABLE 1
11 EP02-001876B HARNESS-FRONT EARTH PLATE CABLE 01 1
12 J90834475A FRONT_REAR_EARTH_PLATE_CABLE;V1_BASE_114 1
13 PD12-000001A PRODUCT,LINER,PLATE,SMALL-E-Terminal-8 1