Excellent Modular Component Placer EXCEN Series EXCEN PRO(M)/(D)/(L) Technical Reference - 第353页
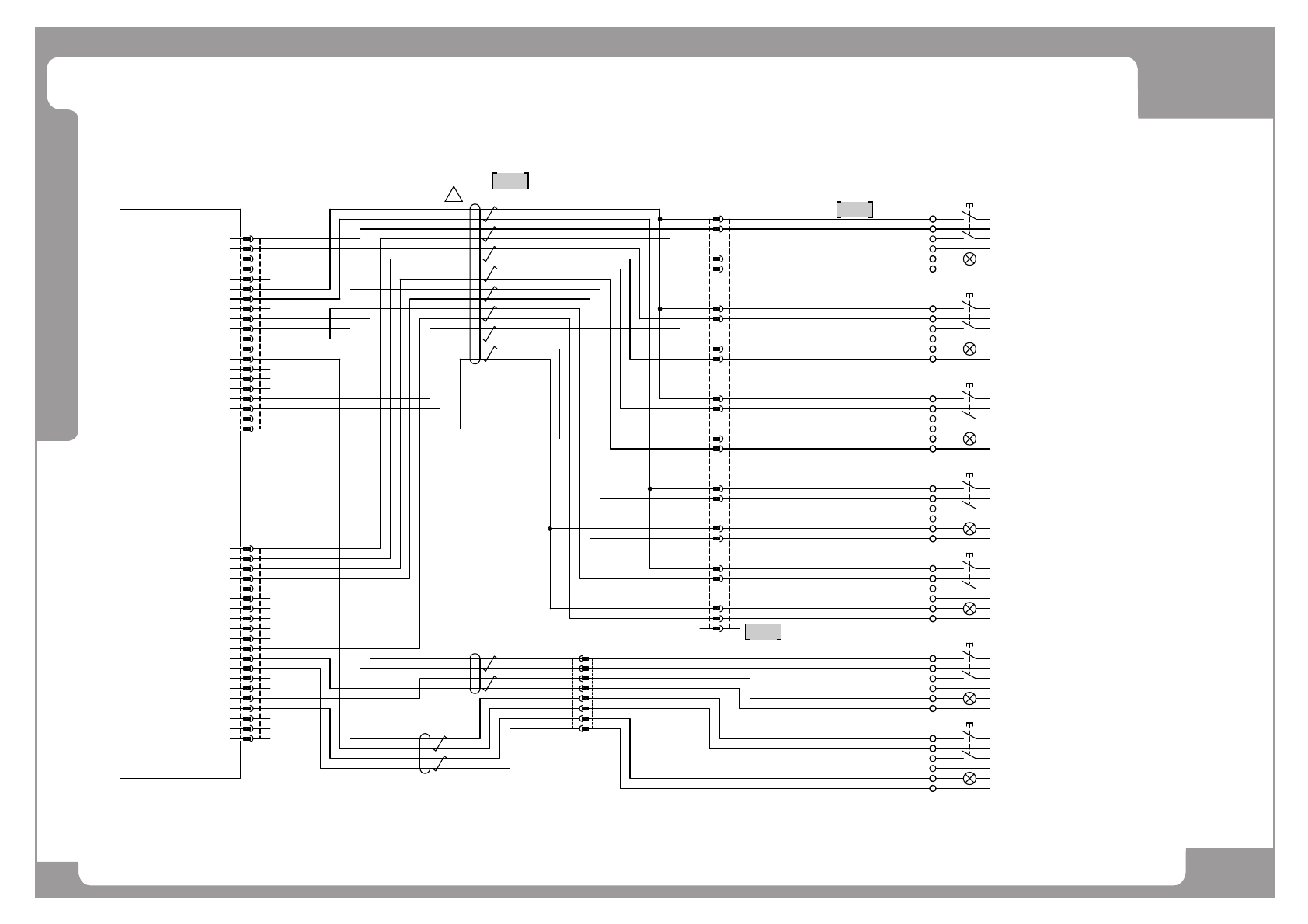
Page +$1:+$ 347 Base - Front Operation SW EXCEN PRO(M) EXCEN PRO(D) EXCEN PRO(L) NO. P ART NO. P ART NAME Q'TY Old No. Supply Supply L T Reference 1 EP02-000975C HARNESS-SERVO SW FRONT CABLE ASSY 1 EP02- 000975B 2 E…

Page
+$1:+$
346
EXCEN PRO(M)
EXCEN PRO(D
)
EXCEN PRO(L)
Base - Front Operation SW
(-K322)
IO BOARD
F-START-IN
F-SVON-IN
F-STOP-IN
F-RESET IN
GND
GND
GND
GND
GND
GND
F-ENABLE-IN
F-EXCHANGE_1-IN
F-EXCHANGE_2-IN
F-DUMMY_1 IN
+24V
+24V
+24V
+24V
+24V
+24V
F-START-OUT
F-SVON-OUT
F-STOP-OUT
F-RESET-OUT
GND
GND
GND
GND
GND
GND
F-ENABLE-OUT
F-EXCHANGE_1-OUT
S-EXCHANGE_2-OUT
F-DUMMY_1-OUT
+24V
+24V
+24V
+24V
+24V
+24V
Front
START
Switch
Front
SVON
Switch
Front
STOP
Switch
Front
RESET
Switch
Front
ENABLE
Switch
Front LEFT
EXCHANGE
Switch
Front RIGHT
EXCHANGE
Switch
-F.R-EXC(-S107)
IDEC
LW6ML-M1C14W
C1
NO1
C2
NO2
X1
X2
F.L-EXC(-S106)
IDEC
LW6ML-M1C14W
C1
NO1
C2
NO2
X1
X2
-FSVON(-S102)
IDEC
LW6ML-M1C14W
C1
NO1
C2
NO2
X1
X2
-FSTART(-S101)
IDEC
LW6ML-M1C24G-START
C1
NO1
C2
NO2
X1
X2
B10
B9
B5
B4
B3
CN28
B2
B1
A10
A9
A8
A7
A6
A5
A4
A3
A2
A1
B6
B7
B8
B10
B9
B5
B4
B3
CN26
B2
B1
A10
A9
A8
A7
A6
A5
A4
A3
A2
A1
B6
B7
B8
1827571-2
1-1827864-0
AMP
IO-CN28
A1
A2
A3
A4
A5
A6
A7
A8
A9
A10
B1
B2
B3
B4
B5
B6
B7
B8
B9
B10
1827571-2
1-1827864-0
AMP
IO-CN26
A1
A2
A3
A4
A5
A6
A7
A8
A9
A10
B1
B2
B3
B4
B5
B6
B7
B8
B9
B10
ST731031-3
FSTART-C1
FSTART-NO1
FSTART-X1
FSTART-X2
-IO BOARD
ST731031-3
F.L-EXC-C1
F.L-EXC-NO1
F.L-EXC-X1
ST731031-3
F.R-EXC-C1
F.R-EXC-NO1
F.R-EXC-X1
F.R-EXC-X2
F.L-EXC-X2
ST731031-3
FSVON-C1
FSVON-NO1
FSVON-X1
FSVON-X2
ST731031-3
FSTOP-C1
FSTOP-NO1
ST731031-3
FRESET-C1
FRESET-NO1
ST731031-3
FENABLE-C1
FENABLE-NO1
UL2464 2P*24AWG
UL2464 2P*24AWG
UL1007 AWG24, BK
UL1007 AWG24, BK
EP02-001740A
UL1007 AWG24, BK
UL1007 AWG24, BK
UL1007 AWG24, BK
UL1007 AWG24, BK
UL1007 AWG24, BK
UL1007 AWG24, BK
UL1007 AWG24, BK
UL1007 AWG24, BK
UL1007 AWG24, BK
UL1007 AWG24, BK
UL1007 AWG24, BK
UL1007 AWG24, BK
UL1007 AWG24, BK
UL1007 AWG24, BK
UL1007 AWG24, BK
UL1007 AWG24, BK
UL1007 AWG24, BK
UL1007 AWG24, BK
EP02-000975B
UL2464 8P*24AWG
21
20
19
15
14
13
F-SW
12
11
10
9
8
7
6
5
4
3
2
1
JST
YLR-21VSYM-01T-P0.5A
16
17
18
21
20
19
18
17
16
15
14
13
12
11
10
9
8
7
6
5
4
3
2
1
F-SW
JST
YLP-21V SYF-01T-P0.5A
ST731031-3
FSTOP-X1
FSTOP-X2
ST731031-3
FRESET-X1
FRESET-X2
ST731031-3
FENABLE-X1
FENABLE-X2
-FSTOP(-S103)
IDEC
LW6ML-M1C14W-STP
C1
NO1
C2
NO2
X1
X2
-FRESET(-S104)
IDEC
LW6ML-M1C14S
C1
NO1
C2
NO2
X1
X2
-FENABLE(-S105)
IDEC
LW6ML-M1C14W-ENA
C1
NO1
C2
NO2
X1
X2
EP02-001917A
8
7
6
5
4
3
2
1
F-EXC-SW
JSTYLR-08V
SYM-01T-P0.5A
8
7
6
5
4
3
2
1
F-EXC-SW
JST
YLP-08V
SYF-01T-P0.5A
1
1
2
3

Page
+$1:+$
347
Base - Front Operation SW
EXCEN PRO(M)
EXCEN PRO(D)
EXCEN PRO(L)
NO. PART NO. PART NAME Q'TY Old No. Supply Supply LT Reference
1 EP02-000975C HARNESS-SERVO SW FRONT CABLE ASSY 1 EP02-000975B
2 EP02-001740A HARNESS-V1+ FRONT SW CABLE 1
3 EP02-001917A HARNESS-EXCHANGE SW FRONT CABLE 1

Page
+$1:+$
348
EXCEN PRO(M)
EXCEN PRO(D
)
EXCEN PRO(L)
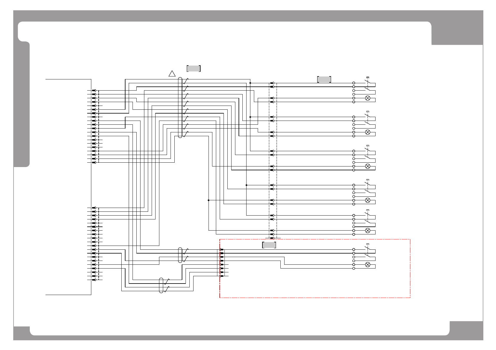
Base - Front Operation SW - PRO(D) Standard
(-K322)
IO BOARD
F-START-IN
F-SVON-IN
F-STOP-IN
F-RESET IN
GND
GND
GND
GND
GND
GND
F-ENABLE-IN
F-EXCHANGE_1-IN
F-EXCHANGE_2-IN
F-DUMMY_1 IN
+24V
+24V
+24V
+24V
+24V
+24V
F-START-OUT
F-SVON-OUT
F-STOP-OUT
F-RESET-OUT
GND
GND
GND
GND
GND
GND
F-ENABLE-OUT
F-EXCHANGE_1-OUT
S-EXCHANGE_2-OUT
F-DUMMY_1-OUT
+24V
+24V
+24V
+24V
+24V
+24V
Front
START
Switch
Front
SVON
Switch
Front
STOP
Switch
Front
RESET
Switch
Front
ENABLE
Switch
Front LEFT
EXCHANGE
Switch
EXCEN D ST OPTION
F.L-EXC(-S106)
IDEC
LW6ML-M1C14W
C1
NO1
C2
NO2
-FSVON(-S102)
IDEC
LW6ML-M1C14W
C1
NO1
C2
NO2
X1
X2
-FSTART(-S101)
IDEC
LW6ML-M1C24G-START
C1
NO1
C2
NO2
X1
X2
B10
B9
B5
B4
B3
CN28
B2
B1
A10
A9
A8
A7
A6
A5
A4
A3
A2
A1
B6
B7
B8
B10
B9
B5
B4
B3
CN26
B2
B1
A10
A9
A8
A7
A6
A5
A4
A3
A2
A1
B6
B7
B8
1827571-2
1-1827864-0
AMP
IO-CN28
A1
A2
A3
A4
A5
A6
A7
A8
A9
A10
B1
B2
B3
B4
B5
B6
B7
B8
B9
B10
1827571-2
1-1827864-0
AMP
IO-CN26
A1
A2
A3
A4
A5
A6
A7
A8
A9
A10
B1
B2
B3
B4
B5
B6
B7
B8
B9
B10
ST731031-3
FSTART-C1
FSTART-NO1
FSTART-X1
FSTART-X2
-IO BOARD
ST731031-3
F.L-EXC-C1
F.L-EXC-NO1
F.L-EXC-X1 X1
X2F.L-EXC-X2
ST731031-3
FSVON-C1
FSVON-NO1
FSVON-X1
FSVON-X2
ST731031-3
FSTOP-C1
FSTOP-NO1
ST731031-3
FRESET-C1
FRESET-NO1
ST731031-3
FENABLE-C1
FENABLE-NO1
UL2464 2P*24AWG
UL2464 2P*24AWG
UL1007 AWG24, BK
UL1007 AWG24, BK
EP02-001740A
UL1007 AWG24, BK
UL1007 AWG24, BK
UL1007 AWG24, BK
UL1007 AWG24, BK
UL1007 AWG24, BK
UL1007 AWG24, BK
UL1007 AWG24, BK
UL1007 AWG24, BK
UL1007 AWG24, BK
UL1007 AWG24, BK
UL1007 AWG24, BK
UL1007 AWG24, BK
UL1007 AWG24, BK
UL1007 AWG24, BK
UL1007 AWG24, BK
UL1007 AWG24, BK
UL1007 AWG24, BK
UL1007 AWG24, BK
EP02-000975C
UL2464 8P*24AWG
21
20
19
15
14
13
F-SW
12
11
10
9
8
7
6
5
4
3
2
1
JST
YLR-21VSYM-01T-P0.5A
16
17
18
21
20
19
18
17
16
15
14
13
12
11
10
9
8
7
6
5
4
3
2
1
F-SW
JST
YLP-21V SYF-01T-P0.5A
ST731031-3
FSTOP-X1
FSTOP-X2
ST731031-3
FRESET-X1
FRESET-X2
ST731031-3
FENABLE-X1
FENABLE-X2
-FSTOP(-S103)
IDEC
LW6ML-M1C14W-STP
C1
NO1
C2
NO2
X1
X2
-FRESET(-S104)
IDEC
LW6ML-M1C14S
C1
NO1
C2
NO2
X1
X2
-FENABLE(-S105)
IDEC
LW6ML-M1C14W-ENA
C1
NO1
C2
NO2
X1
X2
AM03-021198A (ST OPTION)
8
7
6
5
4
3
2
1
F-EXC-SW
JSTYLR-08V
SYM-01T-P0.5A
8
7
6
5
4
3
2
1
F-EXC-SW
JST
YLP-08V
SYF-01T-P0.5A
1
1
2
3