Excellent Modular Component Placer EXCEN Series EXCEN PRO(M)/(D)/(L) Technical Reference - 第359页
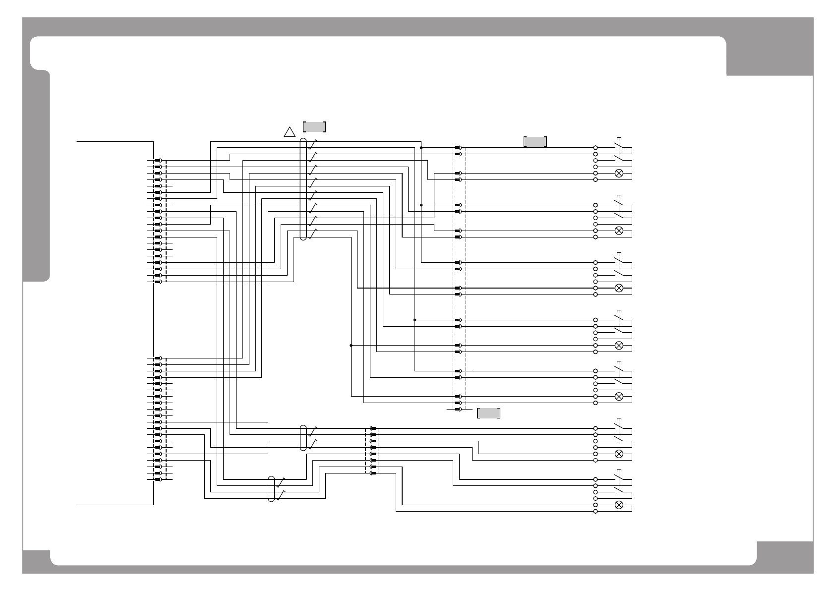
Page +$1:+$ 353 Base - Rear Operation SW - PRO(D) Standard EXCEN PRO(M) EXCEN PRO(D) EXCEN PRO(L) NO. P ART NO. P ART NAME Q'TY Old No. Supply Supply L T Reference 1 EP02-000976C HARNESS-SERVO SW REAR CABLE ASSY 1 2…

Page
+$1:+$
352
EXCEN PRO(M)
EXCEN PRO(D
)
EXCEN PRO(L)
Base - Rear Operation SW - PRO(D) Standard
-R.R-EXC(-S117)
IDEC
LW6ML-M1C14W
C1
NO1
C2
NO2
X1
X2
-R.L-EXC(-S116)
IDEC
LW6ML-M1C14W
C1
NO1
C2
NO2
X1
X2
-RSVON(-S112)
IDEC
LW6ML-M1C14W
C1
NO1
C2
NO2
X1
X2
-RSTART(-S111)
IDEC
LW6ML-M1C24G-START
C1
NO1
C2
NO2
X1
X2
(-K322)
F-START-IN
F-SVON-IN
F-STOP-IN
F-RESET IN
GND
GND
GND
GND
GND
GND
F-ENABLE-IN
F-EXCHANGE_1-IN
F-EXCHANGE_2-IN
F-DUMMY_1 IN
+24V
+24V
+24V
+24V
+24V
+24V
F-START-OUT
F-SVON-OUT
F-STOP-OUT
F-RESET-OUT
GND
GND
GND
GND
GND
GND
F-ENABLE-OUT
F-EXCHANGE_1-OUT
S-EXCHANGE_2-OUT
F-DUMMY_1-OUT
+24V
+24V
+24V
+24V
+24V
+24V
Rear
START
Switch
Rear
SERVO
Switch
Rear
STOP
Switch
Rear
RESET
Switch
Rear
ENABLE
Switch
Rear LEFT
EXCHANGE
Switch
Rear RIGHT
EXCHANGE
Switch
B10
B9
B5
B4
B3
CN29
B2
B1
A10
A9
A8
A7
A6
A5
A4
A3
A2
A1
B6
B7
B8
B10
B9
B5
B4
B3
CN27
B2
B1
A10
A9
A8
A7
A6
A5
A4
A3
A2
A1
B6
B7
B8
1827571-2
1-1827864-0
AMP
IO-CN29
A1
A2
A3
A4
A5
A6
A7
A8
A9
A10
B1
B2
B3
B4
B5
B6
B7
B8
B9
B10
1827571-2
1-1827864-0
AMP
IO-CN27
A1
A2
A3
A4
A5
A6
A7
A8
A9
A10
B1
B2
B3
B4
B5
B6
B7
B8
B9
B10
IO BOARD
UL1007 AWG24, BK
UL1007 AWG24, BK
EP02-001742A
UL1007 AWG24, BK
UL1007 AWG24, BK
UL1007 AWG24, BK
UL1007 AWG24, BK
UL1007 AWG24, BK
UL1007 AWG24, BK
UL1007 AWG24, BK
UL1007 AWG24, BK
UL1007 AWG24, BK
UL1007 AWG24, BK
UL1007 AWG24, BK
ST731031-3
RSTART-C1
RSTART-NO1
RSTART-X1
RSTART-X2
UL1007 AWG24, BK
ST731031-3
RSVON-C1
RSVON-NO1
RSVON-X1
RSVON-X2
RSTOP-C1
RSTOP-NO1
RRESET-C1
RRESET-NO1
RENABLE-C1
RENABLE-NO1
ST731031-3
R.L-EXC-C1
R.L-EXC-NO1
R.L-EXC-X1
ST731031-3
R.R-EXC-C1
R.R-EXC-NO1
R.R-EXC-X1
R.R-EXC-X2
R.L-EXC-X2
-IO BOARD
UL1007 AWG24, BK
UL1007 AWG24, BK
UL1007 AWG24, BK
UL1007 AWG24, BK
UL1007 AWG24, BK
UL1007 AWG24, BK
ST731031-3
RSTOP-X1
RSTOP-X2
ST731031-3
RRESET-X1
RRESET-X2
ST731031-3
RENABLE-X1
RENABLE-X2
-RSTOP(-S113)
IDEC
LW6ML-M1C14W-STP
C1
NO1
C2
NO2
X1
X2
-RRESET(-S114)
IDEC
LW6ML-M1C14S
C1
NO1
C2
NO2
X1
X2
-RENABLE(-S115)
IDEC
LW6ML-M1C14W-ENA
C1
NO1
C2
NO2
X1
X2
EP02-000976B
UL2464 8P*24AWG
21
20
19
15
14
13
R-SW
12
11
10
9
8
7
6
5
4
3
2
1
JST
YLR-21VSYM-01T-P0.5A
16
17
18
21
20
19
18
17
16
15
14
13
12
11
10
9
8
7
6
5
4
3
2
1
R-SW
JST
YLP-21V SYF-01T-P0.5A
UL2464 2P*24AWG
UL2464 2P*24AWG
8
7
6
5
4
3
2
1
R-EXC-SW
JSTYLR-08V
SYM-01T-P0.5A
8
7
6
5
4
3
2
1
R-EXC-SW
JST
YLP-08V
SYF-01T-P0.5A
EP02-001918A
1
1
2
3

Page
+$1:+$
353
Base - Rear Operation SW - PRO(D) Standard
EXCEN PRO(M)
EXCEN PRO(D)
EXCEN PRO(L)
NO. PART NO. PART NAME Q'TY Old No. Supply Supply LT Reference
1 EP02-000976C HARNESS-SERVO SW REAR CABLE ASSY 1
2 EP02-001742A HARNESS-V1+_REAR_SW CABLE 1
3 AM03-021194A CABLE ASSY-MTED_ST_EXCHANGE SW REAR CABL 1

Page
+$1:+$
354
EXCEN PRO(M)
EXCEN PRO(D
)
EXCEN PRO(L)
Base - AF Stage Camera
-A01
-K305
CPU BOX
STAGE CAMERA AF
P1
1
14
25
12
24
11
23
10
22
9
21
8
20
7
19
6
18
5
17
4
16
3
15
2
13
26
5
18
6
HDR-E26LPH
HDR-E26MAG1+HONDA
VIS-P1
1
14
25
12
24
11
23
10
22
9
21
8
20
7
19
17
4
16
3
15
2
13
26
25
12
24
11
23
10
22
9
21
8
20
7
19
6
18
5
17
4
16
5
15
2
14
1
DOUT1
13
26
GND/+12V
GND
X0 (-)
X0 (+)
X1 (-)
X1 (+)
X2 (-)
X2 (+)
XCLK(-)
XCLK(+)
X3 (-)
X3 (+)
SERTC(+)
SERTC(-)
SERTFG(-)
SERTFG(+)
CC1(-)
CC1(+)
CC2(+)
CC2(-)
CC3(-)
CC3(-)
CC4(+)
CC4(-)
GND
GND/+12V
22
9
21
HDR-E26LPA+
HDR-E26MAG1+ HONDA
1
14
2
15
3
16
4
17
5
18
6
19
AF-CAM-DOUT1
7
20
8
10
23
11
24
12
25
13
26
AF-CAM-DCIN
12
11
10
9
8
7
6
5
4
3
2
1
SNH-10-12(P)(RIGHT ANGLE)
12
11
10
9
8
7
6
5
4
3
2
1
DCIN
GND
+12V
GND
GND
GND
GND
GND/+12V
GND
X0 (-)
X0 (+)
X1 (-)
X1 (+)
X2 (-)
X2 (+)
XCLK(-)
XCLK(+)
X3 (-)
X3 (+)
SERTC(+)
SERTC(-)
SERTFG(-)
SERTFG(+)
CC1(-)
CC1(+)
CC2(+)
CC2(-)
CC3(-)
CC3(+)
CC4(+)
CC4(-)
GND
GND/+12V
-A41
(#28/4C)*3+#28/2P+#28/2C)
HRZEV-ESLAB(20276)
EP02-002072A
FG
+12V
GND
FG
+12V
GND
6
5
4
3
2
1
CPU-CN3
MOLEX 5557-06R 5556T
CN3
6
5
4
3
2
1
EP02-000957A
UL2464-SB 2P*24AWG
VISION
Grabber BOARD
(-K325)
LED_CH1-
LED_CH1+
LED_CH2-
LED_CH2+
LED_CH3-
LED_CH3+
LED_CH4-
LED_CH4+
+SIDE
-SIDE
+OUTER1
-OUTER1
+OUTER2
-OUTER2
CN5
8
4
7
3
6
2
5
1
8
4
7
3
6
2
5
1
SILL1-CN5
MOLEX 5557-08P
5556T
2
1
CN3
2
1
AF-CAM-CN3
MOLEX5557-02R5556T
+COAXIAL
-COAXIAL
6
3
5
2
4
1
AF-CAM-SCN1
MOLEX5557-06R5556T
6
3
5
2
4
1
SCN1
GN/WH
GN
RD/WH
RD
BK/WH
BK
U-TKVV AWG22-4P
EP02-000983A
YE
YE/WH
-A50
SILL CONTROL BOX
SILL CONTROL BOARD
SILL-1
1
2
3