Excellent Modular Component Placer EXCEN Series EXCEN PRO(M)/(D)/(L) Technical Reference - 第386页
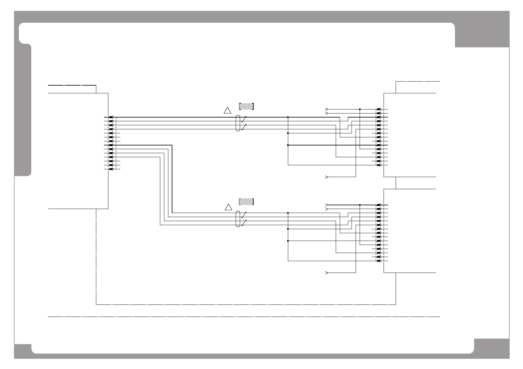
Page +$1:+$ 380 EXCEN PRO(M) EXCEN PRO(D ) EXCEN PRO(L) Base - NCIO ZMP -A01 -K304 NCIO BOARD OPTO_A OPTO_B_RTN OPTO_D OPTO_E_RTN XESTOP OPTO_A_RTN OPTO_C OPTO_D_RTN OPTO_F XESTOP_RTN OPTO_B OPTO_C_RTN OPTO_E OPTO_F_RTN …

Page
+$1:+$
379
Base - NCIO Vision
EXCEN PRO(M)
EXCEN PRO(D)
EXCEN PRO(L)
NO. PART NO. PART NAME Q'TY Old No. Supply Supply LT Reference
1 AM03-019260A CABLE ASSY-NEW VIS-RT ETHERNET CABLE ASSY 1 AM03-008397B
2 EP02-000998B HARNESS-NCIO ZMP ILK SIGNAL CABLE ASSY 1
3 EP02-000997B HARNESS-NCIO FAN ALM CABLE ASSY 1
4 AM03-019260A CABLE ASSY-NEW VIS-RT ETHERNET CABLE ASS 1

Page
+$1:+$
380
EXCEN PRO(M)
EXCEN PRO(D
)
EXCEN PRO(L)
Base - NCIO ZMP
-A01
-K304
NCIO BOARD
OPTO_A
OPTO_B_RTN
OPTO_D
OPTO_E_RTN
XESTOP
OPTO_A_RTN
OPTO_C
OPTO_D_RTN
OPTO_F
XESTOP_RTN
OPTO_B
OPTO_C_RTN
OPTO_E
OPTO_F_RTN
GND
GND
AFXY ILK OT
ARXY ILK OT
A,EMG OUT
AF SVSTRIGIN
AR SVSTRIGIN
GND
GND
BFXY ILK OT
BRXY ILK OT
B,EMG OUT
BF SVSTRIGIN
BR SVSTRIGIN
GND
1
2
3
4
5
6
7
8
9
10
11
12
CN3
13
14
SPUD-001T-P0.5
PUDP-14V-S
JST
NCIO-CN3
1
2
3
4
5
6
7
8
9
10
11
12
13
14
CPU BOX
-K302
-K303
MOTION CARD#1
ZMP-6U#1
OPTO_A
OPTO_B_RTN
OPTO_D
OPTO_E_RTN
XESTOP
OPTO_A_RTN
OPTO_C
OPTO_D_RTN
OPTO_F
XESTOP_RTN
OPTO_B
OPTO_C_RTN
OPTO_E
OPTO_F_RTN
GND
MOTION CARD#2
ZMP-6U#2
IO
1
2
3
4
5
6
7
8
9
10
11
12
13
14
15
IO
1
2
3
4
5
6
7
8
9
10
11
12
13
14
15
UL2464 2P*24AWG
EP02-000998B
UL1007 AWG24
AM03-003282A+029AA-5D COM12
AM03-003282A+029AA-5D A_TRIG1
AM03-003282A+029AA-5D A_TRIG0
AM03-003282A+029AA-5D COM12
AM03-003282A+029AA-5D A_TRIG3
AM03-003282A+029AA-5D A_TRIG2
17SE-09H-1C
3ROW 15PIN DSUB(MALE)
DDK
1
2
3
4
5
6
7
8
9
10
11
12
MTN1-CNIO
13
14
15
17SE-09H-1C
3ROW 15PIN DSUB(MALE)
DDK
1
2
3
4
5
6
7
8
9
10
11
12
MTN2-CNIO
13
14
15
UL1007 AWG24
UL1007 AWG24
UL1007 AWG24
UL1007 AWG24
UL1007 AWG24
UL2464 2P*24AWG
EP02-000998B
1
1
1
1

Page
+$1:+$
381
Base - NCIO ZMP
EXCEN PRO(M)
EXCEN PRO(D)
EXCEN PRO(L)
NO. PART NO. PART NAME Q'TY Old No. Supply Supply LT Reference
1 EP02-000998B HARNESS-NCIO ZMP ILK SIGNAL CABLE ASSY 1