Excellent Modular Component Placer EXCEN Series EXCEN PRO(M)/(D)/(L) Technical Reference - 第390页
Page +$1:+$ 384 EXCEN PRO(M) EXCEN PRO(D ) EXCEN PRO(L) Base - AF Cart Unit -A02 -K321 BASE CONTROL BOARD POWER UNIT +24V +24V +24V GND GND GND N,C F, G 15 14 13 CNCART AF 12 6 3 11 5 4 8 7 10 9 2 1 16 2 1 CN-SRV GND PMS…

Page
+$1:+$
383
Base - RS232C Ring
EXCEN PRO(M)
EXCEN PRO(D)
EXCEN PRO(L)
NO. PART NO. PART NAME Q'TY Old No. Supply Supply LT Reference
1 EP02-000971A HARNESS-NCIO IO BD RS232C CABLE ASSY 1
2 EP02-000973A HARNESS-IO BD NCIO RS232C CABLE ASSY 1
3 EP02-000974A HARNESS-NCIO BASE CTR BD RS2342C CABLE 1

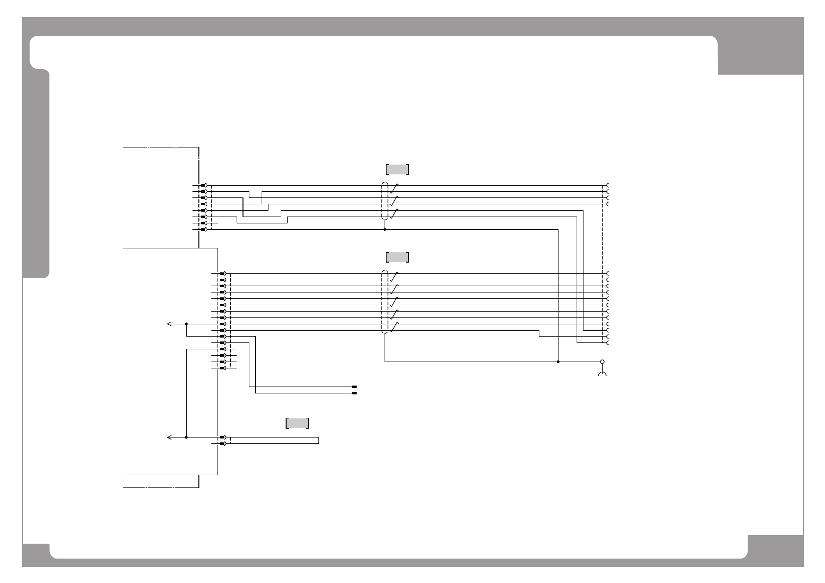
Page
+$1:+$
384
EXCEN PRO(M)
EXCEN PRO(D
)
EXCEN PRO(L)
Base - AF Cart Unit
-A02
-K321
BASE CONTROL BOARD
POWER UNIT
+24V
+24V
+24V
GND
GND
GND
N,C
F,G
15
14
13
CNCARTAF
12
6
3
11
5
4
8
7
10
9
2
1
16
2
1
CN-SRV
GND
PMS-02V-S
SPA-001T-P0.5
PARP-02V
JST
1
2
BC-CN-SRV
J90834465A
UL1007 AWG22, BU
43030-0001
43025-1600
MOLEX
BC-CNCARTAF
1
2
9
10
7
8
4
5
11
3
6
12
13
14
15
16
IN014(SVONSW)
16
8
15
7
14
6
13
5
12
4
11
3
9
10
1
2
CART,AF
JAE
DM1R016PA1
DR-PC20-1-7000
+24V
GND
+24V
GND
CUNET-H
CUNET-L
RS485+AF
RS485-AF
CAN+
CAN-
ID0
ID1
GND
GND
EMG+
EMG-
24GND
CUNET-H
CUNET-L
RS485+AF
RS485-AF
CAN+
CAN-
ID0
ID1
I/O
+24VCONT
S,GND
GNDC
UL2464-SB 4P*20AWG
EP02-000979A
UL2464-SB 6P*24AWG
EP02-000979A
1.5SQ/M3
FG
UL1007 AWG24, BLUE
UL1007 AWG24, BLUE
2
1
ETC1
JST
YLR-02VSYM-01T-P0.5A
YLS-02V
NO USE
IN034
CARTAF
8
7
6
5
4
3
2
1
8
7
6
5
4
3
2
1
PW-CARTAF
MOLEX
5557-08R
5556T
1
1
2

Page
+$1:+$
385
Base - AF Cart Unit
EXCEN PRO(M)
EXCEN PRO(D)
EXCEN PRO(L)
NO. PART NO. PART NAME Q'TY Old No. Supply Supply LT Reference
1 EP02-000979A HARNESS-AF CART COMUNICATION CABLE ASS 2
2 J90834465A BASE_CTR_BD_SHORT_CABLE;V1_BASE_099 1