Excellent Modular Component Placer EXCEN Series EXCEN PRO(M)/(D)/(L) Technical Reference - 第392页
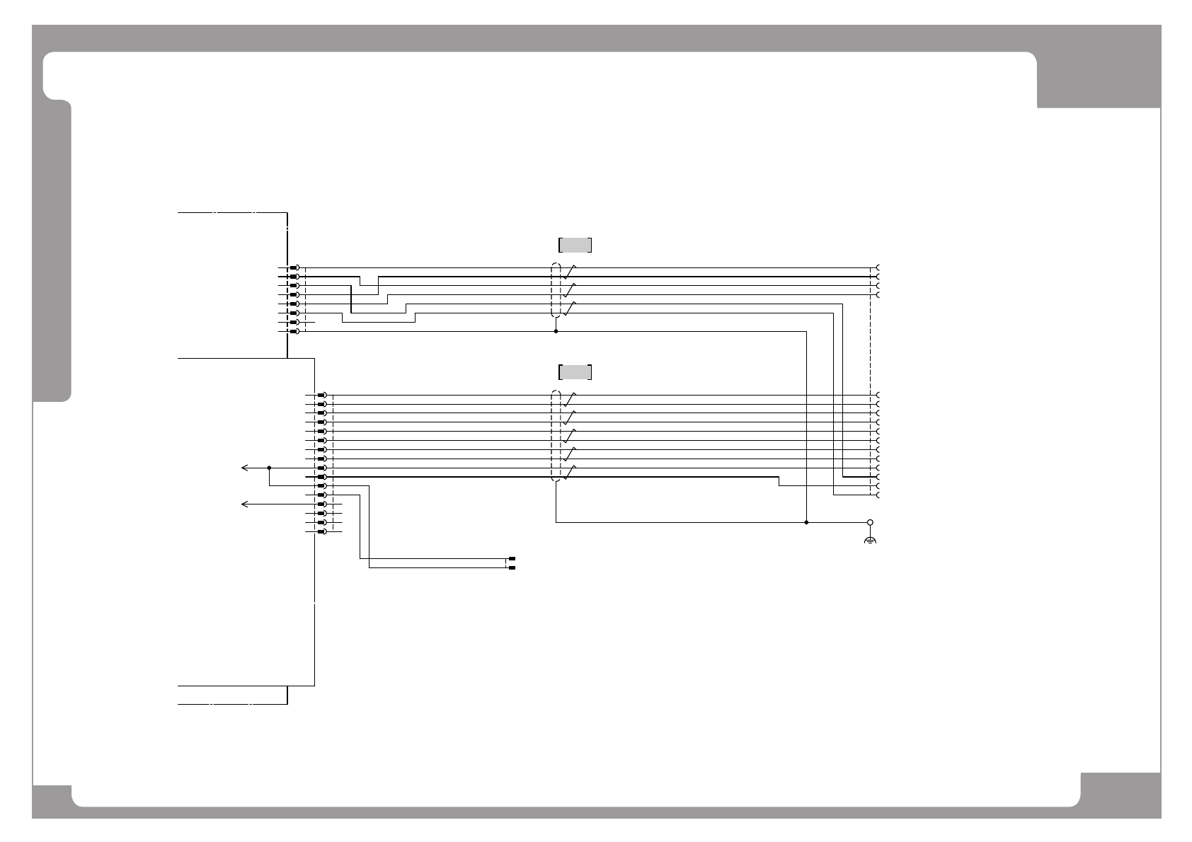
Page +$1:+$ 386 EXCEN PRO(M) EXCEN PRO(D ) EXCEN PRO(L) Base - AR Cart Unit -A02 -K321 BASE CONTROL BOARD POWER UNIT +24V +24V +24V GND GND GND N,C F, G IN014(SVONSW) 16 8 15 7 14 6 13 5 12 4 11 3 9 10 1 2 CART ,AR JAE D…

Page
+$1:+$
385
Base - AF Cart Unit
EXCEN PRO(M)
EXCEN PRO(D)
EXCEN PRO(L)
NO. PART NO. PART NAME Q'TY Old No. Supply Supply LT Reference
1 EP02-000979A HARNESS-AF CART COMUNICATION CABLE ASS 2
2 J90834465A BASE_CTR_BD_SHORT_CABLE;V1_BASE_099 1

Page
+$1:+$
386
EXCEN PRO(M)
EXCEN PRO(D
)
EXCEN PRO(L)
Base - AR Cart Unit
-A02
-K321
BASE CONTROL BOARD
POWER UNIT
+24V
+24V
+24V
GND
GND
GND
N,C
F,G
IN014(SVONSW)
16
8
15
7
14
6
13
5
12
4
11
3
9
10
1
2
CART,AR
JAE
DM1R016PA1
DR-PC20-1-7000
+24V
GND
+24V
GND
CUNET-H
CUNET-L
RS485+AR
RS485-AR
CAN+
CAN-
ID0
ID1
GND
GND
EMG+
EMG-
24GND
CUNET-H
CUNET-L
RS485+AR
RS485-AR
CAN+
CAN-
ID0
ID1
I/O
+24VCONT
S,GND
GNDC
15
14
13
CNCARTAR
12
6
3
11
5
4
8
7
10
9
2
1
16
43030-0001
43025-1600
MOLEX
BC-CNCARTAR
1
2
9
10
7
8
4
5
11
3
6
12
13
14
15
16
UL2464-SB 4P*20AWG
EP02-000980A
UL2464-SB 6P*24AWG
EP02-000980A
1.5SQ/M3
FG
UL1007 AWG24, BLUE
UL1007 AWG24, BLUE
2
1
ETC2
JST
YLR-02VSYM-01T-P0.5A
YLS-02V
NO USE
IN035
CARTAR
8
7
6
5
4
3
2
1
8
7
6
5
4
3
2
1
PW-CARTAR
MOLEX
5557-08R
5556T
1
1

Page
+$1:+$
387
Base - AR Cart Unit
EXCEN PRO(M)
EXCEN PRO(D)
EXCEN PRO(L)
NO. PART NO. PART NAME Q'TY Old No. Supply Supply LT Reference
1 EP02-000980A HARNESS-AR CART COMUNICATION CABLE ASS 2