Excellent Modular Component Placer EXCEN Series EXCEN PRO(M)/(D)/(L) Technical Reference - 第395页
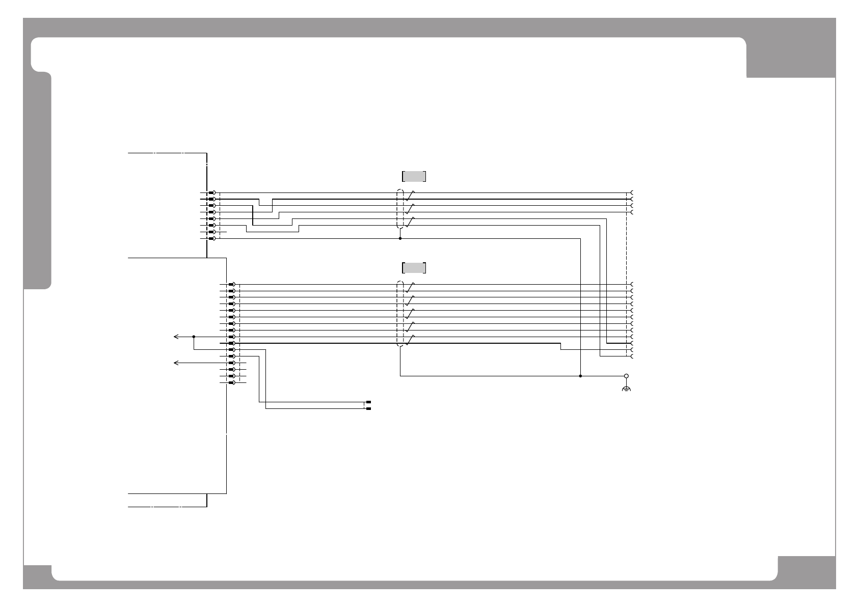
Page +$1:+$ 389 Base - AR Cart Unit - PRO(D) Standard EXCEN PRO(M) EXCEN PRO(D) EXCEN PRO(L) NO. P ART NO. P ART NAME Q'TY Old No. Supply Supply L T Reference 1 EP02-000980A HARNESS-AR CART COMUNICA TION CABLE ASS 2

Page
+$1:+$
388
EXCEN PRO(M)
EXCEN PRO(D
)
EXCEN PRO(L)
Base - AR Cart Unit - PRO(D) Standard
-A02
-K321
BASE CONTROL BOARD
POWER UNIT
+24V
+24V
+24V
GND
GND
GND
N,C
F,G
IN014(SVONSW)
16
8
15
7
14
6
13
5
12
4
11
3
9
10
1
2
CART,AR
JAE
DM1R016PA1
DR-PC20-1-7000
+24V
GND
+24V
GND
CUNET-H
CUNET-L
RS485+AR
RS485-AR
CAN+
CAN-
ID0
ID1
GND
GND
EMG+
EMG-
24GND
CUNET-H
CUNET-L
RS485+AR
RS485-AR
CAN+
CAN-
ID0
ID1
I/O
+24VCONT
S,GND
GNDC
15
14
13
CNCARTAR
12
6
3
11
5
4
8
7
10
9
2
1
16
43030-0001
43025-1600
MOLEX
BC-CNCARTAR
1
2
9
10
7
8
4
5
11
3
6
12
13
14
15
16
UL2464-SB 4P*20AWG
EP02-000980A
UL2464-SB 6P*24AWG
EP02-000980A
1.5SQ/M3
FG
UL1007 AWG24, BLUE
UL1007 AWG24, BLUE
2
1
ETC2
JST
YLR-02VSYM-01T-P0.5A
YLS-02V
NO USE
IN035
CARTAR
8
7
6
5
4
3
2
1
8
7
6
5
4
3
2
1
PW-CARTAR
MOLEX
5557-08R
5556T
1
1

Page
+$1:+$
389
Base - AR Cart Unit - PRO(D) Standard
EXCEN PRO(M)
EXCEN PRO(D)
EXCEN PRO(L)
NO. PART NO. PART NAME Q'TY Old No. Supply Supply LT Reference
1 EP02-000980A HARNESS-AR CART COMUNICATION CABLE ASS 2

Page
+$1:+$
390
EXCEN PRO(M)
EXCEN PRO(D
)
EXCEN PRO(L)
Base - AR Cart Unit - Direct Tray Docking Cart Option
-A02
-K321
BASE CONTROL BOARD
POWER UNIT
+24V
+24V
+24V
GND
GND
GND
N,C
F,G
IN014(SVONSW)
+24V
GND
+24V
GND
CUNET-H
CUNET-L
RS485+AR
RS485-AR
CAN+
CAN-
ID0
ID1
GND
GND
EMG+
EMG-
24GND
CUNET-H
CUNET-L
RS485+AR
RS485-AR
CAN+
CAN-
ID0
ID1
I/O
+24VCONT
S,GND
GNDC
NO USE
IN035
FROM AM03-003282A+068AA-4A
16
8
15
7
14
6
13
5
12
4
11
3
9
10
1
2
CUTCART-AR
JAE
DM1R016PA1
DR-PC20-1-7000
15
14
13
CNCARTAR
12
6
3
11
5
4
8
7
10
9
2
1
16
43030-0001
43025-1600
MOLEX
BC-CNCARTAR
1
2
9
10
7
8
4
5
11
3
6
12
13
14
15
16
UL2464-SB 4P*20AWG
AM03-021805A
UL2464-SB 6P*24AWG
AM03-021805A
1.5SQ/M3
FG
UL1007 AWG24, BLUE
UL1007 AWG24, BLUE
2
1
ETC2
JST
YLR-02VSYM-01T-P0.5A
YLS-02V
CARTAR
8
7
6
5
4
3
2
1
8
7
6
5
4
3
2
1
PW-CARTAR
MOLEX
5557-08R
5556T
2
1
ARCUT-ILK-EXT
JST
YLR-02V SYM-01T-P0.5A
YLS-02V
43030-0001
43025-0400
MOLEX
1
2
3
4
GIO-CN312
CN312
4
3
2
1
MOLEX
43045-0412
YLS-02V
SYF-01T-P0.5A YLP-02V
JST
1
2
ARCUT-ILK
(0.2mm2-1P)
AM03-020194A
U-TKVV AWG24-1P
BK
BK/WH
1
1
3
2