Excellent Modular Component Placer EXCEN Series EXCEN PRO(M)/(D)/(L) Technical Reference - 第398页
Page +$1:+$ 392 EXCEN PRO(M) EXCEN PRO(D ) EXCEN PRO(L) Base - BF Cart Unit -A02 -K321 BASE CONTROL BOARD POWER UNIT +24V +24V +24V GND GND GND N,C F, G IN014(SVONSW) 16 8 15 7 14 6 13 5 12 4 11 3 9 10 1 2 CART ,BF JAE D…

Page
+$1:+$
391
Base - AR Cart Unit - Direct Tray Docking Cart Option
EXCEN PRO(M)
EXCEN PRO(D)
EXCEN PRO(L)
NO. PART NO. PART NAME Q'TY Old No. Supply Supply LT Reference
1 AM03-021805A CABLE ASSY-AR CUT-CART COMUNICATIONCABLE 2
2 AM03-020194A CABLE ASSY-AR CUTER ILK CABLE ASSY 1
3 AM03-003282A ASSY,ELECTRIC-HSH V1+ BASE HARNESS 1

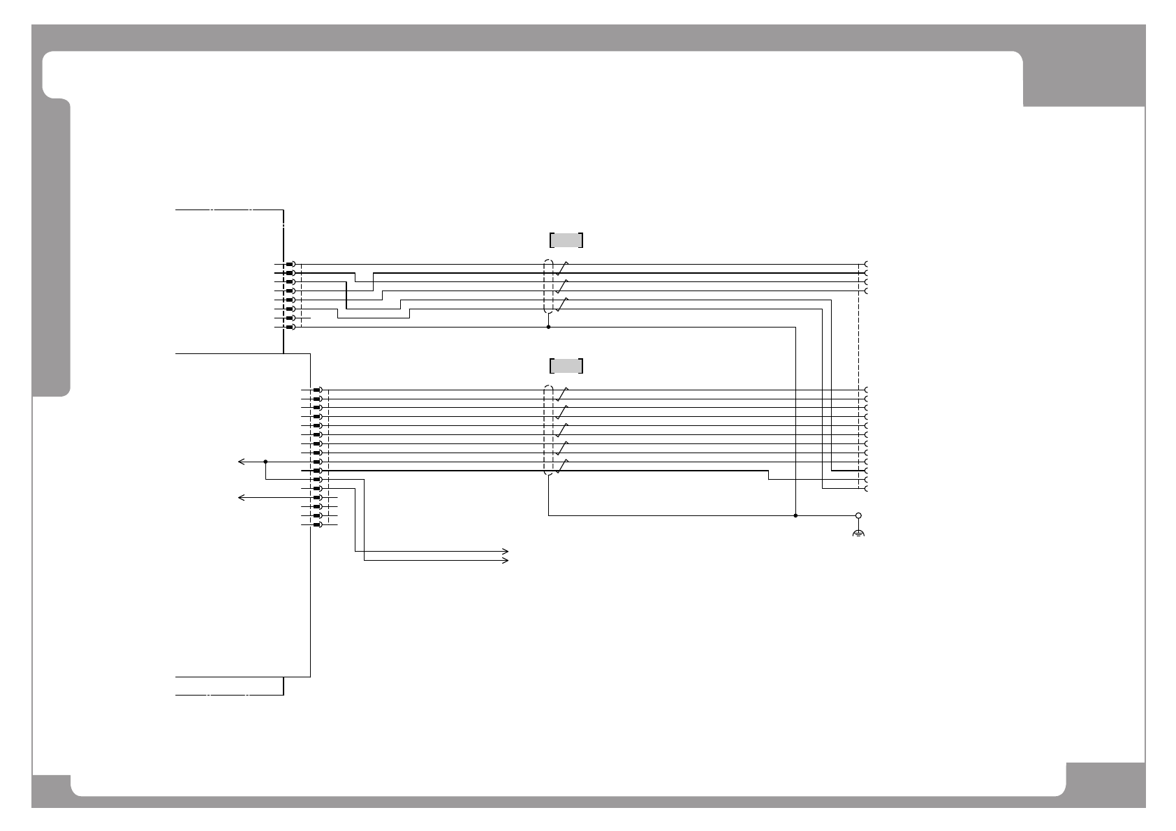
Page
+$1:+$
392
EXCEN PRO(M)
EXCEN PRO(D
)
EXCEN PRO(L)
Base - BF Cart Unit
-A02
-K321
BASE CONTROL BOARD
POWER UNIT
+24V
+24V
+24V
GND
GND
GND
N,C
F,G
IN014(SVONSW)
16
8
15
7
14
6
13
5
12
4
11
3
9
10
1
2
CART,BF
JAE
DM1R016PA1
DR-PC20-1-7000
+24V
GND
+24V
GND
15
14
13
CNCARTBF
12
6
3
11
5
4
8
7
10
9
2
1
16
43030-0001
43025-1600
MOLEX
BC-CNCARTBF
1
2
9
10
7
8
4
5
11
3
6
12
13
14
15
16
CUNET-H
CUNET-L
RS485+BF
RS485-BF
CAN+
CAN-
ID0
ID1
GND
GND
EMG+
EMG-
24GND
CUNET-H
CUNET-L
RS485+BF
RS485-BF
CAN+
CAN-
ID0
ID1
I/O
+24VCONT
S,GND
GNDC
UL2464-SB 4P*20AWG
EP02-000981A
UL2464-SB 6P*24AWG
EP02-000981A
1.5SQ/M3
FG
UL1007 AWG24, BLUE
UL1007 AWG24, BLUE
BF-DTRAY-FD2-1
AM03-003282A+037AA-3C
BF-DTRAY-FD2-2
AM03-003282A+037AA-3C
IN036
CARTBF
8
7
6
5
4
3
2
1
8
7
6
5
4
3
2
1
PW-CARTBF
MOLEX
5557-08R
5556T
1
1

Page
+$1:+$
393
Base - BF Cart Unit
EXCEN PRO(M)
EXCEN PRO(D)
EXCEN PRO(L)
NO. PART NO. PART NAME Q'TY Old No. Supply Supply LT Reference
1 EP02-000981A HARNESS-BF CART COMUNICATION CABLE ASS 2