Excellent Modular Component Placer EXCEN Series EXCEN PRO(M)/(D)/(L) Technical Reference - 第402页
Page +$1:+$ 396 EXCEN PRO(M) EXCEN PRO(D ) EXCEN PRO(L) Base - BR Cart Unit -A02 -K321 BASE CONTROL BOARD POWER UNIT CUNET -H CUNET -L RS485+BR RS485-BR CAN+ CAN- ID0 ID1 GND GND EMG+ EMG- 24GND +24V +24V +24V GND GND GN…

Page
+$1:+$
395
Base - BF Cart Unit - Direct Tray Docking Cart Option
EXCEN PRO(M)
EXCEN PRO(D)
EXCEN PRO(L)
NO. PART NO. PART NAME Q'TY Old No. Supply Supply LT Reference
1 AM03-021804A CABLE ASSY-BF CUT-CART COMUNICATIONCABLE 2
2 AM03-003282A ASSY,ELECTRIC-HSH V1+ BASE HARNESS 2
3 AM03-020195A CABLE ASSY-BF CUTER ILK CABLE ASSY 1
4 AM03-003282A ASSY,ELECTRIC-HSH V1+ BASE HARNESS 1

Page
+$1:+$
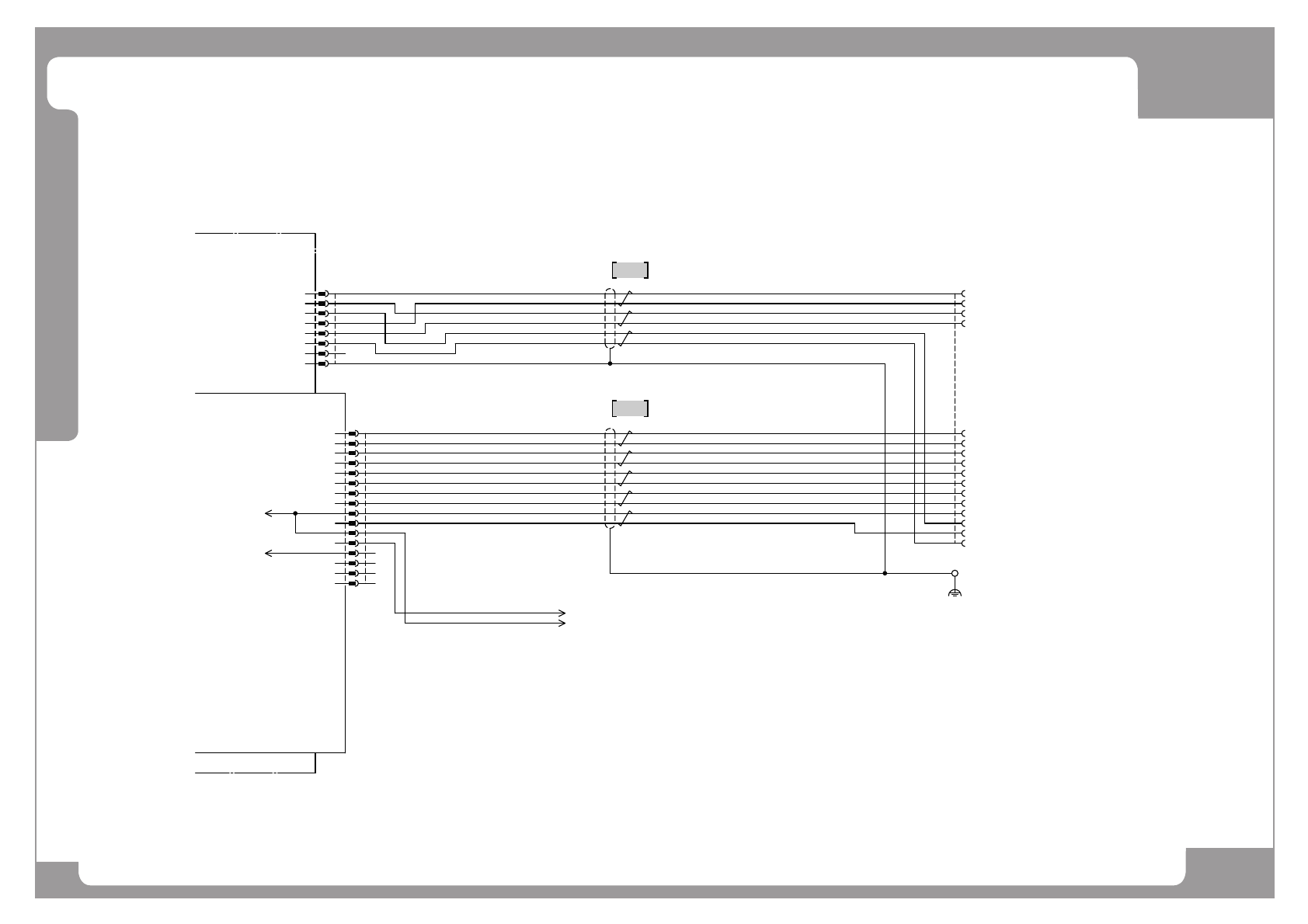
396
EXCEN PRO(M)
EXCEN PRO(D
)
EXCEN PRO(L)
Base - BR Cart Unit
-A02
-K321
BASE CONTROL BOARD
POWER UNIT
CUNET-H
CUNET-L
RS485+BR
RS485-BR
CAN+
CAN-
ID0
ID1
GND
GND
EMG+
EMG-
24GND
+24V
+24V
+24V
GND
GND
GND
N,C
F,G
IN014(SVONSW)
16
8
15
7
14
6
13
5
12
4
11
3
9
10
1
2
CART,BR
JAE
DM1R016PA1
DR-PC20-1-7000
+24V
GND
+24V
GND
15
14
13
CNCARTBR
12
6
3
11
5
4
8
7
10
9
2
1
16
43030-0001
43025-1600
MOLEX
BC-CNCARTBR
1
2
9
10
7
8
4
5
11
3
6
12
13
14
15
16
CUNET-H
CUNET-L
RS485+BR
RS485-BR
CAN+
CAN-
ID0
ID1
I/O
+24VCONT
S,GND
GNDC
UL2464-SB 4P*20AWG
EP02-000982A
UL2464-6P*24AWG
EP02-000982A
1.5SQ/M3
FG
UL1007 AWG24, BLUE
UL1007 AWG24, BLUE
BR-DTRAY-FD2-1
AM03-003282A+037AA-3E
BR-DTRAY-FD2-2
AM03-003282A+037AA-3E
IN037
CARTBR
8
7
6
5
4
3
2
1
8
7
6
5
4
3
2
1
PW-CARTBR
MOLEX
5557-08R
5556T
1
1

Page
+$1:+$
397
Base - BR Cart Unit
EXCEN PRO(M)
EXCEN PRO(D)
EXCEN PRO(L)
NO. PART NO. PART NAME Q'TY Old No. Supply Supply LT Reference
1 EP02-000982A HARNESS-BR CART COMUNICATION CABLE ASS 2