Excellent Modular Component Placer EXCEN Series EXCEN PRO(M)/(D)/(L) Technical Reference - 第418页
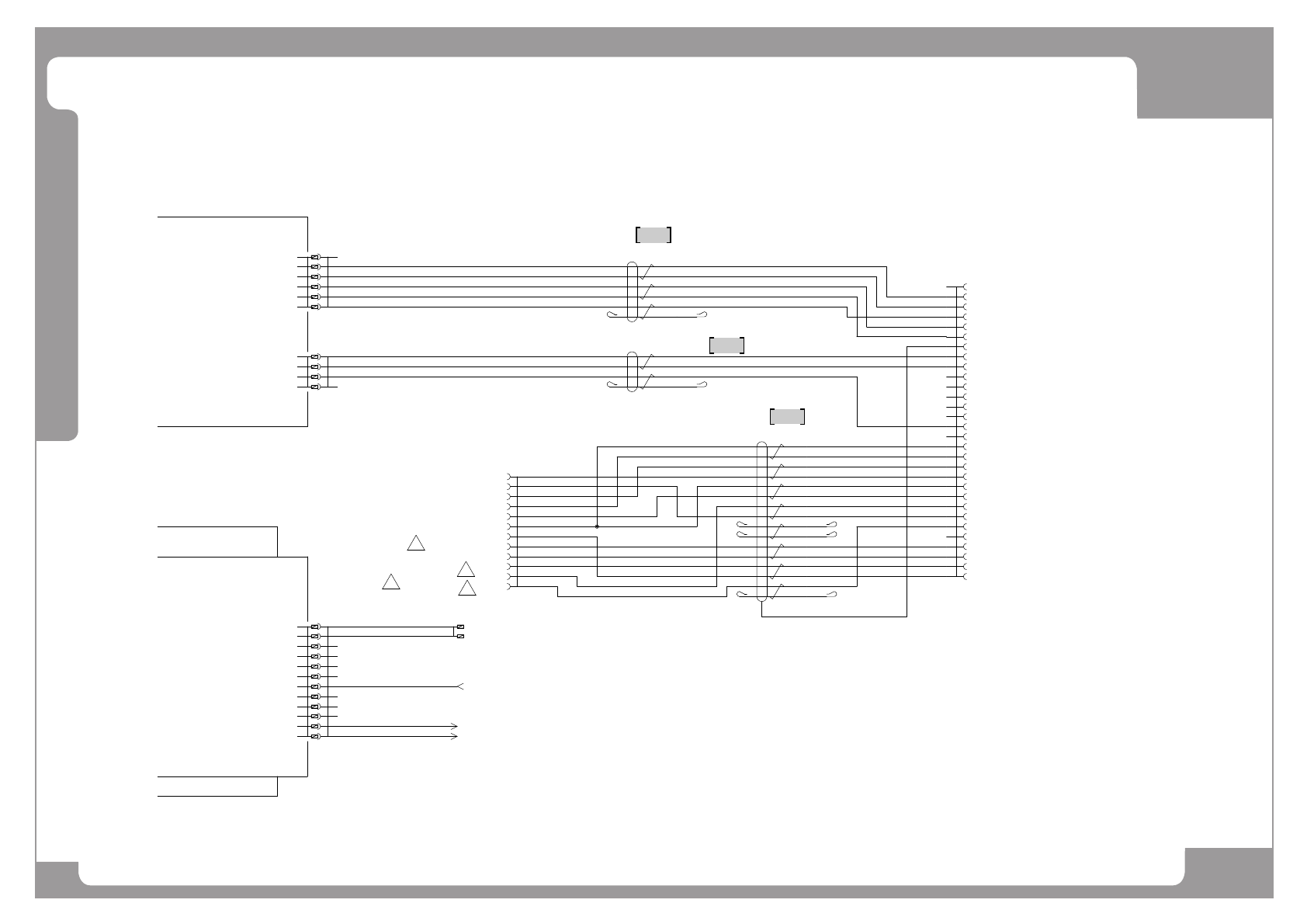
Page +$1:+$ 412 EXCEN PRO(M) EXCEN PRO(D ) EXCEN PRO(L) Base - Other Communicate2 - Large Conveyor Option 1 1 1 -A02 -K321 BASE CONTROL BOARD POWER UNIT LN006 LN007 GND OT006 OT007 COM00 IN147 COMS OT147 GND GND +24VOUT …

Page
+$1:+$
411
Base - Other Communicate1 - Large Conveyor Option
EXCEN PRO(M)
EXCEN PRO(D)
EXCEN PRO(L)
NO. PART NO. PART NAME Q'TY Old No. Supply Supply LT Reference
1 EP02-000987A HARNESS-BEFOR COMUNICATION CABLE ASSY 3

Page
+$1:+$
412
EXCEN PRO(M)
EXCEN PRO(D
)
EXCEN PRO(L)
Base - Other Communicate2 - Large Conveyor Option
1
1
1
-A02
-K321
BASE CONTROL BOARD
POWER UNIT
LN006
LN007
GND
OT006
OT007
COM00
IN147
COMS
OT147
GND
GND
+24VOUT
+24VCOM
RS422RX+
RS422RX-
SG
RS422TX+
RS422TX-
FG
SD
RD
RS
CS
N,C
DR
ER
SG
N,C
SFTYOT#1COM
SFTYOT#1(006)
SFTYIN#1COM
SFTYIN#1(006)
FFTsenOTst#1COM
FFTsenOTst#1(007)
FFTsenINst#1COM
FFTsenINst#1(007)
SG
N,C
FFTsenOTst#COM
FFTsenOTst#(147)
FFTsenINst#1COM
FFTsenINst#(147)
-K322
I/O BOARD
N,C
RXD2+
RXD2-
TXD2+
TXD2-
GND
TXD3
RXD3
GND
N,C
LN006 1FBoard DetectSensor(Second position)----AM03-003282A+073AA-2A
NO USE
IN147 2R Board DetectSensor(Second position)----AM03-003282A+073AA-3E
+24VOUT-1----AM03-003282A+073AA-3E
24GND-1 ----AM03-003282A+073AA-3E
LN007 2FBoard DetectSensor(Second position)----AM03-003282A+073AA-2B
AM03-014642C
CT01
12
11
10
9
8
7
6
5
4
3
2
1
12
11
10
9
8
7
6
5
4
3
2
1
BC-CT01
JAE
MX34012SF1
MX34S75C4F1
CN24
6
5
4
3
2
1
CN25
4
3
2
1
IL-AG5-C1-5000
IL-AG5-4S-S3C1
JAE
1
2
3
4
IO-CN25
6
5
4
3
2
1
IO-CN24
JAE
IL-AG5-6S-S3C1
IL-AG5-C1-5000
EP02-000988A
UL2464-SB 8P*24AWG
UL2464 4P*24AWG
EP02-000988A
EP02-000988A
UL2464 2P*24AWG
D2
D1
C6
C5
C4
C3
C2
C1
B6
B5
B4
B3
B2
B1
A6
A5
A4
A3
A2
A1
E6
E5
E4
E3
E2
E1
CNCO-ML
MOLEX
51238-3011
56120-8428
56121-8428
56377-3000
D3
D4
D5
D6
12
11
10
9
8
7
6
5
4
3
2
1
BC-CT01
JAE
MX34012SF1
MX34S75C4F1
1
1
2
1
2ND-SEN-EXT
JST
YLR-02V
SYM-01T-P0.5A
YLS-02V
2
3

Page
+$1:+$
413
Base - Other Communicate2 - Large Conveyor Option
EXCEN PRO(M)
EXCEN PRO(D)
EXCEN PRO(L)
NO. PART NO. PART NAME Q'TY Old No. Supply Supply LT Reference
1 EP02-000988A HARNESS-NEXT PROCESS CABLE ASSY 3