Excellent Modular Component Placer EXCEN Series EXCEN PRO(M)/(D)/(L) Technical Reference - 第423页
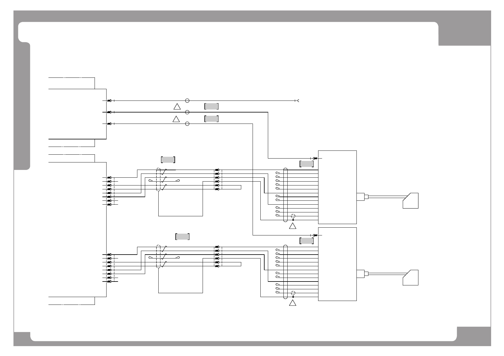
Page +$1:+$ 417 Base - 3D Sensor EXCEN PRO(M) EXCEN PRO(D) EXCEN PRO(L) NO. P ART NO. P ART NAME Q'TY Old No. Supply Supply L T Reference 1 EP02-001874A HARNESS -BF 3D SEN SOR SIGN AL CABLE 1 2 EP02-001875A HARNESS-…

Page
+$1:+$
416
EXCEN PRO(M)
EXCEN PRO(D
)
EXCEN PRO(L)
Base - 3D Sensor
-A02
-K321
BASE CONTROL BOARD
POWER UNIT
+24V
GND
24V-CHK
24V-CHK ret
3D SENSOR Irradiation STOP BF
GND
+24V
GND
CN3DF
8
7
6
5
4
3
2
1
CN3DR
8
7
6
5
4
3
2
1
+24V
GND
24V-CHK
24V-CHK ret
3D SENSOR Irradiation STOP BR
GND
+24V
GND
8
7
6
5
4
3
2
1
BC-CN3DF
JST
XARP-08V
SXA-01T-P0.6
XMS-08V
8
7
6
5
4
3
2
1
BC-CN3DR
JST
XARP-08V
SXA-01T-P0.6
XMS-08V
-A01
-K305
VISION Grabber BOARD
CPU BOX
USB1
USB2
USB3
USB1K305
USB2K305
USB3K305
1
USB1
USB2
USB3
BF 3D SENSOR AMP
BR 3D SENSOR AMP
FROM USER DATA
J9
J90834087A
J90834087A
J90834431A
J90834431A
BF 3D SENSOR HEAD
BR 3D SENSOR HEAD
BR-3DSNS
6
5
4
3
2
1
JST
YLR-06V
SYM-01T-P0.5A
YLS-03V
BF-3DSNS
6
5
4
3
2
1
JST
YLR-06V
SYM-01T-P0.5A
YLS-03V
6
5
4
3
2
1
3DSNS
JST
YLP-06V
SYF-01T-P0.5A
YLS-03V
6
5
4
3
2
1
3DSNS
JST
YLP-06V
SYF-01T-P0.5A
YLS-03V
UL2464-SB 3P*24AWG
EP02-001874A
(OPTION CABLE)
(OPTION CABLE)
+24V
OUT0
OUT1
OUT2
OUT3
OUT4
GND
IN0
IN1
IN2
IN3
N,C
Linear OUT
Linear GND
USB
ZS-HLDC11
OMRON
-A36
BK
OG
WH
VT
LB
YE
BU
GY
PK
BK
GN
RD
BN
+24V
OUT0
OUT1
OUT2
OUT3
OUT4
GND
IN0
IN1
IN2
IN3
N,C
Linear OUT
Linear GND
USB
ZS-HLDC11
OMRON
-A35
BK
OG
WH
VT
LB
YE
BU
GY
PK
BK
GN
RD
BN
1
1
UL2464-SB 3P*24AWG
EP02-001875A
2
2
1
4
4
3
3
2

Page
+$1:+$
417
Base - 3D Sensor
EXCEN PRO(M)
EXCEN PRO(D)
EXCEN PRO(L)
NO. PART NO. PART NAME Q'TY Old No. Supply Supply LT Reference
1 EP02-001874A HARNESS-BF 3D SENSOR SIGNAL CABLE 1
2 EP02-001875A HARNESS-BR 3D SENSOR SIGNAL CABLE 1
3 J90834431A 3D SENSOR CONTROLLER CABLE;V1_3DSNS_001 2
4 J90834087A 3D USB CABLE;V1_3DSNS_002 2

Page
+$1:+$
418
EXCEN PRO(M)
EXCEN PRO(D
)
EXCEN PRO(L)
Base - Transportation Sensor
-A02
-K321
BASE CONTROL BOARD
POWER UNIT
24VER
24VRET
N,C
+24V
IN044
24GND
TOPSA
6
5
4
3
2
1
TOPSB
6
5
4
3
2
1
24VER
24VRET
N,C
+24V
IN044
24GND
6
5
4
3
2
1
BC-TOPSA
MOLEX
5557-06R-210
5556T
6
5
4
3
2
1
BC-TOPSB
MOLEX
5557-06R-210
5556T
BU UL#24 80/300-0.2mm2
BU UL#24 80/300-0.2mm2
AM03-00886A
AM03-008864A
BU UL#24 80/300-0.2mm2
BU UL#24 80/300-0.2mm2
1
2