Excellent Modular Component Placer EXCEN Series EXCEN PRO(M)/(D)/(L) Technical Reference - 第425页
Page +$1:+$ 419 Base - Transportation Sensor EXCEN PRO(M) EXCEN PRO(D) EXCEN PRO(L) NO. P ART NO. P ART NAME Q'TY Old No. Supply Supply L T Reference 1 AM03 -008863A BC_B/D_T OPSA_CAB LE;V1_PW_0 66 1 2 AM03 -008864A…

Page
+$1:+$
418
EXCEN PRO(M)
EXCEN PRO(D
)
EXCEN PRO(L)
Base - Transportation Sensor
-A02
-K321
BASE CONTROL BOARD
POWER UNIT
24VER
24VRET
N,C
+24V
IN044
24GND
TOPSA
6
5
4
3
2
1
TOPSB
6
5
4
3
2
1
24VER
24VRET
N,C
+24V
IN044
24GND
6
5
4
3
2
1
BC-TOPSA
MOLEX
5557-06R-210
5556T
6
5
4
3
2
1
BC-TOPSB
MOLEX
5557-06R-210
5556T
BU UL#24 80/300-0.2mm2
BU UL#24 80/300-0.2mm2
AM03-00886A
AM03-008864A
BU UL#24 80/300-0.2mm2
BU UL#24 80/300-0.2mm2
1
2

Page
+$1:+$
419
Base - Transportation Sensor
EXCEN PRO(M)
EXCEN PRO(D)
EXCEN PRO(L)
NO. PART NO. PART NAME Q'TY Old No. Supply Supply LT Reference
1 AM03-008863A BC_B/D_TOPSA_CABLE;V1_PW_066 1
2 AM03-008864A BC_B/D_TOPSB_CABLE ;V1_PW_067 1

Page
+$1:+$
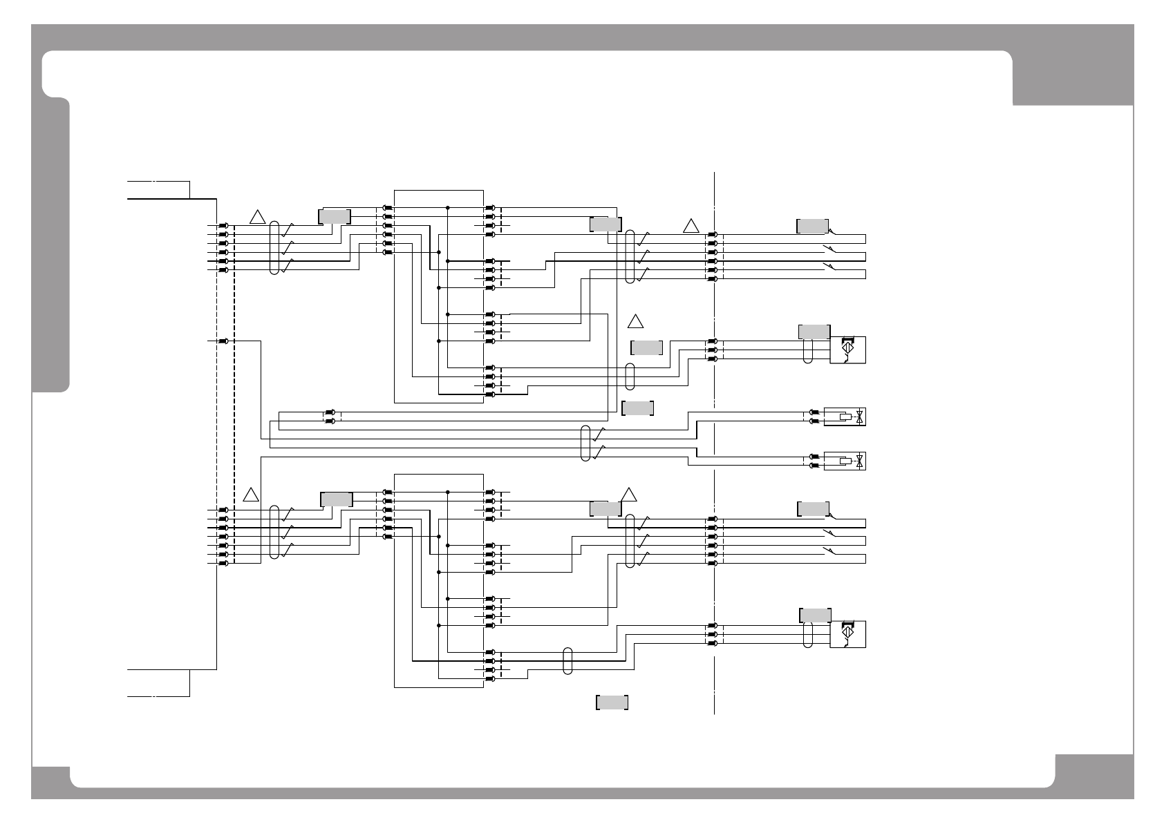
420
EXCEN PRO(M)
EXCEN PRO(D
)
EXCEN PRO(L)
Base - Ast ANC
-K321
BASE CONTROL
BOARD
AF-ANC-CL
6
5
4
3
2
1
JST
YLR-06V
SYF-01T-P0.5AYLS-03V
6
5
4
3
2
1
ANC-CL
JST
YLP-06V
SYF-01T-P0.5A
YLS-03V
-LS1(-S311)
-LS2(-S312)
-LS3(-S313)
3
2
1
AF-ANC-OP
JST
YLR-03V
SYF-01T-P0.5A
YLS-03V
ANC-OP
3
1
2
JST
YLP-03V
SYF-01T-P0.5A
YLS-03V
F8N
SMC
BU
BK
BN
-B1000
+24V
IN100
IN101
GND
IN102
IN103
OUT011
+24V
IN104
IN105
GND
IN106
IN107
OUT012
BK
BK
BU
BK
BU
BU
-
+
AF-ANC-OPCL
SMC
SY100-29-1706412-2MK
SUMIKOTEC
R4001
AR-ANC-CL
6
5
4
3
2
1
JST
YLR-06V
SYF-01T-P0.5AYLS-03V
6
5
4
3
2
1
ANC-CL
JST
YLP-06V
SYF-01T-P0.5A
YLS-03V
3
2
1
AR-ANC-OP
JST
YLR-03V
SYF-01T-P0.5A
YLS-03V
ANC-OP
3
1
2
JST
YLP-03V
SYF-01T-P0.5A
YLS-03V
F8N
SMC
BU
BK
BN
-B1001
-LS1(-S314)
-LS2(-S315)
-LS3(-S316)
BK
BK
BU
BK
BU
BU
-
+
AR-ANC-OPCL
SMC
SY100-29-1706412-2MK
SUMIKOTEC
R4002
1
2
3
4
5
6
7
8
9
10
11
12
CNANCA
13
14
AF ANC bit0
AF ANC bit1
AF ANC
SHUTTER
Close
AF ANC
SHUTTER
OPEN
AF ANC
SHUTTER
OPEN/Close
AR ANC
SHUTTER
OPEN/Close
AR ANC bit0
AR ANC bit1
AR ANC
SHUTTER
Close
AR ANC
SHUTTER
OPEN
43030-0001
43025-1400
MOLEX
BC-CNANCA
1
2
3
4
5
6
7
8
9
10
11
12
13
14
J90834419A
OMRON
D2HW-C243M
J90834420A
OMRON
D2HW-C243M
J90834419A
J90834420A
-A02
POWER UNIT
Ast ANC UNIT
6
5
4
3
2
1
CN1
CN2
4
3
2
1
CN3
4
3
2
1
CN4
4
3
2
1
CN5
4
3
2
1
-BC-EXT1(K361)
6
5
4
3
2
1
CN1
CN2
4
3
2
1
CN3
4
3
2
1
CN4
4
3
2
1
CN5
4
3
2
1
-BC-EXT2(K362)
6
5
4
3
2
1
BC-EXT1-CN1(CN1K361)
MOLEX
43025-0600
43030-0001
6
5
4
3
2
1
BC-EXT2-CN1(CN1K362)
MOLEX43025-0600
43030-0001
43030-000143025-0400MOLEX
1
2
3
4
BC-EXT1-CN2(CN2K361)
43030-000143025-0400MOLEX
1
2
3
4
BC-EXT1-CN3(CN3K361)
43030-000143025-0400MOLEX
1
2
3
4
BC-EXT1-CN4(CN4K361)
43030-000143025-0400MOLEX
1
2
3
4
BC-EXT1-CN5(CN5K361)
43030-000143025-0400
MOLEX
1
2
3
4
BC-EXT2-CN2(CN2K362)
43030-000143025-0400MOLEX
1
2
3
4
BC-EXT2-CN3(CN3K362)
43030-000143025-0400MOLEX
1
2
3
4
BC-EXT2-CN4(CN4K362)
43030-000143025-0400MOLEX
1
2
3
4
BC-EXT2-CN5(CN5K362)
EP02-001207B
U-TKVV AWG24-3P
BK
BK/WH
RD
RD/WH
GN
GN/WH
RD/WH
RD
BK/WH
BK
U-TKVV AWG24-2P
EP02-001206B
(0.2mm2-2P)
EP02-001209B
U-TKVV AWG24-3P
BK
BK/WH
RD
RD/WH
GN
GN/WH
(0.2mm2-3P)
EP02-001206B
U-TKVV AWG24-3P
BK
BK/WH
RD
RD/WH
GN
GN/WH
(0.2mm2-3P)
EP02-001206B
U-TKVV AWG24-3P
BK
BK/WH
RD
RD/WH
GN
GN/WH
(0.2mm2-3C)
EP02-001208B
U-TKVV AWG24-3C
BK
BK/WH
RD
(0.2mm2-3C)
EP02-001210B
U-TKVV AWG24-3C
BK
BK/WH
RD
5556T
5557-02R-210
MOLEX
1
2
ASTP24
2
1
ASTP24
MOLEX
5559-02P-210
5558T
BU UL#24 80/300-0.2mm2
BU UL#24 80/300-0.2mm2
1
1
1
11
2
6
7
6
7
5
4
1
3
1
1