Excellent Modular Component Placer EXCEN Series EXCEN PRO(M)/(D)/(L) Technical Reference - 第428页
Page +$1:+$ 422 EXCEN PRO(M) EXCEN PRO(D ) EXCEN PRO(L) Base - Bst ANC BF ANC bit0 BF ANC bit1 BF ANC SHUTTER Close BF ANC SHUTTER OPEN BF ANC SHUTTER OPEN/Close BR ANC SHUTTER OPEN/Close BR ANC bit0 BR ANC bit1 BR ANC S…

Page
+$1:+$
421
Base - Ast ANC
EXCEN PRO(M)
EXCEN PRO(D)
EXCEN PRO(L)
NO. PART NO. PART NAME Q'TY Old No. Supply Supply LT Reference
1 EP02-001206B HARNESS-A SIDE ANC SIG CABLE 3
2 EP02-001207B HARNESS-AF-ANC-CL CABLE 1
3 EP02-001208B HARNESS-AF-ANC-OP CABLE 1
4 EP02-001209B HARNESS-AR-ANC-CL CABLE 1
5 EP02-001210B HARNESS-AR-ANC-OP CABLE 1
6 AM03-013414A ANC SENSOR_CABLE_ASSY;V1_CONV_027 2 J90834419A
7 J90834420A ANC SHUTTER CLOSE CYLINDER;V1_CONV_028 2

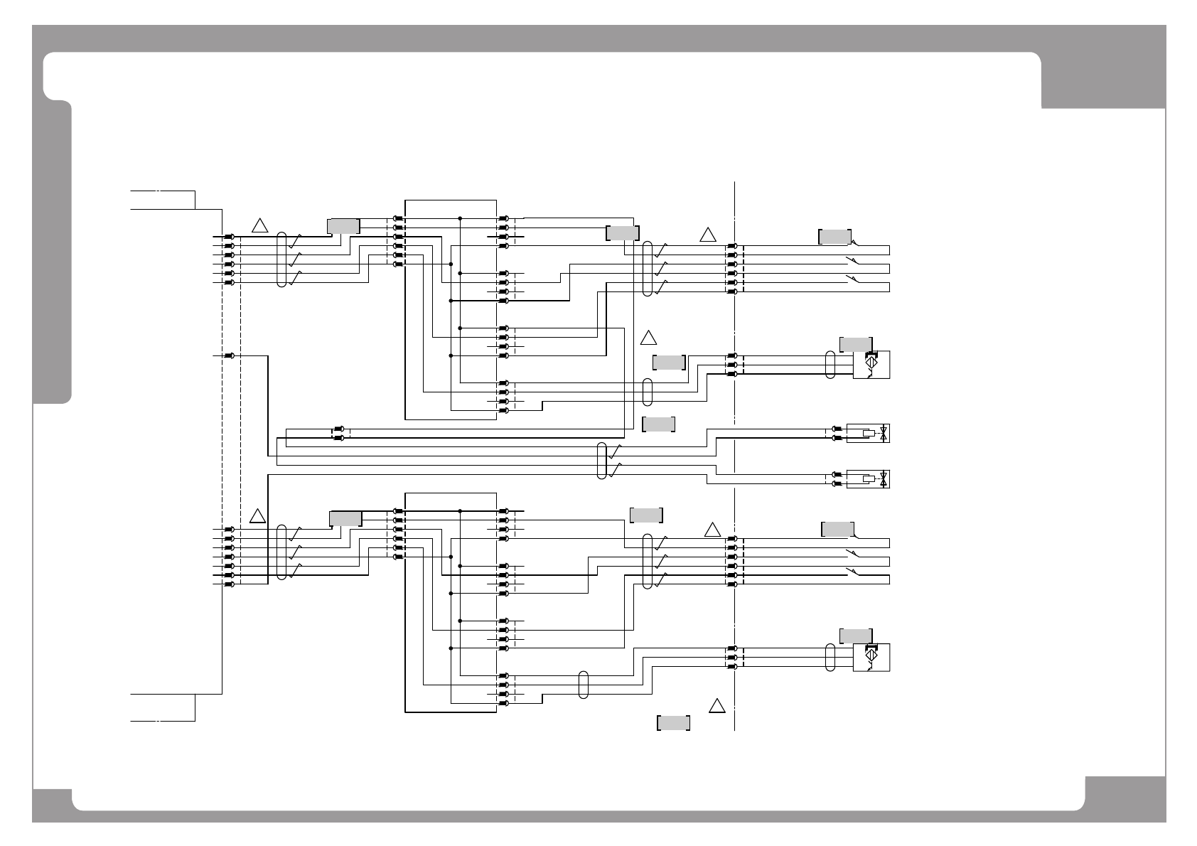
Page
+$1:+$
422
EXCEN PRO(M)
EXCEN PRO(D
)
EXCEN PRO(L)
Base - Bst ANC
BF ANC bit0
BF ANC bit1
BF ANC
SHUTTER
Close
BF ANC
SHUTTER
OPEN
BF ANC
SHUTTER
OPEN/Close
BR ANC
SHUTTER
OPEN/Close
BR ANC bit0
BR ANC bit1
BR ANC
SHUTTER
Close
BR ANC
SHUTTER
OPEN
BF-ANC-CL
6
5
4
3
2
1
JST
YLR-06V
SYF-01T-P0.5AYLS-03V
6
5
4
3
2
1
ANC-CL
JST
YLP-06V
SYF-01T-P0.5A
YLS-03V
-LS1(-S311)
-LS2(-S312)
-LS3(-S313)
3
2
1
BF-ANC-OP
JST
YLR-03V
SYF-01T-P0.5A
YLS-03V
ANC-OP
3
1
2
JST
YLP-03V
SYF-01T-P0.5A
YLS-03V
F8N
SMC
BU
BK
BN
-B1000
BK
BK
BU
BK
BU
BU
-
+
BF-ANC-OPCL
SMC
SY100-29-1706412-2MK
SUMIKOTEC
R4001
BR-ANC-CL
6
5
4
3
2
1
JST
YLR-06V
SYF-01T-P0.5A
YLS-03V
6
5
4
3
2
1
ANC-CL
JST
YLP-06V
SYF-01T-P0.5A
YLS-03V
3
2
1
BR-ANC-OP
JST
YLR-03V
SYF-01T-P0.5A
YLS-03V
ANC-OP
3
1
2
JST
YLP-03V
SYF-01T-P0.5A
YLS-03V
F8N
SMC
BU
BK
BN
-B1001
-LS1(-S314)
-LS2(-S315)
-LS3(-S316)
BK
BK
BU
BK
BU
BU
-
+
BR-ANC-OPCL
SMC
SY100-29-1706412-2MK
SUMIKOTEC
R4002
J90834419A
OMRON
D2HW-C243M
J90834420A
OMRON
D2HW-C243M
J90834419A
J90834420A
Bst ANC UNIT
6
5
4
3
2
1
CN1
CN2
4
3
2
1
CN3
4
3
2
1
CN4
4
3
2
1
CN5
4
3
2
1
-BC-EXT3(K363)
6
5
4
3
2
1
CN1
CN2
4
3
2
1
CN3
4
3
2
1
CN4
4
3
2
1
CN5
4
3
2
1
-BC-EXT4(K364)
6
5
4
3
2
1
BC-EXT3-CN1(CN1K363)
MOLEX
43025-0600
43030-0001
6
5
4
3
2
1
BC-EXT4-CN1(CN1K364)
MOLEX43025-0600
43030-0001
43030-000143025-0400MOLEX
1
2
3
4
BC-EXT3-CN2(CN2K363)
43030-000143025-0400MOLEX
1
2
3
4
IO-EXT3-CN3(CN3K363)
43030-000143025-0400MOLEX
1
2
3
4
IO-EXT3-CN4(CN4K363)
43030-000143025-0400MOLEX
1
2
3
4
IO-EXT3-CN5(CN5K363)
43030-000143025-0400
MOLEX
1
2
3
4
BC-EXT4-CN2(CN2K364)
43030-000143025-0400MOLEX
1
2
3
4
BC-EXT4-CN3(CN3K364)
43030-000143025-0400MOLEX
1
2
3
4
BC-EXT4-CN4(CN4K364)
43030-000143025-0400MOLEX
1
2
3
4
BC-EXT4-CN5(CN5K364)
EP02-001214B
U-TKVV AWG24-3P
BK
BK/WH
RD
RD/WH
GN
GN/WH
(0.2mm2-3P)
EP02-001211B
U-TKVV AWG24-3P
BK
BK/WH
RD
RD/WH
GN
GN/WH
(0.2mm2-3P)
EP02-001211B
U-TKVV AWG24-3P
BK
BK/WH
RD
RD/WH
GN
GN/WH
(0.2mm2-3C)
EP02-001215B
U-TKVV AWG24-3C
BK
BK/WH
RD
-K321
BASE CONTROL
BOBRD
+24V
IN110
IN111
GND
IN112
IN113
OUT144
+24V
IN114
IN115
GND
IN116
IN117
OUT145
1
2
3
4
5
6
7
8
9
10
11
12
CNANCB
13
14
43030-0001
43025-1400
MOLEX
BC-CNANCB
1
2
3
4
5
6
7
8
9
10
11
12
13
14
-A02
POWER UNIT
EP02-001212B
U-TKVV AWG24-3P
BK
BK/WH
RD
RD/WH
GN
GN/WH
RD/WH
RD
BK/WH
BK
U-TKVV AWG24-2P
EP02-001211B
(0.2mm2-2P)
(0.2mm2-3C)
EP02-001213B
U-TKVV AWG24-3C
BK
BK/WH
RD
5556T
5557-02R-210
MOLEX
1
2
BSTP24
2
1
BSTP24
MOLEX
5559-02P-210
5558T
BU UL#24 80/300-0.2mm2
BU UL#24 80/300-0.2mm2
1
1
1
1
1
1
1
2
6
7
6
7
3
1
4
5
1

Page
+$1:+$
423
Base - Bst ANC
EXCEN PRO(M)
EXCEN PRO(D)
EXCEN PRO(L)
NO. PART NO. PART NAME Q'TY Old No. Supply Supply LT Reference
1 EP02-001211B HARNESS-B SIDE ANC SIG CABLE 3
2 EP02-001212B HARNESS-BF-ANC-CL CABLE 1
3 EP02-001213B HARNESS-BF-ANC-OP CABLE 1
4 EP02-001214B HARNESS-BR-ANC-CL CABLE 1
5 EP02-001215B HARNESS-BR-ANC-OP CABLE 1
6 AM03-013414A ANC SENSOR_CABLE_ASSY;V1_CONV_027 2 J90834419A
7 J90834420A ANC SHUTTER CLOSE CYLINDER;V1_CONV_028 2