Excellent Modular Component Placer EXCEN Series EXCEN PRO(M)/(D)/(L) Technical Reference - 第430页
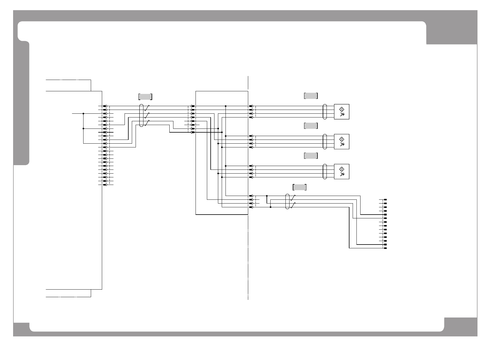
Page +$1:+$ 424 EXCEN PRO(M) EXCEN PRO(D ) EXCEN PRO(L) Base - Conveyor IF1 -A02 -K321 BASE CONTROL BOARD POWER UNIT +24V IN121 24GND +24V IN122 24GND +24V IN123 24GND +24V OT130 +24V OT131 +24V OT120 +24V OT121 +24V N,C…

Page
+$1:+$
423
Base - Bst ANC
EXCEN PRO(M)
EXCEN PRO(D)
EXCEN PRO(L)
NO. PART NO. PART NAME Q'TY Old No. Supply Supply LT Reference
1 EP02-001211B HARNESS-B SIDE ANC SIG CABLE 3
2 EP02-001212B HARNESS-BF-ANC-CL CABLE 1
3 EP02-001213B HARNESS-BF-ANC-OP CABLE 1
4 EP02-001214B HARNESS-BR-ANC-CL CABLE 1
5 EP02-001215B HARNESS-BR-ANC-OP CABLE 1
6 AM03-013414A ANC SENSOR_CABLE_ASSY;V1_CONV_027 2 J90834419A
7 J90834420A ANC SHUTTER CLOSE CYLINDER;V1_CONV_028 2

Page
+$1:+$
424
EXCEN PRO(M)
EXCEN PRO(D
)
EXCEN PRO(L)
Base - Conveyor IF1
-A02
-K321
BASE CONTROL BOARD
POWER UNIT
+24V
IN121
24GND
+24V
IN122
24GND
+24V
IN123
24GND
+24V
OT130
+24V
OT131
+24V
OT120
+24V
OT121
+24V
N,C
18
17
16
1
2
3
4
5
6
7
8
9
10
11
12
CNCNTR_AF
13
14
15
19
20
21
22
22
21
20
19
18
17
16
15
14
13
12
11
10
9
8
7
6
5
4
3
2
1
BC-CNCNTR_AF
MOLEX
43025-2200
43030-0001
OT112
E3X-DA12-S 2M
OMRON
PK
BK
BN
-B1050
BU
E3X-A12-S 2M
OMRON
PK
BK
BN
-B1051
BU
E3X-DA12-S 2M
OMRON
PK
BK
BN
-B1052
BU
AF PCB Detection
(MOUNT POSITION
AF PCB slow down)
AF PCB Detection
(MOUNT POSITION
AF PCB STOP)
AF PCB Detection
(MOUNT POSITION
AF PCB slow down)
J90611801A : CONVEYOR HARNESSAM03-003282A : BASE HARNESS
(S2)
(S3)
(S5)
8
7
6
5
4
3
2
1
CN1
MOLEX
43045-0812
CN2
4
3
2
1
MOLEX
43045-0412
CN3
4
3
2
1
MOLEX
43045-0412
CN4
4
3
2
1
MOLEX
43045-0412
CN5
4
3
2
1
MOLEX
43045-0412
-AF FACB(-K365)
8
7
6
5
4
3
2
1
AFFACB-CN1
MOLEX
43025-0800
43030-0001
EP02-001687A
U-TKVV AWG24-3P
BK
BK/WH
RD
RD/WH
GN
GN/WH
43030-0001
43025-0400
MOLEX
1
2
3
4
AFFACB-CN2
43030-0001
43025-0400
MOLEX
1
2
3
4
AFFACB-CN3
43030-0001
43025-0400
MOLEX
1
2
3
4
AFFACB-CN4
EP02-002070A
EP02-002070A
EP02-002070A
500146-0000
500145-0152
502405-1401
MOLEX
1
2
3
4
5
6
7
8
9
10
11
12
F-FDR
13
14
43030-0001
43025-0400
MOLEX
1
2
3
4
AFFACB-CN5
RD/WH
RD
BK/WH
BK
U-TKVV AWG24-2P
EP02-001714A
(0.2mm2-2P)
FRONT FDR
DC POWER
CHECK
CABLE
1
2
3
4
5

Page
+$1:+$
425
Base - Conveyor IF1
EXCEN PRO(M)
EXCEN PRO(D)
EXCEN PRO(L)
NO. PART NO. PART NAME Q'TY Old No. Supply Supply LT Reference
1 EP02-001687A HARNESS-AF PCB DETECTION SENSOR CABLE 1
2 EP02-002070A HARNESS-PCB DETECTION S2 SEN CABLE 1
3 EP02-002070A HARNESS-PCB DETECTION S3 SEN CABLE 1
4 EP02-002070A HARNESS-PCB DETECTION S5 SEN CABLE 1
5 EP02-001714A HARNESS-FRONT FDR PW CHECK CABLE 1
6 J90611801A DUAL CONVEYOR HARNESS WIRING 1