Excellent Modular Component Placer EXCEN Series EXCEN PRO(M)/(D)/(L) Technical Reference - 第434页
Page +$1:+$ 428 EXCEN PRO(M) EXCEN PRO(D ) EXCEN PRO(L) Base - Conveyor IF3 -A02 -K321 BASE CONTROL BOARD POWER UNIT +24V IN131 24GND +24V IN132 24GND +24V IN133 24GND +24V OT132 +24V OT133 24GND +24V OT122 24GND +24V OT…

Page
+$1:+$
427
Base - Conveyor IF2
EXCEN PRO(M)
EXCEN PRO(D)
EXCEN PRO(L)
NO. PART NO. PART NAME Q'TY Old No. Supply Supply LT Reference
1 EP02-001688A HARNESS-AR PCB DETECTION SENSOR CABLE 1
2 EP02-002070A HARNESS-PCB DETECTION S10 SEN CABLE 1
3 EP02-002070A HARNESS-PCB DETECTION S11 SEN CABLE 1
4 EP02-002070A HARNESS-PCB DETECTION S13 SEN CABLE 1
5 EP02-001715A HARNESS-REAR FDR PW CHECK CABLE 1
6 J90611801A DUAL CONVEYOR HARNESS WIRING 1

Page
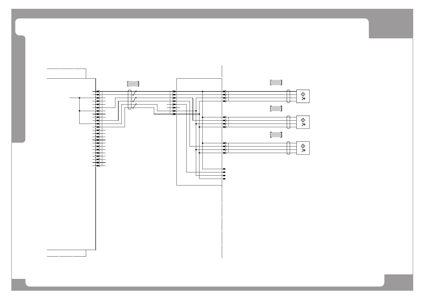
+$1:+$
428
EXCEN PRO(M)
EXCEN PRO(D
)
EXCEN PRO(L)
Base - Conveyor IF3
-A02
-K321
BASE CONTROL BOARD
POWER UNIT
+24V
IN131
24GND
+24V
IN132
24GND
+24V
IN133
24GND
+24V
OT132
+24V
OT133
24GND
+24V
OT122
24GND
+24V
OT123
N,C
N,C
OT113
E3X-DA12-S 2M
OMRON
PK
BK
BN
-B1056
BU
E3X-A12-S 2M
OMRON
PK
BK
BN
-B1057
BU
E3X-DA12-S 2M
OMRON
PK
BK
BN
-B1058
BU
BF PCB Detection
(MOUNT POSITION
BF PCB slow down)
BF PCB Detection
(MOUNT POSITION
BF PCB STOP)
BF PCB Detection
(MOUNT POSITION
BF PCB slow down)
(S6)
(S7)
(S8)
24
23
22
21
20
19
15
14
13
CNCNTR_BF
12
11
10
9
8
7
6
5
4
3
2
1
16
17
18
J90611801A : CONVEYOR HARNESSAM03-003282A : BASE HARNESS
NO USE
8
7
6
5
4
3
2
1
CN1
MOLEX
43045-0812
CN2
4
3
2
1
MOLEX
43045-0412
CN3
4
3
2
1
MOLEX
43045-0412
CN4
4
3
2
1
MOLEX
43045-0412
CN5
4
3
2
1
MOLEX
43045-0412
-BF FACB(-K367)
8
7
6
5
4
3
2
1
BFFACB-CN1
MOLEX
43025-0800
43030-0001
EP02-001689A
U-TKVV AWG24-3P
BK
BK/WH
RD
RD/WH
GN
GN/WH
43030-0001
43025-0400
MOLEX
1
2
3
4
BFFACB-CN2
43030-0001
43025-0400
MOLEX
1
2
3
4
BFFACB-CN3
43030-0001
43025-0400
MOLEX
1
2
3
4
BFFACB-CN4
43030-0001
43025-2400
MOLEX
BC-CNCNTR_BF
1
2
3
4
5
6
7
7
9
10
11
12
13
14
15
16
17
18
19
20
21
22
23
24
EP02-002070A
EP02-002070A
EP02-002070A
1
2
3
4

Page
+$1:+$
429
Base - Conveyor IF3
EXCEN PRO(M)
EXCEN PRO(D)
EXCEN PRO(L)
NO. PART NO. PART NAME Q'TY Old No. Supply Supply LT Reference
1 EP02-001689A HARNESS-BF PCB DETECTION SENSOR CABLE 1
2 EP02-002070A HARNESS-PCB DETECTION S6 SEN CABLE 1
3 EP02-002070A HARNESS-PCB DETECTION S7 SEN CABLE 1
4 EP02-002070A HARNESS-PCB DETECTION S8 SEN CABLE 1
5 J90611801A DUAL CONVEYOR HARNESS WIRING 1