Excellent Modular Component Placer EXCEN Series EXCEN PRO(M)/(D)/(L) Technical Reference - 第436页
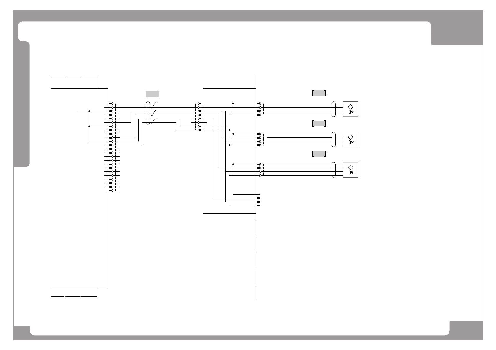
Page +$1:+$ 430 EXCEN PRO(M) EXCEN PRO(D ) EXCEN PRO(L) Base - Conveyor IF4 -A02 -K321 BASE CONTROL BOARD POWER UNIT E3X-DA12-S 2M OMRON PK BK BN -B1059 BU E3X-A12-S 2M OMRON PK BK BN -B1060 BU E3X-DA12-S 2M OMRON PK BK …

Page
+$1:+$
429
Base - Conveyor IF3
EXCEN PRO(M)
EXCEN PRO(D)
EXCEN PRO(L)
NO. PART NO. PART NAME Q'TY Old No. Supply Supply LT Reference
1 EP02-001689A HARNESS-BF PCB DETECTION SENSOR CABLE 1
2 EP02-002070A HARNESS-PCB DETECTION S6 SEN CABLE 1
3 EP02-002070A HARNESS-PCB DETECTION S7 SEN CABLE 1
4 EP02-002070A HARNESS-PCB DETECTION S8 SEN CABLE 1
5 J90611801A DUAL CONVEYOR HARNESS WIRING 1

Page
+$1:+$
430
EXCEN PRO(M)
EXCEN PRO(D
)
EXCEN PRO(L)
Base - Conveyor IF4
-A02
-K321
BASE CONTROL BOARD
POWER UNIT
E3X-DA12-S 2M
OMRON
PK
BK
BN
-B1059
BU
E3X-A12-S 2M
OMRON
PK
BK
BN
-B1060
BU
E3X-DA12-S 2M
OMRON
PK
BK
BN
-B1061
BU
BR PCB Detection
(MOUNT POSITION
BR PCB slow down)
BR PCB Detection
(MOUNT POSITION
BR PCB STOP)
BR PCB Detection
(MOUNT POSITION
BR PCB slow down)
+24V
IN134
24GND
+24V
IN135
24GND
+24V
IN136
24GND
+24V
OT136
+24V
OT137
GND
+24V
OT126
GND
+24V
OT127
N,C
N,C
OT117
24
23
22
21
20
19
15
14
13
CNCNTR_BR
12
11
10
9
8
7
6
5
4
3
2
1
16
17
18
43030-0001
43025-2400
MOLEX
BC-CNCNTR_BR
1
2
3
4
5
6
7
7
9
10
11
12
13
14
15
16
17
18
19
20
21
22
23
24
(S14)
(S15)
(S16)
J90611801A : CONVEYOR HARNESSAM03-003282A : BASE HARNESS
NO USE
8
7
6
5
4
3
2
1
CN1
MOLEX
43045-0812
CN2
4
3
2
1
MOLEX
43045-0412
CN3
4
3
2
1
MOLEX
43045-0412
CN4
4
3
2
1
MOLEX
43045-0412
CN5
4
3
2
1
MOLEX
43045-0412
-BR FACB(-K368)
8
7
6
5
4
3
2
1
BRFACB-CN1
MOLEX
43025-0800
43030-0001
EP02-001690A
U-TKVV AWG24-3P
BK
BK/WH
RD
RD/WH
GN
GN/WH
43030-0001
43025-0400
MOLEX
1
2
3
4
BRFACB-CN2
43030-0001
43025-0400
MOLEX
1
2
3
4
BRFACB-CN3
43030-0001
43025-0400
MOLEX
1
2
3
4
BRFACB-CN4
EP02-002070A
EP02-002070A
EP02-002070A
1
2
3
4

Page
+$1:+$
431
Base - Conveyor IF4
EXCEN PRO(M)
EXCEN PRO(D)
EXCEN PRO(L)
NO. PART NO. PART NAME Q'TY Old No. Supply Supply LT Reference
1 EP02-001690A HARNESS-BR PCB DETECTION SENSOR CABLE 1
2 EP02-002070A HARNESS-PCB DETECTION S14 SEN CABLE 1
3 EP02-002070A HARNESS-PCB DETECTION S15 SEN CABLE 1
4 EP02-002070A HARNESS-PCB DETECTION S16 SEN CABLE 1
5 J90611801A DUAL CONVEYOR HARNESS WIRING 1