Excellent Modular Component Placer EXCEN Series EXCEN PRO(M)/(D)/(L) Technical Reference - 第442页
Page +$1:+$ 436 EXCEN PRO(M) EXCEN PRO(D ) EXCEN PRO(L) Base - Conveyor IF3 - Large Conveyor Option 1 2 3 4 -A02 -K321 BASE CONTROL BOARD POWER UNIT +24V IN131 24GND +24V IN132 24GND +24V IN133 24GND +24V OT132 +24V OT13…

Page
+$1:+$
435
Base - Conveyor IF2 - Large Conveyor Option
EXCEN PRO(M)
EXCEN PRO(D)
EXCEN PRO(L)
NO. PART NO. PART NAME Q'TY Old No. Supply Supply LT Reference
1 AM03-014642C CABLE ASSY-CNCNTR AF TRI, 2ND EXT CABLE 1
2 EP02-001688A HARNESS-AR PCB DETECTION SENSOR CABLE 1
3 EP02-001864A HARNESS-PCB DETECTION S10 SEN CABLE 1
4 EP02-001865A HARNESS-PCB DETECTION S11 SEN CABLE 1
5 EP02-001866A HARNESS-PCB DETECTION S13 SEN CABLE 1
6 EP02-001715A HARNESS-REAR FDR PW CHECK CABLE 1
7 AM03-014973A CABLE ASSY-C-CONV ENT DETECT SNS CABLE 1

Page
+$1:+$
436
EXCEN PRO(M)
EXCEN PRO(D
)
EXCEN PRO(L)
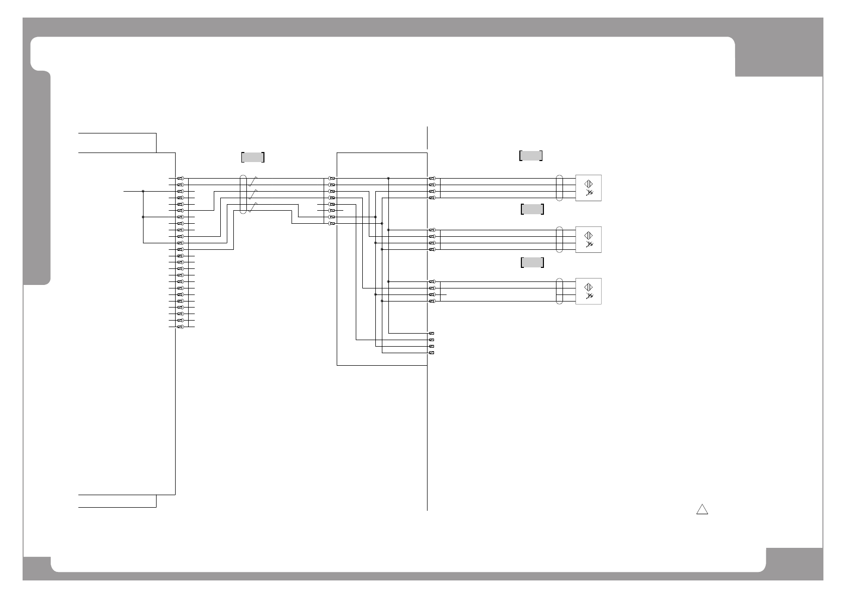
Base - Conveyor IF3 - Large Conveyor Option
1
2
3
4
-A02
-K321
BASE CONTROL BOARD
POWER UNIT
+24V
IN131
24GND
+24V
IN132
24GND
+24V
IN133
24GND
+24V
OT132
+24V
OT133
24GND
+24V
OT122
24GND
+24V
OT123
N,C
N,C
OT113
BF PCB Detection
(MOUNT POSITION
BF PCB slow down)
BF PCB Detection
(MOUNT POSITION
BF PCB STOP)
BF PCB Detection
(MOUNT POSITION
BF PCB OUTPUT)
(S6)
(S7)
(S8)
J90611801A : CONVEYOR HARNESSAM03-003282A : BASE HARNESS
NO USE
-BF FACB(-K367)
EP02-001861A
EP02-001862A
AM03-019179B
COSTDOWN SENSOR
E3X-DA12-S 2M
OMRON
PK
BK
BN
-B1056
BU
E3X-A12-S 2M
OMRON
PK
BK
BN
-B1057
BU
CX-461A
SUNX
PK
BK
BN
-B1058
BU
24
23
22
21
20
19
15
14
13
CNCNTR_BF
12
11
10
9
8
7
6
5
4
3
2
1
16
17
18
8
7
6
5
4
3
2
1
CN1
MOLEX
43045-0812
CN2
4
3
2
1
MOLEX
43045-0412
CN3
4
3
2
1
MOLEX
43045-0412
CN4
4
3
2
1
MOLEX
43045-0412
CN5
4
3
2
1
MOLEX
43045-0412
8
7
6
5
4
3
2
1
BFFACB-CN1
MOLEX
43025-0800
43030-0001
EP02-001689A
U-TKVV AWG24-3P
BK
BK/WH
RD
RD/WH
GN
GN/WH
43030-0001
43025-0400
MOLEX
1
2
3
4
BFFACB-CN2
43030-0001
43025-0400
MOLEX
1
2
3
4
BFFACB-CN3
43030-0001
43025-0400
MOLEX
1
2
3
4
BFFACB-CN4
43030-0001
43025-2400
MOLEX
BC-CNCNTR_BF
1
2
3
4
5
6
7
7
9
10
11
12
13
14
15
16
17
18
19
20
21
22
23
24
1

Page
+$1:+$
437
Base - Conveyor IF3 - Large Conveyor Option
EXCEN PRO(M)
EXCEN PRO(D)
EXCEN PRO(L)
NO. PART NO. PART NAME Q'TY Old No. Supply Supply LT Reference
1 EP02-001689A HARNESS-BF PCB DETECTION SENSOR CABLE 1
2 EP02-001861A HARNESS-PCB DETECTION S6 SEN CABLE 1
3 EP02-001862A HARNESS-PCB DETECTION S7 SEN CABLE 1
4 AM03-019179B CABLE ASSY-PCB DETECT S8 PHOTO SNS CABLE 1